锚索框格梁技术交底.docx

上传人:p** 文档编号:362718 上传时间:2023-08-06 格式:DOCX 页数:22 大小:70.85KB
下载 相关 举报
锚索框格梁技术交底.docx_第1页
第1页 / 共22页
锚索框格梁技术交底.docx_第2页
第2页 / 共22页
锚索框格梁技术交底.docx_第3页
第3页 / 共22页
锚索框格梁技术交底.docx_第4页
第4页 / 共22页
锚索框格梁技术交底.docx_第5页
第5页 / 共22页
锚索框格梁技术交底.docx_第6页
第6页 / 共22页
锚索框格梁技术交底.docx_第7页
第7页 / 共22页
锚索框格梁技术交底.docx_第8页
第8页 / 共22页
锚索框格梁技术交底.docx_第9页
第9页 / 共22页
锚索框格梁技术交底.docx_第10页
第10页 / 共22页
亲,该文档总共22页,到这儿已超出免费预览范围,如果喜欢就下载吧!
资源描述

《锚索框格梁技术交底.docx》由会员分享,可在线阅读,更多相关《锚索框格梁技术交底.docx(22页珍藏版)》请在第壹文秘上搜索。

1、分部分项工程施工技术交底卡工程名称红河州新安所至鸡街高速马路建设项目分部分项工程名称锚索、锚杆框格梁施工范围K0+2000+510.96左、K0+2600+5521.39右、K3+7303+910右、K3+8303+923左设计要求框格梁竖肋柱边坡垂直于路途布置,肋柱间距3.4m。横向I型肋柱4030,横向11型肋柱40X45,竖向肋柱40X45;横、竖向肋柱都采纳C25混凝土。变形缝设置间距为10.2m,设在框格中间,内填浸沥青木板。预应力锚索为4股sl5.2预应力钢较线;锚具采纳15-4圆形锚具,锚垫板采纳A3钢板,厚25;锚杆为C32钢筋;钢管设计采纳146、678钢套管,管壁厚5,托架

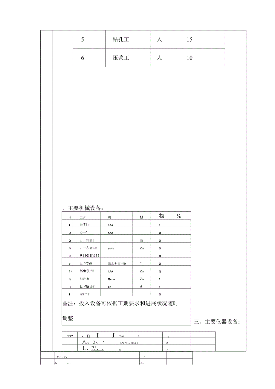
2、为68钢筋;注浆用砂浆为M30砂浆;封锚混凝土为30;急流槽位置为锚杆加固,其余位置为锚索加固;锚索按框格形护坡典型断面图设置,由三排锚索组成。施工方法一、工期:2016年6月30日到2016年12月31日。二、劳动力:序号工种单位数量1普工人202模板工人253钢筋工人204混凝土工人155钻孔工人156压浆工人10、主要机械设备:K工夕刷M物三、主要仪器设备:1俄71江11O心11OQ山,阳11叁O。十3名11onnZaOCP111I11Oa出nrr出土4白r*O17rh)L*i111ZQQ汨游MQcnnZa1匕Pfa士口onA11二十O备注:投入设备可依据工期要求和进展状况随时调整7?、

3、nIJTlttl、.人、o、_L*r_*Cf.,1CCr-xZ-I.、7/、.C八、加人、I/、八J.-/、.-.、-*r*r-*nr.、r-*-1*r7-、t-rr-I.-4-7*Ar-TrrrZ.备注:投入设备依据工期要求和进展状况进行调整四、施工工艺:1、施工依次(1)严格遵循从上往下,从两侧向中间分级分段施工的原则,每开挖一级加固一级,再向下开挖;依次开挖和锚固,不能开挖究竟或开挖几级边坡再锚固。每施工一段加固一段,再开挖邻段。切忌全段一次开挖,避开灾难事故的发生。(2)开挖前做好上坡口地表截、排水措施,待截、排水工程施工完成后,边坡自上而下分层进行开挖。(3)分层开挖完成后,马上施工

4、坡面锚杆(索):定位、钻孔、锚杆(索)安装、灌浆、张拉,然后进行下一分层施工。(4)一级坡面开挖完毕后,绑扎钢筋笼,现浇框架梁。(5)注浆体及抑制件、结构物混凝土达设计强度后后,进行锚索张拉。(6)一级全部施工完毕后,进行下一级循环。(7)施工完锚索框格梁之后,再施工排水工程。2、工程放样(1)各项工程依平面设计图、剖面设计图放样;(2)全部锚索框格梁,均顺坡向布置,各纵梁均位于碎落台上方边坡内。(3)为使坡体稳定,坍塌体边部和坡口线旁边的锚索位置和纵、横梁长度可作适当调整。(4)放样时,若工程位置及地形及坡面位置不符时,应刚好通知设计代表调整。框格梁护坡施工工艺流程3、框架基槽开挖(1)每台

5、边坡先开挖竖向肋柱部分,柱身一次性浇筑完毕,待柱身锚固达到强度要求再从上到下开挖其余部分土体。开挖顺序平面示意图11so(2)开挖基槽后,基槽内土要夯实。(3)基槽开挖时,硬岩对梁的架空坡面支补垫平。坡面为土质及全风化层,框格梁嵌入38、40;强风化层框格梁嵌入25;中、弱风化层框格梁无法刻槽嵌入,框格梁培土25。(4)基槽设置20工作面。4、钻孔(1)搭接工作平台用脚手架按坡面锚孔横排位置,搭接两米宽锚杆框架施工的工作平台。要求爬杆不得和竖梁锚孔交织,平台应低于横排锚孔0.5m。平台铺上厚度225木板,平台外边设栏杆,平台用垂直水平面地锚桩锚牢,保证钻机施工时的稳定及施工的平安性。(2)设备

6、安装就位平台搭好后在坡底将钻机分解,用人工将潜孔钻机搬运至坡面工作平台组装,将钻机的钻头、冲击器、钻杆安装好后,将钻机底盘螺丝松开,调整钻机底盘将钻头对准孔位,然后用测斜仪量测钻机的底盘或钻杆,将钻机的倾角调好,定位组装架设,并用脚手架、扣件和连接器将钻机固定在平台的钢管上。必要时需在钻孔位置对平台增加地锚桩加固平台o确保锚孔开钻就位纵横误差不得超过土30,高程误差不得超过土30,钻孔倾角和方向符合设计要求,倾角、方位角允许误差位1.0。(3)钻孔D钻孔倾角钻孔的倾角为20,开孔时要用钻头来回多次对孔口进行钻进,导正开孔的倾角和孔位,并在开孔钻进前一米时,用测斜仪多次量测钻机的底盘或钻杆,随时

7、调整钻机,保证在开孔时由地层软硬或坡面不平整引起钻机对孔位偏移的误差,在钻进中每钻进3-5m用测斜仪量测一次钻孔孔斜,刚好调整钻孔孔斜误差。锚孔倾角、水平角允许误差点在内土1O2)钻机参数的调整限制在钻进中应依据岩层的岩性软硬来调整钻机的参数。当岩性较硬时应低压低转速钻进,当岩性较软时应高压高转速钻进。当钻孔越深时应用较高的风压,当钻孔越浅时可适当降低钻机的风压。钻机钻进参数限制用钻机的操作阀来调整。3)钻孔过程钻孔前清除松土覆盖层。钻进过程中应对每个孔的地层改变、钻进状态、地下水及一些特殊性状况作好现场记录,如遇地层松软、破裂时则应跟管钻进以使钻孔完整不塌。若遇塌孔,应马上停钻进行固壁灌浆处

8、理,等水泥砂浆初凝后重新扫孔钻进。当钻进深度超过6m时要求每钻进一米清除孔内岩粉一次。孔位误差水平不得超过3垂直不得超过3。钻孔应采纳风动干钻施工方法,不得采纳旋转切削方法成孔。钻孔直径110,钻孔轴线应在马路路途的法向平面内。为确保锚孔深度,实际钻孔深度应要求大于设计深0.5mo4)清孔钻进达到设计深度后,不能马上停钻,要求稳钻12分钟,防止孔底尖灭、达不到设计孔径。钻孔孔壁不得有沉喳及水体粘滞,必需清理干净,在钻孔完成后,运用高压空气(风压0.20.4)将孔内岩粉及水体全部清除出孔外,以免降低水泥砂浆及孔壁岩土体的粘结强度。除相对坚硬完整之岩体锚固外,不得采纳高压水冲洗。若遇锚孔中有承压水

9、流出,待水压、水量变小后方可下安锚筋及注浆,必要时在四周适当部位设置排水孔处理。假如设计要求处理锚孔内部积聚水体,一般采纳灌浆封堵二次钻进等方法处理。5)锚孔检验锚孔钻造结束后,须经现场监理检验合格后,方可进行下道工序。孔径、孔深检查一般采纳设计孔径、钻头和标准钻杆在现场监理旁站的条件下验孔,要求验孔过程中钻头平顺推动,不产生冲击或抖动,钻具验送长度满意设计锚孔深度,退钻要求顺畅,用高压风吹验不存明显飞溅尘硝及水体现象。同时要求复查锚孔孔位、倾角和方位,全部锚孔施工分项工作合格后,即可认为锚孔钻造检验合格。5、锚索(杆)制安(1)锚杆(索)制作锚索制作按设计要求的长度切割钢绞线,用弯曲机将无粘

10、结钢绞线弯曲成U型并固定在承载体上,然后按设计承载体间距组装成完整的锚索体。1)编索的工作平台上进行,考虑到锚索张拉工艺要求,实际锚索长度要比设计长度多留1.4米,即锚索长度等于锚索锚固段+锚索自由段+张拉段1.4mo2)截取钢绞线前,对线材进行检查,对无粘结钢绞线套管有破损的进行修补,钢绞线有机械损伤或锈蚀的不得运用。3)截取钢绞线用切割机,不允许用电焊或气割。截好的钢绞线平顺地置于工作平台上,每孔压力分散型锚索分2个单元,每个单元4束,为了张拉便于区分,每组要用红、黑两种油漆进行点刷作为标记。4)每隔Im设置一个架线环,钢绞线不得相互缠绕并保证承载体位于钻孔中部。5)剥去承载体处聚乙烯外皮

11、(只允许剥去能放下钢质承载体、挤压套部分其余不能破坏),钢绞线通过特制的挤压簧和挤压套对称地锚固于钢质承载体上。6)每孔锚索的锚固段由4束无粘结钢绞线内锚于钢质承载体组成,注浆管及锚索一起编入索体,从承载板中间穿过。7)自由段的钢绞线必需除去锈蚀,自由段套管,套管两端l(20长度范围内用黄油填充,外绕工程胶布固定。8)锚索头部用78钢管将前面尖成70角作导向帽。9)锚索制作完成后,进行外观检验,并签发合格证。用塑料包袱好,卷成直径约2m的圈存放,并按锚孔进行编号,运用前应经监理工程师认可。锚杆制作锚杆按设计长度用切割机进行切割。锚杆通长不得用电焊接长,采纳直螺纹连接,杆体上每隔2m设一托架,自

12、由段套套管,套管内填满防腐油。锚体制作完成后须经监理工程师认可后再进入下一道工序。(2)锚杆(索)安装锚索安装前应进行下列各项检验,并经监理工程师认可:1)锚孔内及四周杂物必需清除干净。2)锚索长度及设计孔深相符。3)锚索无明显弯曲、扭转现象。4)锚索防护涂层无损伤,凡有损伤的必需修复。安装锚索前再次细致核对锚孔编号,确认无误后再用高压风吹孔。下锚索时锚索体由套管作导向,操作人员协调一样,匀称用力往锚孔里推,保证锚索体在孔内顺直不扭曲。将锚索插入锚孔内,距离孔底0.5m居中安放好,并在锚孔外预留钢绞线L4m长,锚索安放时搬运支点不得大于2m,转弯半径最好不小于IOm,保证锚索在搬运过程中不扭曲

13、变形。锚杆安装前应进行下列各项检验,并经监理工程师认可:1)锚孔内及四周杂物必需清除干净。2)锚杆长度及设计孔深相符。3)抽检每批钢筋的强度、弹性模量、截面积。4)锚杆必需顺致。将制作好的锚杆从孔口插入,距离孔底0.5m居中安放好。下锚杆时将注浆管头部用14号铁丝捆住留一弯勾,勾住锚杆,锚杆安置时跟随锚杆下入孔底,注完浆后将注浆管轻轻一带,铁丝拉直脱离锚杆,便可将注浆管取出。6、锚孔注浆(1)材料要求水泥砂浆采纳标号不低于42.5级生产日期在3个月内的簇新硅酸盐水泥配制的水泥砂浆,水灰比为0.400.45,搅拌后的泌水率宜限制在2%,最大不超过3%。(2)制浆注浆1)浆液采纳转速为1500-2

14、000转/分的高速旋转式的和浆机搅拌。2)先放水,再放水泥,最终加砂,全部投料后,搅拌匀称,达到规定稠度后,存入缓慢搅拌的储浆桶中,然后缓慢搅拌,始终到灌浆结束。3)待安排的浆量储够后,起先注浆。在不漏浆的状况下,每孔可始终灌满,不得分开灌入,以免浆液渗进气泡。4)采纳孔底注浆,孔口返浆,自孔底向上一次性注入,中途不能停注。采纳砂浆泵将浆液输送至孔底,再由孔底返出孔口,待孔口溢出浆液及灌入浆液的浓度、颜色一样时可停止灌浆,或依据拌浆盆内的刻记确定注浆量,灌浆时采纳堵塞器封闭灌注。在浆体未凝固前不得移动锚体。5)锚孔浆液容量一般取设计用浆量的120130%,裂缝发育和存在溶洞、溶缝时将会超灌许多,制浆前及灌浆过程中应充分留意。6)锚杆(索)下入孔后6小时内必需注浆,有地下水的孔,造孔成孔4小时内不能下锚时,应在下锚杆(索)前重新洗孔,速洗、速设锚、速注浆。锚杆(索)注浆时,应等待锚孔水泥浆面稳定后才停注,不稳定时,应接着缓慢加压注浆,不稳定不得停注。在注满孔道并封闭排气孔后,宜再接着加压至050.6,稍后再封闭注浆孔。7)如遇孔道堵塞,必需更换注浆口,但必需将第一次灌入的水泥浆排出,以免两次灌入的水泥浆之间有气体存

展开阅读全文
相关资源
猜你喜欢
相关搜索

当前位置:首页 > 建筑/环境 > 安全文明施工

copyright@ 2008-2023 1wenmi网站版权所有

经营许可证编号:宁ICP备2022001189号-1

本站为文档C2C交易模式,即用户上传的文档直接被用户下载,本站只是中间服务平台,本站所有文档下载所得的收益归上传人(含作者)所有。第壹文秘仅提供信息存储空间,仅对用户上传内容的表现方式做保护处理,对上载内容本身不做任何修改或编辑。若文档所含内容侵犯了您的版权或隐私,请立即通知第壹文秘网,我们立即给予删除!