桥涵工程施工安全检查评分表.docx

上传人:p** 文档编号:375901 上传时间:2023-08-06 格式:DOCX 页数:2 大小:24.24KB
下载 相关 举报
桥涵工程施工安全检查评分表.docx_第1页
第1页 / 共2页
桥涵工程施工安全检查评分表.docx_第2页
第2页 / 共2页
亲,该文档总共2页,全部预览完了,如果喜欢就下载吧!
资源描述

《桥涵工程施工安全检查评分表.docx》由会员分享,可在线阅读,更多相关《桥涵工程施工安全检查评分表.docx(2页珍藏版)》请在第壹文秘上搜索。

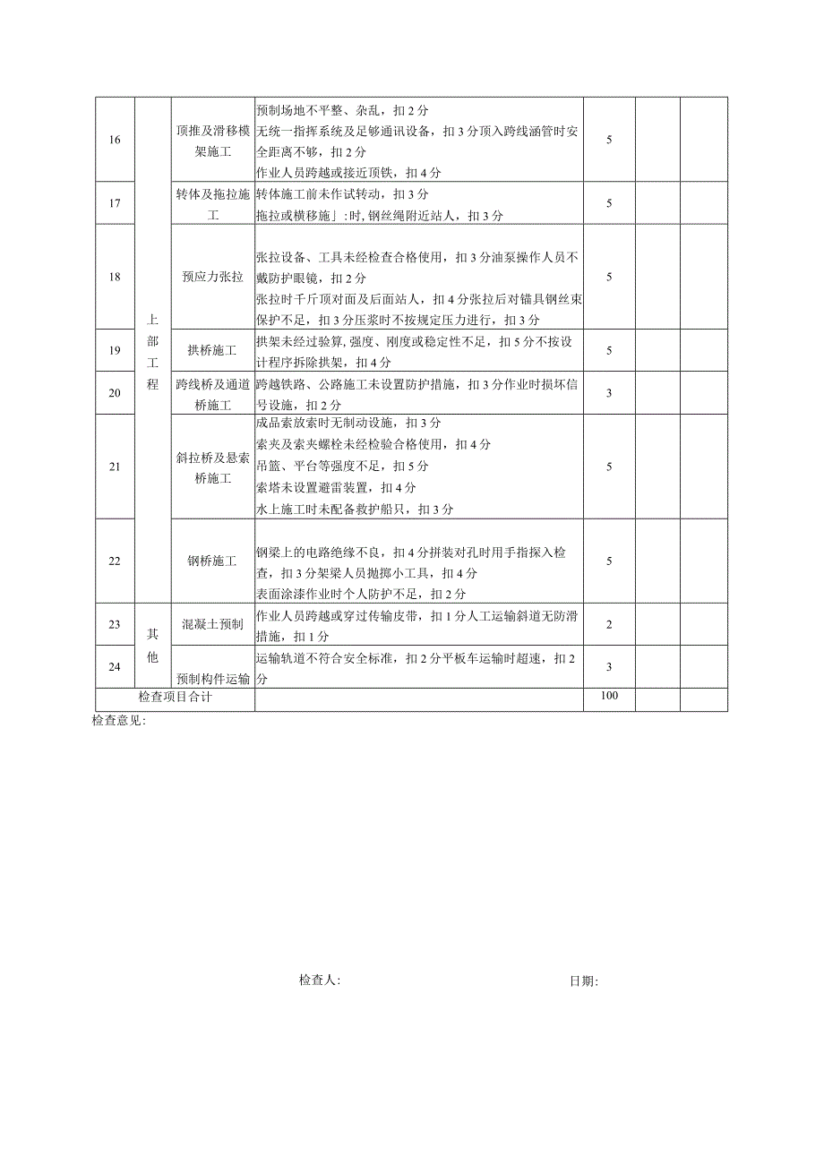
1、桥涵工程施工安全检查评分表序号检查项目扣分标准应得分数扣减分数实得分数1基础工程明挖基础挖掘机械距坑边安全距离不符合规范或方案设计要求,扣1分基坑排水设施不足,扣1分32筑岛围堰吸泥船作业区有船舶进入,扣3分基坑支撑不牢固,扣3分遇洪水或流沙时作业,扣2分43钢板桩及钢筋混凝土板桩围堰作业前未全面检查打桩机具,扣2分将吊具拴在钢板桩夹具上,扣3分钢板桩起吊时未设溜绳,扣2分44套箱围堰套箱未经检查验收,扣4分作业时未设置警戒区域,扣3分45沉井基础下井操作人员安全防护用品不全,扣4分井内无钢梯及护圈、安全绳,扣3分抽水机械电路无漏电保护,扣3分吊斗升降时无专人指挥,扣2分56钻孔灌注桩基础钻机

2、安设不平稳、牢固,扣3分停钻后将钻头留于孔内,扣3分钻机电路无漏电保护,扣2分47沉入桩基础起吊区域有人员停留或作业,扣2分在悬挂状态下维修桩锤,扣2分48挖孔,沉管灌注班基础孔口安全设施、标志不全,扣3分孔内通风措施不足,扣3分49墩台工程就地浇筑墩台施工墩高超过Iom未设安全网,扣2分吊斗碰撞模板或脚手架,扣3分310砌筑墩台施工脚手架上堆放物品超过设计荷载,扣2分作业平台未按要求设置安全防护设施,扣2分311滑模施工墩台模板提升至2m高后未按照高处作业规定设置安全措施,扣4分作业人员站在正在爬升的模板上,扣2分平台上荷载超过设计标准或未均匀布置,扣2分412上部工程预制构件安装无安装方案

3、及统一指挥系统,扣3分大吨位构件两端同时顶起或下落,扣3分513悬臂浇筑挂篮组拼后未全面检查并作静载试验,扣3分挂篮行走速度超过O.lmmin,扣2分514悬臂拼装吊机未作静载试验,扣3分构件起升后运载车辆(船只)未迅速撤出,扣3分515缆索吊装吊装前未经过试吊,扣3分缆索跨越公路、铁路时未搭设架空防护支架,扣3分516上部工程顶推及滑移模架施工预制场地不平整、杂乱,扣2分无统一指挥系统及足够通讯设备,扣3分顶入跨线涵管时安全距离不够,扣2分作业人员跨越或接近顶铁,扣4分517转体及拖拉施工转体施工前未作试转动,扣3分拖拉或横移施:时,钢丝绳附近站人,扣3分518预应力张拉张拉设备、工具未经检

4、查合格使用,扣3分油泵操作人员不戴防护眼镜,扣2分张拉时千斤顶对面及后面站人,扣4分张拉后对锚具钢丝束保护不足,扣3分压浆时不按规定压力进行,扣3分519拱桥施工拱架未经过验算,强度、刚度或稳定性不足,扣5分不按设计程序拆除拱架,扣4分520跨线桥及通道桥施工跨越铁路、公路施工未设置防护措施,扣3分作业时损坏信号设施,扣2分321斜拉桥及悬索桥施工成品索放索时无制动设施,扣3分索夹及索夹螺栓未经检验合格使用,扣4分吊篮、平台等强度不足,扣5分索塔未设置避雷装置,扣4分水上施工时未配备救护船只,扣3分522钢桥施工钢梁上的电路绝缘不良,扣4分拼装对孔时用手指探入检查,扣3分架梁人员抛掷小工具,扣4分表面涂漆作业时个人防护不足,扣2分523其他混凝土预制作业人员跨越或穿过传输皮带,扣1分人工运输斜道无防滑措施,扣1分224预制构件运输运输轨道不符合安全标准,扣2分平板车运输时超速,扣2分3检查项目合计100检查意见:日期:检查人:

展开阅读全文
相关资源
猜你喜欢
相关搜索

当前位置:首页 > 建筑/环境 > 铁路工程

copyright@ 2008-2023 1wenmi网站版权所有

经营许可证编号:宁ICP备2022001189号-1

本站为文档C2C交易模式,即用户上传的文档直接被用户下载,本站只是中间服务平台,本站所有文档下载所得的收益归上传人(含作者)所有。第壹文秘仅提供信息存储空间,仅对用户上传内容的表现方式做保护处理,对上载内容本身不做任何修改或编辑。若文档所含内容侵犯了您的版权或隐私,请立即通知第壹文秘网,我们立即给予删除!