螺旋钻孔灌注桩施工工程文档范本.docx

上传人:p** 文档编号:377402 上传时间:2023-08-06 格式:DOCX 页数:9 大小:38.91KB
下载 相关 举报
螺旋钻孔灌注桩施工工程文档范本.docx_第1页
第1页 / 共9页
螺旋钻孔灌注桩施工工程文档范本.docx_第2页
第2页 / 共9页
螺旋钻孔灌注桩施工工程文档范本.docx_第3页
第3页 / 共9页
螺旋钻孔灌注桩施工工程文档范本.docx_第4页
第4页 / 共9页
螺旋钻孔灌注桩施工工程文档范本.docx_第5页
第5页 / 共9页
螺旋钻孔灌注桩施工工程文档范本.docx_第6页
第6页 / 共9页
螺旋钻孔灌注桩施工工程文档范本.docx_第7页
第7页 / 共9页
螺旋钻孔灌注桩施工工程文档范本.docx_第8页
第8页 / 共9页
螺旋钻孔灌注桩施工工程文档范本.docx_第9页
第9页 / 共9页
亲,该文档总共9页,全部预览完了,如果喜欢就下载吧!
资源描述

《螺旋钻孔灌注桩施工工程文档范本.docx》由会员分享,可在线阅读,更多相关《螺旋钻孔灌注桩施工工程文档范本.docx(9页珍藏版)》请在第壹文秘上搜索。

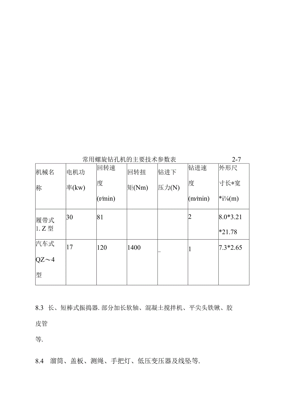
1、第一卷螺旋钻孔灌注桩施工第1章范围本工艺标准适用于工业及民用建筑中地下水以上的一般粘土、砂土及人工填土地基螺旋成孔的灌注桩.第2章施工准备第1节说明1水泥:宜用425号矿渣硅酸盐水泥.2砂:中砂或粗砂,含泥量不大于5%.3石子:卵石或碎石,粒径532mm,含泥量不大于2%.4钢筋:钢筋的级别、直径必须符合设计要求,有出厂证明书及复试报告,表面应无老锈和油污.5垫块:用1:3水泥砂浆埋22号火烧丝提前预制成或用塑料卡.6火烧丝:规格1820号铁丝烧成.7外加剂:掺合料;根据施工需要通过试验确定.8主要机具:8.1 螺旋钻孔机:常用的主要技术参数见表2-7.8.2 机动小翻斗车或手推车,装卸运土或

2、运送混凝土.常用螺旋钻孔机的主要技术参数表2-7机械名称电机功率(kw)回转速度(rmin)回转扭矩(Nm)钻进下压力(N)钻进速度(mmin)外形尺寸长*宽*i(m)履带式1.Z型308128.0*3.21*21.78汽车式QZ4型171201400-17.3*2.658.3 长、短棒式振捣器.部分加长软轴、混凝土搅拌机、平尖头铁锹、胶皮管等.8.4 溜筒、盖板、测绳、手把灯、低压变压器及线坠等.第2节作业条件:1地上、地下障碍物都处理完毕,达到“三通一平”.施工用的临时设施准备就绪.2场地标高一般应为承台梁的上皮标高,并经过夯实或碾压.3分段制作好钢筋笼,其长度以58m为宜.4根据图纸放出

3、轴线及桩位点,抄上水平标高木檄,并经过预检签证.5施工前应作成孔试验,数量不少于两根.6要选择和确定钻孔机的进出路线和钻孔顺序,制定施工方案,做好技术交底.第3章操作工艺第1节工艺流程:1成孔工艺流程:浇筑混凝土工艺流程:移盖板测孔深、垂直度一放钢筋放混凝土溜洞浇筑混凝土(随浇随振)插桩顶钢筋第2节钻孔机就位:钻孔机就位时,必须保持平稳,不发生倾斜、位移,为准确控制钻孔深度,应在机架上或机管上作出控制的标尺,以便在施工中进行观测、记录.第3节钻孔:调直机架挺杆,对好桩位(用对位圈),开动机器钻进、出土,达到控制深度后停钻、提钻.第4节检查成孔质量:1钻深测定.用测深绳(锤)或手提灯测量孔深及虚

4、土厚度.虚土厚度等于钻孔深的差值.虚土厚度一般不应超过IOCnL2孔径控制.钻进遇有含石块较多的土层,或含水量较大的软塑粘土层时,必须防止钻杆晃动引起孔径扩大,致使孔壁附着扰动土和孔底增加回落.第5节孔底土清理钻到预定的深度后,必须在孔底处进行空转清土,然后停止转动;提钻杆,不得曲转钻杆.孔底的虚土厚度超过质量标准时,要分析原因,采取措施进行处理.进钻过程中散落在地面上的土,必须随时清除运走.第6节移动钻机到下一桩位经过成孔检查后,应填好桩孔施工记录.然后盖好孔口盖板,并要防止在盖板上行车或走人.最后再移走钻机到下一桩位.第7节浇筑混凝土:1移走钻孔盖板,再次复查孔深、孔径、孔壁、垂直度及孔底

5、虚土厚度.有不符合质量标准要求时,应处理合格后,再进行下道工序.2吊放钢筋笼:钢筋笼放入前应先绑好砂浆垫块(或塑料卡);吊放钢筋笼时要对准孔位,吊直扶稳,缓慢下沉,避免碰撞孔壁.钢筋笼放到设计位置时,应立即固定.遇有两段钢筋笼连接时,应采取焊接,以确保钢筋的位置正确,保护层厚度符合要求3放溜筒浇筑混凝.在放溜筒前应再次检查和测量钻孔内虚土厚度.浇筑混凝土时应连续进行,分层振捣密实,分层高度以捣固的工具而定,一般不得大于1.5m.4混凝土浇筑到桩顶时,应适当超过桩顶设计标高,以保证在凿除浮浆后,桩顶标高符合设计要求.5撤溜筒和桩顶插钢筋.混凝土浇到距桩顶L5m时,可拔出溜筒,直接浇灌混凝土.桩顶

6、上的钢筋插铁一定要保持垂直插入,有足够的保护层和锚固长度,防止插偏和插斜.6混凝土的坍落度一般宜为810cm;为保证其和易性及坍落度,应注意调整砂率和掺入减水剂、粉煤灰等.7同一配合比的试块,每班不得少于一组.第8节冬、雨期施工:1冬期当温度低于OC以下浇筑混凝土时,应采取加热保温措施.浇筑时,混凝土的温度按冬施方案规定执行.在桩顶未达到设计强度50%以前不得受冻.当气温高于30C时,应根据具体情况对混凝土采取缓凝措施.2雨期严格坚持随钻随浇筑混凝土的规定,以防遇雨成孔后灌水造成塌孔.雨天不能进行钻孔施工.现场必须有排水的各种措施,防止地面水流入槽内,以免造成边坡塌方或基土沉陷、钻孔机倾斜等.

7、第4章质量标准第1节保证项目:1灌注桩的原材料和混凝上强度必须符合设计要求和施工规范的规定.2成孔深度必须符合设计要求.以摩擦力为主的桩,顶渣厚度严禁大于300Inm9以端承力为主的桩,沉渣厚度严禁大于100mm3实际浇筑混凝土量,严禁小于计算体积.4浇筑混凝土后的桩顶标高及浮浆的处理,必须符合设计要求和施工规范的规定.第2节允许偏差项目,见表2-8.螺旋钻成孔灌注桩允许偏差表2-8.项次项目允许偏差(mm)检验方法1钢筋笼主筋间距+10尺量检查2钢筋笼箍筋间距20尺量检查3钢筋笼直径10尺量检查4钢筋笼长度100尺量检查5桩的位置偏差垂直于桩基中心线12根桩单排桩垂直于桩d/6且不大于200

8、拉线和尺量检查沿桩基中心线基中心线群桩基础的边桩d/4且不大于300拉线和尺量检查6垂直度H/100吊线和昼检查注:d为桩的直径,H为桩长.第5章成品保护1钢筋笼在制作、运输和安装过程中,应采取措施防止变形、吊入钻孔时,应有保护垫块.或垫管和垫板.2钢筋笼在吊放入孔时,不得碰撞孔壁.灌注混凝土时,应采取措施固定其位置3灌注桩施工完毕进行基础开挖时,应制定合理的施工顺序和技术措施,防止桩的位移和倾斜.并应检查每根桩的纵横水平偏差.4成孔内放入钢筋笼后,要在4h内浇筑混凝土.在浇筑过程中,应有不使钢筋笼上浮和防止泥浆污染的措施.5安装钻孔机、运输钢筋笼以及浇筑混凝土时,均应注意保护好现场的轴线桩、

9、高程桩.6桩头外留的主筋插铁要妥善保护,不得任意弯折或压断.7桩头混凝土强度,在没有达到5MPa时,不得碾压,以防桩头损坏.第6章应注意的质量问题1孔底虚土过多:钻孔完毕,应及时盖好孔口,并防止在盖板上过车和行走.操作中应及时清理虚土.必要时可二次投钻清土.2塌孔缩孔:注意土质变化,遇有砂卵石或流塑淤泥、上层滞水层渗漏等情况,应会同有关单位研究处理.3桩身混凝土质量差:有缩颈、空洞、夹土等,要严格按操作工艺边浇筑混凝土边振捣的规定执行.严禁把土和杂物混入混凝土中一起浇筑.4钢筋笼变形:钢筋笼在堆放、运输、起吊、入孔等过程中,没有严格按操定执行.必须加强对操作工人的技术交底,严格执行加固的质量措施.5当出现钻杆跳动、机架晃摇、钻不进尺等异常现象,应立即停车检查6混凝土浇到接近桩顶时,应随时测量顶部标高,以免过多截桩和补桩.7钻孔进入砂层遇到地下水时,钻孔深度应不超过初见水位,以防塌孔.第7章质量记录本工艺标准应具备以下质量记录:1水泥的出厂证明及复验证明.2钢筋的出厂证明或合格证以及钢筋试验单抄件.3试桩的试压记录.4补桩的平面示意图.5灌注桩施工记录.6混凝土试配申请单和试验室签发的配合比通知单.7混凝土试块28d标养抗压强度试验报告.8商品混凝土的出厂合格证.

展开阅读全文
相关资源
猜你喜欢
相关搜索

当前位置:首页 > 建筑/环境 > 桩基础

copyright@ 2008-2023 1wenmi网站版权所有

经营许可证编号:宁ICP备2022001189号-1

本站为文档C2C交易模式,即用户上传的文档直接被用户下载,本站只是中间服务平台,本站所有文档下载所得的收益归上传人(含作者)所有。第壹文秘仅提供信息存储空间,仅对用户上传内容的表现方式做保护处理,对上载内容本身不做任何修改或编辑。若文档所含内容侵犯了您的版权或隐私,请立即通知第壹文秘网,我们立即给予删除!