矿业有限公司煤矿重点岗位应急处置卡.docx

上传人:p** 文档编号:381839 上传时间:2023-08-06 格式:DOCX 页数:18 大小:52.55KB
下载 相关 举报
矿业有限公司煤矿重点岗位应急处置卡.docx_第1页
第1页 / 共18页
矿业有限公司煤矿重点岗位应急处置卡.docx_第2页
第2页 / 共18页
矿业有限公司煤矿重点岗位应急处置卡.docx_第3页
第3页 / 共18页
矿业有限公司煤矿重点岗位应急处置卡.docx_第4页
第4页 / 共18页
矿业有限公司煤矿重点岗位应急处置卡.docx_第5页
第5页 / 共18页
矿业有限公司煤矿重点岗位应急处置卡.docx_第6页
第6页 / 共18页
矿业有限公司煤矿重点岗位应急处置卡.docx_第7页
第7页 / 共18页
矿业有限公司煤矿重点岗位应急处置卡.docx_第8页
第8页 / 共18页
矿业有限公司煤矿重点岗位应急处置卡.docx_第9页
第9页 / 共18页
矿业有限公司煤矿重点岗位应急处置卡.docx_第10页
第10页 / 共18页
亲,该文档总共18页,到这儿已超出免费预览范围,如果喜欢就下载吧!
资源描述

《矿业有限公司煤矿重点岗位应急处置卡.docx》由会员分享,可在线阅读,更多相关《矿业有限公司煤矿重点岗位应急处置卡.docx(18页珍藏版)》请在第壹文秘上搜索。

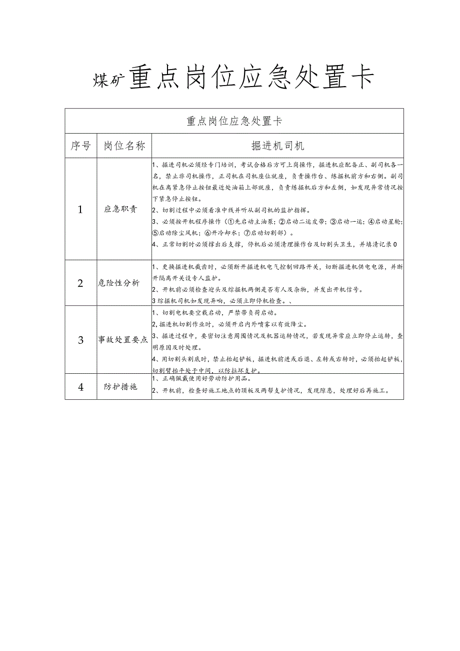
1、煤矿重点岗位应急处置卡重点岗位应急处置卡序号岗位名称掘进机司机1应急职责1、掘进司机必须经专门培训,考试合格后方可上岗操作,掘进机应配备正、副司机各一名,禁止非司机操作,正司机在司机座位就座,负责操作台、练掘机前方和右侧。副司机在离紧急停止按钮最近处油箱上部就座,负责练掘机后方和左侧,如发现异常情况按下紧急停止按钮。2、切割过程中必须看准中线并听从副司机的监护指挥。3、必须按开机程序操作(先启动主油泵;启动二运皮带;启动一运;启动星轮;启动除尘风机;开冷却水;启动切割部)。4、正常切割时必须撑出后支撑,停机后必须清理操作台及切割头卫生,并填清记录O2危险性分析1、更换掘进机截齿时,必须断开掘进

2、机电气控制回路开关,切断掘进机供电电源,并断开隔离开关设专人监护。2、开机前必须检查迎头及综掘机两侧是否有人及杂物,并发出开机信号。3综掘机司机如发现异响,必须立即停机检查。、3事故处置要点1、切割电机要空载启动,严禁带负荷启动。2,掘进机切割作业时,必须开启内外喷雾以有效降尘。3、掘进过程中,要密切注意周围情况及机器运转情况,若发现异常应立即停止运转,查明原因及时处理。4、用切割头割底时,禁止抬起铲板,掘进机前进或后退、左转或右转时,必须抬起铲板,切割臂抬平处于中间,以防拉坏支护。4防护措施1、正确佩戴使用好劳动防护用品。2、开机前,检查好施工地点的顶板及两帮支护情况,发现隙患,处理好后再施

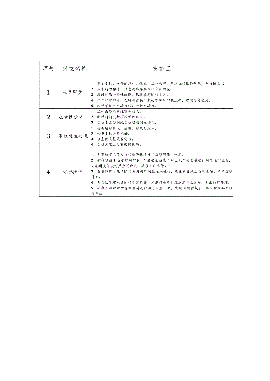
3、工。序号岗位名称支护工1应急职责1、熟知支柱、支架的结构、性能、工作原理,严格执行操作规程,并持证上以2、集中精力操作,注意观察煤层及顶底板的变化。3、及时排除一般性故障,认真填写运转日志。4、保管好零部件,及时将更换下来的零部件回收上井,以便修复使用。5、按照菜单式交接班程序进行交接班。2危险性分析1、工作面端头回柱窜升伤人。2、顺槽超前支护顶板掉外伤人。3、支柱未上防倒绳支柱泄液倒柱伤人。3事故处置要点1、检查顶帮情况,出现片帮及时维护。2、检查支柱是否完好。3、检查供液枪是否完好。4、支柱必须上可靠的防倒绳。4防护措施1、井下所有工作人员必须严格执行“敲帮问顶”制度。2、矿每班设1名跟班

4、副矿长、1名安全检查员对巳完工的巷道进行动态巡回检查,对巷道支架变形严重的地段,要求立即维修。3、巷道维修时先清除活石再由外向里逐架进行,先支新支架后拆旧支架,严禁空顶作业。4、各区队管理人员进行日常检查,发现问题及时在调度会上通知,要求按期处理。5、矿每月组织对所有的巷道进行动态检查1次,发现问题责成采、掘队按照要求限期整改。序号岗位名称掘进工1应急职责1、巷道掘进工必须熟悉掘进工作地区的地质构造及水文地质情况。2,巷道掘进工必须熟悉所掘进巷道的作业规程和工程质量标准要求以及安全技术措施。3、掘进工作前要备好掘进工作所用的工具,并保证工具的完好使用。4、掘进工作前要备好掘进工作所使用的支架材

5、料,不合格的支架材料不得使用。5、按照作业规程的要求,进行掘进支护,确保工程质量合格。6、维护好掘进工作范围内的一切电器设备完好无损。2危险性分析1,施工地点顶板及两帮支护是否稳定,有无危岩、活开。2,巷道所在地点范围内的涌水情况。3、使用的工、器具是否完好。4、使用的支护材料是否符合规定要求。3率故处置要点1,进行支护前,必须有已有的完好支护保护下,用长把长具敲帮问顶,摘除悬阡危岩和松动的燥帮。2、随时观察工作面动态,发现异常现象(如:巨大的震顶声、大量支柱卸荷或钻底严重、顶板来压显现强烈或出现台阶下沉现象等),必须立即发出警报,撤离所有人员,待顶板稳定后,由班(组)长按规定处理。3、按作业

6、规程的规定进行铺、联网。联网时不得出现空联。4、顶梁与顶板应紧密接触。若顶板不平或局部冒顶时,必须用木料背实。5、不准将支柱架设在浮原(阡)上,坚硬底板要刨柱窝、见麻面;底板松软时,支柱必须穿鞋。4防护措施1、施工时、每组人员不得少于2人以上作业。2、佩戴使用好劳动防护用品。3、严格按照煤矿安全规程和作业规程的规定施工。重点岗位应急处置卡序号岗位名称打眼工1应急职贵1、打眼工必须经过培训,考试合格后持证上岗。2,上岗前必须认真学习煤矿安全生产“三大规程”,熟悉、掌握打眼机具的结构、性能和使用方法。能维护打眼机具及维修一般故障。3、掌握作业规程、炮眼布置,爆破说明书及支护有关规定。2危险性分析1

7、,施工现场的支护,是否稳定。2、所用的工器具是否完好。3、劳动防护是否到位、齐全。4,施工地点所在范围内的涌水情况是否符合要求。3事故处置要点1、必须湿式凿眼,严禁干打眼。2、在打眼过程中,工作人员必须集中精力,注意观察钻进情况。打眼时钻杆不得上下左右摆动,钻杆下方不得站人,以免钻杆折断伤人。3、严禁打眼与装药平行作业和在残眼内打眼。4防护措施1、正确佩戴和使用好劳动防护用品。2、严格按煤矿安全规程及作业规程的规定施工。序号岗位名称爆破工1应急职贵1、必须依法接受专门培训,经考试合格后取得操作资格证书,方可上岗作业。2,坚持持证上岗,按章作业,搞好互保联保和自主保安,严禁违章胃险作业。3,工作

8、前先检查发爆器是否完好、灵敏可靠,放炮线有无破损、断裂,长度是否够长,如存在问题,严禁爆破。4、爆破时必须使用水炮泥,药注意保护爆破地点附近的支架、电器设备。2危险性分析1、爆破崩人事故。2、熏人事故。3、爆破崩倒支护。4,爆破崩坏设备或设施。5、爆破引起冒顶事故。6,爆破诱发突出事故。7、爆破引发瓦斯、煤尘爆炸事故。3事故处置要点1,发生事故时现场人员应立即向矿调度报告矿调度向矿领导及公司调度报告。2、现场抢险:现场发生爆破事故时,班(组)长、安全员、瓦检员必须组织抢救迅速将伤者送至地面。3,根据具体情况切断作业场所的供电电源。4,工作人员必须进行自救和互救,并立即向矿调度汇报。并将事故的性

9、质、地点向分别汇报清楚。5,组织抢救、疏散周围所受影响范围内的所有人员。4防护措施1,按适用条件使用质量合格的炸药、雷管,在有瓦斯、燥尘爆炸危险的工作面严禁使用非煤矿许用炸药和非2、严格执行“一炮三检”制度和瓦检员、爆破工、班(组)长连锁放炮制度。3、加强警戒。4、加强通风管理。序号岗位名称皮带司机1应急职责1、可伸缩皮带司机应设专职,经培训考试取得合格并持证方可操作。2、司机应熟悉所用设备的结构性能,工作原理,必须做到“三懂四会”。3、司机应执行现场交接班制度。4、集中精力,听清开车、停车信号,不准出现误操作。5、皮带司机必须认真执行现场交接班制度,不得脱岗、窜岗和岗上睡觉。2危险性分析1、

10、发出后动运转信号,通知皮带机沿线人员离开,防止皮带机运行伤人。2,皮带司机要加强设备运行观察,注意倾听设备运转声音,观看设备运行状况,发现异常情况要及时汇报处理。3事故处置要点1、从机头到机尾认真检查一遍,看有无挂塞皮带及煤块阡石掉落塞阻皮带、托福有无掉落不转现象。2、认真检查传动装置,各部螺丝是否齐全、完整、紧固。减速器是否有渗漏现象。3、检查皮带有无跑偏、装载是否合适,挡煤板是否恰当。4、检查皮带机综合保护装置是否可靠。4防护措施1、要经常保持责任范围内的设备、场所干净整洁,及时清理浮煤杂物。2、设备运行过程中要注意倾听信号指令,听到停机信号或不明信号要及时停机。3、设备发生故障或出现安全

11、隙患时要及时停机并汇报处理。序号岗位名称采煤机司机1应急职责1、熟知采煤机的结构、性能、工作原理,机采生产工艺,严格执行操作规程,并持证上岗。2、集中精力操作,注意观察煤层及顶底板的变化。顶底板要割平、煤壁要割直,为推移输送机、拉移支架创造条件。3、精心维护保养,实行包机到人,注意检查更换截齿、喷嘴、注意注油,保持机器完好与清洁。4、及时排除一般性故障,协助检修采煤机,排除疑难故障,参加事故分析。认真填写运转日志。5、保管好零部件,及时将更换下来的零部件回收上井,以便修复使用。6、按照菜单式交接班程序进行交接班。2危险性分析1、工作面煤帮酥软片帮未及时支护。2、采煤机开启时未发送开机信号。3、

12、工作面检修或停机时未摘除离合器。4、采煤机闭锁装置使用不可靠。5、工作面液压管路连接不牢固。6、工作面粉尘是否超限。3事故处置要点1、开启采煤机前,检查顶帮情况,出现片帮及时维护。2、开机前,检查采煤的喷雾和闭锁装置是否完好。3、开启采煤机时,先发送开机信号,待人员撤离后开启采煤机。4、采煤机运行过程中,有人员通过时必须停机。5、检修或停机时闭合闭锁按钮。6、检修或停机时必须摘除离合器,并停电闭锁4防护措施1、严格执行敲帮问顶制度,片帮处及时拉移超前架。2、采燥机开启时发送开机信号,待人员到安全地点(距离采疾机5m外)时再开启。3、检修和停机后及时摘除离合器并检查确认。4、开机前认真检查采煤机

13、闭锁装置是否完好。5、开机前检查各连接管路是否连接紧固,存在磨损严重情况。6、严格做到开机开水并戴好安全防护设施。重点岗位应急处置卡序号岗位名称电机车司机1应急职责1 .蓄电池电机车司机必须经过培训考试取得合格证方可上岗。2 .必须熟悉掌握电车及其各部件和安全保护装置的结构、性能、技术特征、作用、使用方法,会处理一般故障。3、集中精力操作,注意观察运行道路,防治碰上人员。4、精心维护保养,实行包机到人,注意检查更换电阻丝、注意注油,保持机器完好与清洁。5、及时排除一般性故障,协助检修人员,排除疑难故障,参加事故分析。认真填写运转日志。6、保管好零部件,及时将更换下来的零部件回收上井,以便修复使

14、用。7、按照菜单式交接班程序进行交接班。8、事故发生后,迅速按照预案实施应急处置工作,最大限度地避免和减少人员伤亡。2危险性分析1、发出启动信号,通知机车沿线人员离开,防止机车运行伤人。2、机车司机要加强设备运行观察,注意倾听设备运转声音,观看设备运行状况,发现异常情况要及时汇报处理。3事故处置要点1、把机车从内到外认真检查一遍,查看机车的闸、灯、警铃、连接器和微砂装置必须齐全,是否有不良好现象。2、认真检查传动装置,各部螺丝是否齐全、完整、紧固。减速器是否有渗漏现象。3、检查机车综合保护装置是否可靠。4防护措施1、要经常保持责任范围内的设备、场所干净整洁,及时清理杂物。2、设备运行过程中要注意查看有无人员通过,有无车辆等物料在行进路上,看到后要及时停机。3、设备发生故障或出现安全隙患时要及时停机并汇报处理。序号岗位名称绞车司机1应急职责1、熟知绞车的结构、性能、工作原理,严格执行操作规程,并持证上岗。2、事故发生后,迅速按照预案实施应急处置工作,最大限度地避免和减少人员伤亡。2危险性分析轨道下山、各运输卷道发生过卷、断绳跑车等事故。矿车提升过程中物件掉落造成的人员、井下设备的损坏。矿车挤、碰、压伤人事故,3事故处置要点1、发生运输事故后,应首先抢救受伤人员。2、抢险时一定要先观察好周围物体的稳定状态,必要时要先将物体或车体固定,然后再施救。3、救人时不得强拉

展开阅读全文
相关资源
猜你喜欢
相关搜索

当前位置:首页 > 行业资料 > 矿业工程

copyright@ 2008-2023 1wenmi网站版权所有

经营许可证编号:宁ICP备2022001189号-1

本站为文档C2C交易模式,即用户上传的文档直接被用户下载,本站只是中间服务平台,本站所有文档下载所得的收益归上传人(含作者)所有。第壹文秘仅提供信息存储空间,仅对用户上传内容的表现方式做保护处理,对上载内容本身不做任何修改或编辑。若文档所含内容侵犯了您的版权或隐私,请立即通知第壹文秘网,我们立即给予删除!