居民连接路工程--路基及路面设计说明.docx

上传人:p** 文档编号:386851 上传时间:2023-08-06 格式:DOCX 页数:20 大小:63.78KB
下载 相关 举报
居民连接路工程--路基及路面设计说明.docx_第1页
第1页 / 共20页
居民连接路工程--路基及路面设计说明.docx_第2页
第2页 / 共20页
居民连接路工程--路基及路面设计说明.docx_第3页
第3页 / 共20页
居民连接路工程--路基及路面设计说明.docx_第4页
第4页 / 共20页
居民连接路工程--路基及路面设计说明.docx_第5页
第5页 / 共20页
居民连接路工程--路基及路面设计说明.docx_第6页
第6页 / 共20页
居民连接路工程--路基及路面设计说明.docx_第7页
第7页 / 共20页
居民连接路工程--路基及路面设计说明.docx_第8页
第8页 / 共20页
居民连接路工程--路基及路面设计说明.docx_第9页
第9页 / 共20页
居民连接路工程--路基及路面设计说明.docx_第10页
第10页 / 共20页
亲,该文档总共20页,到这儿已超出免费预览范围,如果喜欢就下载吧!
资源描述

《居民连接路工程--路基及路面设计说明.docx》由会员分享,可在线阅读,更多相关《居民连接路工程--路基及路面设计说明.docx(20页珍藏版)》请在第壹文秘上搜索。

1、路基及路面设计说明一、设计概述路基设计主要依据交通部颁公路工程技术标准(JTGB01-2014)及交通部颁公路路基设计规范(JTGD30-2015),以及其它相关实地踏勘资料进行。1、路基横断面布置根据业主要求全线路基宽度4.5米,为了方便施工,路面采用平坡。2、超高方式路基设计标高为路基中心高程。本项目在平曲线路基超高、加宽过渡均在直线和圆曲线段内完成。超高旋转轴为行车道中心线。3、加宽方式路基按照I类加宽值的一半进行加宽。二、路基设计路基设计以公路工程技术标准(JTGB01-2014).公路路基设计规范(JTGD30-2015)和公路路基施工技术规范(JTGF-2006)为依据,并结合外业

2、调查资料进行。1、路线建设路线通过地段为单斜脊状重丘及梳状冲沟。根据沿线岩土性质、构造特征、裂状发育程度、水文地质条件等因素,进行边坡设计。1.1、挖方边坡:挖方路基边坡系根据土的密实程度、成因类型及生成年代,以及岩石的岩性、构造、风化破碎程度,结合挖方边坡高度、地下水、地表水等因素综合拟定边坡坡度如表1:挖方边坡表1种类边坡高度(米)岩8米时为1:1.75,并在8米高处设1.5米宽护坡道,并向路基外侧倾斜2%4%的横坡。地面横坡陡于1:5的填方地段,应将原地面挖成宽度不小于2米的台阶,台阶向内横坡2%4%。2、对零挖零填路基处理零填零挖路基根据实际测定弯沉值,如弯沉值大于282.3(0.0I

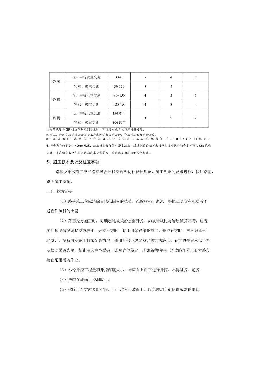
3、nIm),需按要求换填片石、砂砾石或良质土。3、施工注意事项3.1路基顶面必须满足公路路基施工技术规范的压实度及平整度要求,方可进行下一步的路面施工。3.2路基挖方施工时,对顺层地段须沿层面开挖。如设计坡比与岩层倾角不符,应视实际顺层情况调整挖方坡比。开挖土方时,禁止用爆破作业施工。开挖石方时,应根据地形、地质、开挖断面及施工机械配备情况,采用能保证边坡稳定的方法施工。石方的爆破应以小型及松动爆破为主,禁止用大中型爆破,影响岩体稳定,造成新的下路床轻、中等及重交通30-80543特重、极重交通30-12054上路提轻、中等及重交通80150433特第、极聿交通120-19043-下路提轻、中等

4、及重交通150以下322特重、极重交通190以下1.当珞基填料CBR值达不到表列要求时,可掺石灰或其他稳定材料处理。2,当三、四级公路铺筑沥青显凝土和水泥混凝土路面时,应采用二级公路的规定.3.该表CBR试黔条件应符合现行公路士工试验规程(JTGE40)的规定。4.年平均降雨量小于40Omm地区,路基排水良好的非浸水路基,通过试验论证可采用平衡湿度状态的含水率作为CBR试验条件,并应结合当地气候条件和汽车荷载等级,确定路基填料CBR控制标准。5、施工技术要求及注意事项路基及排水施工应严格按照设计和交通部现行设计规范、施工规范的要求进行,保证路基、路面施工质量。5.1、挖方路基(I)路基施工前应

5、清除占地范围内的植被,挖除树根、淤泥、耕植土及含有机质等不适宜作填料的土层。(2)路基挖方施工时,对顺层地段须沿层面开挖。如设计坡比与岩层倾角不符,应视实际顺层情况调整挖方坡比。开挖土方时,禁止用爆破作业施工。开挖石方时,应根据地形、地质、开挖断面及施工机械配备情况,采用能保证边坡稳定的方法施工。石方的爆破应以小型及松动爆破为主,禁止用大中型爆破,影响岩体稳定,造成新的病害;滑坡路段附近石方路段禁止采用爆破作业。(3)不论开挖工程量和开挖深度大小,均应自上而下进行开挖,不得乱挖、超挖。(4)严禁在坡面上挖洞取土。(5)挖除土石方应及时排除,不可堆积于坡面上,以免增加负荷后造成新的地质3.3填方

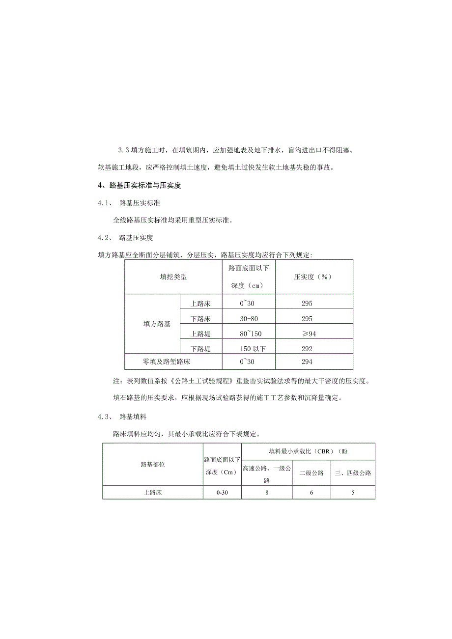
6、施工时,在填筑期内,应加强地表及地下排水,盲沟进出口不得阻塞。软基施工地段,应严格控制填土速度,避免填土过快发生软土地基失稳的事故。4、路基压实标准与压实度4.1、 路基压实标准全线路基压实标准均采用重型压实标准。4.2、 路基压实度填方路基应全断面分层铺筑、分层压实,路基压实度均应符合下列规定:填挖类型路面底面以下深度(cm)压实度()填方路基上路床030295下路床30-80295上路堤8015094下路堤150以下292零填及路堑路床030294注:表列数值系按公路土工试验规程重蛰击实试验法求得的最大干密度的压实度。填石路基的压实要求,应根据现场试验路获得的施工工艺参数和沉降量确定。4.

7、3、 路基填料路床填料应均匀,其最小承载比应符合下表规定。路基部位路面底面以下深度(Cm)填料最小承载比(CBR)(盼高速公路、一级公路二级公路三、四级公路上路床0-30865测值来调整施工填筑方法和采取应对措施。(7)路堤填筑时,从最低处起分层填筑,逐层压实;当原地面纵坡大于12%或横坡陡于1:5时,应按设计要求挖台阶,或设置坡度向内并大于4%、宽度大于2m的台阶。填筑时应注意控制加载速率,以确保路基稳定。三、路基、路面排水系统及防护工程设计1、路基防护1.1、填方路基如为软弱基础时,地基应做处理或挖淤换填后,方可填筑路基本体。2、排水本项目拟定采用如下:2.1、 排水边沟:采用0.4米XO

8、.3米梯形土边沟,边沟壁坡比1:0.5。2.2、 排水涵洞:考虑到涵洞修好后便于今后排水,故拟定采用净空为0.5/0.75的钢筋混凝土圆管涵,涵洞进口采用跌水井,出口采用八字墙。四、取土、弃土设计方案、环保及节约用地措施1、取土、弃土设计方案施工时应到指定的弃土场弃土(弃土场有业主现场指定),做好环保工作,避免水土流失和滑坡等病害,弃土场地面坡度大于20%的地段必须挖地质台阶,宽度在24米。弃土场需修筑护脚及排水沟。部分路段可根据具体情况增设弃土场。2、环境保护2.1、 路线线形布设时考虑了与地形、地物、环境、景观及规划的相互配合,尽量少占地、少拆迁,减少工程对景观的破坏。2.2、 尽量保持已

9、有水利设施及径流系统,理顺因工程建设而改变的排灌系统,确保水流畅通,减少水土流失。2.3、 合理设置管涵构造物和平交道口,不因公路建设而给沿线群众过多地带来生(6)路堑边坡开挖前,应首先砌筑截水沟,将坡面水截流,以有利于边坡稳定。(7)深路堑开挖宜采取分层纵挖法,即沿路堑全宽以深度不大的纵向分层挖掘前进的开挖方法。(8)路堑边坡开挖应自上而下,高、长边坡应分段进行,开挖后应及时防护,对有特殊设计的边坡应分段及时防护。(9)路堑边坡开挖,应有序组织施工周期,尽量避免雨季开挖。(10)施工中,为确保边坡岩体不被大面积破坏,确保边坡稳定,严禁采用大爆破开挖。5.2填方路基(1)填筑地表低洼处,应清除

10、树根草皮或淤泥腐植土,并排干地表积水,再行填筑。(2)填方施工时,在填筑期内,应加强地表及地下排水,盲沟进出口不得阻塞。软基施工地段,应严格控制填土速度,避免填土过快发生软土地基失稳的事故。(3)路基填筑必须按分层填筑、分层碾压工艺施工,分层厚度土方为30cm,土石混填为40cm。如采用重型压路机施工,分层填筑厚度可根据试验路段的实测资料报请监理、业主及设计单位审查后进行调整,但填料的最大粒径不得大于分层厚度的2/3。(4) 土质填方:填方路基应处于干燥或中湿状态,垫层一下080cm上路床部分应严格控制填土压实度在95%以上,并尽量选用最大粒径小于IOcm的粗粒土作为填料,因含水量过大达不到规

11、定压实度的路基必须采取换填或渗入石灰等措施,并碾压密室。(5)桥涵填方应采用渗水性较好的填筑石料,并设置横向盲沟,分层夯实,夯实厚度不得超过20Cnb以满足压实度要求。(6)路基填筑时,应随时对路基压实度进行检测,并定期观测路基沉陷,根据观路面宽度允许偏差:20mm水泥面板抗折强度:24.OMPa抗滑构造深度:一般路段不小于0.5mm且不大于1.0mm,特殊路段不小于0.6mm且不大于Llmmo路面施工前必须先对路基进行验收,达到要求后方可施工面层。2、设计依据及主要技术指标路面设计采用或参照以下资料:公路水泥混凝土路面设计规范JTGD40-2011公路工程质量检验评定标准JTGF801-20

12、17公路水泥混凝土路面施工技术细则JTGF30-2014重庆公路路面典型结构研究重庆市农村公路建设管理办法渝交委法2019121号路面设计使用年限10年;3、路面结构设计本项目路面结构层如下:项目改建部分公路II水泥混凝土面层厚度(cm)20碎石找平层54、特殊路段路基处理4.1本项目中路基基础出现湿软,路面出现弹簧、破裂、帽浆等现象,必须挖除软弱层,换填天然砂砾石或片石,夯实后恢复标高,其基层、面层处理方式与所在路段路面结构相同。产、生活的不便。2.4、 做好施工组织计划,使施工对环境的影响降低至最小程度。工程完工前,做好沿线场地清理平整工作,整饰路容,对已破坏的地表,要进行重新整平、恢复,

13、公路用地范围应适当栽种树木进行绿化。2.5、 节约用地措施取土场、弃土场位置尽量设置在荒坡、荒地处。预制场、拌合场等临时用地尽量选用闲荒地,少占耕地。五、路面设计1、路面结构组合设计1.1、 设计原则路面结构组合设计主要根据重庆市农村公路建设管理办法渝交委法2019121号和本公路交通量、公路等级对路面的使用要求,道路的功能要求,结合沿线气候、水文、地质及筑路材料的分布情况,本着因地制宜、合理取材、方便施工、利于养护、节约投资的原则和历年的设计、施工经验进行各结构层的组合与设计。1.2、 路基路面参数路基宽度:4.5m路面宽度:4.5m1.3、 路面结构组合本路全路段路面采用20c厚C30混凝

14、土,采用5cm厚碎石调平层。根据交通量的预测,经过技术经济比较,并征得建设单位意见,本项目路面按水泥混凝土路面设计。水泥混凝土设计抗弯(折)拉强度为4.OMpa,混凝土弯拉模量27Gpa1.4、 质量标准厚度代表值:Hmm,单点合格值:-IOmm中线高程:15mm面层粗集料标准级配范围V粒径级配、类型方筛孔尺寸(mm)2.364.759.5016.019.026.531.537.5累计筛余(以质量计)()合成级配4.751695-1008510040-600-104.751995100859560-75304505O4.7526.595-1009010070-90507025-4005O4.7531.5951009010075-90607540-6020-350-5

展开阅读全文
相关资源
猜你喜欢
相关搜索

当前位置:首页 > 建筑/环境 > 铁路工程

copyright@ 2008-2023 1wenmi网站版权所有

经营许可证编号:宁ICP备2022001189号-1

本站为文档C2C交易模式,即用户上传的文档直接被用户下载,本站只是中间服务平台,本站所有文档下载所得的收益归上传人(含作者)所有。第壹文秘仅提供信息存储空间,仅对用户上传内容的表现方式做保护处理,对上载内容本身不做任何修改或编辑。若文档所含内容侵犯了您的版权或隐私,请立即通知第壹文秘网,我们立即给予删除!