湖南丰化材料发展有限公司氟化镍检测报告.docx

上传人:p** 文档编号:387648 上传时间:2023-08-06 格式:DOCX 页数:1 大小:17.75KB
下载 相关 举报
湖南丰化材料发展有限公司氟化镍检测报告.docx_第1页
第1页 / 共1页
亲,该文档总共1页,全部预览完了,如果喜欢就下载吧!
资源描述

《湖南丰化材料发展有限公司氟化镍检测报告.docx》由会员分享,可在线阅读,更多相关《湖南丰化材料发展有限公司氟化镍检测报告.docx(1页珍藏版)》请在第壹文秘上搜索。

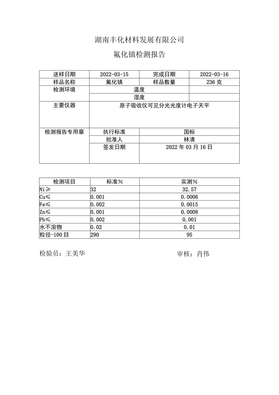
湖南丰化材料发展有限公司氟化镇检测报告送样日期2022-03-15完成日期2022-03-16样品名称氟化镇样品数量236克检测环境温度湿度主要仪器原子吸收仪可见分光光度计电子天平检测报告专用章执行标准国标批准人林清签发日期2022年03月16日检测项目标准实测Ni3232.57Cu0.0010.0006Fe0.0020.0015Zn0.0010.0008Pb0.0020.001水不溶物0.020.01粒径-100目29095审核:肖伟检验员:王美华

展开阅读全文
相关资源
猜你喜欢
相关搜索

当前位置:首页 > 论文 > 大学论文

copyright@ 2008-2023 1wenmi网站版权所有

经营许可证编号:宁ICP备2022001189号-1

本站为文档C2C交易模式,即用户上传的文档直接被用户下载,本站只是中间服务平台,本站所有文档下载所得的收益归上传人(含作者)所有。第壹文秘仅提供信息存储空间,仅对用户上传内容的表现方式做保护处理,对上载内容本身不做任何修改或编辑。若文档所含内容侵犯了您的版权或隐私,请立即通知第壹文秘网,我们立即给予删除!