清远市市场监督管理局水泥产品质量监督抽查实施细则2023年.docx

上传人:p** 文档编号:391096 上传时间:2023-08-06 格式:DOCX 页数:3 大小:20.02KB
下载 相关 举报
清远市市场监督管理局水泥产品质量监督抽查实施细则2023年.docx_第1页
第1页 / 共3页
清远市市场监督管理局水泥产品质量监督抽查实施细则2023年.docx_第2页
第2页 / 共3页
清远市市场监督管理局水泥产品质量监督抽查实施细则2023年.docx_第3页
第3页 / 共3页
亲,该文档总共3页,全部预览完了,如果喜欢就下载吧!
资源描述

《清远市市场监督管理局水泥产品质量监督抽查实施细则2023年.docx》由会员分享,可在线阅读,更多相关《清远市市场监督管理局水泥产品质量监督抽查实施细则2023年.docx(3页珍藏版)》请在第壹文秘上搜索。

1、清远市市场监督管理局水泥产品质监督抽查实施细则(2023年)一、抽样方法抽样产品:通用硅酸盐水泥、砌筑水泥以随机抽样的方式在被抽样生产者、销售者的待销产品中抽取。随机数一般可使用随机数表等方法产生。每批次抽取的样品数量不得少于16kg,将样品均分为两份,每份至少8kg,其中一份为检验样品,另一份为备用样品。二、主要检验项目及检验项目属性划分(一)通用硅酸盐水泥序号检验项目检验方法强制性非强制性重要项较重要项次要项1三氧化硫GB/T176-20172氧化镁GB/T176-20173烧失量GB/T176-20174不溶物GB/T176-20175氯离子GB/T176-20176凝结时间GB/T13

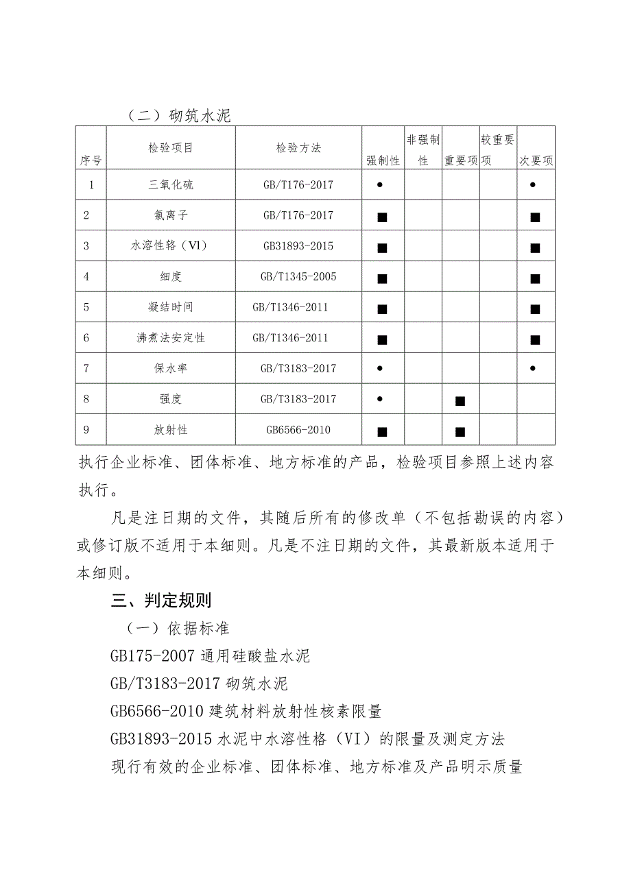
2、46-20117安定性GB/T1346-20118强度GB175-20079放射性GB6566-201010水溶性铝(VI)GB31893-2015(二)砌筑水泥序号检验项目检验方法强制性非强制性重要项较重要项次要项1三氧化硫GB/T176-20172氯离子GB/T176-20173水溶性辂(Vl)GB31893-20154细度GB/T1345-20055凝结时间GB/T1346-20116沸煮法安定性GB/T1346-20117保水率GB/T3183-20178强度GB/T3183-20179放射性GB6566-2010执行企业标准、团体标准、地方标准的产品,检验项目参照上述内容执行。凡是注

3、日期的文件,其随后所有的修改单(不包括勘误的内容)或修订版不适用于本细则。凡是不注日期的文件,其最新版本适用于本细则。三、判定规则(一)依据标准GB175-2007通用硅酸盐水泥GB/T3183-2017砌筑水泥GB6566-2010建筑材料放射性核素限量GB31893-2015水泥中水溶性格(VI)的限量及测定方法现行有效的企业标准、团体标准、地方标准及产品明示质量要求(二)判定原则经检验,检验项目全部合格,判定为被抽查产品所检项目未发现不合格;检验项目中任一项或一项以上不合格,判定为被抽查产品不合格。若被检产品明示的质量要求高于本细则中检验项目依据的标准要求时,应按被检产品明示的质量要求判定。若被检产品明示的质量要求低于本细则中检验项目依据的强制性标准要求时,应按照强制性标准要求判定。若被检产品明示的质量要求低于或包含本细则中检验项目依据的推荐性标准要求时,应以被检产品明示的质量要求判定。若被检产品明示的质量要求缺少本细则中检验项目依据的强制性标准要求时,应按照强制性标准要求判定。若被检产品明示的质量要求缺少本细则中检验项目依据的推荐性标准要求时,该项目不参与判定。检验中发现因样品失效或者其他原因致使检验无法进行的,检验人员应如实记录,并提供相关证明材料,报送组织监督抽查的市场监管部门。

展开阅读全文
相关资源
猜你喜欢
相关搜索

当前位置:首页 > 建筑/环境 > 工程监理

copyright@ 2008-2023 1wenmi网站版权所有

经营许可证编号:宁ICP备2022001189号-1

本站为文档C2C交易模式,即用户上传的文档直接被用户下载,本站只是中间服务平台,本站所有文档下载所得的收益归上传人(含作者)所有。第壹文秘仅提供信息存储空间,仅对用户上传内容的表现方式做保护处理,对上载内容本身不做任何修改或编辑。若文档所含内容侵犯了您的版权或隐私,请立即通知第壹文秘网,我们立即给予删除!