燃气发电站锅炉运行规程.docx

上传人:p** 文档编号:391175 上传时间:2023-08-06 格式:DOCX 页数:72 大小:139.72KB
下载 相关 举报
燃气发电站锅炉运行规程.docx_第1页
第1页 / 共72页
燃气发电站锅炉运行规程.docx_第2页
第2页 / 共72页
燃气发电站锅炉运行规程.docx_第3页
第3页 / 共72页
燃气发电站锅炉运行规程.docx_第4页
第4页 / 共72页
燃气发电站锅炉运行规程.docx_第5页
第5页 / 共72页
燃气发电站锅炉运行规程.docx_第6页
第6页 / 共72页
燃气发电站锅炉运行规程.docx_第7页
第7页 / 共72页
燃气发电站锅炉运行规程.docx_第8页
第8页 / 共72页
燃气发电站锅炉运行规程.docx_第9页
第9页 / 共72页
燃气发电站锅炉运行规程.docx_第10页
第10页 / 共72页
亲,该文档总共72页,到这儿已超出免费预览范围,如果喜欢就下载吧!
资源描述

《燃气发电站锅炉运行规程.docx》由会员分享,可在线阅读,更多相关《燃气发电站锅炉运行规程.docx(72页珍藏版)》请在第壹文秘上搜索。

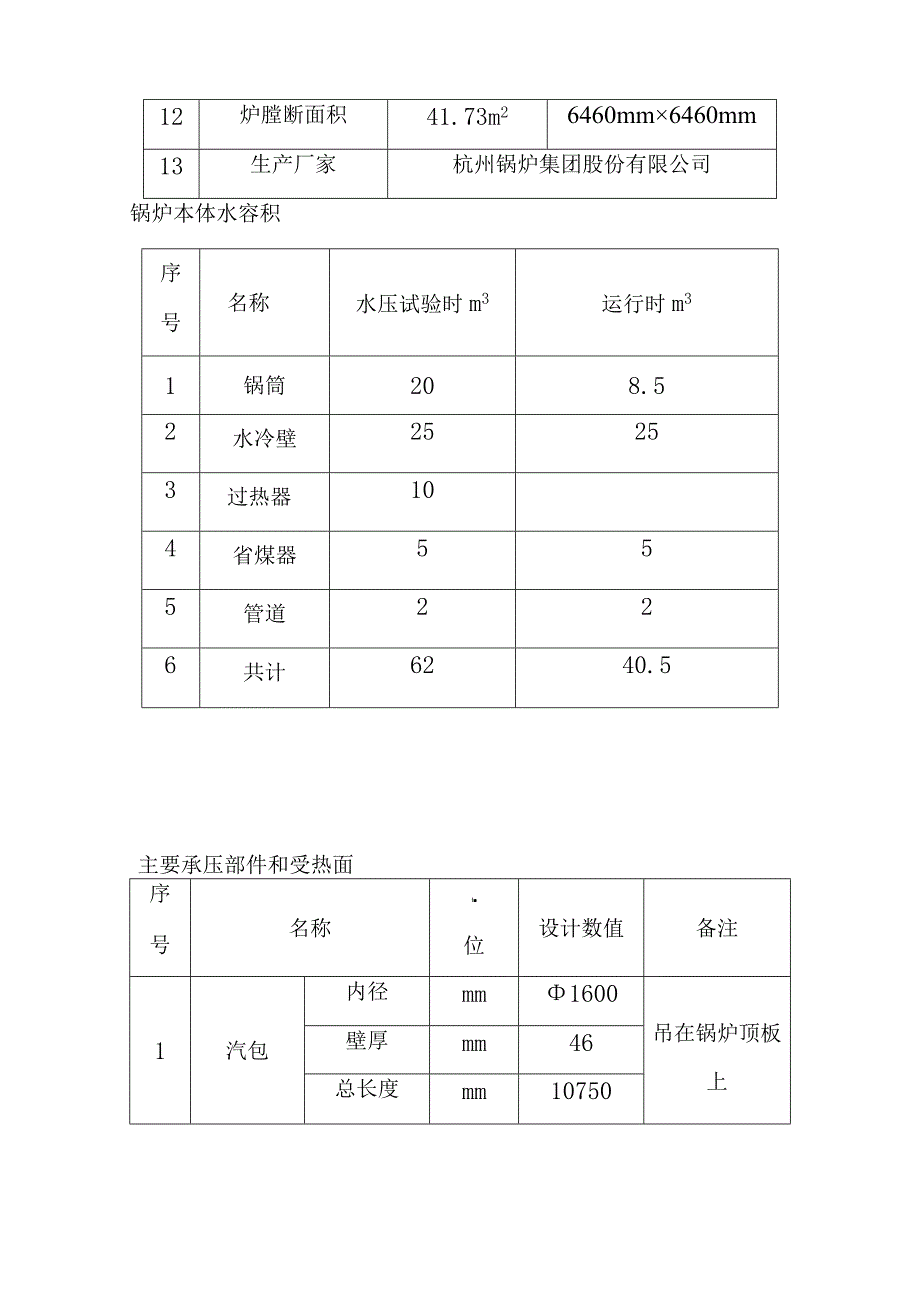
1、燃气发电站锅炉运行规程一、设备与运行锅炉设备特性和规范1.锅炉本体主要技术参数序号项目内容备注1型号NG-130/3.82-Q5中温中压、自然循环全燃煤气2额定蒸发量130t/h3汽包工作压力4.2MPa(表压)4额定过热汽出口压力3.82MPa(表压)5额定过热汽出口温度4506给水温度1047冷风温度208热风温度3039排烟温度13810锅炉效率87%纯燃高炉煤气11燃料消耗量129587Nm3h纯燃高炉煤气12炉膛断面积41.73m26460mm6460mm13生产厂家杭州锅炉集团股份有限公司锅炉本体水容积序号名称水压试验时m3运行时m31锅筒208.52水冷壁25253过热器104省

2、煤器555管道226共计6240.5主要承压部件和受热面序号名称I位设计数值备注1汽包内径mm1600吊在锅炉顶板上壁厚mm46总长度mm10750材质Q245R2水冷壁管径mm604管子数量根320受热面积m2626.9材质203顶棚过热器管径mm60X4受热面积m219管子数量根63材质204低温过热器管径mm383.5受热面积m2192.5管子数量根63材质205高温过热器管径mm423.5受热面积m2215.3管子数量根63材质15CrMoG6上级省煤器管径mm323管子数量排60受热面积m21946材质207下级省煤器管径mm323管子数量排76受热面积m23241材质208上级空气

3、预热器管径mm401.5管子数量根受热面积m23030材质Q215-AF9下级空气预热器管径mm401.5管子数量根受热面积m22064材质Q215-AF2.辅助设备送风机(2台)序号名称单位设计值1风机型号G4-6O-11N13.5D2空气温度203空气密度Kgm31.24风量m3h850005全压Pa52006转速rpm1474.47电动机型号变频调速电机8额定功率KW2009额定电压V38010额定电流A11恒转矩频率范围Hz55012怛功率频率范围Hz5010013防护等级IP5414绝缘等级F引风机(2台)序号名称单位设计值1风机型号Y4-73-llNo20D2烟气温度140-150

4、3烟气密度Kgm30.8344风量m3h3000005全压Pa30006转速rpm9607电动机型号变频调速电机8额定功率KW3559额定电压V600010额定电流A11恒转矩频率范围Hz55012恒功率频率范围Hz5010013防护等级IP5414绝缘等级F定排扩容器(1台)序号名称单位设计值1型号DP-IO2设计压力MPa0.43工作压力MPa0.24设计温度2005工作温度1586容积m310储气罐(1台)序号名称单位数值1设计压力MPa1.02工作压力MPa0.83设计温度504工作温度405容积m3106介质氮气锅炉安全阀每台锅炉本体上共装设了三套安全装置,装设于锅筒和集汽集箱上。锅

5、筒安全阀集汽集箱安全阀起座压力(表)MPa4.58起座压力(表)MPa3.97压差410%起座压差410%起座锅炉安全阀整定值名称型号数量开启压力回座压力备注汽包安全阀1弹簧式14.58MPa4.01-4.14MPaL06倍汽包工作压力(4.32MPa)汽包安全阀2弹簧式14.49MPa3.93-4.06MPaL04倍汽包工作压力(4.32MPa)过热器安全阀弹簧式13.97MPa3.573.69MPaL04倍过热器出口工作压力(3.82MPa)3.煤气特性与汽水品质煤气主要成分及热值序号成分单位高炉煤气转炉煤气1CO%25-2645502CO2%18253N2%55-5624294O2%11

6、5QydwKJm332105990汽、水品质要求项目单位数值给水硬度微克当量3溶解氧微克/升15PH(25)8.59.2炉水磷酸根毫克/升5-15碱度毫克当量/升1二氧化硅毫克/升2PH(25)9-11蒸汽含钠量微克/升15二氧化硅微克/升254.运行参数控制序号项目单位设计值运行经验值最高最低1蒸发量T/h143652汽包压力MPa4.583给水压力至少大于锅筒压力MPa0.54锅筒水位mm+75-755过热器出口蒸汽压力MPa3.826过热器出口蒸汽温度4604357给水温度1048炉膛负压Pa-20-10009过热器后氧量%6210高温过热器壁温56011低温过热器壁温48012炉膛出口

7、烟气温度98013过热器两侧烟温差不大于5014尾部烟道两侧烟温差不大于5015燃烧器前煤气压力Pa9600400016液化天然气总管压力Pa800017燃烧器前二次风压Pa350025005.联锁保护试验(1)联锁保护装置汽压高保护过热器出口压力达到3.65MPa时,向空排汽电动阀自动开启,汽压降到3.55MPa时,向空排汽电动阀自动关闭。水位高保护汽包水位达到+75mm时,汽包事故放水电动阀自动开启,汽包水位降到+25mm时,汽包事故放水电动阀自动关阀。给水泵出口压力低于5.OMPa,备用泵自动启动。炉膛灭火保护(MFT)符合下列条件之一,炉膛灭火保护动作汽包水位+200mm;汽包水位一2

8、0OnIn1;两台送风机跳闸;两台引风机跳闸;3只或3只以上火检显示无火;手动紧急停炉。炉膛灭火保护动作时,下列设备均动作a)高炉煤气快切阀、转炉煤气快切阀、液化气快切阀自动关闭;b)高炉煤气调节阀、转炉煤气调节阀自动关闭;c)热风门自动关闭;d)送风机自动停运,一台引风机自动停运,另一台引风机延时10分钟自动停运;高炉煤气压力低保护高炉煤气母管压力5KPa时报警,3Kpa时高炉煤气母管快切阀、高炉煤气调节阀自动关闭。转炉煤气压力低保护转炉煤气母管压力5KPa时报警,5KPa时转炉煤气母管快切阀及转炉煤气调节阀自动关闭。联锁保护试验a)升炉前必须对锅炉所有的联锁保护进行试验。b)联锁保护试验中

9、发现的问题应及时查找原因予以消除,所有联锁保护试验合格能正常投运时,方可点火升炉。锅炉冷态启动1.点火前的检查检查转动机械符合要求检查汽包就地水位计和承压部件的膨胀指示器符合要求DCS操作系统完好可用。表盘显示仪表齐全,可投入正常使用。声光报警完整,试验正常。检修时拆除的平台、楼梯、围栏、盖板均已复位。检修用的脚手架已全部拆除,废品、垃圾已全部清理干净,现场清洁。现场备有足够的消防器材。现场照明充足。所有检查工作完毕,作好记录。对检查中发现的问题和设备缺陷应及时汇报,并通知维修人员予以消除。2 .各阀门的点火前及运行时位置状态表主蒸汽、给水系统阀门名称开关位置备注点火前运行中主蒸汽电动阀关开主

10、蒸汽旁路阀关关暖管时开向空排汽手动阀开开向空排汽电动阀开关给水调节阀前隔离阀开开给水调节阀关调节开给水调节阀后隔离阀开开给水旁路调节阀前隔离阀开开给水旁路调节阀关关给水旁路调节阀后隔离阀开开给水总阀开开冷凝器进水阀开开冷凝器出水阀开开过热器反冲洗隔离阀关关过热器反冲洗时开过热器反冲洗一次阀关关过热器反冲洗时开过热器反冲洗二次阀关关过热器反冲洗时开减温器反冲洗隔离阀关关过热器反冲洗时开减温器反冲洗一次阀关关过热器反冲洗时开减温器反冲洗二次阀关关过热器反冲洗时开减温水系统阀门名称开关位置备注点火前运行中减温水调节阀前隔离阀开开投减温水时开减温水调节阀关调节开减温水调节阀后隔离阀开开投减温水时开减温水旁路调节阀前隔离阀开开投减温水时开减温水旁路调节阀关关减温水旁路调节阀后隔离阀开开投减温水时开减温水总阀开开排污系统阀门名称开关位置备用点火前运行中左侧连排一次阀开开左侧连排二次阀开开右侧连排一次阀开开右侧连排二次阀开开

展开阅读全文
相关资源
猜你喜欢
相关搜索

当前位置:首页 > 建筑/环境 > 建筑规范

copyright@ 2008-2023 1wenmi网站版权所有

经营许可证编号:宁ICP备2022001189号-1

本站为文档C2C交易模式,即用户上传的文档直接被用户下载,本站只是中间服务平台,本站所有文档下载所得的收益归上传人(含作者)所有。第壹文秘仅提供信息存储空间,仅对用户上传内容的表现方式做保护处理,对上载内容本身不做任何修改或编辑。若文档所含内容侵犯了您的版权或隐私,请立即通知第壹文秘网,我们立即给予删除!