清远市成品油及车用尿素水溶液产品质量监督抽查实施细则2023年.docx

上传人:p** 文档编号:391476 上传时间:2023-08-06 格式:DOCX 页数:6 大小:32.87KB
下载 相关 举报
清远市成品油及车用尿素水溶液产品质量监督抽查实施细则2023年.docx_第1页
第1页 / 共6页
清远市成品油及车用尿素水溶液产品质量监督抽查实施细则2023年.docx_第2页
第2页 / 共6页
清远市成品油及车用尿素水溶液产品质量监督抽查实施细则2023年.docx_第3页
第3页 / 共6页
清远市成品油及车用尿素水溶液产品质量监督抽查实施细则2023年.docx_第4页
第4页 / 共6页
清远市成品油及车用尿素水溶液产品质量监督抽查实施细则2023年.docx_第5页
第5页 / 共6页
清远市成品油及车用尿素水溶液产品质量监督抽查实施细则2023年.docx_第6页
第6页 / 共6页
亲,该文档总共6页,全部预览完了,如果喜欢就下载吧!
资源描述

《清远市成品油及车用尿素水溶液产品质量监督抽查实施细则2023年.docx》由会员分享,可在线阅读,更多相关《清远市成品油及车用尿素水溶液产品质量监督抽查实施细则2023年.docx(6页珍藏版)》请在第壹文秘上搜索。

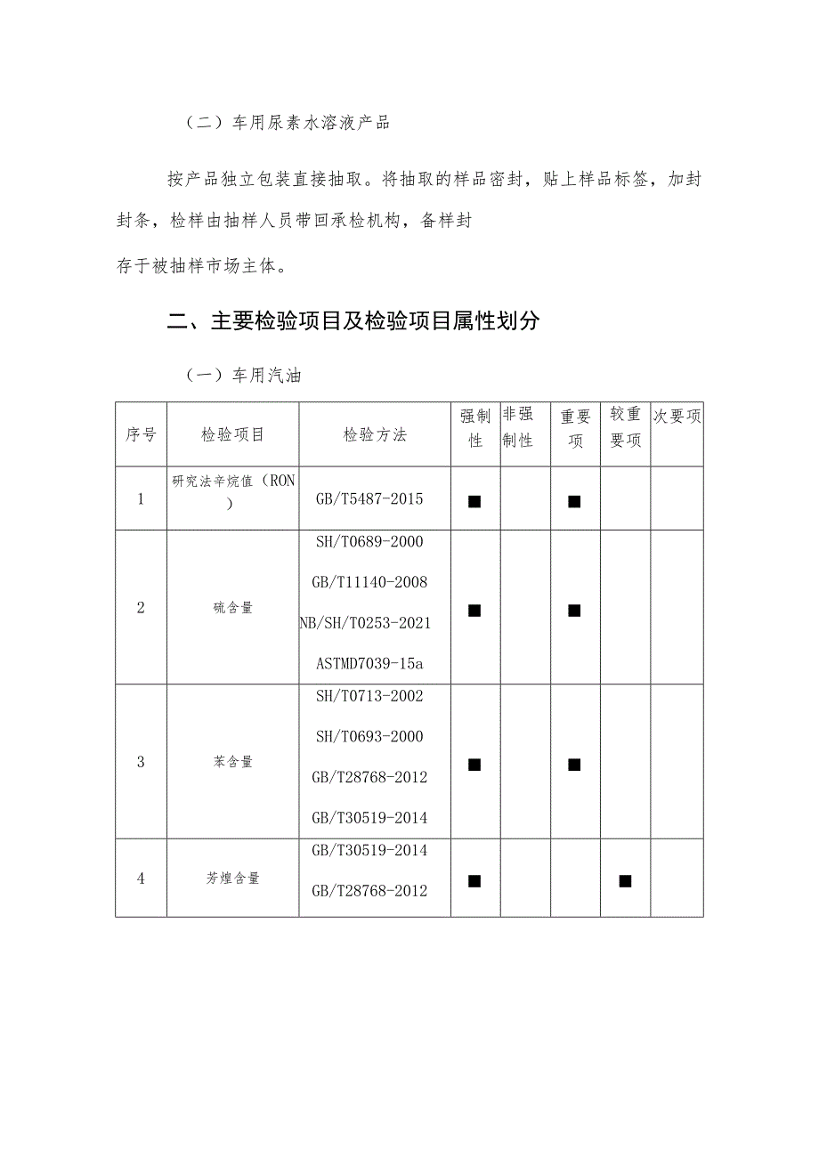
1、清远市成品油及车用尿素水溶液产品质量监督抽查实施细则(2023年)一、抽样方法以随机抽样的方式在被抽样经营者的待销产品中抽取。随机数一般可使用随机数表等方法产生。抽查数量:每款产品抽取2组样本,第1组用于检验,第2组用于备样。每组样本需抽取样品数量如下表所示:序号产品名称第1组数量第2组数量1成品油车用汽油至少2.7L(包含2部分,第一部分至少2L,第二部分至少700InL)至少2.7L(包含2部分,第一部分至少2L,第二部分至少700mL)车用柴油至少2L至少2L船用燃料油至少2L至少2L2车用尿素水溶液独立包装,不少于2L独立包装,不少于2L(一)成品油(车用汽油、车用柴油、船用燃料油)抽

2、样方法如下:在生产企业(油库)抽样时,按GB/T4756-2015石油液体手工取样法规定的方法抽取样本;在加油站或燃油供应船舶或燃油供应车辆抽样时,直接在加油机加油枪或加油管出口处(或取样处)随机抽取样本。抽取样本前,通过油枪或油管将至少4L油品放出,清洗加油管,避免加油管污染样品;同时清洗取样罐至少3次。将抽取的样品密封,贴上样品标签,加封封条,全部带回检验机构。(二)车用尿素水溶液产品按产品独立包装直接抽取。将抽取的样品密封,贴上样品标签,加封封条,检样由抽样人员带回承检机构,备样封存于被抽样市场主体。二、主要检验项目及检验项目属性划分(一)车用汽油序号检验项目检验方法强制性非强制性重要项

3、较重要项次要项1研究法辛烷值(RON)GB/T5487-20152硫含量SH/T0689-2000GB/T11140-2008NB/SH/T0253-2021ASTMD7039-15a3苯含量SH/T0713-2002SH/T0693-2000GB/T28768-2012GB/T30519-20144芳煌含量GB/T30519-2014GB/T28768-20125烯烧含量GB/T30519-2014GB/T28768-20126氧含量NB/SH/T0663-2014SH/T0720-20027甲醇含量NB/SH/T0663-20148密度(20)GB/T1884-2000GB/T1885-1

4、998SH/T0604-20009蒸气压GB/T8017-2012SH/T0794-2007(二)车用柴油序号检验项目检验方法强制性非强制性重要项较重要项次要项1硫含量SH/T0689-2000GB/T11140-2008ASTMD7039-15a2凝点GB/T510-20183闪点(闭口)GB/T261-20214十六烷值GB/T386-20215僧程GB/T6536-20106多环芳烧含量NB/SH/T0806-2022NB/SH/T0606-20197密度(20。C)GB/T1884-2000GB/T1885-1998SH/T0604-2000(三)船用燃料油序号检验项目检验方法强制性非

5、强制性重要项较重要项次要项1硫含量SH/T0689-2000GB/T11140-2008NB/SH/T0253-2021NB/SH/T0842-20172闪点(闭口)GB/T261-20213密度(20。C)GB/T1884-2000GB/T1885-1998SH/T0604-2000(四)车用尿素水溶液序号检验项目检验方法强制性非强制性重要项较重要项次要项1尿素含量GB29518-2013附录A2密度(20)SH/T0604-2000GB/T1884-2000GB/T1885-19983折光率GB/T614-20214杂质含量(碱度(以NH3计)29518-2013附录B5杂质含量(缩二股)

6、GB29518-2013附录C注:1.执行企业标准、团体标准、地方标准的产品,检验项目参照上述内容执行。2.凡是注日期的文件,其随后所有的修改单(不包括勘误的内容)或修订版不适用于本细则。凡是不注日期的文件,其最新版本适用于本细则。三、判定规则(一)依据标准GB17930-2016车用汽油GB19147-2016车用柴油GB19147-2016车用柴油第1号修改单GB 17411-2015船用燃料油GB17411-2015船用燃料油第1号修改单GB29518-2013柴油发动机氮氧化物还原剂尿素水溶液(AUS32)现行有效的企业标准、团体标准、地方标准及产品明示质量要求广东省人民政府关于全面推

7、广使用国VlB车用汽油的通知(粤府函(2022)159号)(二)判定原则经检验,检验项目全部合格,判定为抽取的样本所检项目未检出不合格;检验项目中任一项或一项以上不合格,判定为被抽查产品不合格。当被检样品明示的质量要求优于监督抽查实施细则中依据的标准要求时,应按被检样品明示的质量要求判定;当被检样品明示的质量要求劣于或不包含监督抽查实施细则中依据的强制性标准要求时,应按照强制性标准要求判定;当被检样品明示的质量要求劣于或包含监督抽查实施细则中依据的推荐性标准要求时,应以被检样品明示的质量要求判定,如相应检验结果不符合相关推荐性标准要求时,应在检验报告中予以说明;当被检样品明示的质量要求不包含监督抽查实施细则中依据的推荐性标准要求时,该指标不参与判定,但应在检验报告中作出说明;当被检样品未能提供有效的企业标准时,按相关国家或行业标准进行判定;当被检样品标签标识中执行标准信息和产品类别信息不明或有误,影响检测和判定时,可根据相关强制性标准要求,同时结合产品特点等信息判断和选择相关标准进行检验,并应在检验报告中作出相关说明;按照产品质量相关法律法规的规定判定。检验中发现因样品失效或者其他原因致使检验无法进行的,检验人员应如实记录,并提供相关证明材料,报送组织监督抽查的市场监管部门。

展开阅读全文
相关资源
猜你喜欢
相关搜索

当前位置:首页 > 研究报告 > 石油化工

copyright@ 2008-2023 1wenmi网站版权所有

经营许可证编号:宁ICP备2022001189号-1

本站为文档C2C交易模式,即用户上传的文档直接被用户下载,本站只是中间服务平台,本站所有文档下载所得的收益归上传人(含作者)所有。第壹文秘仅提供信息存储空间,仅对用户上传内容的表现方式做保护处理,对上载内容本身不做任何修改或编辑。若文档所含内容侵犯了您的版权或隐私,请立即通知第壹文秘网,我们立即给予删除!