MG40t-42龙门吊安装作业指导书(DOC).docx

上传人:p** 文档编号:392974 上传时间:2023-08-06 格式:DOCX 页数:22 大小:201.64KB
下载 相关 举报
MG40t-42龙门吊安装作业指导书(DOC).docx_第1页
第1页 / 共22页
MG40t-42龙门吊安装作业指导书(DOC).docx_第2页
第2页 / 共22页
MG40t-42龙门吊安装作业指导书(DOC).docx_第3页
第3页 / 共22页
MG40t-42龙门吊安装作业指导书(DOC).docx_第4页
第4页 / 共22页
MG40t-42龙门吊安装作业指导书(DOC).docx_第5页
第5页 / 共22页
MG40t-42龙门吊安装作业指导书(DOC).docx_第6页
第6页 / 共22页
MG40t-42龙门吊安装作业指导书(DOC).docx_第7页
第7页 / 共22页
MG40t-42龙门吊安装作业指导书(DOC).docx_第8页
第8页 / 共22页
MG40t-42龙门吊安装作业指导书(DOC).docx_第9页
第9页 / 共22页
MG40t-42龙门吊安装作业指导书(DOC).docx_第10页
第10页 / 共22页
亲,该文档总共22页,到这儿已超出免费预览范围,如果喜欢就下载吧!
资源描述

《MG40t-42龙门吊安装作业指导书(DOC).docx》由会员分享,可在线阅读,更多相关《MG40t-42龙门吊安装作业指导书(DOC).docx(22页珍藏版)》请在第壹文秘上搜索。

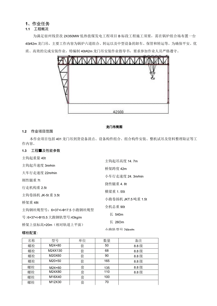
1、11中国能建安微电建一公司MBMiBTHFNFRGVCHINAAFPCI作业指导书编号:ZHSZ027L-JX-Ol工程名称:宿州钱营孜2X350MW低热值煤发电工程作业项目名称:B标段生产临建场地40t龙门吊安装施工方案编制单位:安徽电建一公司宿州钱营孜电厂项目部机械化科批准:安全:质量:工程:审核:编制:时间:时间:时间:时间:时间:时间:出版日期版次1、作业任务12、编制依据23、作业准备和条件24、作业方法及平安、质量限制措施55、作业质量标准及检验要求136、技术记录要求137、紧急源、环境因素辨识及防范措施、文明施工标准138、桥架起吊有关计算169、附录191、作业任务1.1 工

2、程概况为满足宿州钱营孜2X350MW低热值煤发电工程项目B标段工程施工须要,需在锅炉组合场布置一台40t42m龙门吊,主要工作内容为锅炉六道组合、转运以及中型设备的卸车、保管和转运等。为确保平安、优质、高效的完成安装作业,特编制40t42m龙门吊安装作业指导书,要求参加作业人员严格遵守。主钩起吊高度14. 7m桥架跨度42m小车行走速度24. 3mmin挠性腿重4. 8t横梁重1. 55t小跑卷扬机JKT.5吨重1.5t全机总重90t长 540m长 26Om小跑轨型号24kgm1.2 作业项目范围本作业项目包括401龙门吊到货设备清点、设备构件组合、组合构件安装、整机试吊及资料整理取证等工作内

3、容。1.3 工程及性能参数主钩起重量40t主钩起升速度3mmin大车行走速度22mmin刚性腿重7t行走机构重2.5t主钩卷扬机JK-5t重3.5t桥架重48t主钩钢丝绳型号:637+l-17.5小跑钢丝绳型号:637+l-15.5大跑钢轨型号:43kg/m桥架上弦标高+20m(相对轨道上平面)螺栓配置:名称型号单位数量备注螺栓M2480套508.8级螺栓M24X130套688.8级螺栓M20X60套908.8级螺栓M2050套1658.8级螺栓M2460套1358.8级螺栓M24X80套1108.8级螺栓M16X40套100螺栓M12X30套70开口销10150个41.4工期要求(有效工作时

4、间)序号作业任务工期(K)备注1轨道铺设2天2刚性腿组合2天3挠性腿组合及行走台车组合1天4刚、挠性腿安装1天5桥架组合2天6桥架抬吊安装1天7附件安装(起升系统、运行系统等)1天8电气系统安装(与附件安装同步进行)2天9试吊准备自检及试吊1天合计13天2、编制依据起重设备安装工程施工及验收规范GB50278-2023起重机械超载爱惜装置平安技术规范GBl2602-2023特种设备平安监察条例(国务院令第373号)电力建设平安工作规程(火力发电厂部分)DL5009.1-2023龙门式起重机安装施工工艺标准QAEPC.J04JX-2-2023中华人民共和国工程建设标准强制性条文(电力工程部分)2

5、023年版中电联标准202316号中华人民共和国特种设备平安法MG40t42m龙门吊图纸、安装材料手册160t汽车吊性能表130t汽车吊性能表BM500履带吊性能表3、作业准备和条件3.1 技术准备3.1.1 核实作业所需的各类技术参数及依据的牢靠性,清点构件及零配件到货状况和质量保证状态。3.1.2 作业前组织全体人员学习,由技术员讲解龙门吊结构、性能参数,对作业进行技术交底和危害因素的辩识、学习并制定相应的防范措施,使全体作业人员认可并熟知整个工序和要点及留意事项,能够明白安装步骤及安装过程中的紧急源。3.1.3运用经校验合格的测量工具。3.1.4对参加作业的机械进行详细的检查,确认合格并

6、报验后,投入运用。3.1.5对参加作业的特殊工种人员资格进行审查。3.1.6对起重工器具进行检查确认。3.1.7对运用的材料、连接件进行检查确认。3. 1.8对施工作业环境检查、认可,依据现场实际条件铺设钢板增加地基承载实力。3.2人员准备3. 2.1人员配置序号工种数量要求备注1负责人1持证上岗负责本工程施工、平安、质量2技术员1持证上岗负责作业中的技术工作3平安员1持证上岗过程监督、管理、检查4起重工2持证上岗龙门吊组合、安装全过程起重作业5安装人员4持证上岗龙门吊组合、安装全过程安装作业6操作工3持证上岗机械操作、监护3.2.2人员分工总负责:高峰云对作业全过程的组织、协调、支配并对平安

7、、质量、进度负主责。技术员:贺晓民制定技术方案并指导详细实施,螺栓、附件登记、编号,安装记录及总结的编制。平安员:李波作业全过程的平安监督和管理,检查事故隐患;起重指挥:负责作业全过程的指挥、协调。重点为桥架组合、支腿组合、支腿缆风绳的拉设及移动、桥架吊装作业、试吊等主要施工环节。操作工:负责龙门吊安装过程中的机械操作起重工:负责龙门吊安装和起重作业。3.3 材料准备序号名称规格型号数量备注1道木2.5m40根2黄油锂基脂IOKg3脚手管4m、6m40根4铁丝8#20Kg3.4 主要机具名称规格尺寸单位数量用途汽车吊130t台1桥架吊装汽车吊160t台1桥架吊装履带吊50t台1桥架及支腿组合开

8、口扳手18寸、15寸把4组合安装套筒扳手重型套1组合安装钢丝绳15米500支腿两侧缆风绳钢丝绳17.5米50小件吊装钢丝绳19.5米50支腿及台车吊装钢丝绳32.5米200桥架吊装大锤16磅把4组合安装过冲20、22、24把各10组合安装电工作业工具套3电气接线塑料带盘10电气接线黑胶布盘20电气接线摇表500兆欧块1电气接线万用表块1电气接线氧气瓶10乙焕瓶5割嘴个2倒链3t台14组合、缆风绳焊机台1桥架、支腿组合焊把付1桥架、支腿组合焊条包1桥架、支腿组合卡环16tIOt、5t个各4吊装组合铅丝8#公斤100脚手架搭设架管3米根40脚手架搭设架管6米根20脚手架搭设架板3米块20脚手架搭设

9、尼龙绳20米80溜绳绳卡Y15个40缆风绳道木2米根50经纬仪一套轨道、支腿安装后垂直度的测量3.5作业条件3.5.1、力能供应MG40t龙门吊进行安装前,应提前与电仪专业进行联系,保证龙门吊钢丝绳安装以及电气调试时的电源供应。3.5.2、场地龙门吊安装场地开阔,桥架起吊安装前,应对160t、130t汽车吊停靠位置范围内的杂物进行适当清理,以便于吊装机械停靠。并协调相关方将侧路封闭,以便进行40t龙门吊桥架组合。3.5.3、上道工序龙门吊桥架、刚性腿、挠性腿组装结束;龙门吊轨道进行三级验收合格;起重机械、人员资质己上报完毕并回复。3.5.4、工作环境机械安装过程中超过6级及以上风速禁止吊装作业

10、;汽车吊支腿站位要铺设钢板;作业人员精神状态饱满。3.5.5、 临时工作设施刚性腿及挠性腿吊装前,在距其顶部向下1.4m位置,搭设用于螺栓及销轴安装的脚手架平台并设置围栏,围栏高度不超过其最高点。脚手板应满铺,不应有空隙和探头板。脚手板与支腿20cm。脚手板的搭接长度不得小于20cmo脚手架的外侧和平台应搭设由上下两道横杆及疆杆组成的防护栏杆非专业工种人员不得搭、拆脚手架。搭设脚手架时作业人员应挂好平安带,递杆、撑杆作业人员应密切协作。施工区四周应设围栏或警告标记,并由专人监护,严禁无关人员人内。3.5.6、 平安防护设施和用品主要平安防护设施和用品配置序号名称规格型号单位数量备注1红白警示带

11、米2002平安带只103速差限制器付2挠性腿安装3.5.7、其他要求无4、作业方法及平安、质量限制措施4.1、 作业主体方案龙门吊设备构件运至施工现场后,首先利用一台50T履带吊进行前期的构件组合和安装用轨道的铺设等工作;待构件组合结束后,利用50t履带吊将行走机构、刚性腿、挠性腿分别吊装就位;桥架吊装接受一台160t汽车吊和130t汽车吊双机抬吊就位。整体结构安装完毕后由电气人员进行电气安装调试,整体调试完毕进行空载和载荷试验。试验合格并经检验后,交付运用。4.2、 作业步骤与方法4.2.1 、安装工艺过程行走机构安装横梁安装A支腿地面组合T粗吊装A驾驶室、配电房安装一桥架地面组合A小跑车、

12、吊钩安装A穿钩绳、跑车绳桥架吊装电气部分安装试运转4.2.2 步骤一安装用轨道铺设作业方法和要求4.2.2.1轨道基础施工完毕后,办理书面材料移交机械化科。4.2.2.2龙门吊轨道为431/111钢轨,两侧轨道中心距保证值为4200010mm。轨道用道钉为压板,固定在枕木上,枕木间距为60Omnb长度为250Omnb枕木下铺设碎石,轨道铺好后,由电工进行跨距连接。轨道由安装班组,机械部,质量部、平安部验收后,交付运用。40t42m龙门吊轨道选用43kgm钢轨,轨道安装的基本参数及验收标准:见下附表:序号项目新敷设运用中1同一截面轨顶高差6mm9mm2轨距偏差5mm6mm3钢轨纵向坡度33.64钢轨纵向直线度(随意2m内)lmm1.2mm5钢轨接头处凹凸及侧向偏差lmm1.2mm6钢轨接头间隙(轨长12.5m)1.52mm1.52mm4.2.3步骤二:行走部分安装作业方法和要求4.2.3.1龙门吊行走部分由两根行走梁和所属的两组主、从动台车组成。组合重量为6.55吨、利用50t履带吊在轨道基础两侧分别将行走部分安装就位,安装时以两侧轨道的同一侧面做为定位基准。4.2.3.2定位时的工艺标准为:两侧行走轮横向中心距保证值为420006mm;纵向中心距保证值为70003mm;行走梁上端面四侧中心点的对角线误差值小于5mm。复核尺寸达到规范要求后,将行走机构固定住(

展开阅读全文
相关资源
猜你喜欢
相关搜索

当前位置:首页 > 建筑/环境 > 施工组织

copyright@ 2008-2023 1wenmi网站版权所有

经营许可证编号:宁ICP备2022001189号-1

本站为文档C2C交易模式,即用户上传的文档直接被用户下载,本站只是中间服务平台,本站所有文档下载所得的收益归上传人(含作者)所有。第壹文秘仅提供信息存储空间,仅对用户上传内容的表现方式做保护处理,对上载内容本身不做任何修改或编辑。若文档所含内容侵犯了您的版权或隐私,请立即通知第壹文秘网,我们立即给予删除!