钻孔灌注桩工程技术交底.docx

上传人:p** 文档编号:395579 上传时间:2023-08-06 格式:DOCX 页数:10 大小:68.74KB
下载 相关 举报
钻孔灌注桩工程技术交底.docx_第1页
第1页 / 共10页
钻孔灌注桩工程技术交底.docx_第2页
第2页 / 共10页
钻孔灌注桩工程技术交底.docx_第3页
第3页 / 共10页
钻孔灌注桩工程技术交底.docx_第4页
第4页 / 共10页
钻孔灌注桩工程技术交底.docx_第5页
第5页 / 共10页
钻孔灌注桩工程技术交底.docx_第6页
第6页 / 共10页
钻孔灌注桩工程技术交底.docx_第7页
第7页 / 共10页
钻孔灌注桩工程技术交底.docx_第8页
第8页 / 共10页
钻孔灌注桩工程技术交底.docx_第9页
第9页 / 共10页
钻孔灌注桩工程技术交底.docx_第10页
第10页 / 共10页
亲,该文档总共10页,全部预览完了,如果喜欢就下载吧!
资源描述

《钻孔灌注桩工程技术交底.docx》由会员分享,可在线阅读,更多相关《钻孔灌注桩工程技术交底.docx(10页珍藏版)》请在第壹文秘上搜索。

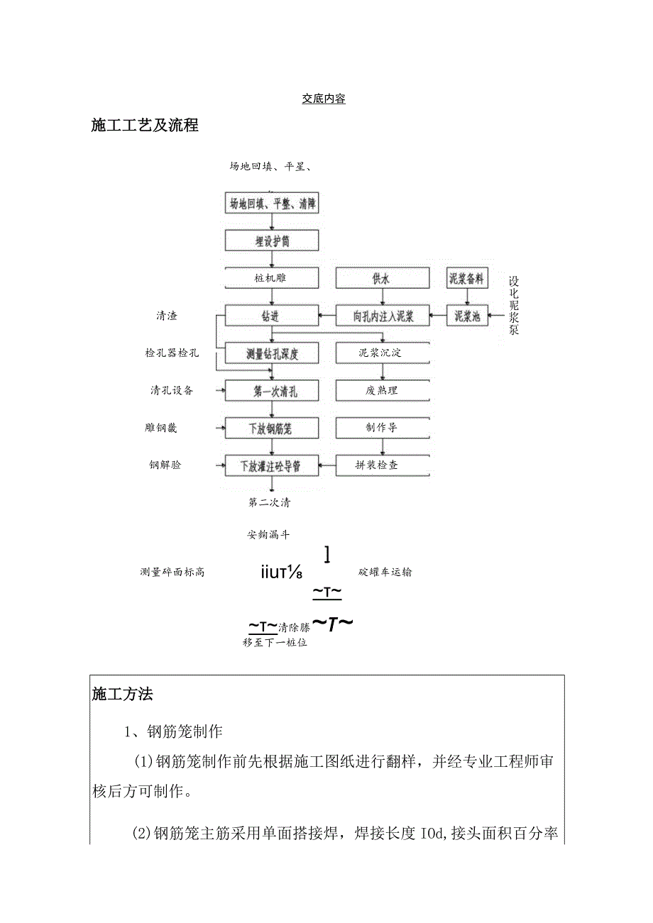
1、中国建筑项目管理表格分项工程技术交底卡表格编号CSCEC-PM-0803项目名称及编码海航学院飞行模拟机楼(一期)工程第页共9页楼栋号分项工程名称钻孔灌注桩工程工程量分包公司负责人交底内容施工工艺及流程清渣检孔器检孔清孔设备雕钢畿钢解验.制作导管桩机雕第二次清孔场地回填、平星、踊拼装检查导管废熟理泥浆沉淀池设叱呢浆泵安麴漏斗测量碎面标高碇罐车运输iiu清除滕移至下一桩位施工方法1、钢筋笼制作(1)钢筋笼制作前先根据施工图纸进行翻样,并经专业工程师审核后方可制作。(2)钢筋笼主筋采用单面搭接焊,焊接长度IOd,接头面积百分率50%,间距不小于35d且不小于500mmo(3)钢筋笼制作时保证主筋校

2、直,加强筋成圆形,主筋间距误差小于10mm,箍筋间距误差小于20m,钢筋笼直径误差10mm,笼长误差100mmo(4)钢筋笼制作,搬运吊安过程中必须小心轻放,防止发生弯曲变形。(5)钢筋保护层采用140X50预制混凝土垫块,中部预留616圆孔,钢筋笼制作时穿入16加劲箍内,每道箍设置2块,梅花状布置。2、成孔(1)桩机就位后要调平,使机台水平、钻杆垂直。(2)钻孔发生倾斜时,应停止进尺,进行反复扫孔纠正,如纠正无效时,可于孔中局部回填粘土至偏孔处0.5米以上重新钻进。(3)钻孔过程中发现坍孔应加大泥浆比重,如流砂过多,砂层较厚可加入适量粘土,钻头空钻进浆固定孔壁。(4)当钻孔钻到设计标高时,应

3、慢慢钻头磨的方式,并通知建设单位和监理单位验收,然后按设计要求终孔。(5)钻孔完成后,必须检查成孔质量,孔深偏差控制在100mm内,钻孔垂直度偏差小于现,孔底沉渣厚度控制在100mm内,桩位偏差控制1/10桩直径内。(6)钻孔时防塌堵漏措施施工过程中可能出现渗漏并导致坍塌,直接影响成孔后的质量,应采取如下措施:D埋设孔口护壁,高出地表20030Omm,周围用粘土分层夯实。2)随进测试并保持泥浆粘度,比重不小于1.15o3)现场储备掺有据末的混泥土粉及高粘度泥浆以作堵漏使用。(7)钻孔时防斜措施1)施工前,施工人员将各机主动钻杆的垂直度、机台水平度要测量准确,并经专业工程师验收。2)配备机上钻杆

4、扶正器。3)钻头使用双腰带,增加其稳定性和导正作用。4)定期检查,各台配备水平尺,每钻进510m测量一次钻杆垂直度,发现偏斜及时纠正。3、泥浆循环清孔(1)钻孔达设计深度时,使钻出空钻循环清孔,使孔底残余的泥块磨成浆,同时使用泥浆泵压水清孔,使泥浆比量下降到LlOT.30之间,用泥浆比重器测试完成合格后,即可停止泵浆。(2)清孔过程中应给足泥浆,保持浆面稳定,有利保持孔壁固定,防止清孔过程中坍孔。(3)清孔完毕,必须检测孔底沉渣厚度,使沉渣厚度50mmo4、放置钢筋笼(1)钢筋笼搬运,吊放采用汽车吊,吊放时防止发生弯曲。(2)钢筋笼安放时,对准孔位,吊稳,慢慢下沉并避免碰撞孔壁,达到设计位置时

5、立即停放固定。务实、求精、团结、开拓(3)放置钢筋笼措施:1)保证钢筋笼焊接质量,施工必须由监理抽检,验收达标。2)钢筋笼在入孔前,必须验收长度并挂牌对号入座。3)采用吊筋和顶杆相结合的办法,控制钢筋笼错位。4)碎面接触钢筋笼时,控制碎灌注量,轻拉轻放导管。5、安置导管、隔水栓(1)导管规格必须符合施工工艺术要求,采用导管直径250mm,壁厚4mm,分节长度3-4m导管,接头处设置防止生盘及加焊三角形加功板,以避免导管提拨时法兰盘边缘挂拉钢筋笼。(2)导管连接时应加皮垫密封,防止泥浆进入导管内影响碎质量,导管下口高度应控制在高于钻孔底部30-50cm.6、灌注碎(1)役强度等级C30,采用商品

6、碎,碎输送采用汽车泵。(2)为了保证成桩质量,料斗内碎的初存方量必须满足首次灌注时导管底端在埋入碎面以下0.8L2mo(3)开始灌注后,严禁将导管提起超出碎面,并随时查看管内情况,发现有水或堵卡及时采取补救措施。(4)提拨导管应采取有效措施,保持垂直避免碰撞钢筋笼。(5)为确保砂质量,避免孔底进水,断桩堵管事故,碎灌注过程必须连续进行,不得中断,随时控制导管的埋深,确定合理的导管拆卸程序及提拨高度,确保管外,碎面高出导管底12m,并严禁小于0.5mo(6)以上每道工序完工后都要经过专业工程师检查验收后才能进行下步工作。三、施工注意事项1、严格按照设计图纸进行施工,遇到问题时,应与公司管理人员协

7、商解决。2、钢筋笼吊装过程中,应注意操作范围内不准站人,在操作中,保持钢筋笼垂直下放,如果钢筋笼反复几次没能下放成功,应调整桩机重新钻孔,但应注意泥浆比重,成孔时为L4T.6之间,清孔后为1.151.20之间为宜。在桩成孔后,钻头上、下拉动没有阻碍后才能安放钢筋笼。3、在以上工作完成后安放导管。在导管安放中,应注意以下几占八、(1)导管安放应缓慢下放,保存导管与吊绳垂直一致。(2)在导管安放过程中如遇障碍物,导管安放不下,且不可用重力往下安放,在反复几次安放不成功后,应放弃安放,采用起重机把钢筋笼吊上重新钻孔。4、碎试块每台班留置一组。混凝土试块制作在现场取样、现场制作由监理单位监督执行。四、

8、质量保证措施1、钢筋笼的质量要求1、钢筋笼制安钢筋净距必须大于混凝土粗骨料粒径3倍以上;加筋箍应在主筋外面,主筋一般不设弯钩,钢筋头也不得内圆弯曲,以免阻碍导管工作;主筋采用焊接连接,接头面积百分率不大于50%;钢筋笼外径应比钻(冲)孔设计直径小140mm;钢筋笼内径应比导管接头处的外径大IoOnIm以上;钢筋笼的主筋保护层厚度允许偏差为20mm;钢筋笼制作还应执行有关规范要求。2、钢筋笼吊装(1)钢筋笼吊运时应采取适当措施防止扭转、弯曲。安装钢筋笼时,应对准孔位,吊直扶稳,缓慢下沉,避免碰撞孔壁。钢筋笼下沉到设计位置后,应立即固定,防止移动。钢筋笼不到孔底者,为防止灌注混凝土时上浮,可将钢筋

9、笼与孔口护筒临时焊接。(2)分段制作的钢筋笼,其长度为12m,两段钢筋笼连接时采用焊接,其接头面积百分率不大于50机(3)钢筋笼安装完毕,公司组织监理、业主对该桩进行隐蔽工程验收,合格后应及时灌注水下混凝土,其间歇时间不宜超过4h。五、灌注桩施工质量要求1、保证项目(1)灌注桩的原材料和混凝土强度必须符合设计要求和施工规范的规定。(2)成孔深度必须符合设计要求。(3)实际浇筑混凝土量,严禁小于计算体积。(4)浇筑混凝土后的桩顶标高及浮浆的处理,必须符合设计要求和施工规范的规定。2、允许偏差项目(见下表)项次项目允许偏差(mm)检验方法1钢筋笼主筋间距10尺量检查2钢筋笼箍筋间距20尺量检查3钢

10、筋笼直径10尺量检查4钢筋笼长度+100尺量检查5桩的位置偏差12根桩d/6且不大于200拉线和尺量检查单排桩群桩基础的边桩条形基础的桩群桩基础的中间桩6垂直度11/100吊线和尺量检查注:d为桩的直径,为桩长。六、质量通病防止1、预防坍孔在松散砂土或流砂中钻进时应控制进尺,选用较大比重、粘度、胶体率的优质泥浆,或投入粘土掺片石低锤冲击,使粘土块、片石挤入孔壁。如地下水位变化过大,应采取加高护筒、增大水头等措施。严格控制冲程高度。2、预防钻孔漏浆。加稠泥浆或投入粘土,慢速转动,或在回填土内掺片石,反复冲击,增强护壁。3、预防桩孔偏斜(1)安装钻机时要使转盘、底座水平。起重滑轮缘、固定钻杆的卡孔

11、和护筒中心三者应在同一轴线上,并经常检查校正。(2)由于主动钻杆较长,转动时上部摆动过大,必须在钻架上增添导向架,控制钻杆上的提引水龙头,使其沿导向架向下钻进。(3)在有倾斜的软硬地层钻进时,应吊住钻杆控制进尺,低速钻进,或回填片石,冲平后再钻进。4、预防梅花孔(1)经常检查转向装置是否灵活。(2)选用适当粘度和比重的泥浆,适时掏渣。(3)用低冲程时,隔一段时间要换高一些的冲程,使冲击钻头有足够的转动时间。5、预防钢筋笼放置与设计要求不符、钢筋笼变形、保护层不够、深度位置不符合要求(1)钢筋笼过长应分段制作,吊放钢筋笼入孔时再分段焊接。(2)钢筋笼在运输和吊放过程中,每隔25m设置加强箍一道,

12、并在钢筋笼内每隔34m装一个可拆卸的十字形临时加劲架,在钢筋笼吊放孔时再拆除。(3)在钢筋笼加强筋上每隔2m设置混凝土垫块,混凝土垫块根据保护层的厚度及桩径设计。(4)清孔时应把沉硝清理干净,保证实际有效孔深满足设计要求。(5)钢筋笼应垂直缓慢放入孔内,防止硬撞孔壁。钢筋笼放入孔内后,要采取措施,固定好位置。(6)对在运输、堆放及吊装过程中已经发生变形的钢筋笼,应进行修理后再使用。6、预防断桩(1)混凝土坍落度应严格按设计规范要求控制。(2)灌注混凝土前事先与搅拌站取得联系,保证混凝土供应。(3)边灌混凝土边拔导管,做到连续作业,一气呵成。灌注时注意混凝土顶面上升高度,随时掌握导管埋入深度,避

13、免导管埋入过深或导管脱离混凝土面。七、成品保护措施1、钢筋笼在制作、运输和安装过程中,应采取措施防止变形。吊入桩孔时,应牢固确定其位置,防止上浮。2、灌注桩施工完毕进行基础开挖时,应制定合理的施工顺序和技术措施,防止桩的位移和倾斜。并应检查每根桩的纵横水平偏差。3、在钻孔机安装、钢筋笼运输及混凝土浇筑时,均应注意保护好现场的轴线桩、高程桩,并应经常予以校核。4、桩间土开挖前,先用白灰线做好桩位标志,开挖时注意保护桩混凝土,局部桩间土采用小型挖机或人工清理。5、桩头外留的主筋要妥善保护,不得任意弯折或压断。6、桩头的混凝土强度没有达到5MPa时,不得碾压,以防桩头损坏。会签栏质量环保时间时间时间

14、编制审核签发时间时间时间注:交底卡由现场管理工程师负责拟定,与施工计划安排相配套,交底卡中的安全、质量要求应分别经项目部质量、安全负责人会签,项目部生产经理对技术交底进行审核,再由项目部总工程师负责签发。施工现场安全施工注意事项:1、施工人员进入施工现场前,必须要进行施工安全、消防知识的教育和考核工作,对考核不合格的职工,禁止进入施工现场参加施工。2、进入施工现场必须戴好安全帽,系好帽带,并正确使用个人劳动防护用品.3、严格执行操作规程,不得违章指挥和违章作业,对违章作业的指令有权拒绝并有责任制止他人违章作业。4、施工作业时必须正确穿戴个人防护用品,进入施工现场必须戴安全帽。不许私自用火,严禁

15、酒后操作。5、穿拖鞋、高跟鞋、赤脚或赤膊不准进入施工现场。6、穿硬底鞋不得进行登高作业。7、在高空、钢筋、结构上作业时,一定要穿防滑鞋.8、现场用电,一定要有专人管理,同时设专用配电箱,严禁乱接乱拉,采取用电挂牌制度,尤其杜绝违章作业,防止人身、线路,设备事故的发生。9、电钻、电锤、电焊机等电动机具用电、配电箱必须要有漏电保护装置和良好的接地保护地线,所有电动机具和线缆必须定期检查,保证绝缘良好,使用电动机具时应穿绝缘鞋,戴绝缘手套。10、工地施工照明用电,必须使用36伏以下安全电压,所有电器机具在不使用时,必须随时切断电源,防止烧坏设备.11、在用喷灯、电焊机以及必要生火的地方,要填写用火申请登记和

展开阅读全文
相关资源
猜你喜欢
相关搜索

当前位置:首页 > 建筑/环境 > 桩基础

copyright@ 2008-2023 1wenmi网站版权所有

经营许可证编号:宁ICP备2022001189号-1

本站为文档C2C交易模式,即用户上传的文档直接被用户下载,本站只是中间服务平台,本站所有文档下载所得的收益归上传人(含作者)所有。第壹文秘仅提供信息存储空间,仅对用户上传内容的表现方式做保护处理,对上载内容本身不做任何修改或编辑。若文档所含内容侵犯了您的版权或隐私,请立即通知第壹文秘网,我们立即给予删除!