昌都市手提式灭火器产品质量市级监督抽查实施细则.docx

上传人:p** 文档编号:397772 上传时间:2023-08-06 格式:DOCX 页数:2 大小:19.12KB
下载 相关 举报
昌都市手提式灭火器产品质量市级监督抽查实施细则.docx_第1页
第1页 / 共2页
昌都市手提式灭火器产品质量市级监督抽查实施细则.docx_第2页
第2页 / 共2页
亲,该文档总共2页,全部预览完了,如果喜欢就下载吧!
资源描述

《昌都市手提式灭火器产品质量市级监督抽查实施细则.docx》由会员分享,可在线阅读,更多相关《昌都市手提式灭火器产品质量市级监督抽查实施细则.docx(2页珍藏版)》请在第壹文秘上搜索。

1、昌都市手提式灭火器产品质量市级监督抽查实施细则1抽样方法以随机抽样的方式在被抽样生产者、销售者的待销产品中抽取。随机数一般可使用随机数表、骰子或扑克牌等方法产生。手提式灭火器每批次产品抽取样品4具,其中2具作为检验样品,2具作为备用样品,备用样品存于被抽样者处。2检验依据表1手提式干粉灭火器检验项目序号检验项目判定依据检验方法120C温度喷射性能试验GB4351.1GB4351.12灭火剂充装量GB4351.1GB4351.13结构检查GB4351.1GB4351.14水压试验(筒体)GB4351.1GB4351.15爆破试验(适用时)筒体爆破压力GB4351.1GB4351.1筒体容积膨胀率

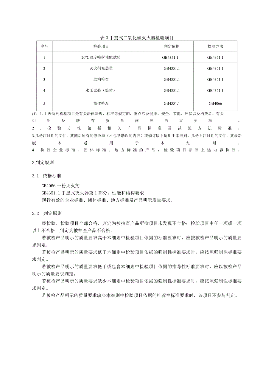
2、筒体爆破口情况6灭火剂和驱动气体(干粉灭火剂)第一主要组分含量GB4351.1GB4066表2手提式水基型灭火器检验项目序号检验项目判定依据检验方法120温度喷射性能试验GB4351.1GB4351.12灭火剂充装量GB4351.1GB4351.13结构检查GB4351.1GB4351.14水压试验(筒体)GB4351.1GB4351.15爆破试验(适用时)筒体爆破压力GB4351.1GB4351.1筒体容积膨胀率筒体爆破口情况6筒体壁厚GB4351.1GB4351.1表3手提式二氧化碳灭火器检验项目序号检验项目判定依据检验方法120温度喷射性能试验GB4351.1GB4351.12灭火剂充装

3、量GB4351.1GB4351.13结构检查GB4351.1GB4351.14水压试验(筒体)GB4351.1GB4351.15筒体壁厚GB4351.1GB4066注:1.上表所列检验项目是有关法律法规、标准等规定的,重点涉及健康、安全、节能、环保以及消费者、有关组织反映有质量问题的重要项目。2.检验方法包括相关产品标准及试验方法标准。3.凡是注日期的文件,其随后所有的修改单(不包括勘误的内容)或修订版不适用于本细则。凡是不注日期的文件,其最新版本适用于本细则。4.执行企业标准、团体标准、地方标准的产品,检验项目参照上述内容执行。3判定规则3.1 依据标准GB4066干粉灭火剂GB4351.1

4、手提式灭火器第1部分:性能和结构要求现行有效的企业标准、团体标准、地方标准及产品明示质量要求。3.2 判定原则经检验,检验项目全部合格,判定为被抽查产品所检项目未发现不合格;检验项目中任一项或一项以上不合格,判定为被抽查产品不合格。若被检产品明示的质量要求高于本细则中检验项目依据的标准要求时,应按被检产品明示的质量要求判定。若被检产品明示的质量要求低于本细则中检验项目依据的强制性标准要求时,应按照强制性标准要求判定。若被检产品明示的质量要求低于或包含本细则中检验项目依据的推荐性标准要求时,应以被检产品明示的质量要求判定。若被检产品明示的质量要求缺少本细则中检验项目依据的强制性标准要求时,应按照强制性标准要求判定。若被检产品明示的质量要求缺少本细则中检验项目依据的推荐性标准要求时,该项目不参与判定。

展开阅读全文
相关资源
猜你喜欢
相关搜索

当前位置:首页 > 论文 > 期刊/会议论文

copyright@ 2008-2023 1wenmi网站版权所有

经营许可证编号:宁ICP备2022001189号-1

本站为文档C2C交易模式,即用户上传的文档直接被用户下载,本站只是中间服务平台,本站所有文档下载所得的收益归上传人(含作者)所有。第壹文秘仅提供信息存储空间,仅对用户上传内容的表现方式做保护处理,对上载内容本身不做任何修改或编辑。若文档所含内容侵犯了您的版权或隐私,请立即通知第壹文秘网,我们立即给予删除!