造价实例-造价工程量清单计价实例(含图纸).docx

上传人:p** 文档编号:399456 上传时间:2023-08-06 格式:DOCX 页数:28 大小:603.88KB
下载 相关 举报
造价实例-造价工程量清单计价实例(含图纸).docx_第1页
第1页 / 共28页
造价实例-造价工程量清单计价实例(含图纸).docx_第2页
第2页 / 共28页
造价实例-造价工程量清单计价实例(含图纸).docx_第3页
第3页 / 共28页
造价实例-造价工程量清单计价实例(含图纸).docx_第4页
第4页 / 共28页
造价实例-造价工程量清单计价实例(含图纸).docx_第5页
第5页 / 共28页
造价实例-造价工程量清单计价实例(含图纸).docx_第6页
第6页 / 共28页
造价实例-造价工程量清单计价实例(含图纸).docx_第7页
第7页 / 共28页
造价实例-造价工程量清单计价实例(含图纸).docx_第8页
第8页 / 共28页
造价实例-造价工程量清单计价实例(含图纸).docx_第9页
第9页 / 共28页
造价实例-造价工程量清单计价实例(含图纸).docx_第10页
第10页 / 共28页
亲,该文档总共28页,到这儿已超出免费预览范围,如果喜欢就下载吧!
资源描述

《造价实例-造价工程量清单计价实例(含图纸).docx》由会员分享,可在线阅读,更多相关《造价实例-造价工程量清单计价实例(含图纸).docx(28页珍藏版)》请在第壹文秘上搜索。

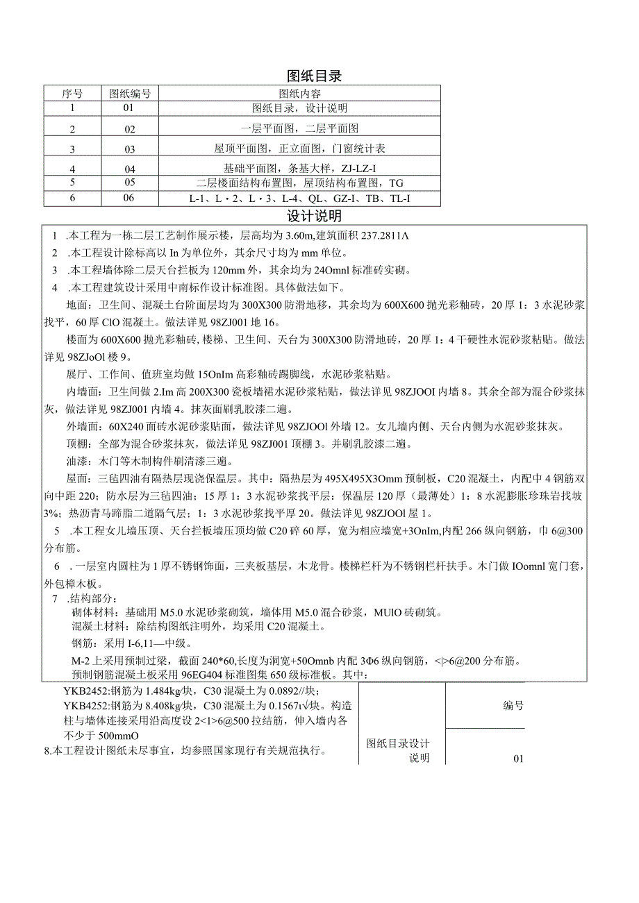
1、图纸目录序号图纸编号图纸内容101图纸目录,设计说明202一层平面图,二层平面图303屋顶平面图,正立面图,门窗统计表404基础平面图,条基大样,ZJ-LZ-I505二层楼面结构布置图,屋顶结构布置图,TG606L-1、L2、L3、L-4、QL、GZ-I、TB、TL-I设计说明1 .本工程为一栋二层工艺制作展示楼,层高均为3.60m,建筑面积237.28112 .本工程设计除标高以In为单位外,其余尺寸均为mm单位。3 .本工程墙体除二层天台拦板为120mm外,其余均为24Omnl标准砖实砌。4 .本工程建筑设计采用中南标作设计标准图。具体做法如下。地面:卫生间、混凝土台阶面层均为300X30

2、0防滑地移,其余均为600X600抛光彩釉砖,20厚1:3水泥砂浆找平,60厚ClO混凝土。做法详见98ZJ001地16。楼面为600X600抛光彩釉砖,楼梯、卫生间、天台为300X300防滑地砖,20厚1:4干硬性水泥砂浆粘贴。做法详见98ZJoOl楼9。展厅、工作间、值班室均做15OnIm高彩釉砖踢脚线,水泥砂浆粘贴。内墙面:卫生间做2.Im高200X300瓷板墙裙水泥砂浆粘贴,做法详见98ZJOOI内墙8。其余全部为混合砂浆抹灰,做法详见98ZJ001内墙4。抹灰面刷乳胶漆二遍。外墙面:60X240面砖水泥砂浆贴面,做法详见98ZJOOl外墙12。女儿墙内侧、天台内侧为水泥砂浆抹灰。顶棚

3、:全部为混合砂浆抹灰,做法详见98ZJ001顶棚3。并刷乳胶漆二遍。油漆:木门等木制构件刷清漆三遍。屋面:三毡四油有隔热层现浇保温层。其中:隔热层为495X495X3Omm预制板,C20混凝土,内配中4钢筋双向中距220;防水层为三毡四油;15厚1:3水泥砂浆找平层:保温层120厚(最薄处)1:8水泥膨胀珍珠岩找坡3%;热沥青马蹄脂二道隔气层;1:3水泥砂浆找平厚20。做法详见98ZJOOl屋1。5 .本工程女儿墙压顶、天台拦板墙压顶均做C20碎60厚,宽为相应墙宽+3OnIm,内配266纵向钢筋,巾6300分布筋。6 .一层室内圆柱为1厚不锈钢饰面,三夹板基层,木龙骨。楼梯栏杆为不锈钢栏杆扶

4、手。木门做IOomnl宽门套,外包樟木板。7 .结构部分:砌体材料:基础用M5.0水泥砂浆砌筑,墙体用M5.0混合砂浆,MUlO砖砌筑。混凝土材料:除结构图纸注明外,均采用C20混凝土。钢筋:采用I-6,11中级。M-2上采用预制过梁,截面240*60,长度为洞宽+50Omnb内配36纵向钢筋,6200分布筋。预制钢筋混凝土板采用96EG404标准图集650级标准板。其中:YKB2452:钢筋为1.484kg块,C30混凝土为0.0892/块;YKB4252:钢筋为8.408kg块,C30混凝土为0.1567块。构造柱与墙体连接采用沿高度设26500拉结筋,伸入墙内各不少于500mmO8.本工

5、程设计图纸未尽事宜,均参照国家现行有关规范执行。图纸目录设计说明编号010。 -26s,Z200 Z28 GOO *2s -800*28*2s1800*M0*200 0*200*9503海室怫s82J9d tws8z2p一5一12s iJ200.1260. i 二a*20018001200 GOO GOO GOO Q,一2600 ,O。会*2s -800Z2S*28*2s -so*0*200 i 一2600题。io*28 GOO *2-3006pO1620Z3300Z1620Zis需Il加看国nrSss三辞疆因加垢珀伞即YMwwl0一三密S-B-i9三s-n-奈不三u三-3Si二00钟006Z

6、=OOzeK三=Ss粪善僧H=III。0三009C0091U06z0090081z006zo057&l=1260012600条基大样、g、OO、基础平面图基础平酗编号条基大样、ZM1225040400o6150)12600Goo420。120%2Z人Zl400X4004。一8。8*。0、20。金.Gr-1.K250X400OSQoo)rol4ox1.4(2)250550o66150(2)2。2己4o22G2o12250400400&o15085700Z3300z9000.S)(6582代0金2250000.一26003250一a/6MO70.,IOzICz*BIsQL整雪泗縻蓄B0512001

7、8001200,1260f1800HB)国出OOoe-OON8llf,onooC&(D(CH,iiB、(A420012001140.1200420DN75PW需水OoInO126004200(A/42004200126004200屋顶平面图Jfc24060ffti,战20J240*6(ft,战20门窗统计表编号漏口尺寸建教说明M-I1800*27001不傍钢全玻璃门,代加铜折却M-2900*21006酸合板门,外包择木板M-31800*27001望钢全玻串门C-I1800*180010塑钢窗,外聚入铝合金防盗网屋顶平面图编号正立面图门窗统计表03GZ1GZ112600QOOSsOGZl7、ZJ

8、1软令少,60060000GZ1o、O86OJn、GZ16008入1500C10O600丁GZ1/%荻础平面图条基大样、ZJbZ编号(X*o8JnCN二层结构布置图JLGZ1GZ1GZ1屋顶结构布置图二层结构布置图编号屋顶结构布置图IG05OaI、贝日标看喧号载百尺寸(BH)痂标尚L1250领20020H3W“50L2250-3002400201,2W“50,7050L3的40042002四2eU“50062OOOl下20122012(6W)293长为被5001800团乳沿埼布.I7刷Bll破JCll,g饰01504220685001503300340XZ4022Bl322570006150c

9、l3300IL1三201216204022201216202022三50OH4022。50*BB4022叩120124250ICC2014F201442404GZ1B核样板长1150财DQL至于78001.K234,QL编号GZ1,IBL106r(某工艺楼工程)工程量计算书(依据GB50500-2008建筑工程工程量清单计价规范以及湖北省2008消耗量定额计算)序号工程项目名称计量单位工程量计算式1建筑面积m2240.6112.84X9.24X2层+4.44*1.5/22平整场地OITT118.6412.849.24定额计价工程量:(12.84+4)X(9.24+4)二222.96m23室外碎

10、散水60厚,一次抹光Onr20.26(12.84+9.24)2-(4.2+0.24+0.6X2)+0.54)0.54室外碎台阶m27.24(4.2+0.24+0.62)X(1.5+0.6)一(4.2-0.182)(1.5-O.3)台阶模板r7.24同上5台阶表面贴面砖3OO3OOr7.24同上660厚ClO碎垫层,面水泥砂浆贴面600X600r97.28室外平台:(4.2-0.18X2)X(1.5-0.3)一层室内地面:展厅:8.168.76值班室:3.063.96梯间地面:2.16X4.2Clo碎垫层:97.280.06=5.84m3760厚ClO碎垫层,面水泥砂浆贴面砖300X300m12.12一层卫生间:3.063.96=12.12m2Clo碎垫层:12.12X0.06=0.73m38200厚炉渣垫层,20厚1:3水泥砂浆找平层,面贴面砖300X300m212.12二层卫生间贴面面层:3.06X3.

展开阅读全文
相关资源
猜你喜欢
相关搜索

当前位置:首页 > 建筑/环境 > 工程造价

copyright@ 2008-2023 1wenmi网站版权所有

经营许可证编号:宁ICP备2022001189号-1

本站为文档C2C交易模式,即用户上传的文档直接被用户下载,本站只是中间服务平台,本站所有文档下载所得的收益归上传人(含作者)所有。第壹文秘仅提供信息存储空间,仅对用户上传内容的表现方式做保护处理,对上载内容本身不做任何修改或编辑。若文档所含内容侵犯了您的版权或隐私,请立即通知第壹文秘网,我们立即给予删除!