清远市市场监督管理局化工产品质量监督抽查实施细则2023年.docx

上传人:p** 文档编号:402520 上传时间:2023-08-07 格式:DOCX 页数:6 大小:28.37KB
下载 相关 举报
清远市市场监督管理局化工产品质量监督抽查实施细则2023年.docx_第1页
第1页 / 共6页
清远市市场监督管理局化工产品质量监督抽查实施细则2023年.docx_第2页
第2页 / 共6页
清远市市场监督管理局化工产品质量监督抽查实施细则2023年.docx_第3页
第3页 / 共6页
清远市市场监督管理局化工产品质量监督抽查实施细则2023年.docx_第4页
第4页 / 共6页
清远市市场监督管理局化工产品质量监督抽查实施细则2023年.docx_第5页
第5页 / 共6页
清远市市场监督管理局化工产品质量监督抽查实施细则2023年.docx_第6页
第6页 / 共6页
亲,该文档总共6页,全部预览完了,如果喜欢就下载吧!
资源描述

《清远市市场监督管理局化工产品质量监督抽查实施细则2023年.docx》由会员分享,可在线阅读,更多相关《清远市市场监督管理局化工产品质量监督抽查实施细则2023年.docx(6页珍藏版)》请在第壹文秘上搜索。

1、清远市市场监督管理局化工产品质量监督抽查实施细则(2023年)一、抽样方法抽查产品:化学试剂硫酸、工业硫酸、次氯酸钠、副产盐酸、工业用甲醛、化学试剂氨水以随机抽样的方式在被抽查市场主体的待销产品中抽取。随机数一般可使用随机数表等方法产生。抽查数量:每款产品抽取2组样本,第1组用于检验,第2组用于备样。具体抽样数量如下:序号产品名称第1组数量第2组数量1化学试剂硫酸500ml500ml2工业硫酸500ml500ml3次氯酸钠500ml500ml4副产盐酸500ml500ml5工业用甲醛ILIL6化学试剂氨水500ml500ml其他注意事项:工业硫酸、次氯酸钠、副产盐酸、化学试剂氨水采样按GB/T

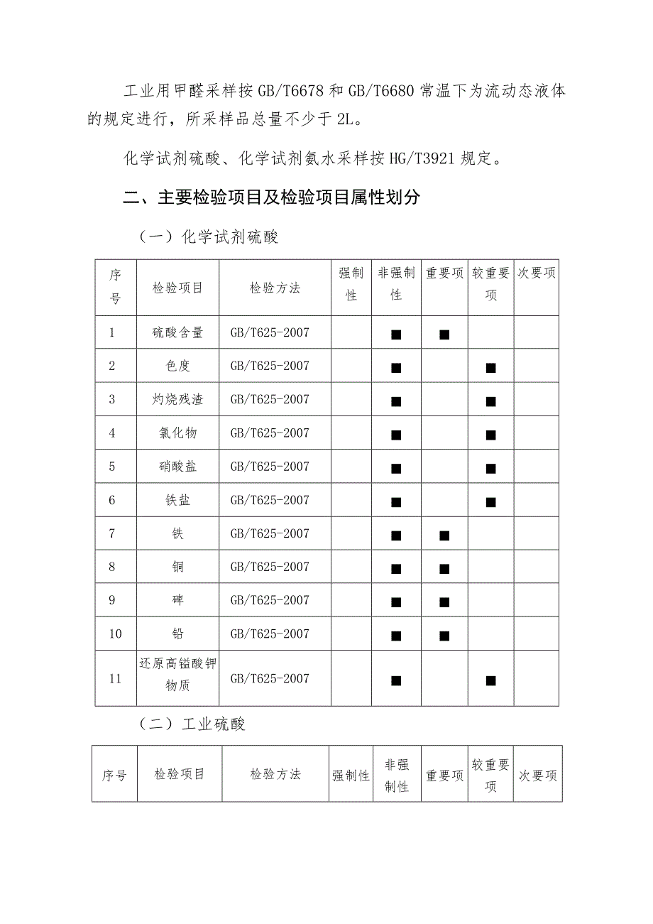
2、6678和GB/T6680规定,将采取的样品混匀,装于清洁、干燥的带磨口塞的棕色瓶中,密封。工业用甲醛采样按GB/T6678和GB/T6680常温下为流动态液体的规定进行,所采样品总量不少于2L。化学试剂硫酸、化学试剂氨水采样按HG/T3921规定。二、主要检验项目及检验项目属性划分(一)化学试剂硫酸序号检验项目检验方法强制性非强制性重要项较重要项次要项1硫酸含量GB/T625-20072色度GB/T625-20073灼烧残渣GB/T625-20074氯化物GB/T625-20075硝酸盐GB/T625-20076铁盐GB/T625-20077铁GB/T625-20078铜GB/T625-20

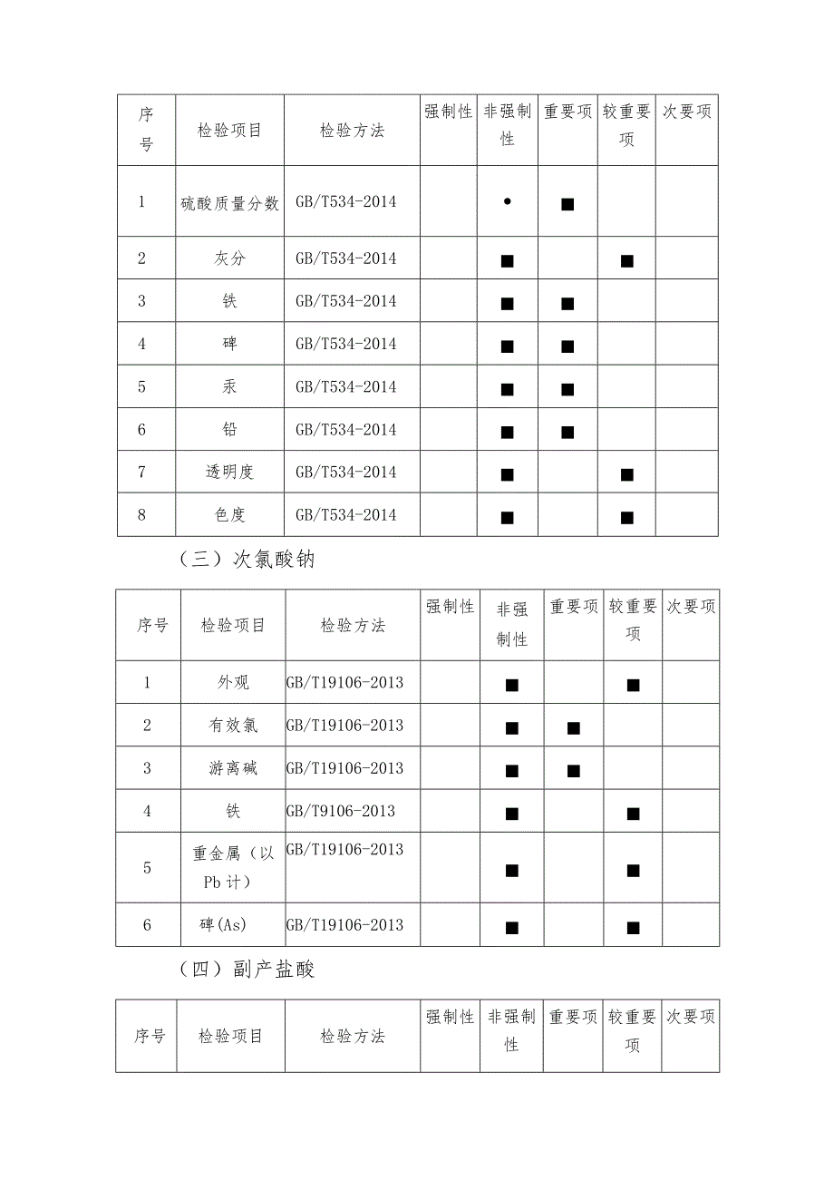
3、079碑GB/T625-200710铅GB/T625-200711还原高镒酸钾物质GB/T625-2007(二)工业硫酸序号检验项目检验方法强制性非强制性重要项较重要项次要项序号检验项目检验方法强制性非强制性重要项较重要项次要项1硫酸质量分数GB/T534-20142灰分GB/T534-20143铁GB/T534-20144碑GB/T534-20145汞GB/T534-20146铅GB/T534-20147透明度GB/T534-20148色度GB/T534-2014(三)次氯酸钠序号检验项目检验方法强制性非强制性重要项较重要项次要项1外观GB/T19106-20132有效氯GB/T19106-

4、20133游离碱GB/T19106-20134铁GB/T9106-20135重金属(以Pb计)GB/T19106-20136碑(As)GB/T19106-2013(四)副产盐酸序号检验项目检验方法强制性非强制性重要项较重要项次要项序号检验项目检验方法强制性非强制性重要项较重要项次要项1外观HG/T3783-20212总酸度(HCI)质量分数HG/T3783-2021(五)工业用甲醛序号检验项目检验方法强制性非强制性重要项较重要项次要项1外观GB/T9009-20112密度GB/T9009-20113甲醛GB/T9009-2011(六)化学试剂氨水序号检验项目检验方法强制性非强制性重要项较重要项

5、次要项1含量(NH3)GB/T631-20072蒸发残渣GB/T631-2007注:检验前如发现样品凝固、结块或者其他致使检验无法进行的情况,检验机构必须如实记录即时情况,提供图片等充分的证明材料,并将有关情况上报组织监督抽查的部门。注:执行企业标准、团体标准、地方标准的产品,检验项目参照上述内容执行。凡是注日期的文件,其随后所有的修改单(不包括勘误的内容)或修订版不适用于本细则。凡是不注日期的文件,其最新版本适用于本细则。三、判定规则(一)依据标准GB/T625-2007化学试剂硫酸GB/T534-2014工业硫酸GB/T19106-2013次氯酸钠HG/T3783-2021副产盐酸GB/T

6、9009-2011工业用甲醛GB/T631-2007化学试剂氨水现行有效的企业标准、团体标准、地方标准及产品明示质量要求。(二)判定原则经检验,检验项目全部合格,判定为抽取的样本所检项目未检出不合格;检验项目中任一项或一项以上不合格,判定为被抽查产品不合格。当被检样品明示的质量要求优于监督抽查实施细则中依据的标准要求时,应按被检样品明示的质量要求判定;当被检样品明示的质量要求劣于或不包含监督抽查实施细则中依据的强制性标准要求时,应按照强制性标准要求判定;当被检样品明示的质量要求劣于或包含监督抽查实施细则中依据的推荐性标准要求时,应以被检样品明示的质量要求判定,如相应检验结果不符合相关推荐性标准要求时,应在检验报告中予以说明;当被检样品明示的质量要求不包含监督抽查实施细则中依据的推荐性标准要求时,该指标不参与判定,但应在检验报告中作出说明;当被检样品未能提供有效的企业标准时,按相关国家或行业标准进行判定;当被检样品标签标识中执行标准信息和产品类别信息不明或有误,影响检测和判定时,可根据相关强制性标准要求,同时结合产品特点等信息判断和选择相关标准进行检验,并应在检验报告中作出相关说明;按照产品质量相关法律法规的规定判定。检验中发现因样品失效或者其他原因致使检验无法进行的,检验人员应如实记录,并提供相关证明材料,报送组织监督抽查的市场监管部门。

展开阅读全文
相关资源
猜你喜欢
相关搜索

当前位置:首页 > 管理/人力资源 > 质量管理

copyright@ 2008-2023 1wenmi网站版权所有

经营许可证编号:宁ICP备2022001189号-1

本站为文档C2C交易模式,即用户上传的文档直接被用户下载,本站只是中间服务平台,本站所有文档下载所得的收益归上传人(含作者)所有。第壹文秘仅提供信息存储空间,仅对用户上传内容的表现方式做保护处理,对上载内容本身不做任何修改或编辑。若文档所含内容侵犯了您的版权或隐私,请立即通知第壹文秘网,我们立即给予删除!