CX文件控制程序.docx

上传人:p** 文档编号:411245 上传时间:2023-08-11 格式:DOCX 页数:6 大小:41.51KB
下载 相关 举报
CX文件控制程序.docx_第1页
第1页 / 共6页
CX文件控制程序.docx_第2页
第2页 / 共6页
CX文件控制程序.docx_第3页
第3页 / 共6页
CX文件控制程序.docx_第4页
第4页 / 共6页
CX文件控制程序.docx_第5页
第5页 / 共6页
CX文件控制程序.docx_第6页
第6页 / 共6页
亲,该文档总共6页,全部预览完了,如果喜欢就下载吧!
资源描述

《CX文件控制程序.docx》由会员分享,可在线阅读,更多相关《CX文件控制程序.docx(6页珍藏版)》请在第壹文秘上搜索。

1、XXXX技术开发有限公司文件编号CX-Ol文件控制程序文件版本1.2制作审核核准生效日期2023.06.201目的对管理体系工作有关的文件进行控制,以确保各有关场所使用的文件为有效版本。2 适用范围适用于公司管理体系文件、外来文件的控制,文件控制的内容包括文件的生成、使用和管理直至作废。3 职责3.1 品管部负责体系文件的发放和管理、原稿的归档、保管和借阅,作废文件的回收、处置(销毁或保存)。3.2 技术部负责图纸的管理及定期更新。3.3 各责任部门负责文件的编写、修订与本部门发放文件的保管工作。4 工作内容4.1 流程图4. 1.1体系文件管理流程权责单位相关说明使用表单文件制/修订各部门依

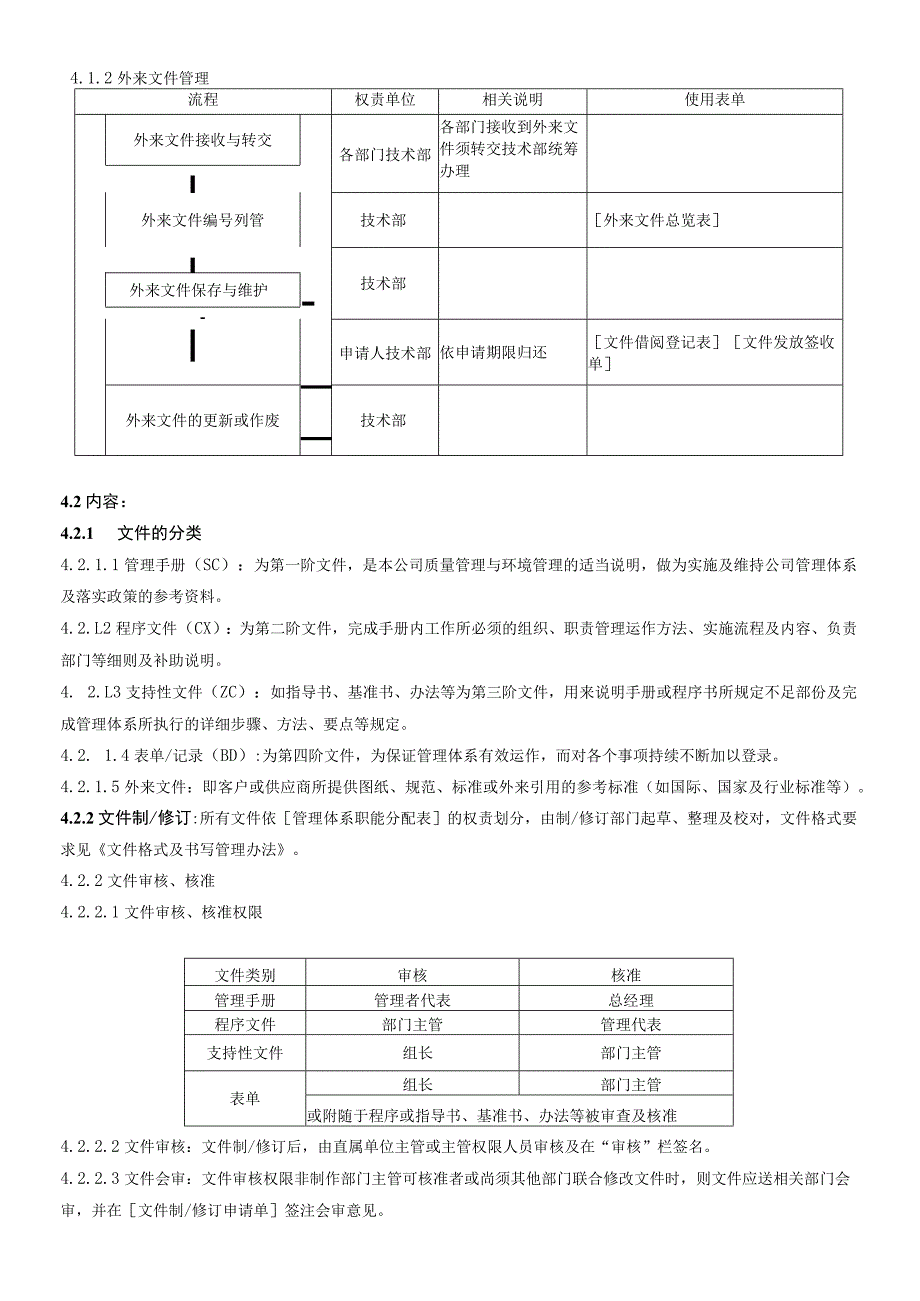
2、“管理体系职责分配表”文件制/修订申请单IY仕宙核(今_ZVZ守传核港权责人员审核者或会审单位责任者查核文件及签名权责人员核准者查核文件及签名品管部编号、版本、生效日期、盖受控章文件总览表登记、整理、编号,品管部发行给相关单位文件发放签收单文件分发T各部门依实际需要实施培训文件实施前培训文件持有人受控文件不得私自复EfJ,不得随意涂改文件借阅登记表文件使用保管维护1T各部门在文件文件制/修订申请单填写更改前/后内容文件制/修订申请单文件更改申请品管部旧版或过期无效文件进行销毁文件发放签收单文件作废第1页共6页4.1.2外来文件管理流程权责单位相关说明使用表单外来文件接收与转交各部门技术部各部门

3、接收到外来文件须转交技术部统筹办理I外来文件编号列管技术部外来文件总览表I技术部外来文件保存与维护-II外来文件借阅与分发申请人技术部依申请期限归还文件借阅登记表文件发放签收单外来文件的更新或作废技术部4.2内容:4.2.1 文件的分类4.2.1.1管理手册(SC):为第一阶文件,是本公司质量管理与环境管理的适当说明,做为实施及维持公司管理体系及落实政策的参考资料。4.2.L2程序文件(CX):为第二阶文件,完成手册内工作所必须的组织、职责管理运作方法、实施流程及内容、负责部门等细则及补助说明。4. 2.L3支持性文件(ZC):如指导书、基准书、办法等为第三阶文件,用来说明手册或程序书所规定不

4、足部份及完成管理体系所执行的详细步骤、方法、要点等规定。4.2. 1.4表单/记录(BD):为第四阶文件,为保证管理体系有效运作,而对各个事项持续不断加以登录。4.2.1.5外来文件:即客户或供应商所提供图纸、规范、标准或外来引用的参考标准(如国际、国家及行业标准等)。4.2.2文件制/修订:所有文件依管理体系职能分配表的权责划分,由制/修订部门起草、整理及校对,文件格式要求见文件格式及书写管理办法。4.2.2文件审核、核准4.2.2.1文件审核、核准权限文件类别审核核准管理手册管理者代表总经理程序文件部门主管管理代表支持性文件组长部门主管表单组长部门主管或附随于程序或指导书、基准书、办法等被

5、审查及核准4.2.2.2文件审核:文件制/修订后,由直属单位主管或主管权限人员审核及在“审核”栏签名。4.2.2.3文件会审:文件审核权限非制作部门主管可核准者或尚须其他部门联合修改文件时,则文件应送相关部门会审,并在文件制/修订申请单签注会审意见。4.2.2.4文件核准:文件审核或会审后,依权限送交上级核准人查核,并在“核准”栏签名。4.2.3登记、整理、编号4.2.3.1品管部将核准的文件依(1)(3)编号进行登记,并将整理编号完成的文件列入文件总览表中。(1)管理手册编号原则:(2)程序文件编号原则流水号Or99 “CX”(3)支持文件编号原则I_流水号0199I文件细分代号程序“ZC”

6、文件细分号如下:作业指导书一一ZY操作指导书一一CZ装配指导书一一ZP检验基准书JY管理办法BF文件分发号为:总经理室Ol管代一一02技术部一一03生产部一一04仓储部05品管部06采购部07市场部08行政人资部09财务部10(4)外来文件编号原则:-流水号,以数字0199表示。外来文件代码:以字母W+类别代码(如下表)表示。类别代码说明K客户提供的标准G国际、国家或地区标准H行业标准Q其它文件4.2.3.2技术部编号后,须登记于外来文件总览表,赋予内部版本。版本号以01-99的顺序编排以鉴别最新版本资料。4.2.4文件分发4.2.4.1整理编号完成的文件由品管部按文件制/修订申请单上规定的分

7、发范围影印文件并加盖文件“受控”章(附件一)和赋予文件分发号,填写文件发放签收单后发放,文件领用人在文件发放签收单上签名后,领取文件。4.2. 5文件实施前培训:文件发行后,各部门视实际需要,对文件实施培训、传阅或对要点进行讲解说明。4.2.6 文件使用保管维护4.2.7 .1任何作业必须遵守文件控制的规定,未经核准,不得擅自复印、涂改持有文件。4.2.6.2破损严重、影响使用时,应到品管部办理更换手续,交回破损文件,补发新文件,原号不变。当文件遗失,经原发放审批人批准后重新办理领用手续。4.2.6.3文件需要借阅时,经借阅部门负责人批准后,方可借阅,借阅人应在文件借阅登记表上签字登记。借阅者

8、应在指定日期归还文件,到期不归还应办理续借手续。4.2.7文件的更改4.2.7.1当文件发生不适宜时或需进一步改善时,更改单位应填写文件制/修订申请单说明更改的原因、内容,提交相关部门会签,审查和批准。4.2.7.2修改文件需经过权责人员重新批准,文件更改批准后,由品管部按原文件发放签收单分发修改后的文件,同时收回作废文件,并在原文件发放签收单中注明回收日期及处理结果。4.2.7.3当文件需更改个别词语或数字时,可由更改人采取划“一”于需更改处划记,并签名及标注日期。4.2.7.3文件的换版与作废:a)为使新旧文件有所区分及管理,并确保工作场所保持最新版本的使用状态。除编订版次的编码原则外,品

9、管部于每月初将文件总览表更新至共享文件夹,以鉴别最新版本,防止误用旧的无效文件。b)版次编码原则:文件的修订状态按版本标识,第一次制订以Lo表示,文件大部分修改时(指篇幅内容超过1/2)则以第2.0版、第3.0版依此类推。若只有小部分修改文件内容则1.1版、1.2版依此类推至1.5为止。(1.6版即改为2.0版)。C)作废文件由资料员按原文件发放签收单收回并记录,作废文件加盖“作废”章(附件二),需销毁的文件由资料员自行销毁后在文件发放签收单回收记录中处理结果栏注明销毁。d)需要作资料保留的作废文件,加盖“保留资料”章(附件三)后方可保存。4.2.8表单:表单式样(即:空白表格)作为一种特殊形

10、式的文件,由各制作部门根据文件要求适时修订,并及时报备品管部作为换版生效的依据,详见记录控制程序。4.2.9外来文件4.2.9.1外来文件由各职能部门根据需要进行收集,经权责主管审核后加盖“外来文件受控章”(附件四),由品管部列入外来文件总览表并依相应部门申请进行影印分发,发放文件盖有文件“受控”章(附件一),记录于文件发放签收单。4. 2.9.2对于管理体系适用的质量和环境的法律法规和其他要求的识别、收集和管理,参见法律法规识别与评价程序。5参考文件5. I文件格式及书写管理办法5. 2记录控制程序5. 3法律法规识别与评价控制程序6. 相关附件6.受控章作废章保留资料章外来文件受控章(附件一)62文件制/修订申请单(BD-OOl)63文件总览表(BD-002)6.4文件发放签收单(BD-003)6.5文件借阅登记表(BD-004)6.6外来文件总览表(BD-005)附件一受控章样本受控Controlledfile分发号:作废章样本作废Invalidfile保留资料章样本保留资料Reservedinformation外来文件受控章样本外来文件受控章Theexternaldocumentcontrolled文件编号:版次:发行日期:页次:收集审核

展开阅读全文
相关资源
猜你喜欢
相关搜索

当前位置:首页 > 管理/人力资源 > 质量管理

copyright@ 2008-2023 1wenmi网站版权所有

经营许可证编号:宁ICP备2022001189号-1

本站为文档C2C交易模式,即用户上传的文档直接被用户下载,本站只是中间服务平台,本站所有文档下载所得的收益归上传人(含作者)所有。第壹文秘仅提供信息存储空间,仅对用户上传内容的表现方式做保护处理,对上载内容本身不做任何修改或编辑。若文档所含内容侵犯了您的版权或隐私,请立即通知第壹文秘网,我们立即给予删除!