QP仓储管理程序.docx

上传人:p** 文档编号:411298 上传时间:2023-08-11 格式:DOCX 页数:5 大小:30.36KB
下载 相关 举报
QP仓储管理程序.docx_第1页
第1页 / 共5页
QP仓储管理程序.docx_第2页
第2页 / 共5页
QP仓储管理程序.docx_第3页
第3页 / 共5页
QP仓储管理程序.docx_第4页
第4页 / 共5页
QP仓储管理程序.docx_第5页
第5页 / 共5页
亲,该文档总共5页,全部预览完了,如果喜欢就下载吧!
资源描述

《QP仓储管理程序.docx》由会员分享,可在线阅读,更多相关《QP仓储管理程序.docx(5页珍藏版)》请在第壹文秘上搜索。

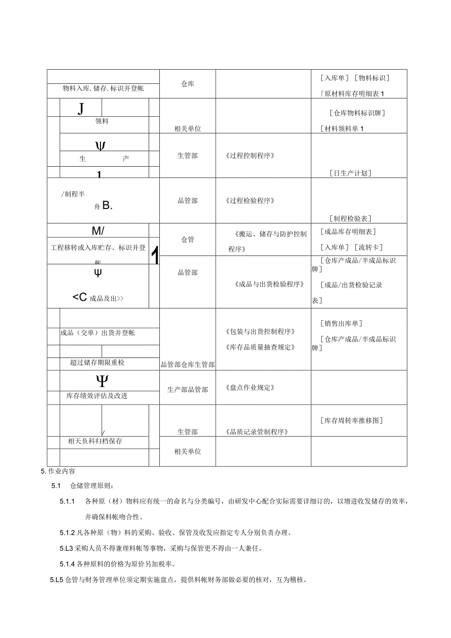
1、1.目的:1.1 有效计划与协调并配合有关部门的需求,以经济合理的方法供应的用料。1.2 防止及降低库存品的损失。1.3 适当分配存货成本。维持永续盘存。1.5加强呆废料的预防及管理。1.6提高保管及收发效率。1.7 避免停工待料。2 .范围:凡木公司有关原材(物)料、零部件、半成品自请购、采购、验收、入库、领(发)料、出货的收发保管登记、报废及废品处理等管理事项均属于。3 .定义:原材(物)料:系指直接用于产品上的原材料、物料及外购零部件等均属于。4 .流程:作业流程权责部门相关说明使用表单请购订购J1仓库生产计划与控制程用仓储管理程序申购单采购部剁勾与夕电控制程采购订单收料生管部包诸管理好

2、入库单进藉检验NG品管部进料检验程序进料检验记录表流程图权责部门相关说明使用表单仓库入库单物料标识原材料库存明细表1物料入库.储存.标识并登帐J相关单位仓库物料标识牌材料领料单1领料生管部过程控制程序日生产计划生产11/制程半舟B.品管部过程检验程序制程检验表M/仓管搬运、储存与防护控制程序成品库存明细表入库单流转卡工程移转或入库贮存、标识并登帐1品管部成品与出货检验程序仓库产成品/半成品标识牌成品/出货检验记录表品管部仓库生管部包装与出货控制程序库存品质量抽查规定销售出库单仓库产成品/半成品标识牌成品(交单)出货并登帐超过储存期限重检生产部品管部盘点作业规定库存绩效评估及改进/生管部品质记录

3、管制程序库存周转率推移图相天负科归档保存相关单位5.作业内容5.1 仓储管理原则:5.1.1 各种原(材)物料应有统一的命名与分类编号,由研发中心配合实际需要详细订的,以增进收发储存的效率,并确保料帐吻合性。5.1.2凡各种原(物)料的采购、验收、保管及收发应指定专人分别负责办理。5.L3采购人员不得兼理料帐等事物,采购与保管更不得由一人兼任。5.1.4各种原料的价格为原价另加税率。5.L5仓管与财务管理单位须定期实施盘点,提供料帐财务部做必要的核对,互为稽核。5.2物料需求(请购与订购):5.2.1仓库每月将原材料盘点、形成仓库物资进出月报表。由采购部作出月采购计划,采购员按采购与外包控制程

4、序执行。5.2.2若库存物料欠料,必要时,则仓管开立物料异常反馈单知会生管部进行物料需求计划或生产变更增加生产量。5.3收料:5.3.1供应商至公司交货,由仓管员负责接收,并通知品管部作进料检验。5.3.2如有下列事情发生者,则予拒绝收料:5.3.2.1破损、变质、损毁及其他瑕疵者。5.3.2.2与采购订单内容不符者。5.3.2.3其他显著的差异者。5.3.3品管部依检查基准书的规定进行检验,所测量的数据须记录于进料检验记录表,并判定合格与否,再呈主管审查。5.4物料(半成品)入库:5.4.1供应商进厂物料,由品管部验收合格后,方可通知仓库进行点收入库,储存、标示并登帐。5.4.2生产部门完工

5、的成品/半成品入库,仓库依入库单进行入库,储存、标示并登帐。5.5领(发)补、退料:5.5.1注塑车间领料人员赁批准的领料单领料(若领料属客户供应品,则备注客户名称)5.5.2领料单由各相关单位提出,并经单位主管审核后方可领料。5.5.3领料单皆为式四联,由会计单位存第二联。5.5.4仓库发料须依“先进先出”方式办理,以防止产品呆滞或品质劣化。5.5.5 如发现有领料单位不符规定的事情,应予拒绝核发并通知有关单位与主管查定,如有误发的情况仓库应予负责。5.5.6 退(补)料:则由退(补)料单位填写领料单红单,经权责主管审批,若退料属于不合格品或特采、返工品,则由品管部判定,按不合格品控制程序办

6、理。5.6仓储物料储存与保养(防护)5.6 .1物料保管与防护措施,并按搬运/储存与防护程序执行的。5.7 .2仓库领(发)料需按产品物料标签“先进先出”5.6.3由仓库建立安全库存量一览表(物料的安全库存=安全天数*日用量),当物料的结存低于安全库存量时应提出并报生管部。注:此安全天数依各物料的生产、交货形态不同以经验值设定:日用量=月用量/工作天数。5. 7制程及成品检验:5.7. 1操作工自主检验并经品管检验合格后的成品/半成品贴流转单,并由检验盖章确认后放入合格品区。车间移转下工序或入库,仓库点收后依指定的架位存放、标识并及时登入帐本。5. 8仓储物料保管与防护:5.8. 1依搬运/储

7、存与防护控制程序及盘点作业规定办理。5.9出货:5.9. 1营销部出货前填产成品出仓单,并经批准后转交仓库处理。5.10. 9.2仓库依照包装与出货管理程序实施作业,并维持产品在最终检验与测试后均能妥为防护至交货目的地。5.10库存绩效评估及改进:5.10.1库存周转率,公式为:销售量/库存量5. 10.2计算公式:库存周转率(倍/次)=6.相关附件:月销售金额*12 月总存货金额6. 1申购单(FM060500-01)6.2月生产计划表(FM071300-04)6.3材料领料单(FM0720OO-Ol)6.4产成品(半成品、自制品)出仓单(FM072000-02)6.5年度库存周转率推移图(

8、FMo72000-03)6.6安全库存量一览表(FM072000-04)6.7入库单(FMO72000-05)6.8日生产计划表(FMo71300-02)6.9进料检验记录表(FMO8010(三)I)6.10仓库物料标识牌(FM072000-06)6.11仓库产成品/半成品标识牌(FM072000-07)6. 12库存明细表(附件一)7.参考文件:1.1 1采购与外包控制程序(QP070800)1.2 过程制控制程序(Q071400)1.3 生产计划与控制程序(QP071300)1.4 进料检验程序(QP080100)1.5 过程检验程序(QP080200)1.6 成品与出货检验程序(QP080300)1.7 不合格品控制程序(QP080700)1.8 8搬运/储存与防护控制程序(QP072100)1.9 包装与出货管理程序(QP072200)7. 10盘点作业规定(WI072001)

展开阅读全文
相关资源
猜你喜欢
相关搜索

当前位置:首页 > 建筑/环境 > 环保行业

copyright@ 2008-2023 1wenmi网站版权所有

经营许可证编号:宁ICP备2022001189号-1

本站为文档C2C交易模式,即用户上传的文档直接被用户下载,本站只是中间服务平台,本站所有文档下载所得的收益归上传人(含作者)所有。第壹文秘仅提供信息存储空间,仅对用户上传内容的表现方式做保护处理,对上载内容本身不做任何修改或编辑。若文档所含内容侵犯了您的版权或隐私,请立即通知第壹文秘网,我们立即给予删除!