移动式压力容器充装单位安全管理分级评价表.docx

上传人:p** 文档编号:414583 上传时间:2023-08-12 格式:DOCX 页数:3 大小:21.77KB
下载 相关 举报
移动式压力容器充装单位安全管理分级评价表.docx_第1页
第1页 / 共3页
移动式压力容器充装单位安全管理分级评价表.docx_第2页
第2页 / 共3页
移动式压力容器充装单位安全管理分级评价表.docx_第3页
第3页 / 共3页
亲,该文档总共3页,全部预览完了,如果喜欢就下载吧!
资源描述

《移动式压力容器充装单位安全管理分级评价表.docx》由会员分享,可在线阅读,更多相关《移动式压力容器充装单位安全管理分级评价表.docx(3页珍藏版)》请在第壹文秘上搜索。

1、移动式压力容器充装单位安全管理分级评价表使用单位设备名称设备注册代码/出厂编号使用地点(车间)设备风险级别高风险特种设备口中风险特种设备低风险特种设备序号项目评价内容分值扣分存在问题1否决项在用特种设备是否为取得许可单位依法生产(设计、制造、安装、改造、修理)的设备/2在用特种设备是否属于国家明令淘汰或已经报废的设备/3在用特种设备是否经法定检验机构检验合格且在检验有效期内/4在用特种设备是否在规定的参数范围内使用/5达到设计使用年限的在用特种设备是否经过检验或者安全评估合格,并采取了加强检验、检测和维护保养等措施/6在用特种设备是否被监管机构责令整改而未整改到位/7在用特种设备出现故障或者发

2、生异常,是否经全面检查并消除事故隐患,并有记录/8人员(10分)技术负责人是否取得压力容器安全管理作业人员证29是否配备专职安全管理人员并取得特种设备安全管理特种设备作业人员证310作业人员数量及持有特种设备作业人员证书情况是否符合许可规则要求511管理制度(15分)是否制定了以下管理制度:安全管理制度(包括安全生产、安全检查、安全教育等内容)、安全责任制度、装卸过程关键点控制制度(包括安全监控和巡视)、各类人员岗位责任制度、各类人员培训考核制度、特种设备安全技术档案管理制度(包括装卸用管)、特种设备日常维护保养、定期检查和定期检验制度(包括装卸用管)、特种设备安全附件、承压附件、安全保护装置

3、、测量调控装置及其有关附属仪器仪表的定期校验、检修制度、计量器具定期检定制度、特种设备作业人员持证上岗制度、充装资料(包括介质成分检测报告单)管理制度、事故应急预案定期演练制度、用户宣传教育与服务制度、事故上报制度、接受安全监察制度、质量信息反馈制度512是否制定如下操作规程:移动式压力容器罐内介质分析和余压检测操作规程、充装操作规程、充装量复检操作规程、5卸载操作规程、设备(包括泵、压缩机和储罐等)操作规程、装卸用管耐压试验规程、事故应急处置操作规程,并具有相应记录格式13工作记录和见证材料是否齐全:充装介质成分检测报告、充装前和充装后安全检查记录、充装记录、超装介质卸载处理记录、设备(包括

4、泵、压缩机和储罐)运行记录、充装单位安全检查记录、持证人员培训考核记录、质量信息反馈记录、充装用设备和仪器的运行、巡视、维护保养、检修、定期检查、检定记录、事故应急预案演练和讲评记录314管理制度和操作规程是否符合本单位实际情况215使用登记(5分)特种设备是否已办理使用登记,并将特种设备使用标志放置在设备显著位置516定期检验(5分)是否在特种设备检验有效期届满前一个月向特种设备检验机构提出申请217特种设备是否在检验有效期内318维护保养(5分)是否对根据设备特点和使用状况对在用特种设备进行经常性维护保养,并有记录519检查检修(5分)是否根据设备的类别、品种和特性要求进行了定期自行检查(

5、至少每月一次)320使用单位是否对特种设备及安全附件、安全保护装置及其附属仪器仪表进行定期校验、检修,并有相关记录221充装检查(5分)移动式压力容器充装单位是否有充装前后的检查记录522现场管理(50分)充装单位是否充装永久性标记不清或者被修改、超期未检或者检验不合格、报废的移动式压力容器523是否根据充装介质的危害性为操作人员配备必要的防护用具和用品,进入易燃、易爆介质充装区域的人员,是否穿戴防静电并且阻燃的工作服和防静电鞋524在通风不良并且有可能发生窒息、中毒等危险场所内的操作或者处理故障、维修等活动,是否由2名以上(含2名)的操作人员进行作业,配置自给式空气呼吸器,并且采取监护措施5

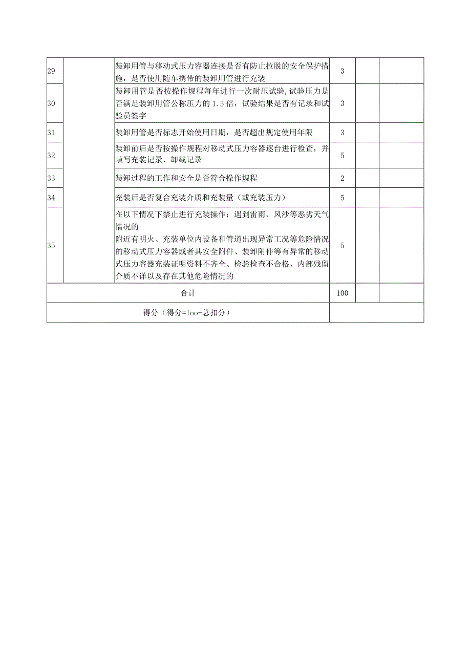
6、25是否在指定部位设置安全警示标志和报警电话226配备的应急救援器材、设备和防护用品是否符合应急预案要求,需检定器材、设备是否在检定有效期227易燃、易爆、有毒介质的卸载系统是否有卸载前置换介质的处理措施及其卸载后密闭回收介质的设施,是否能正常使用228装卸用管选型是否符合要求,其公称压力是否大于装卸系统工作压力的2倍,最小爆破压力是否大于4倍公称压力329装卸用管与移动式压力容器连接是否有防止拉脱的安全保护措施,是否使用随车携带的装卸用管进行充装330装卸用管是否按操作规程每年进行一次耐压试验,试验压力是否满足装卸用管公称压力的1.5倍,试验结果是否有记录和试验员签字331装卸用管是否标志开始使用日期,是否超出规定使用年限332装卸前后是否按操作规程对移动式压力容器逐台进行检查,并填写充装记录、卸载记录533装卸过程的工作和安全是否符合操作规程234充装后是否复合充装介质和充装量(或充装压力)535在以下情况下禁止进行充装操作:遇到雷雨、风沙等恶劣天气情况的附近有明火、充装单位内设备和管道出现异常工况等危险情况的移动式压力容器或者其安全附件、装卸附件等有异常的移动式压力容器充装证明资料不齐全、检验检查不合格、内部残留介质不详以及存在其他危险情况的5合计100得分(得分=Ioo-总扣分)

展开阅读全文
相关资源
猜你喜欢
相关搜索

当前位置:首页 > 管理/人力资源 > 质量管理

copyright@ 2008-2023 1wenmi网站版权所有

经营许可证编号:宁ICP备2022001189号-1

本站为文档C2C交易模式,即用户上传的文档直接被用户下载,本站只是中间服务平台,本站所有文档下载所得的收益归上传人(含作者)所有。第壹文秘仅提供信息存储空间,仅对用户上传内容的表现方式做保护处理,对上载内容本身不做任何修改或编辑。若文档所含内容侵犯了您的版权或隐私,请立即通知第壹文秘网,我们立即给予删除!