关于颁布《建筑施工附着升降脚手架管理暂行规定》的通知及规定文本2004年4月16日起执行.docx

上传人:p** 文档编号:419205 上传时间:2023-08-18 格式:DOCX 页数:11 大小:36.49KB
下载 相关 举报
关于颁布《建筑施工附着升降脚手架管理暂行规定》的通知及规定文本2004年4月16日起执行.docx_第1页
第1页 / 共11页
关于颁布《建筑施工附着升降脚手架管理暂行规定》的通知及规定文本2004年4月16日起执行.docx_第2页
第2页 / 共11页
关于颁布《建筑施工附着升降脚手架管理暂行规定》的通知及规定文本2004年4月16日起执行.docx_第3页
第3页 / 共11页
关于颁布《建筑施工附着升降脚手架管理暂行规定》的通知及规定文本2004年4月16日起执行.docx_第4页
第4页 / 共11页
关于颁布《建筑施工附着升降脚手架管理暂行规定》的通知及规定文本2004年4月16日起执行.docx_第5页
第5页 / 共11页
关于颁布《建筑施工附着升降脚手架管理暂行规定》的通知及规定文本2004年4月16日起执行.docx_第6页
第6页 / 共11页
关于颁布《建筑施工附着升降脚手架管理暂行规定》的通知及规定文本2004年4月16日起执行.docx_第7页
第7页 / 共11页
关于颁布《建筑施工附着升降脚手架管理暂行规定》的通知及规定文本2004年4月16日起执行.docx_第8页
第8页 / 共11页
关于颁布《建筑施工附着升降脚手架管理暂行规定》的通知及规定文本2004年4月16日起执行.docx_第9页
第9页 / 共11页
关于颁布《建筑施工附着升降脚手架管理暂行规定》的通知及规定文本2004年4月16日起执行.docx_第10页
第10页 / 共11页
亲,该文档总共11页,到这儿已超出免费预览范围,如果喜欢就下载吧!
资源描述

《关于颁布《建筑施工附着升降脚手架管理暂行规定》的通知及规定文本2004年4月16日起执行.docx》由会员分享,可在线阅读,更多相关《关于颁布《建筑施工附着升降脚手架管理暂行规定》的通知及规定文本2004年4月16日起执行.docx(11页珍藏版)》请在第壹文秘上搜索。

1、关于颁布建筑施工附着升降脚手架管理暂行规定的通知建建2000230号各省、自治区、直辖市.建设厅(建委),江苏省、山东省建管局,支配单列市建委,新疆生产建设兵团建设局,国务院有关部门建设司(局),中心管理的有关总公司:现将建筑施工附着升降脚手架管理暂行规定印发给你们,请结合实际,细致实行。附件:建筑施工附着升降脚手架管理暂行规定中华人民共和国建设部二C)C)四年十月十六日建筑施工附着升降脚手架管理暂行规定第一章总则第一条为贯彻“平安第一,预防为主”的方针和中华人民共和国建筑法,加强建筑施工附着升降脚手架(以下简称“附着升降脚手架”)的管理,保证施工平安,制定本规定。其次条本规定适用于在高层、超

2、高层建筑工程结构上运用的由不同形式的架体、附着支承结构、升降设备和升降方式组成的各类附着升降脚手架。第三条各类附着升降脚手架的设计、制作、安装、运用和拆卸都必需执行本规定,并应遵守相关现行国家和行业的规程、规范、标准和规定。第四条建设部对附着升降脚手架实行统一管理。各省、自治区和直辖市的建设行政主管部门对本辖区内附着升降脚手架实施监督管理。其次章设计计算第五条附着升降脚手架的设计应执行本规定和建筑结构荷载规范(GBJ9)、钢结构设计规范(GBJ17)s冷弯薄壁型钢结构技术规范(GBJI8)、混凝土结构设计规范(GBJI0)、编制建筑施工脚手架平安技术标准的统一规定(修订稿)以及其它有关标准。第

3、六条附着升降脚手架的架体结构和附着支承结构应按“概率极限状态法”进行设计计算,承载力设计表达式为:YOSWR式中:丫。一结构重要性系数,取0.9;S荷载效应;R一结构抗力。第七条附着升降脚手架升降结构中的升降动力设备、吊具、索具,按“容许应力设计法”进行设计计算,执行本规定和有关起重吊装的现行规范,计算表达式为:OO式中:。一设计应力。一容许应力第八条附着升降脚手架的各组成部分应按其结构形式、工作状态和受力状况,分别确定在运用、升降和坠落三种不同状况卜.的计算简图,并按最不利状况进行计算和验算。必要时应通过整体模型试验验证脚手架架体结构的设计承载实力。第九条附着升降脚手架设计中荷载标准值应分运

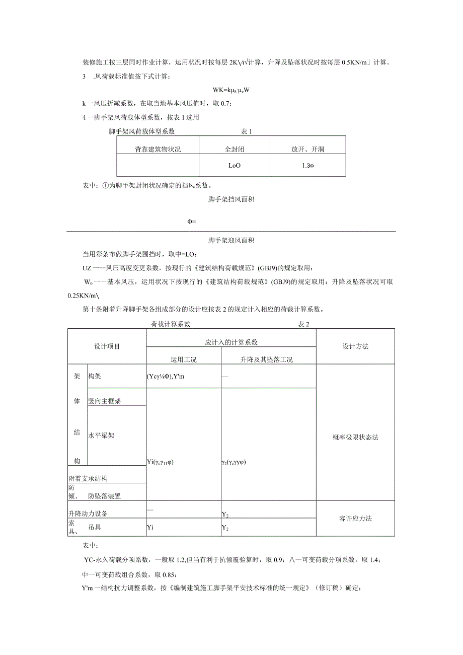
4、用、升降及坠落三种状况按以卜.规定分别确定:1 .恒载标准值GK包括架体结构、围护设施、作业层设施以及固定于架体结构上的升降机构和其它设备、装置的自重,其值可按现行建筑结构荷载规范(GBJ9)附录一确定。对于木脚手板及竹串片脚手板,取自重标准值为0.35KN/为2 .施工活荷载标准值QK包括施工人员、材料及施工机具等自重:可按施工设计确定的限制荷载接受,但其取值不得小于以下规定:结构施工按二层同时作业计算,运用状况时按每层3KN112计算,升降及坠落状况时按每层0.5KN/计算:装修施工按三层同时作业计算,运用状况时按每层2K计算,升降及坠落状况时按每层0.5KN/m计算。3 .风荷载标准值按

5、下式计算:WK=k8zWk一风压折减系数,在取当地基本风压值时,取0.7:4一脚手架风荷载体型系数,按表1选用脚手架风荷载体型系数表1背靠建筑物状况全封闭放开、开洞LoO1.3表中:为脚手架封闭状况确定的挡风系数。脚手架挡风面积=脚手架迎风面积当用彩条布做脚手架围挡时,取中=LO:UZ一风压高度变更系数,按现行的建筑结构荷载规范(GBJ9)的规定取用:W0一一基本风压,运用状况下按现行的建筑结构荷载规范(GBJ9)的规定取用:升降及坠落状况可取0.25KN/m第十条附着升降脚手架各组成部分的设计应按表2的规定计入相应的荷裁计算系数。荷载计算系数表2设计项目应计入的计算系数设计方法运用工况升降及

6、其坠落工况架构架(Yc),Ym体竖向主框架结构水平梁架Yi(c11)2(cy)概率极限状态法附着支承结构防倾、防坠落装置升降动力设备Y2容许应力法索具、吊具YiY2表中:YC-永久荷载分项系数,一般取1.2,但当有利于抗倾覆验算时,取0.9:八一可变荷载分项系数,取1.4;中一可变荷载组合系数,取0.85:Ym一结构抗力调整系数,按编制建筑施工脚手架平安技术标准的统一规定(修订稿)确定;Yu丫2荷载变更系数,l=l.3,=2.0第十一条接受“概率极限状态”设计时,按承载力极限状态设计的计算荷载取荷载的设计值;按运用极限状态设计的计算荷载取荷载的标准值。第十二条索具、吊具按表2的规定进行设计计算

7、时,其平安系数的取值参照相关的设计规范确定,但升降机构中运用的索具、吊具的平安系数不得小于6.0。第十三条对于升降动力设备,其容许荷载的取值参照相关的设计规范确定,当无规定时可取其额定荷载。第I四条螺栓连接强度的设计值应按表3取用;螺栓连接强度设计值(Nnm2)表3钢号抗拉F抗剪fQ235170130第十五条受压构件的长细比应不大于150。受弯构件的容许挠度应不超过表4规定的允许值:受弯构件的容许挠度值表4构件类别容许挠度大横杆、小横杆L/150水平支承结构L/200其他受弯构件L/300第十六条附着升降脚手架架体的脚手架构件部分的设计执行编制建筑施工脚手架平安技术标准的统一规定(修订稿)。第

8、十七条附着支承结构的平面布置必需依据平安要求和工程状况审慎设计,避开出现超过其设计承载实力的工作状态。第三章构造与装置第十八条附着升降脚手架的架体尺寸应符合以下规定:1 .架体高度不应大于5倍楼层高;2 .架体宽度不应大于1.2m:3 .直线布置的架体支承跨度不应大于8m:折线或曲线布置的架体支承跨度不应大于5.4m;4 .整体式附着升降脚手架架体的悬挑长度不得大于1/2水平支承跨度和3m:单片式附着升降脚手架架体的悬挑长度不应大于1/4水平支承跨度;5 .升降和运用工况下,架体悬臂高度均不应大于6.Om和2/5架体高度。6 .架体全高与支承跨度的乘积不应大于UOnII第十九条附着升降脚手架应

9、具有足够强度和适当刚度的架体结构:应具有平安牢靠的能够适应工程结构特点的附着支承结构:应具有平安牢靠的防倾覆装置、防坠落装置;应具有保证架体同步升降和监控升降荷载的限制系统;应具有牢靠的升降动力设备:应设置有效的平安防护,以确保架体上操作人员的平安,并防止架体上的物料坠落伤人。其次十条附着升降脚手架的架体结构应符合以下规定:1 .架体必需在附着支承部位沿全高设置定型加强的竖向主框架,竖向主框架应接受焊接或螺栓连接的片式框架或格构式结构,并能与水平梁架和架体构架整体作用,且不得运用钢管扣件或碗扣架等脚手架杆件组装。竖向主框架与附着支承结构之间的导向构造不得接受钢管扣件、碗扣架或其它一般脚手架连接

10、方式:2 .架体水平梁架应满足承载和与其余架体整体作用的要求,接受焊接或螺拴连接的定型桁架梁式结构:当用定型桁架构件不能连续设置时,局部可接受脚手架杆件进行连接,但其长度不能大于2m,并且必需实行加强措施,确保其连接刚度和强度不低于桁架梁式结构。主框架、水平梁架的各节点中,各杆件的轴线应汇交于一点:3 .架体外立面必需沿全高设置剪刀撑,剪刀撑跨度不得大于6.0m:其水平夹角为4560,并应将竖向主框架、架体水平梁架和构架连成一体;4 .悬挑端应以竖向主框架为中心成对设置对称斜拉杆,其水平夹角应不小于45:5 .单片式附着升降脚手架必需接受直线形架体。其次十一条架体结构在以下部位应实行牢靠的加强

11、构造措施:1 .与附着支承结构的连接处:2 .架体上升降机构的设置处;3 .架体上防倾、防坠装置的设置处;4 .架体吊拉点设置处:5 .架体平面的转角处:6 .架体因遇到塔吊、施工电梯、物料平台等设施而须要断开或开洞处;7 .其它有加强要求的部位。其次十二条物料平台必需将其荷载独立传递给工程结构。在运用工况下,应有牢靠措施保证物料平台荷载不传递给架体。物料平台所在跨的附着升降脚手架应单独升降,并应实行加强措施。其次十三条附着支承结构必需满足附着升降脚手架在各种工况下的支承、防倾和防坠落的承力要求,其设置和构造应符合以下规定:1.附着支承结构接受一般穿墙螺栓与工程结构连接时,应接受双螺母固定,螺

12、杆露出螺母应不少于3扣。垫板尺寸应设计确定,且不得小于80mmX80mmX8mm;2 .当附着点接受单根穿墙螺拴锚固时,应具有防止扭转的措施:3 .附着构造应具有对施工误差的调整功能,以避开出现过大的安装应力和变形:4 .位于建筑物凸出或Pll进结构处的附着支承结构应单独进行设计,确保相应工程结构和附着支承结构的平安:5 .对附着支承结构与工程结构连接处混凝土的强度要求应按计算确定,并不得小于C10;6 .在升降和运用工况下,确保每一架体竖向主框架能够单独承受该跨全部设计荷载和倾覆作用的附着支承构造均不得少于二套。其次十四条附着升降脚手架的防倾装置必需与竖向主框架、附着支承结构或工程结构牢靠连

13、接,并遵守以下规定:1 .防倾装置应用螺栓同竖向主框架或附着支承结构连接,不得接受钢管扣件或碗扣方式:2 .在升降和运用两种工况下,位于在同一竖向平面的防倾装置均不得少于二处,并且其最上和最下一个防倾覆支承点之间的最小间距不得小于架体全高的1/3:3 .防倾装置的导向间隙应小于5mm。其次十五条附着升降脚手架的防坠装置必需符合以下要求:1 .防坠装置应设置在竖向主框架部位,且每一竖向主框架提升设备处必需设置一个;2 .防坠装置必需灵敏、牢靠,其制动距离对于整体式附着升降脚手架不得大于80m,对于单片式附着升降脚手架不得大于150mm;3 .防坠装置应有特地详细的检查方法和管理措施,以确保其工作

14、牢靠、有效;4、防坠装置与提升设备必需分别设置在两套附着支承结构上,若有一套失效,另一套必需能独立担当全部坠落荷载。其次十六条附着升降脚手架的升降动力设备应满足附着升降脚手架运用工作性能的要求,升降吊点超过两点时,不能运用手拉葫芦。升降动力限制台应具备相应的功能,并应符合相应的平安规程。其次十七条同步及荷载限制系统应通过限制各提升设备间的升降差和限制各提升设备的荷载来限制各提升设备的同步性,且应具备超载报警停机、欠载报警等功能。其次十八条附着升降脚手架的平安防护措施应满足以下要求:1 .架体外侧必需用密目平安网(N800目/100cm?)围挡;密目平安网必需牢靠固定在架体上;2 .架体底层的脚

15、手板必需铺设严密,且应用平网及密目平安网兜底。应设置架体升降时底层脚手板可折起的翻板构造,保持架体底层脚手板与建筑物表面在升降和正常运用中的间隙,防止物料坠落:3 .在每一作业层架体外侧必需设置上、下两道防护栏杆(上杆高度1.2In,下杆高度O.6m)和挡脚板(高度180mm);4 .单片式和中间断开的整体式附着升降脚手架,在运用工况下,其断开处必需封闭并加设栏杆;在升降工况下,架体开口处必需有牢靠的防止人员及物料坠落的措施。其次十九条附着升降脚手架在升降过程中,必需确保升降平稳。第四章加工制作第三十条附着升降脚手架构配件的制作,必需具有完整的设计图纸、工艺文件、产品标准和产品质量检验规则:制作单位应有完善有效的质量管理体系,确保产品质量。第三十一条制作构配件的原、辅材料的材质及性能应符合设计要求,并按规定对其进行验证和检验。第三十二条加

展开阅读全文
相关资源
猜你喜欢
相关搜索

当前位置:首页 > 建筑/环境 > 建筑规范

copyright@ 2008-2023 1wenmi网站版权所有

经营许可证编号:宁ICP备2022001189号-1

本站为文档C2C交易模式,即用户上传的文档直接被用户下载,本站只是中间服务平台,本站所有文档下载所得的收益归上传人(含作者)所有。第壹文秘仅提供信息存储空间,仅对用户上传内容的表现方式做保护处理,对上载内容本身不做任何修改或编辑。若文档所含内容侵犯了您的版权或隐私,请立即通知第壹文秘网,我们立即给予删除!