数字化微扰动搅拌桩DMP工法设备选型、施工记录表、验收表.docx

上传人:p** 文档编号:422415 上传时间:2023-08-18 格式:DOCX 页数:8 大小:92.85KB
下载 相关 举报
数字化微扰动搅拌桩DMP工法设备选型、施工记录表、验收表.docx_第1页
第1页 / 共8页
数字化微扰动搅拌桩DMP工法设备选型、施工记录表、验收表.docx_第2页
第2页 / 共8页
数字化微扰动搅拌桩DMP工法设备选型、施工记录表、验收表.docx_第3页
第3页 / 共8页
数字化微扰动搅拌桩DMP工法设备选型、施工记录表、验收表.docx_第4页
第4页 / 共8页
数字化微扰动搅拌桩DMP工法设备选型、施工记录表、验收表.docx_第5页
第5页 / 共8页
数字化微扰动搅拌桩DMP工法设备选型、施工记录表、验收表.docx_第6页
第6页 / 共8页
数字化微扰动搅拌桩DMP工法设备选型、施工记录表、验收表.docx_第7页
第7页 / 共8页
数字化微扰动搅拌桩DMP工法设备选型、施工记录表、验收表.docx_第8页
第8页 / 共8页
亲,该文档总共8页,全部预览完了,如果喜欢就下载吧!
资源描述

《数字化微扰动搅拌桩DMP工法设备选型、施工记录表、验收表.docx》由会员分享,可在线阅读,更多相关《数字化微扰动搅拌桩DMP工法设备选型、施工记录表、验收表.docx(8页珍藏版)》请在第壹文秘上搜索。

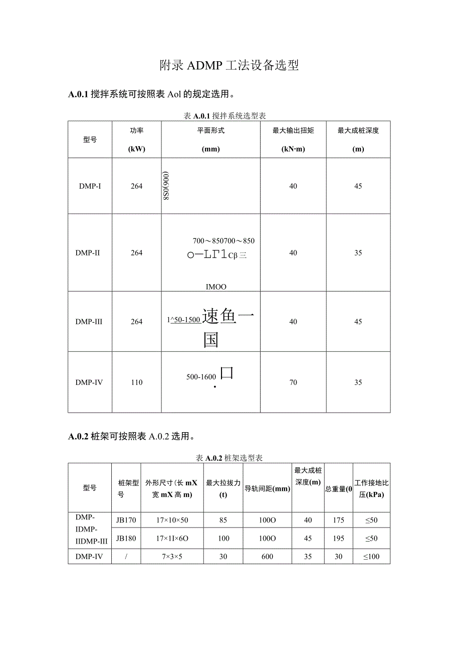
1、附录ADMP工法设备选型A.0.1搅拌系统可按照表Aol的规定选用。表A.0.1搅拌系统选型表型号功率(kW)平面形式(mm)最大输出扭矩(kNm)最大成桩深度(m)DMP-I264(006)0S84045DMP-II264700850700850oL1C三IMOO4035DMP-III264150-1500速鱼一国4045DMP-IV110500-1600口7035A.0.2桩架可按照表A.0.2选用。表A.0.2桩架选型表型号桩架型号外形尺寸(长mX宽mX高m)最大拉拔力(t)导轨间距(mm)最大成桩深度(m)总重量(0工作接地比压(kPa)DMP-IDMP-IIDMP-IIIJB1701

2、7105085100O4017550JB180171I6O100100O4519550DMP-IV/735306003530100A.0.3DMP-1、DMP-II、DMP-11I设备外形尺寸如图A.0.3-l所示,DMP-IV设备外形尺寸如图A.0.3-2所示,制浆与供浆系统外形尺寸如图A.0.3-3所示。图A.0.3-2DMP-IV设备外形尺寸(单位:m)图A.0.3-3制浆与供浆系统外形尺寸(单位:m)附录B数字化施工记录表表B数字化施工记录表工程名称施工单位监理单位桩编号设备编号桩径(mm)桩型地面标高(m)桩顶标高(m)桩底标高(m)坐标(,y)固化剂标号及批号外加剂标号及批号开始时

3、间结束时间下沉水胶比提升水胶比垂直度浆液比重浆液总量(L)固化剂总量(kg)外加剂总量(kg)成桩历程曲线(m)地内压力控彳刖曲线(MPa)下喷浆流速蜀(LZmin)上喷浆流速图(Lmin)下沉速度曲线(mmin)提升速度曲线(mmin)报表生成时间:施工员:质量员:技术负责人:附录C芯材施工记录表表c芯材施工记录表工程名称施工单位监理单位芯材种类芯材型号场地地面标高(m)设备编号序号桩位编号芯材插入芯材顶标高(m)长度(m)开始时间结束时间施工员:质量员:技术负责人:附录DDMP工法施工验收表表DDMP工法施工验收记录工程名称施工单位桩号验收日期桩型设备编号桩顶标高(m)桩底标高(m)设计直径(mm)成桩直径(mm)设计桩长(m)实际桩长(m)芯材规格芯材底标高(m)芯材接头质量芯材平面位置偏差(mm)检查意见验收意见施工单位质量员:监理单位监理工程师:技术负责人:年月日年月日PAGE

展开阅读全文
相关资源
猜你喜欢
相关搜索

当前位置:首页 > 行业资料 > 能源与动力工程

copyright@ 2008-2023 1wenmi网站版权所有

经营许可证编号:宁ICP备2022001189号-1

本站为文档C2C交易模式,即用户上传的文档直接被用户下载,本站只是中间服务平台,本站所有文档下载所得的收益归上传人(含作者)所有。第壹文秘仅提供信息存储空间,仅对用户上传内容的表现方式做保护处理,对上载内容本身不做任何修改或编辑。若文档所含内容侵犯了您的版权或隐私,请立即通知第壹文秘网,我们立即给予删除!