智能工厂水平与能力评价指标应用指南.docx

上传人:p** 文档编号:429020 上传时间:2023-08-24 格式:DOCX 页数:3 大小:28.26KB
下载 相关 举报
智能工厂水平与能力评价指标应用指南.docx_第1页
第1页 / 共3页
智能工厂水平与能力评价指标应用指南.docx_第2页
第2页 / 共3页
智能工厂水平与能力评价指标应用指南.docx_第3页
第3页 / 共3页
亲,该文档总共3页,全部预览完了,如果喜欢就下载吧!
资源描述

《智能工厂水平与能力评价指标应用指南.docx》由会员分享,可在线阅读,更多相关《智能工厂水平与能力评价指标应用指南.docx(3页珍藏版)》请在第壹文秘上搜索。

1、附录A智能工厂水平与能力评价指标应用指南A.1概述为增强本文件的适用性和可操作性,附录A给出了智能工厂评价过程和计算方法。旨在全面衡量并真实反映一定时期内企业智能制造的水平,简明直观、客观公正的分析智能工厂智能制造发展态势。A.2使用说明A.2.1评价过程评价过程见图A.1。图A.1评价过程A.2.2确定评价内容无论需方、供方、第三方在发起评价时,不同的评价目的对期望的评价结果的要求不同,需综合考虑评价的整体场景、指标的选用、权重的设置及结果的应用等因素。指标的选用,主要取决于企业的制造工艺过程特点。在此基础上,结合行业特点,选取适宜的指标进行评价,分析本行业的智能工厂发展态势。选取评价指标时

2、,宜考虑该指标是否能体现智能工厂发展特征及是否适用于该领域当前发展阶段特征。此外,分项评价指标选取宜满足。a)具有明确的数据来源。选取评价指标时,要充分考虑数据采集的科学性和便利度,设立分项评价指标体系时宜同时给出每个二级指标所能采用的数据来源。可能的数据来源包括:权威的统计数据、调查问卷、实地考察、委托第三方采集等。b)确保指标之间相互独立。选取评价指标口寸,尽量避免指标相互之间具有重复性或其他关联。对于具有重复性、关联性的多个指标,宜进行适当筛选或合并。如果确实需费同时存在两个以上具有关联性的指标,相关指标的说明中宜对这种关联进行说明。c)开展指标的验证与意见征集工作。选取评价指标时,宜开

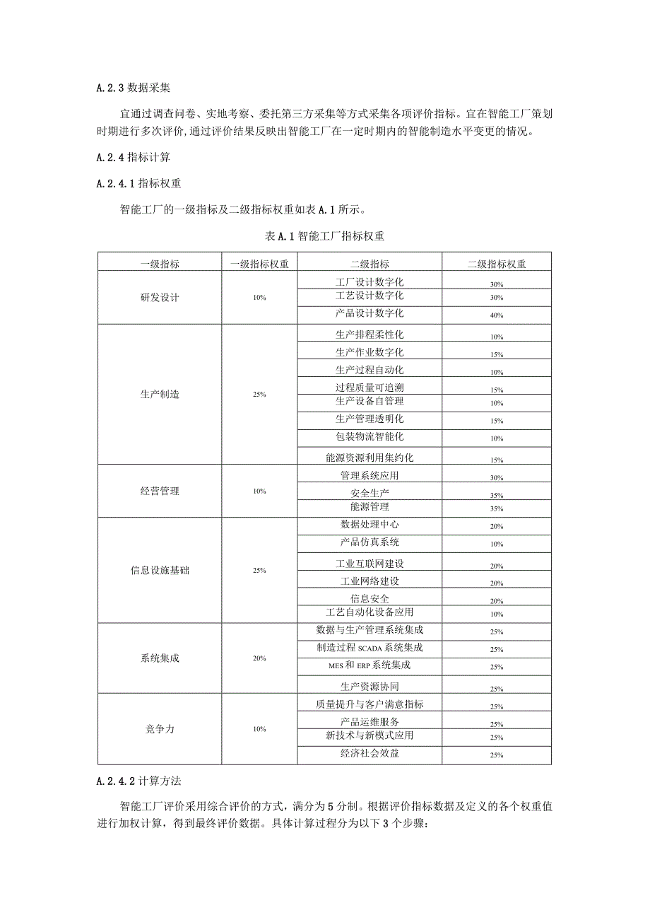
3、展调研与意见征集工作。向该领域的建设与管理相关方以及专家征求意见和建议,对选取的指标逐步进行补充和优化。最终,形成一套完整的评价指标体系。d)提供相应的指标权重。选取评价指标时,宜提供每个二级指标在整个分项评价指标体系中所占权重。权重大小代表某个二级指标对于评价整体的影响度大小。A.2.3数据采集宜通过调查问卷、实地考察、委托第三方采集等方式采集各项评价指标。宜在智能工厂策划时期进行多次评价,通过评价结果反映出智能工厂在一定时期内的智能制造水平变更的情况。A.2.4指标计算A.2.4.1指标权重智能工厂的一级指标及二级指标权重如表A.1所示。表A.1智能工厂指标权重一级指标一级指标权重二级指标

4、二级指标权重研发设计10%工厂设计数字化30%工艺设计数字化30%产品设计数字化40%生产制造25%生产排程柔性化10%生产作业数字化15%生产过程自动化10%过程质量可追溯15%生产设备自管理10%生产管理透明化15%包装物流智能化10%能源资源利用集约化15%经营管理10%管理系统应用30%安全生产35%能源管理35%信息设施基础25%数据处理中心20%产品仿真系统10%工业互联网建设20%工业网络建设20%信息安全20%工艺自动化设备应用10%系统集成20%数据与生产管理系统集成25%制造过程SCADA系统集成25%MES和ERP系统集成25%生产资源协同25%竞争力10%质量提升与客户

5、满意指标25%产品运维服务25%新技术与新模式应用25%经济社会效益25%A.2.4.2计算方法智能工厂评价采用综合评价的方式,满分为5分制。根据评价指标数据及定义的各个权重值进行加权计算,得到最终评价数据。具体计算过程分为以下3个步骤:a)权重比例计算:设定一级权重、二级指标权重比例。b)输入二级指标分值:根据收集数据输入各个二级指标分值。c)计算分值,见式(A.1)、式(A.2):D计算一级指标分值:Pi=I(WijXPiD(AJ)式中:pi一一第i个一级指标分值;n一一第i个一级指标下的二级指标的数量;wij第i个一级指标下的第j个二级指标权重值;pij一一第i个一级指标下的第/个二级指

6、标分值。2)计算总分值:S=S(wiPt)(A.2)式中:S一总分值;nt一一第i个一级指标下的二级指标的数量;Wi第i个一级指标权重值;Pi一一第i个一级指标分值。A.3评价结果的应用A.3.1企业自评智能制造企业宜结合实际情况进行全面系统的自我评价,根据本文件的指标内容,评价企业实施智能制造的结果,并参考行业总体现状和发展趋势,了解自身智能工厂的缺陷,明确其智能工厂的发展重点和方向,实现智能工厂智能制造能力的提升.A.3.2第三方评价为增强本文件在工业领域各行业中的适用性和可操作性,不同行业宜依据自身特点和需求,对本文件中的评价指标内容进行选择或细化。各行业基于智能工厂评价指标数据的采集,宜形成不同行业的智能工厂评价数据。通过数据的统计和分析,识别出某个行业在一定时期内智能工厂发展水平,简明、客观的分析本行业的智能工厂发展态势,形成行业的数据地图。

展开阅读全文
相关资源
猜你喜欢
相关搜索

当前位置:首页 > 管理/人力资源 > 绩效管理

copyright@ 2008-2023 1wenmi网站版权所有

经营许可证编号:宁ICP备2022001189号-1

本站为文档C2C交易模式,即用户上传的文档直接被用户下载,本站只是中间服务平台,本站所有文档下载所得的收益归上传人(含作者)所有。第壹文秘仅提供信息存储空间,仅对用户上传内容的表现方式做保护处理,对上载内容本身不做任何修改或编辑。若文档所含内容侵犯了您的版权或隐私,请立即通知第壹文秘网,我们立即给予删除!