三级安全教育表格填写范本.docx

上传人:p** 文档编号:429999 上传时间:2023-08-27 格式:DOCX 页数:2 大小:16.99KB
下载 相关 举报
三级安全教育表格填写范本.docx_第1页
第1页 / 共2页
三级安全教育表格填写范本.docx_第2页
第2页 / 共2页
亲,该文档总共2页,全部预览完了,如果喜欢就下载吧!
资源描述

《三级安全教育表格填写范本.docx》由会员分享,可在线阅读,更多相关《三级安全教育表格填写范本.docx(2页珍藏版)》请在第壹文秘上搜索。

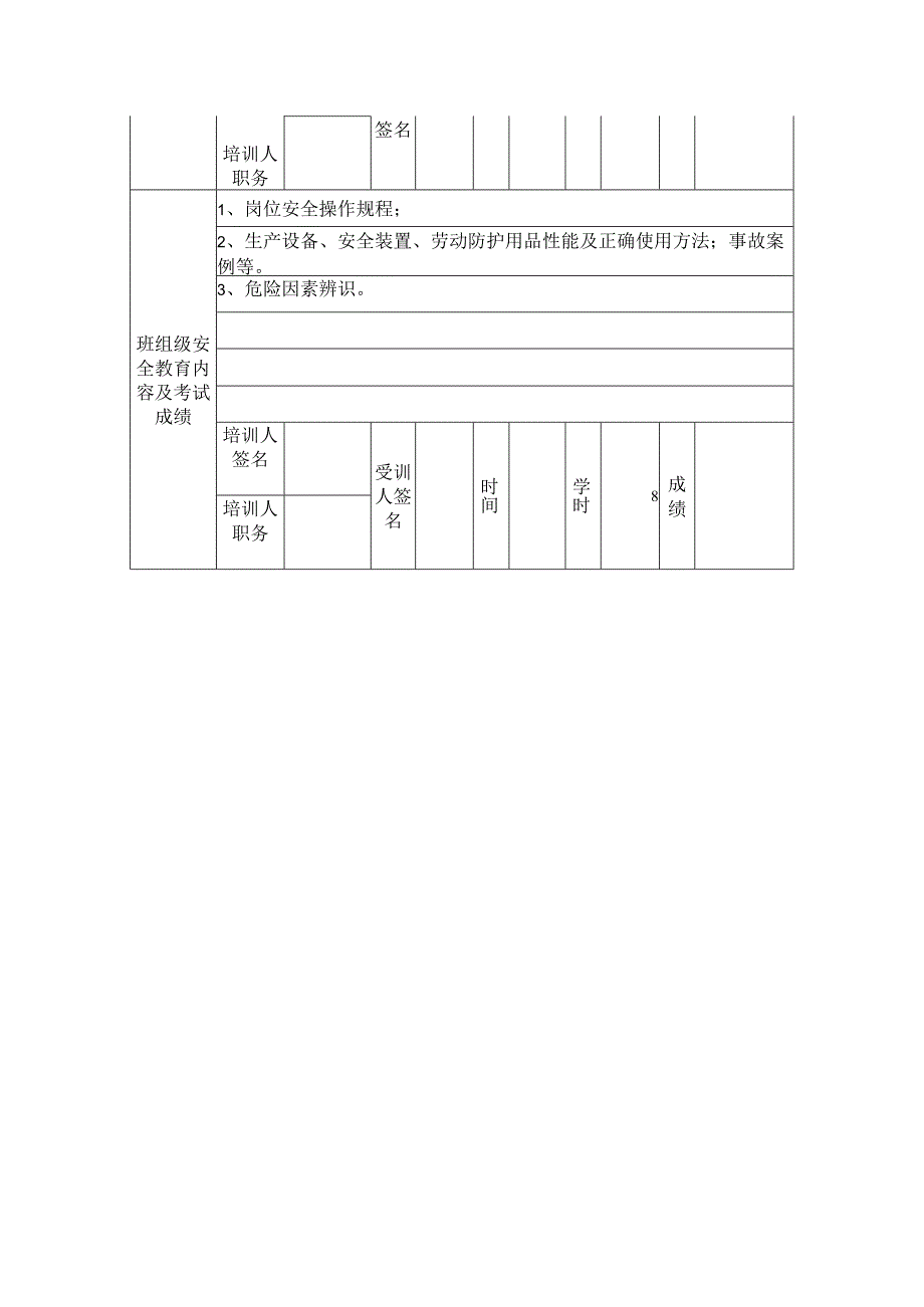
三级安全教育表格填写范本单位:XX公司姓名性别身份证号码工种健康状况文化家庭通讯地址电话厂级安全教育内容及考试成绩1、安全生产法规。2、安全生产基本知识,做到:三不伤害;安全第一,预防为主;掌握基本消防安全知识。3、企业与员工的权利与义务。4、企业安全生产规章制度。了解本岗位安全生产责任制;安全操作规程;劳动防护用品管理制度;消防安全管理制度等。5、工伤事故的范围。6、隐患的危害及治理。7、劳动纪律、工艺纪律8、特种设备作业、危险作业、危险品使用注意事项。9、作业场所和工作岗位存在的危险源、危险因素、防范措施及事故应急措施。10、事故案例。培训I人签名受训人签名时间学时8成绩培训人职务部门级安全教育内容及考试成绩1、本车间安全生产状况和规章制度;2、作业场所和工作岗位存在的危险因素、防范措施及事故应急措施;事故案例等3、危险因素辨识。培训人签名受训人时间学时8成绩培训人职务签名班组级安全教育内容及考试成绩1、岗位安全操作规程;2、生产设备、安全装置、劳动防护用品性能及正确使用方法;事故案例等。3、危险因素辨识。培训人签名受训人签名时间学时8成绩培训人职务

展开阅读全文
相关资源
猜你喜欢
相关搜索

当前位置:首页 > 办公文档 > 统计图表

copyright@ 2008-2023 1wenmi网站版权所有

经营许可证编号:宁ICP备2022001189号-1

本站为文档C2C交易模式,即用户上传的文档直接被用户下载,本站只是中间服务平台,本站所有文档下载所得的收益归上传人(含作者)所有。第壹文秘仅提供信息存储空间,仅对用户上传内容的表现方式做保护处理,对上载内容本身不做任何修改或编辑。若文档所含内容侵犯了您的版权或隐私,请立即通知第壹文秘网,我们立即给予删除!