渝蓉高速公路龙泉山隧道病害处治工程劳务合作项目分段划分、工程规模、工期表.docx

上传人:p** 文档编号:430871 上传时间:2023-08-27 格式:DOCX 页数:3 大小:20.62KB
下载 相关 举报
渝蓉高速公路龙泉山隧道病害处治工程劳务合作项目分段划分、工程规模、工期表.docx_第1页
第1页 / 共3页
渝蓉高速公路龙泉山隧道病害处治工程劳务合作项目分段划分、工程规模、工期表.docx_第2页
第2页 / 共3页
渝蓉高速公路龙泉山隧道病害处治工程劳务合作项目分段划分、工程规模、工期表.docx_第3页
第3页 / 共3页
亲,该文档总共3页,全部预览完了,如果喜欢就下载吧!
资源描述

《渝蓉高速公路龙泉山隧道病害处治工程劳务合作项目分段划分、工程规模、工期表.docx》由会员分享,可在线阅读,更多相关《渝蓉高速公路龙泉山隧道病害处治工程劳务合作项目分段划分、工程规模、工期表.docx(3页珍藏版)》请在第壹文秘上搜索。

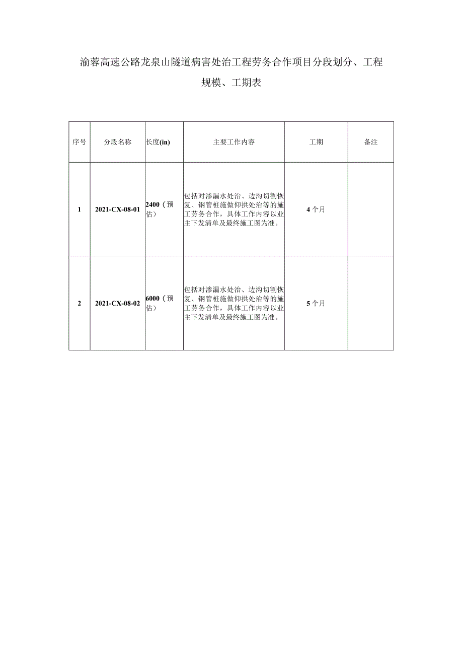
1、渝蓉高速公路龙泉山隧道病害处治工程劳务合作项目分段划分、工程规模、工期表序号分段名称长度(in)主要工作内容工期备注12021-CX-08-012400(预估)包括对渗漏水处治、边沟切割恢复、钢管桩施做仰拱处治等的施工劳务合作,具体工作内容以业主下发清单及最终施工图为准。4个月22021-CX-08-026000(预估)包括对渗漏水处治、边沟切割恢复、钢管桩施做仰拱处治等的施工劳务合作,具体工作内容以业主下发清单及最终施工图为准。5个月渝蓉高速公路龙泉山隧道病害处治工程劳务合作项目第2021-CX-08-01设备要求表序号机械设备名称规格、型号单位基本要求每增加一台自有设备加分值加分上限出厂日

2、期备注总数量自有设备1洒水车/台12016年12月后自有设俗而促供购买发票或公证机关出具的公证书2自卸汽车/台23钻机/台2244切割机/台2渝蓉高速公路龙泉山隧道病害处治工程劳务合作项目第2021-CX-08-02设备要求表序号机械设备名称规格、型号单位基本要求每增加一台自有设备加分值加分上限出厂日期备注总数量自有设备1挖掘机(带破碎头)/台2122016年12月后自有设备需提供购买发票或公证机关出具的公证书2洒水车/台13自卸汽车/台34钻机/台2125切割机/台2注:1、若监理工程师或招标人认为投标人配备的机械设备不能满足现场施工的需要,或不能保证工程质量和进度时,招标人有权要求投标人增

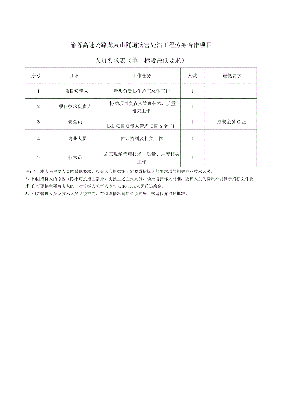
3、加。2、本表中的总数量为乙方中标后向甲方承诺的投入最低设备要求。渝蓉高速公路龙泉山隧道病害处治工程劳务合作项目人员要求表(单一标段最低要求)序号工种工作任务人数最低要求1项目负责人牵头负责协作施工总体工作12项目技术负责人协助项目负责人管理技术、质量相关工作13安全员协助项目负责人管理项目安全工作1持安全员C证4内业人员内业资料及相关工作15技术员施工现场管理技术、质量、进度相关工作1注:1、本表为主要人员的最低要求,投标人应根据施工需要或招标人的要求增加相关专业技术人员。2、如因投标人的原因(除不可抗拒因素外)更换上述主要人员,须报请招标人批准,更换人员的资质不能低于招标文件要求,自行更换主要负责人的,对投标人按每人次扣以20万元人民币违约金。3、相关管理人员及技术人员必须在岗,有特殊情况离岗必须向项目部请假并得到批准。

展开阅读全文
相关资源
猜你喜欢
相关搜索

当前位置:首页 > 论文 > 期刊/会议论文

copyright@ 2008-2023 1wenmi网站版权所有

经营许可证编号:宁ICP备2022001189号-1

本站为文档C2C交易模式,即用户上传的文档直接被用户下载,本站只是中间服务平台,本站所有文档下载所得的收益归上传人(含作者)所有。第壹文秘仅提供信息存储空间,仅对用户上传内容的表现方式做保护处理,对上载内容本身不做任何修改或编辑。若文档所含内容侵犯了您的版权或隐私,请立即通知第壹文秘网,我们立即给予删除!