雨季施工方案范文.docx

上传人:p** 文档编号:431502 上传时间:2023-08-27 格式:DOCX 页数:10 大小:101.94KB
下载 相关 举报
雨季施工方案范文.docx_第1页
第1页 / 共10页
雨季施工方案范文.docx_第2页
第2页 / 共10页
雨季施工方案范文.docx_第3页
第3页 / 共10页
雨季施工方案范文.docx_第4页
第4页 / 共10页
雨季施工方案范文.docx_第5页
第5页 / 共10页
雨季施工方案范文.docx_第6页
第6页 / 共10页
雨季施工方案范文.docx_第7页
第7页 / 共10页
雨季施工方案范文.docx_第8页
第8页 / 共10页
雨季施工方案范文.docx_第9页
第9页 / 共10页
雨季施工方案范文.docx_第10页
第10页 / 共10页
亲,该文档总共10页,全部预览完了,如果喜欢就下载吧!
资源描述

《雨季施工方案范文.docx》由会员分享,可在线阅读,更多相关《雨季施工方案范文.docx(10页珍藏版)》请在第壹文秘上搜索。

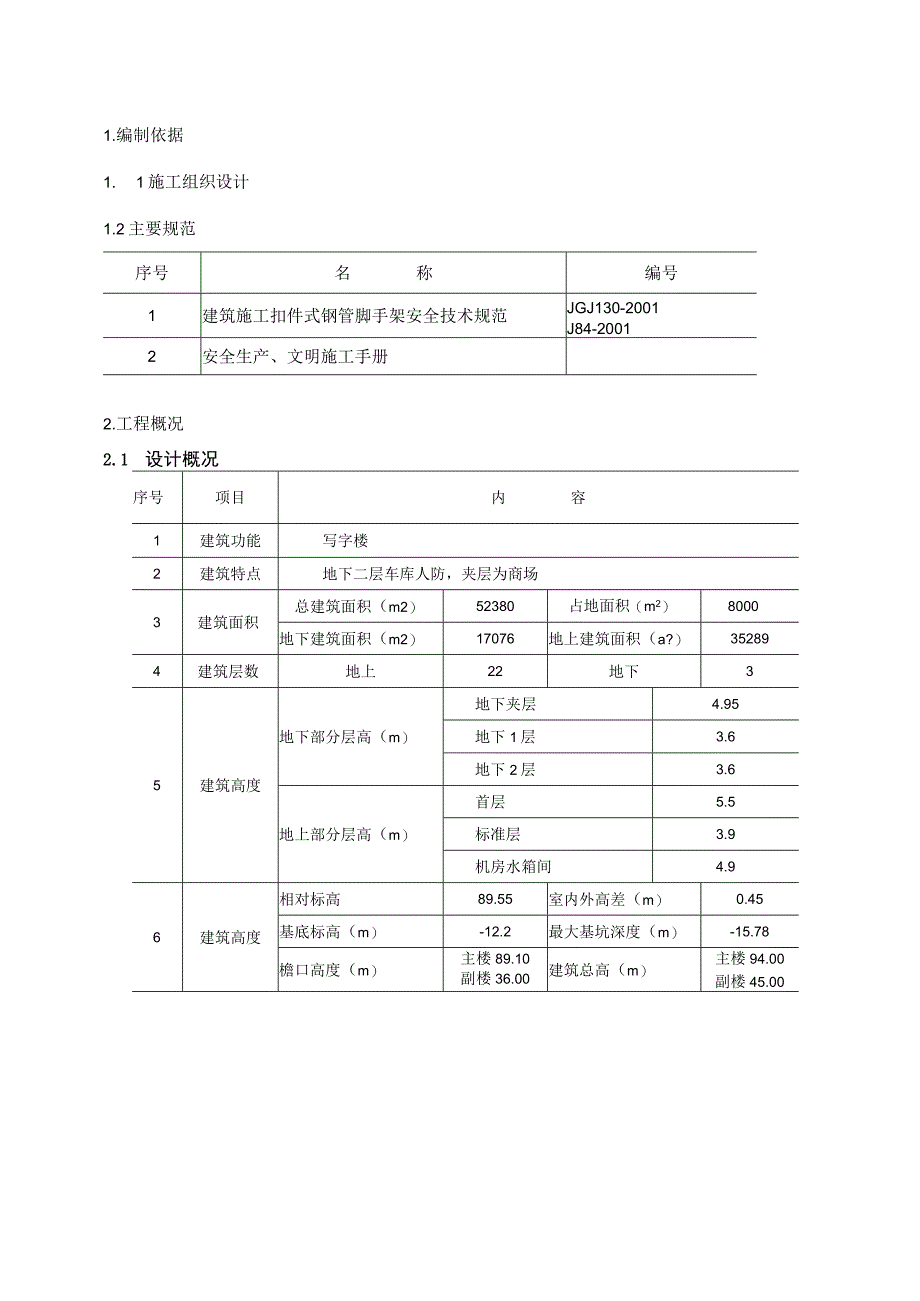
1、禁建筑工程雨李施工方XX工程公司年月日1 .编制依据错误!未定义书签。2 .工程概况错误!未定义书签。3 .雨施部属:错误!未定义书签。4雨施准备工作错误!未定义书签。5 雨施具体措施错误!未定义书签。6安全、消防等管理工作要求错误!未定义书签。7防汛平面布置图错误!未定义书签。1.编制依据1. 1施工组织设计1.2主要规范序号名称编号1建筑施工扣件式钢管脚手架安全技术规范JGJ130-2001J84-20012安全生产、文明施工手册2.工程概况2.1 设计概况序号项目内容1建筑功能写字楼2建筑特点地下二层车库人防,夹层为商场3建筑面积总建筑面积(m2)52380占地面积(m2)8000地下建

2、筑面积(m2)17076地上建筑面积(a?)352894建筑层数地上22地下35建筑高度地下部分层高(m)地下夹层4.95地下1层3.6地下2层3.6地上部分层高(m)首层5.5标准层3.9机房水箱间4.96建筑高度相对标高89.55室内外高差(m)0.45基底标高(m)-12.2最大基坑深度(m)-15.78檐口高度(m)主楼89.10副楼36.00建筑总高(m)主楼94.00副楼45.002. 2总体简介表2-1序号项目内容I工程名称*综合服务楼工程(*国际大厦)2工程地址3建设单位4设计单位5监理单位6质量监督单位7施工总承包单位8施工主要分包单位护坡降水、CFG桩、防水、钢结构、玻璃幕

3、、门窗、9投资来源业主投资10合同承包范围土建、水电、通风空调11结算方式月统计报量12定额工期850天13施工单位承诺689天(2002.12.28202*.IL15)14质量目标(等级)结构长城杯,质量等级优良3. 雨施部属:202*年度雨期,*综合服务楼工程正值基础工程施工,雨期控制的重点是:边坡稳定,同时也兼顾地下结构的顺利进展、塔式起重机等机械的安全运行。3.1 成立雨期施工领导小组组长:付组长:组员:下设2个防洪抢险小组,*任队长各带领30人。有关分包及联系电话* *18项目部:项目经理:工长:技术:* *水电安装公司:* *机械施工公司:某某*劳务公司:3.2 责任划分:总包负责

4、雨季汛情时的总体布控,项目经理任总指挥,有关管理人员负责联络、协调、指导防汛工作。水电公司负责防汛工作的水电技术操作,保证潜水泵的必要电器的正常运转,并进行日常的维护保养及检查。机械施工公司负责边坡稳定性监测及边坡遇险时的抢救工作。某某*劳务公司负责防汛工作的具体执行,项目经理(某水清)进行人力调动,劳务人员进行滞水清掏、水流输导、物资运输、临时支护等必要抢险工作及有关巡查工作,要求在天气预报中有中到大雨出现的天气,组成两组临时巡查小组,轮流监视基坑变化情况。同时各有关部门在雨季到来时,若周边小区出现汛情,应无条件协助居民及居委会、街道进行排险,保证人民群众的生命财产安全。4雨施准备工作4.1

5、 主要材料机具准备材料组负责提前准备有关雨施期间必要的施工及防雨机具、材料,主要材料机具如下:机具名称数量机具名称数量潜水泵10台配管500m苫布50块油毡20捆塑料布600Kg雨靴30双手电筒20把对讲机4部4.2现场准备4.2.1 机械施工公司应加强对基坑信息检测数据的随时跟踪比较,做到每天掌握边坡位移及沉降情况,如发现异常情况,及时向总包汇报。4.2.2 检查基槽上口边坡附近裂缝情况,并在汛期到来前,及时发现,用水泥修补变形裂缝,避免雨水大量渗入。4.2.3 施工机具棚仍认真检查,避免大雨淋湿造成漏电或连电产生用电事故或影响生产用电。4.2.4 对施工现场的道路、料具存放场地、办公场地进

6、行硬化处理,各局部地块按自然排水方式做好现场排水系统,将地面雨水及时排出场外,现场材料库做好防雨防潮。进入雨季施工前,要重新检查上述道路、场地的硬化情况,破损处及时修复,做到不积水、不存泥。4.2.5 现场的各种装修材料将大批进入现场,怕潮、怕污染材料尽量入库或上楼存放。不能入库或上楼的,下部均应垫起15Omm平台,上铺防潮层,用苫布覆盖。4.2.6 水泥进场后,应按不同的品种、标号、出厂日期和厂别分开存放,应遵守“先收先发、后收后发”的原则。水泥库使用木方垫起150mm,并铺设防潮层。4.2.7现场的各种工棚、仓库及暂设工程在雨季前普遍检查,确保不塌、不漏、周围不积水。4.2.8现场电闸箱要

7、搭好防雨棚,电闸箱的漏电保护装置灵敏、齐全,并设专人随时维护供电系统的正常运转。电闸箱的管理、位置变动、电缆铺设等要求详见本工程临时用电方案。4. 2.9现场除按自然地坪标高规划地表水的流向外,还要设完备的排水系统。排水沟要保持通畅,每间隔20米左右设集水井,集水井设有止挡泥土设施,并定期进行清理。现场水排出前,要通过沉淀处理,以不阻塞市政排水系统为准。4.2. 10做好地下室部分的外露孔洞的封闭和覆盖,防止雨水流入地下室。在坡道位置砌抹挡水墙,在下雨时做好覆盖。4.3. 11备齐潜水泵对地下室窗井、集水坑的积水及时抽排。4.4. 12塔式起重机、脚手架、上料平台及机电设备的接零、接地保护;4

8、.5. 13现场道路、塔式起重机、材料堆放场地的排水方向及料场的苫盖;4.6. 14临设的结构检查,若设在漏雨、危险情况及时维修加固;4.7. 15做好雨施准备工作,包括防雨、防汛、防火器材以供施工需要。4. 2.16随时接听、搜集气象预报及有关信息,提前做好短期的生产安排。4.2.17雨施要加强对电气设备的安全检查,包括线路、动力电源线路,各种箱、闸、盒的接零、接地保护是否灵敏可靠,非机电人员不得擅自动用机电设备。4.2.18消防器材应有防雨、防潮、防晒措施,及时检查地下消火栓井口位置要高于现场地坪。5雨施具体措施本工程雨季施工期间,主要历经:基础结构工程、地上结构工程、回填土工程、基础防水

9、工程,定制具体措施。5.1钢筋混凝土工程5.1.1 在雨施期间空气湿度大,绑扎前注意钢筋除锈。遇雨时钢筋焊接工作暂停,钢筋机械连接时要有接头的防锈的措施。钢筋加工场地做好相应的保护工作,避免雨淋。5.1.2 混凝土浇筑前,严格控制坍落度,保证工程质量。大面积混凝土浇筑前应了解2一3天的天气预报,尽量避开大雨。5.1.3 顶板碎浇灌过程中如遇南,新浇灌的砂加以覆盖,防止成型的碎板被雨水冲刷,并及时按规范要求调整施工缝的留置部位。墙体碎浇筑过程中如遇雨,应及时排掉模板内雨水,墙上部加遮挡,对碎震捣要充分,如雨太大不能继续施工时应停止浇筑,并将已入模的碎震捣密实,雨小后继续施工。5.1.4 雨后应将

10、模板及钢筋上淤泥积水清除掉。5.2防水工程5. 2.1雨天不得进行屋面防水工程的施工(结合当天的天气预报进行综合计划)。材料在运输、堆放、使用过程中不得受潮受雨。5. 2.2铺贴前基层必须彻底干燥,预先测定其含水率。做粘结试验,保证防水材料与基层粘结牢固。5. 2.3止水带内侧伸缩缝内粘贴遇水膨胀止水条。5. 2.4已做好的柔性防水层,应加强成品保护,及时采取封闭、围挡等措施。5.3脚手架工程5.3.1 各类架子的基础按要求夯实牢固。雨施前及雨施期间,认真检查各类架子,发现隐患及时排除。雨停以后,首先检查架子是否安全,然后方可让工人进入施工现场进行作业。定期对人行马道进行检查,防止出现不均匀沉

11、降,同时保证外架子周围排水通畅。5.32倒料平台在雨期期间,考虑到各种材料可能因部分雨淋而造成容重增加,所以承重要比最大限制荷载降低一吨,以保证平台安全。533脚手架上脚手板必须按操作规程要求铺设,并用8号铅丝绑牢。支搭脚手架过程中,下班前要将架子立杆、脚手板做好收头工作,防止突发风雨造成事故。5.3.4日常要有专人对脚手架、孔洞、围护进行巡视检查,发现安全隐患及时纠正、整改。5.4机电设备管理541室外露天的中、小型机械必须按规定加设防雨罩或搭设防雨棚;电闸箱防雨、漏电接地保护装置要灵敏有效,定期检查线路的绝缘情况。电气系统保证线路绝缘可靠,防雷设施齐全。已不用的线路、闸箱及时拆除。定期检查

12、现场变压器,发现问题马上解决。5.4.2灯架、塔机设有防雷保护。防雷接地电阻按如下要求:施工现场避雷设施单独接地,接地电阻应不大于4Q。独立避雷针接地电阻不大于4Q。雨施前对现场防雷装置及其它保护接地进行一次地极电阻摇测试验,并做好记录。防雷线按相关规程规定选择截面和敷设,严禁明敷在地面上。6安全、消防等管理工作要求6.1 加强雨施安全值班、雨施安全生产教育以及雨施防汛抢险工作的组织落实。雨施期间,对架子、塔机、机电设备等经常检查,发现隐患及时排除。6.2 模板、碎构件等材料堆放均做好基础。竖直放置的构件、模板有可靠的稳定措施。支模过程中,应随支随加固,防止大风吹倒模板造成安全事故。6.3 加

13、强电气设备安全检查。动力、照明线路按有关规定安装,非机电人员不准私自操作。强电进楼方案由专业人员事先编制,审批后方可实施。雨后要进行机电设备的漏电检查,防止触电发生事故。对现场常移动的电机电器设备,均要定期进行漏电检测。6.4消防器材有防雨、防潮、防晒措施。地下消火栓要高于地面防止泡水。6.5 对化学品、油类、易燃品应设专人妥善保管,防止受潮变质及起火。6.6 各工程部要建立用火管理制度,对电气焊作业须有专人看火。6.7 民工宿舍区要有专人负责卫生,室内、院内要经常消毒、灭蝇。6.8 各工程部和民工食堂,炊事人员须身体健康,三证齐全。食堂内有灭蝇措施,生熟分开,避免食物中毒,食堂内燃具、灶具管

14、理必须符合指挥部要求。如发现患病人员应马上送医院检查,防止发生传染病并蔓延。7防汛平面布置图结合雨期的到来及工程的部位情况,现场设置5处雨水排放井,见下图图例拟建建筑原有建筑现场暂设困墙战临时电路水管线,Uuuuuuuuuuun 枳水沟现场入口配电幅消火栓GD变压器戊焊机雨期防汛雨水井平面布置图安全生产十项注意事项:一、工作前穿戴好规定的劳动防护品,检查设备及作业场地,做到安全可靠。二、不违章作业,并监督制止他人违章作业。三、不准擅自开动别人操作的机械,电器开关设备。登高作业应戴好安全带、安全帽、并有专人监护、防止坠落,严禁向下乱抛工具和设备零件。四、不准随便拆除各种安全防护装置、信号标志、仪表及专指示器等。保持设备齐全有效灵敏可靠。五、不准随意启动设备。机器设备停机检查或修理时,应切断电源并悬挂警示牌,取牌人应是挂牌人。开机时发出信号,听到回音确定安全后才能开机。六、不准吊装物及下行人。多人操作起重搬运要统一指挥,密切配合。不准超负荷使用机器。七、不在易燃物品附近吸烟动火,不乱扔垃圾。八、不在厂内无证驾驶机动车辆,机动车进出车间转弯必须鸣号减速。车辆行驶中严禁爬上跳下。九、工作时精力集中,不准打闹、赤脚、赤膊、穿拖鞋和高跟鞋。十、上班时间不准怠工、滋事、脱岗或擅离职守。有事请假经

展开阅读全文
相关资源
猜你喜欢
相关搜索

当前位置:首页 > 建筑/环境 > 设计及方案

copyright@ 2008-2023 1wenmi网站版权所有

经营许可证编号:宁ICP备2022001189号-1

本站为文档C2C交易模式,即用户上传的文档直接被用户下载,本站只是中间服务平台,本站所有文档下载所得的收益归上传人(含作者)所有。第壹文秘仅提供信息存储空间,仅对用户上传内容的表现方式做保护处理,对上载内容本身不做任何修改或编辑。若文档所含内容侵犯了您的版权或隐私,请立即通知第壹文秘网,我们立即给予删除!