电工巡检维修记录范文.docx

上传人:p** 文档编号:432118 上传时间:2023-08-27 格式:DOCX 页数:4 大小:18.37KB
下载 相关 举报
电工巡检维修记录范文.docx_第1页
第1页 / 共4页
电工巡检维修记录范文.docx_第2页
第2页 / 共4页
电工巡检维修记录范文.docx_第3页
第3页 / 共4页
电工巡检维修记录范文.docx_第4页
第4页 / 共4页
亲,该文档总共4页,全部预览完了,如果喜欢就下载吧!
资源描述

《电工巡检维修记录范文.docx》由会员分享,可在线阅读,更多相关《电工巡检维修记录范文.docx(4页珍藏版)》请在第壹文秘上搜索。

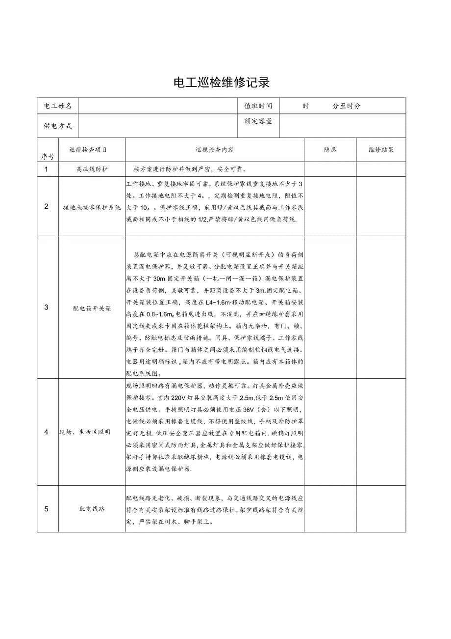
1、电工巡检维修记录工程名称:施工单位:电工巡检维修记录电工姓名值班时间时分至时分供电方式额定容量序号巡视检查项目巡视检查内容隐患维修结果1高压线防护按方案进行防护并做到严密,安全可靠。2接地或接零保护系统工作接地、重复接地牢固可靠。系统保护零线重复接地不少于3处。工作接地电阻不大于4。,定期检测重复接地电阻,阻值不大于10。保护零线正确,采用绿/黄双色线其截面与工作零线截面相同或不小于相线的1/2,严禁将绿/黄双色线用做负荷线.3配电箱开关箱总配电箱中应在电源隔离开关(可视明显断开点)的负荷侧装置漏电保护器,并灵敏可第。分配电箱设置正确并与开关箱距离不大于30m.固定开关箱(一机一闸一漏一箱)漏

2、电保护装置在设备负荷侧,灵敏可靠,并距离设备不大于3m.固定配电箱、开关箱装位置正确,高度在L41.6m移动配电箱、开关箱安装高度在0.81.6mo电箱底进出线,不混乱,并应加绝缘护套采用固定线夹成束卡固在箱体花栏架构上。箱内无杂物,有门、锁、编号、防触电标志及防雨措施。闸具、保护零线端子、工作零线端子齐全完好。箱门与箱体之间必须采用编制软铜线电气连接。电器用途明确标识o箱内不应有带电明露点。箱内应有本箱体的配电系统图。4现场、生活区照明现场照明回路有漏电保护器,动作灵敏可靠。灯具金属外壳应做保护接零。室内220V灯具安装高度大于2.5m,低于2.5m使用安全电压供电。手持照明灯具必须使用电压

3、36V(含)以下照明,电源线必须采用橡套电缆线,不得使用塑绞线,手柄及外防护罩完好无损.低压安全变压器应放置在专用配电箱内.碘鸦灯照明必须采用密闭式防雨灯具,金属灯具和金属支架应做好保护接零,架杆手持部位应采取绝缘措施,电源线必须采用橡套电缆线,电源侧应装设漏电保护器.5配电线路配电线路无老化、破损、断裂现象,与交通线路交叉的电源线应符合有关安装架设标准有线路过路保护。架空线路架符合有关规定,严禁架在树木、脚手架上。6变配电装置露天变压器设置符合规定要求,配电元器件间距符合规范要求,并有可靠安全的防护措施,及正确悬挂警告标志,门应朝外开,有锁。变配电室内不得堆放杂物,并设有消防器材。发电机组及

4、其配电室内严禁存放贮油桶,发电机设有短路、过负荷保护。配电室必须有相应的配电制度、配电平面图、配电系统图、防火管理制度、值班制度、责任人;具有良好的照明及应急照明;具有防止小动物的措施;具有良好的绝缘操作措施;良好通风条件。易发热元件是否在正常工作范围内。7其它除以上内容发现的其他隐患。安全生产十项注意事项:一、工作前穿戴好规定的劳动防护品,检查设备及作业场地,做到安全可靠。二、不违章作业,并监督制止他人违章作业。三、不准擅自开动别人操作的机械,电器开关设备。登高作业应戴好安全带、安全帽、并有专人监护、防止坠落,严禁向下乱抛工具和设备零件。四、不准随便拆除各种安全防护装置、信号标志、仪表及专指示器等。保持设备齐全有效灵敏可靠。五、不准随意启动设备。机器设备停机检查或修理时,应切断电源并悬挂警示牌,取牌人应是挂牌人。开机时发出信号,听到回音确定安全后才能开机。六、不准吊装物及下行人。多人操作起重搬运要统一指挥,密切配合。不准超负荷使用机器。七、不在易燃物品附近吸烟动火,不乱扔垃圾。八、不在厂内无证驾驶机动车辆,机动车进出车间转弯必须鸣号减速。车辆行驶中严禁爬上跳下。九、工作时精力集中,不准打闹、赤脚、赤膊、穿拖鞋和高跟鞋。十、上班时间不准怠工、滋事、脱岗或擅离职守。有事请假经领导批准后方可离开岗位。

展开阅读全文
相关资源
猜你喜欢
相关搜索

当前位置:首页 > 办公文档 > 事务文书

copyright@ 2008-2023 1wenmi网站版权所有

经营许可证编号:宁ICP备2022001189号-1

本站为文档C2C交易模式,即用户上传的文档直接被用户下载,本站只是中间服务平台,本站所有文档下载所得的收益归上传人(含作者)所有。第壹文秘仅提供信息存储空间,仅对用户上传内容的表现方式做保护处理,对上载内容本身不做任何修改或编辑。若文档所含内容侵犯了您的版权或隐私,请立即通知第壹文秘网,我们立即给予删除!