质量管理部QC组长月度KPI评定表.docx

上传人:p** 文档编号:432740 上传时间:2023-08-27 格式:DOCX 页数:4 大小:23.16KB
下载 相关 举报
质量管理部QC组长月度KPI评定表.docx_第1页
第1页 / 共4页
质量管理部QC组长月度KPI评定表.docx_第2页
第2页 / 共4页
质量管理部QC组长月度KPI评定表.docx_第3页
第3页 / 共4页
质量管理部QC组长月度KPI评定表.docx_第4页
第4页 / 共4页
亲,该文档总共4页,全部预览完了,如果喜欢就下载吧!
资源描述

《质量管理部QC组长月度KPI评定表.docx》由会员分享,可在线阅读,更多相关《质量管理部QC组长月度KPI评定表.docx(4页珍藏版)》请在第壹文秘上搜索。

1、质量管理部Qe组长月度KPl评定表rrD考核内容指标说明考核依据权重评分小计备注考核项目考核指标1人力管理员工离职率(1)定义:本指标反映该部门员工因个人原因离职状况(如:职业发展、福利水平等,若公司开除、请辞除外)。(2)评分细则:A、分限20分B、每1人离职扣5分,至评分为。分参考依据:离职记录15%0员工出勤率(1)定义:木指标反映该部门员上班出勤状况(如;迟到、早退等,班车迟到,若请假及调休除外)。(2)评分细则:A、分限20分参考依据:考勤记录0员工教育(1)定义B本每指h;k映自倒门分员教至育评训分练为状收(退等,若试用期除外)。(2)评分细则:A、分限30分B、每1人未培训上岗扣

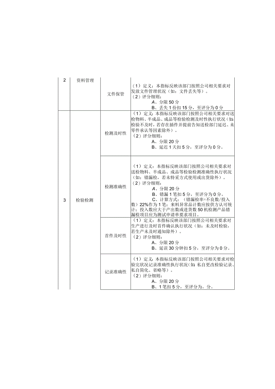
2、5分,至评分为0参考依据:考勤记录0员工违纪率41)定义:本指标反映该部门员工按照公司相关规范、要求执行状况(如:工装着装、产品防护装置佩戴等)。(2)评分细则:A、分限30分B、每1人次离职扣5分,至评分为。分参考依据:违记、处分记录02资料管理样品保管(1)定义:木指标反映该部门按照公司相关要求对发放文件管理状况(如:文件丢失等)。(2)评分细则:A、分限50分B、丢失1件扣15分,至评分为。分考核依据:样品管理明细20%考核依据:文件盘查记录20%0考核依据:QC检验计划表50%0考核依据:退料单、领料单、投料记录0考核依据:首件检验记录0考核依据:QC检验记录02资料管理文件保管(1)

3、定义:本指标反映该部门按照公司相关要求对发放文件管理状况(如:文件丢失等)。(2)评分细则:A、分限50分B、丢失1份扣15分,至评分为0分3检验检测检测及时性(1)定义:本指标反映该部门按照公司相关要求对送检物料、半成品、成品等检验检测及时性执行状况(如:检验不及时,若存在插件并提前告知送检部门延迟、未零件承认等因素除外)。(2)评分细则:A、分限20分B、延迟1天扣5分,至评分为0分。检测准确性(1)定义:本指标反映该部门按照公司相关要求对送检物料、半成品、成品等检验检测准确性执行状况(如:错漏检,若未特采方式使用或出货除外)。(2)评分细则:A、分限20分B、错漏1笔扣5分,至评分为0分

4、。C、计算方式:(错漏检率=不良数/投入数)22%作为1笔:来料异常品计数应按供方认可统计;投入数应大于产出数或进货数50机检测产品错漏检项目应为测试申请单要求项目。首件及时性(1)定义:本指标反映该部门按照公司相关要求对生产进行及时首件确认执行状况(如:未及时检验,若生产未及时通知除外)。(2)评分细则:A、分限20分B、延误30分钟扣5分,至评分为0分。记录准确性(1)定义:本指标反映该部门按照公司相关要求对检验完状况记录准确性执行状况(如:私自更改检验记录、私自简化、省略等)。(2)评分细则:A、分限20分B、1笔扣5分,至评分为。分。记录及时性(1)定义:本指标反映该部门按照公司相关要

5、求对检验完状况记录及时性执行状况(如:未按时提交等)(2)评分细则:A、分限20分B、延迟1天扣5分,至评分为0分。C、本月度统计应于下月初2号前提交,放假除外;检测报告应于检测完毕后3个工作日内1、考核部门:生产部2、考核依据:首件检验记录04其它事项现场5S斗TY般Pl嬴彘翳旗5超点司相关要求对检验现场、工作区域等5S执行状况(如:脏、乱、差等)O(2)评分细则:A、分限60分考核依据:依据实际检验状况10%0主管要求(1)定义:本发指现标?时该/门1%司公司主分管要求任务执行状况。(2)评分细则:A、分限40分B、延误1天扣10分,至评分为0分。考核依据:依据实际完成状况05工作满意度配合度(1)定义:本指标反映该部门与其他部门间、部门内部员工配合状况。(2)评分细则:A、分限100分B、计算方式:满意80分-100分、基本满意60分-80分、不满意40分-60分、差0分-40分。考核依据:依据实际配合协作状况5%06提案改善专案或建议(1)定义:本指标反映该部门或部门员工对公司制度、产品质量、工艺改进等方面合理化、有益建议状况。(2)评分细则:A、分限10分(加分)B、制度面建议:。分-3分、专案改善:0考核依据:依据实际改善状况至多10分0刀t分单大5T三(fi接体现成7、效益)力IU

展开阅读全文
相关资源
猜你喜欢
相关搜索

当前位置:首页 > 管理/人力资源 > 质量管理

copyright@ 2008-2023 1wenmi网站版权所有

经营许可证编号:宁ICP备2022001189号-1

本站为文档C2C交易模式,即用户上传的文档直接被用户下载,本站只是中间服务平台,本站所有文档下载所得的收益归上传人(含作者)所有。第壹文秘仅提供信息存储空间,仅对用户上传内容的表现方式做保护处理,对上载内容本身不做任何修改或编辑。若文档所含内容侵犯了您的版权或隐私,请立即通知第壹文秘网,我们立即给予删除!