质量管理部SQE月度KPI评定表.docx

上传人:p** 文档编号:432754 上传时间:2023-08-27 格式:DOCX 页数:4 大小:21.98KB
下载 相关 举报
质量管理部SQE月度KPI评定表.docx_第1页
第1页 / 共4页
质量管理部SQE月度KPI评定表.docx_第2页
第2页 / 共4页
质量管理部SQE月度KPI评定表.docx_第3页
第3页 / 共4页
质量管理部SQE月度KPI评定表.docx_第4页
第4页 / 共4页
亲,该文档总共4页,全部预览完了,如果喜欢就下载吧!
资源描述

《质量管理部SQE月度KPI评定表.docx》由会员分享,可在线阅读,更多相关《质量管理部SQE月度KPI评定表.docx(4页珍藏版)》请在第壹文秘上搜索。

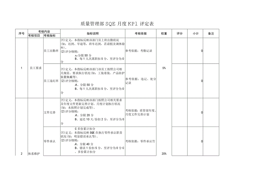
1、质量管理部SQE月度KPl评定表序号考核内容指标说明考核依据权重评分小计备注考核项目考核指标1员工要求员工出勤率(1)定义:本指标反映该部门员上班出勤状况(如;迟到、早退等,班车迟到,若请假及调休除外)。(2)评分细则:Ah分限50分B、每1人次离职扣5分,至评分为0分参考依据:考勤记录5%0员工违纪率(1)定义:本指标反映该部门该员工按照公司相关规范、要求执行状况(如:工装着装、产品防护装置佩戴等).(2)评分细则:A、分限50分B、每1人次离职扣5分,至评分为0分参考依据:违记、处分记录02体系维护文件完善(1)定义:本指标反映该部门按照公司相关要求及年度文件更新完善计划、月度计划执行状况

2、(如:未按照计划完成等)。(2)评分细则:A、分限20分B、延迟10天/份扣2分,至评分为0分考核依据:质管部年度、月度文件完善计划20%0零件承认C多份累计扣分(1)定义:本指标反映SQE在执行零件承认职责状况(如:明显错误承认等)。(2)评分细则:A、分限40分B、错误1份扣5分,至评分为0分C、多份累计扣分考核依据:零件承认竹01、考核部门:生产部2、考核依据:实际检验标准发行状况01、考核部门:生产部2、考核依据:实际异常处理时间或异常品处置单50%01、考核部门:生产部2、考核依据:实际异常处理时间或异常品处置单01、考核部门:总经办2、考核依据:质量月报提交时间0标准发布(1)定义

3、:本指标反映该部门按照公司相关要求对需要及时发布检验标准执行状况(如:发布不及时等)。(2)评分细则:A、分限40分B、若为新类别物料,物料检验SIP应于零件承认完成后1周内发布延迟1周/份扣5分,至评分为0分,多份未完成累计。5异常改善处理及时性(1)定义:本指标反映该部门按照公司相关要求物料质量异常应及时处理执行状况(如:未及时处理等)。(2)评分细则:A、分限40分B、延迟1次扣5分,至评分为O分。C、计算方式:物料出现异常后需当天内联系供方,并于2日内要求回复。异常重复性(1)定义:本指标反映公司物料质量状况及供方改善对策执行状况。(2)评分细则:A、分限30分B、重复发生1次扣5分,

4、至评分为0分。C、计算方式:若该异常第一出现不计作重复异常;重复定义为非当进料批次内累报告及时性(1)定义:本指标反映该部门按照公司相关要求对质量月报等报告及时性提供执行状况(如:未按时提交)。(2)评分细则:A、分限10分B、延误1天扣5分,至评分为0分。C、计算方式:本月度质量报告应于下月度5号前提交,假期除外。6其它事项供方稽核(1)定义:本指标反映该部门按照年度、月度计划对供方研发、制造、售后能力现场及时评估执行状况(如:未按计划稽核,若采取文审方式代替除外)。(2)评分细则:A、分限70分B、延迟1次扣5分,至评分为0分。1、考核部门:采购部、总经办2、考核依据:年度、月度供方稽核计

5、划20%主管要求(1)定义:本指标反映该部门按照公司主管要求任务执行状况。(2)评分细则:A、分限30分B、延误1天扣20分,至评分为。分。1、考核部门:公司级主管2、考核依据:依据实际完成状况07工作满意度配合度(1)定义:本指标反映该部门与其他部门间、部门内部员工配合状况。(2)评分细则:A、分限100分B、计算方式:满意80分-100分、基本满意60分-80分、不满意40分-60分、差0分-40分。1、考核部门:相关部门2、考核依据:依据实际配合协作状况5%08提案改善专案或建议(1)定义:本指标反映该部门或部门员工对公司制度、产品质量、工艺改进等方面合理化、有益建议状况。(2)评分细则:A、分限10分(加分)B、制度面建议:。分-3分、专案改善:0分-6分、重大贡献(直接体现成本效益):5分-10分1、考核部门:公司级主管2、考核依据:依据实际改善状况至多10分0

展开阅读全文
相关资源
猜你喜欢
相关搜索

当前位置:首页 > 管理/人力资源 > 质量管理

copyright@ 2008-2023 1wenmi网站版权所有

经营许可证编号:宁ICP备2022001189号-1

本站为文档C2C交易模式,即用户上传的文档直接被用户下载,本站只是中间服务平台,本站所有文档下载所得的收益归上传人(含作者)所有。第壹文秘仅提供信息存储空间,仅对用户上传内容的表现方式做保护处理,对上载内容本身不做任何修改或编辑。若文档所含内容侵犯了您的版权或隐私,请立即通知第壹文秘网,我们立即给予删除!