例行检验和确认检验程序.docx

上传人:p** 文档编号:433894 上传时间:2023-08-27 格式:DOCX 页数:2 大小:18.24KB
下载 相关 举报
例行检验和确认检验程序.docx_第1页
第1页 / 共2页
例行检验和确认检验程序.docx_第2页
第2页 / 共2页
亲,该文档总共2页,全部预览完了,如果喜欢就下载吧!
资源描述

《例行检验和确认检验程序.docx》由会员分享,可在线阅读,更多相关《例行检验和确认检验程序.docx(2页珍藏版)》请在第壹文秘上搜索。

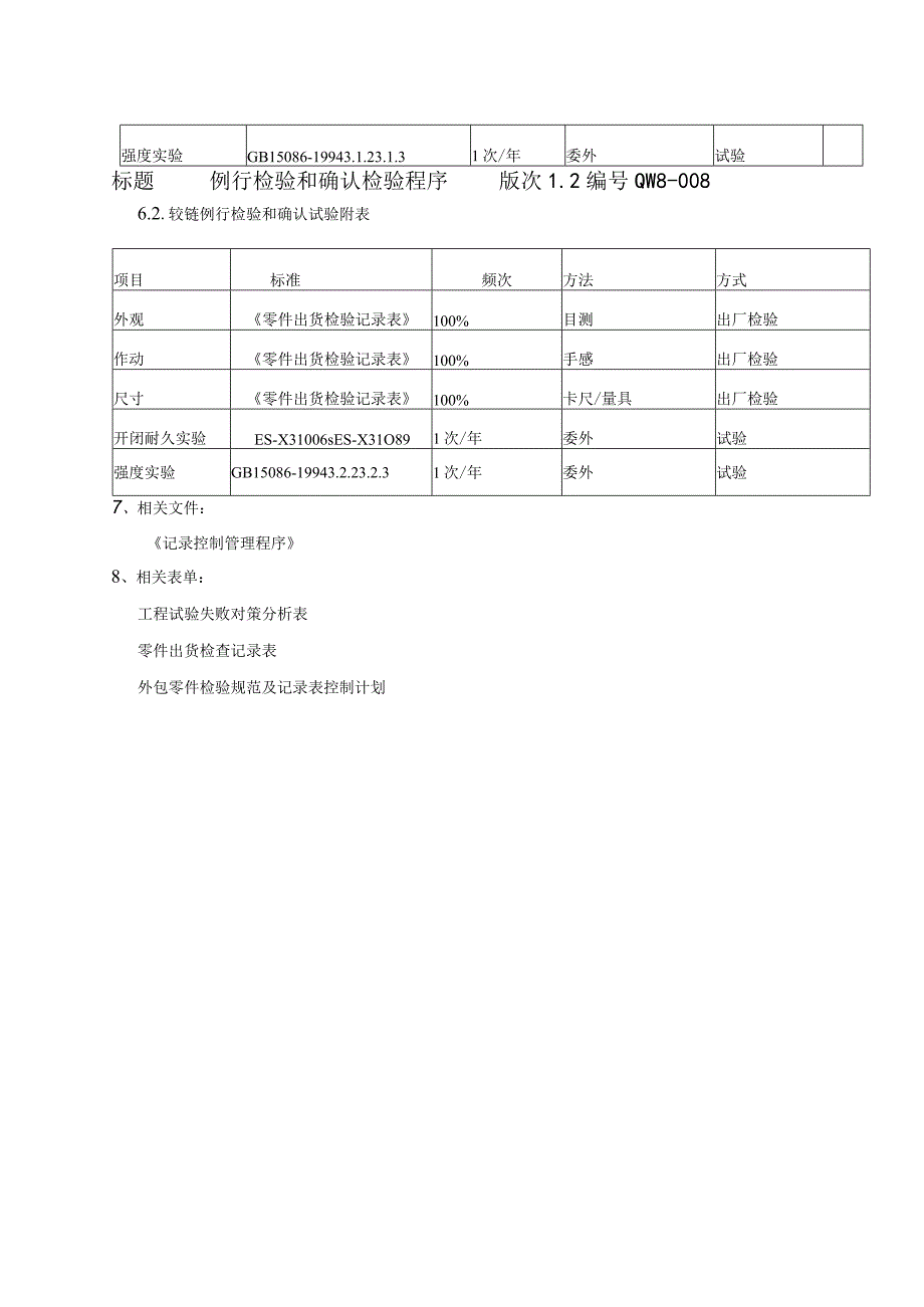
1、标题例行检验和确认检验程序版次1.2编号QW8-0081目的:为确保采购物料之关键零部件/材料满足所规定的要求。2范围:适用于本公司生产的认证产品:门锁和较链。3定义:3.1 例行检验:在生产的最终阶段对生产线上的产品进行的100%检验,通常检验后,除包装和加贴标签外,不再进行进一步加工。3.2确认检验:为验证产品持续符合标准要求进行的抽样检验。4职责:4.1 开发课负责制定认证产品型式试验的项目、内容、方法、判定。4.2 品管部负责认证产品的例行检验。4.3 开发课负责认证产品的确认检验。5工作程序:5.1 品管部编制相应产品的外包零件检验规范及记录表对入厂产品进行检验,编制相应产品的零件出

2、货检验记录表对出厂产品进行检验。生产部生产检查员按控制计划规定内容对过程进行首末件检验、抽检,生产部作业员按控制计划进行自检。确保例行检验的执行。5.2 开发课负责所有认证产品实验的委外,按附表要求进行。频次不能少于一年一次,顾客有特殊要求的按顾客要求。对于试验不符合要求的产品按工程试验失败对策分析表执行。确保确认检验的执行。5.3 所有记录按记录控制管理程序执行。6附表6.1门锁例行检验和确认试验附表项目标准频次方法方式外观零件出货检验记录表100%目测出厂检验作动零件出货检验记录表100%手感出厂检验尺寸零件出货检验记录表100%卡尺/量具出厂检验开闭耐久实验ES-X31OO7ES-X31O481次/年委外试验强度实验GB15086-19943.1.23.1.31次/年委外试验标题例行检验和确认检验程序版次1.2编号QW8-0086.2.较链例行检验和确认试验附表项目标准频次方法方式外观零件出货检验记录表100%目测出厂检验作动零件出货检验记录表100%手感出厂检验尺寸零件出货检验记录表100%卡尺/量具出厂检验开闭耐久实验ES-X31006sES-X31O891次/年委外试验强度实验GB15086-19943.2.23.2.31次/年委外试验7、相关文件:记录控制管理程序8、相关表单:工程试验失败对策分析表零件出货检查记录表外包零件检验规范及记录表控制计划

展开阅读全文
相关资源
猜你喜欢
相关搜索

当前位置:首页 > 管理/人力资源 > 质量管理

copyright@ 2008-2023 1wenmi网站版权所有

经营许可证编号:宁ICP备2022001189号-1

本站为文档C2C交易模式,即用户上传的文档直接被用户下载,本站只是中间服务平台,本站所有文档下载所得的收益归上传人(含作者)所有。第壹文秘仅提供信息存储空间,仅对用户上传内容的表现方式做保护处理,对上载内容本身不做任何修改或编辑。若文档所含内容侵犯了您的版权或隐私,请立即通知第壹文秘网,我们立即给予删除!