XX公司安全管理-相关方安全管理能力评价表.docx

上传人:p** 文档编号:437479 上传时间:2023-08-28 格式:DOCX 页数:3 大小:18.97KB
下载 相关 举报
XX公司安全管理-相关方安全管理能力评价表.docx_第1页
第1页 / 共3页
XX公司安全管理-相关方安全管理能力评价表.docx_第2页
第2页 / 共3页
XX公司安全管理-相关方安全管理能力评价表.docx_第3页
第3页 / 共3页
亲,该文档总共3页,全部预览完了,如果喜欢就下载吧!
资源描述

《XX公司安全管理-相关方安全管理能力评价表.docx》由会员分享,可在线阅读,更多相关《XX公司安全管理-相关方安全管理能力评价表.docx(3页珍藏版)》请在第壹文秘上搜索。

1、附件4:相关方安全管理能力评价表评价项目评价内容评价标准单项总分问题描述得分安全制度体系L根据法律法规及合同内容、作业内容等建立健全相关方自主安全管理规章制度体系。检查安全管理规章制度体系的有效性、全面性,一处不符合扣1分。52.相关方安全规章制度与甲方安全生产制度、现场作业内容的符合性和适用性。检查安全规章制度等内容与合同及作业内容的符合性、适用性,一处不符合扣1分。5安全责任体系1.相关方单位按照安全生产法规定设置安全生产管理机构或配备专兼职安全管理人员情况。检查相关方单位是否按照安全生产法规定建立安全生产管理机构或配备专兼职安全管理人员,一处不符合扣1分。52.相关方单位主要负责人、安全

2、生产管理人员安全培训考试及持证上岗情况。检查相关方单位主要负责人、安全生产管理人员是否按规定经安全资格培训考试、考核,持证上岗。一处不符合扣1分。53.相关方单位按照安全会议制度,定期组织召开安全会议,研究和部署安全工作情况。检查相关方单位是否建立安全会议制度,并定期组织召开安全会议,制定安全工作计划,研究和部署安全工作,传达安全管理工作信息。一处不符合扣1分。54.相关方安全管理能力、安全履职落实情况。检查项目负贲人及相关管理人员安全履职情况,有计划、有部署、有检查,能够发现问题(含管理、体系、隐患及风险辨识、违章等),及时整改和落实考核,留存管理痕迹。一处不符合扣1分。10评价项目评价内容

3、评价标准单项总分问题描述得分安全责任体系5.现场安全措施管理。现场作业施工组织和安全措施是否合理等开展系统、全面评价。一处不符合扣1分。56.相关方合同用工,作业技能、入职教育、职业健康、劳动保护及保险办理等管理情况。相关方是否与员工签订用工合同(是否有管理单位盖章,是否与相关方单位一致),是否按照合同要求为员工办理保险;项目负责人是否与承包单位签订劳动合同和社会养老保险关系;相关方人员按合同要求落实三级安全教育、技能培训、上岗测评、职业健康安全、劳动保护等管理。一处不符合扣1分。107.相关方应急体系管理情况。检查应急体系建立及运行情况,应急预案(应急处置卡)内容要与作业内容相符合,配备相应

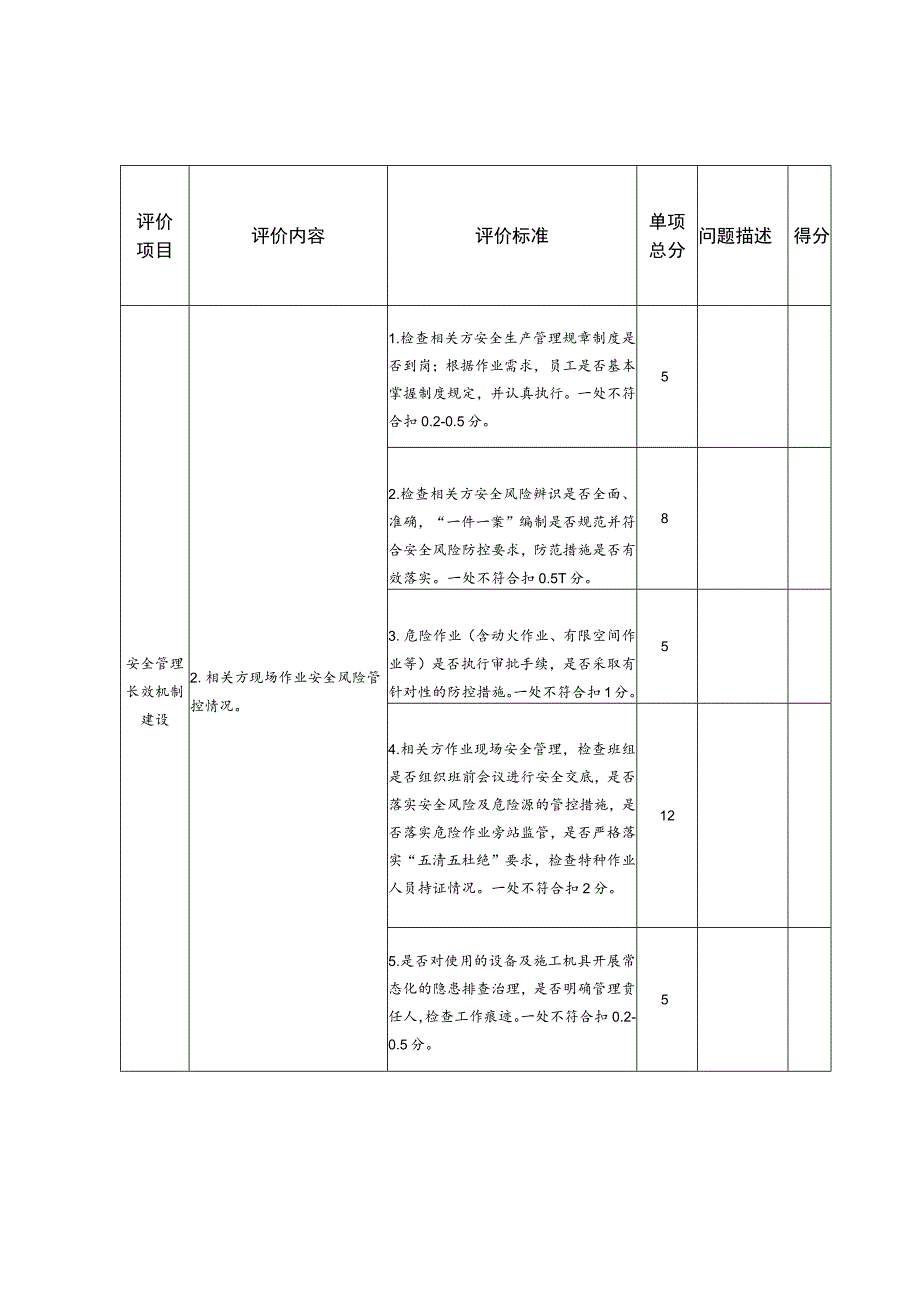
4、的应急器材、设施,定期开展演练。一处不符合扣1分。5安全管理长效机制建设1.相关方人员管控情况。1.查阅安全协议中相关方作业人员清单,与“日清日结”报表核对,如有变化,是否履行变更备案手续,施工完成或解雇人员的入厂证应及时废止。一处不符合扣0.2分。52.安全马夹等相关方身份识别相应措施是否有效开展,有无漏洞。一处不符合扣0.1分。5评价项目评价内容评价标准单项总分问题描述得分安全管理长效机制建设2.相关方现场作业安全风险管控情况。1.检查相关方安全生产管理规章制度是否到岗;根据作业需求,员工是否基本掌握制度规定,并认真执行。一处不符合扣0.2-0.5分。52.检查相关方安全风险辨识是否全面、准确,“一件一案”编制是否规范并符合安全风险防控要求,防范措施是否有效落实。一处不符合扣0.5T分。83.危险作业(含动火作业、有限空间作业等)是否执行审批手续,是否采取有针对性的防控措施。一处不符合扣1分。54.相关方作业现场安全管理,检查班组是否组织班前会议进行安全交底,是否落实安全风险及危险源的管控措施,是否落实危险作业旁站监管,是否严格落实“五清五杜绝”要求,检查特种作业人员持证情况。一处不符合扣2分。125.是否对使用的设备及施工机具开展常态化的隐患排查治理,是否明确管理贲任人,检查工作痕迹。一处不符合扣0.2-0.5分。5

展开阅读全文
相关资源
猜你喜欢
相关搜索

当前位置:首页 > 行业资料 > 公共安全/安全评价

copyright@ 2008-2023 1wenmi网站版权所有

经营许可证编号:宁ICP备2022001189号-1

本站为文档C2C交易模式,即用户上传的文档直接被用户下载,本站只是中间服务平台,本站所有文档下载所得的收益归上传人(含作者)所有。第壹文秘仅提供信息存储空间,仅对用户上传内容的表现方式做保护处理,对上载内容本身不做任何修改或编辑。若文档所含内容侵犯了您的版权或隐私,请立即通知第壹文秘网,我们立即给予删除!