文锦路(聚龙路至聚祥街)、聚祥街 (诗锦路至成双大道北段)项目--桥台台帽结构计算书.docx

上传人:p** 文档编号:455255 上传时间:2023-09-01 格式:DOCX 页数:9 大小:198.54KB
下载 相关 举报
文锦路(聚龙路至聚祥街)、聚祥街 (诗锦路至成双大道北段)项目--桥台台帽结构计算书.docx_第1页
第1页 / 共9页
文锦路(聚龙路至聚祥街)、聚祥街 (诗锦路至成双大道北段)项目--桥台台帽结构计算书.docx_第2页
第2页 / 共9页
文锦路(聚龙路至聚祥街)、聚祥街 (诗锦路至成双大道北段)项目--桥台台帽结构计算书.docx_第3页
第3页 / 共9页
文锦路(聚龙路至聚祥街)、聚祥街 (诗锦路至成双大道北段)项目--桥台台帽结构计算书.docx_第4页
第4页 / 共9页
文锦路(聚龙路至聚祥街)、聚祥街 (诗锦路至成双大道北段)项目--桥台台帽结构计算书.docx_第5页
第5页 / 共9页
文锦路(聚龙路至聚祥街)、聚祥街 (诗锦路至成双大道北段)项目--桥台台帽结构计算书.docx_第6页
第6页 / 共9页
文锦路(聚龙路至聚祥街)、聚祥街 (诗锦路至成双大道北段)项目--桥台台帽结构计算书.docx_第7页
第7页 / 共9页
文锦路(聚龙路至聚祥街)、聚祥街 (诗锦路至成双大道北段)项目--桥台台帽结构计算书.docx_第8页
第8页 / 共9页
文锦路(聚龙路至聚祥街)、聚祥街 (诗锦路至成双大道北段)项目--桥台台帽结构计算书.docx_第9页
第9页 / 共9页
亲,该文档总共9页,全部预览完了,如果喜欢就下载吧!
资源描述

《文锦路(聚龙路至聚祥街)、聚祥街 (诗锦路至成双大道北段)项目--桥台台帽结构计算书.docx》由会员分享,可在线阅读,更多相关《文锦路(聚龙路至聚祥街)、聚祥街 (诗锦路至成双大道北段)项目--桥台台帽结构计算书.docx(9页珍藏版)》请在第壹文秘上搜索。

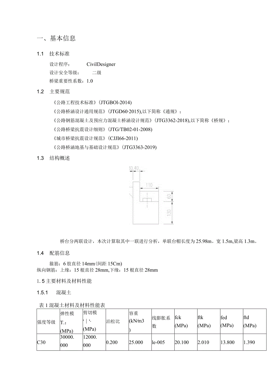
1、文锦路(聚龙路至聚祥街)、聚祥街(诗锦路至成双大道北段)项目桥台台帽结构计算书目录一、基本信息1. 1技术标准1.2 主要规范1.3 结构概述1.4 配筋信息1.5 主要材料及材料性能1.5 .1混凝土1.5.2普通钢筋21.6 计算原则、内容及控制标准2二、模型建立及分析21.1 计算模型21.2 荷载工况及荷载组合2三、持久状况承载能力极限状态43. 1正截面抗弯验算43.1 斜截面抗剪验算43.2 正截面抗压验算53.3 正截面抗拉验算63.4 抗扭验算6四、持久状况正常使用极限状态74. 1裂缝宽度验算7一、基本信息1.1 技术标准设计程序:CivilDesigner设计安全等级:二级

2、桥梁重要性系数:1.01.2 主要规范公路工程技术标准(JTGBOl-2014)公路桥涵设计通用规范(JTGD602015),以下简称通规;公路钢筋混凝土及预应力混凝土桥涵设计规范(JTG3362-2018),以下简称桥规;公路桥梁抗震设计细则(JTG/TB02-01-2008)城市桥梁抗震设计规范(CJJI66-2011)公路桥涵地基与基础设计规范(JTG3363-2019)1.3 结构概述桥台分两联设计,本次计算取其中一联进行分析,单联台帽长度为25.98m。宽1.5m,梁高1.3m。1.4 配筋信息箍筋:6肢直径14mm(间距15Cm)纵向钢筋:上缘:15根直径28mm,下缘:15根直径

3、28mm1.5主要材料及材料性能1.5.1 混凝土表1混凝土材料及材料性能表强度等级弹性模T.:(MPa)剪切模(MPa)泊松比容重(kNm3)线膨胀系数fck(MPa)ftk(MPa)fed(MPa)ftd(MPa)C3030000.00012000.0000.20025.000le-00520.1002.01013.8001.3901.5.2 普通钢筋表2普通钢筋材料及材料性能表普通钢筋弹性模量 (MPa)容重(KNm3)HRB300210000. 00076. 980HRB400200000. 00076. 980HRBF400200000. 00076. 980RRB400200000

4、. 00076. 980HRB500200000. 00076. 980fsk(MPa)fsd(MPa)f, sd(MPa)300. 000250. 000250. 000400. 000330. 000330. 000400. 000330. 000330. 000400. 000330. 000330. 000500. 000415. 000400. 000L6计算原则、内容及控制标准计算书中将采用midasCivilDeSigner对桥梁进行设计,并以公路桥涵设计通用规范(JTGD602015)和公路钢筋混凝土及预应力混凝土桥涵设计规范(JTG33622018)为标准,按部分预应力(A类

5、)混凝土结构进行验算。二、模型建立及分析2.1 计算模型图1模型视图1)节点数量:78个;2)单元数量:72个;3)边界条件数量:I个;2.2荷载工况及荷载组合1)自重自重系数:-1.052)徐变收缩收缩龄期:3.0天;理论厚度自动计算:由程序自动计算各构件的理论厚度。公式为:h=aAcu;u=Lo+aLi;-周长U的计算公式中LO为外轮廓周长,Li为内轮廓周长,a为要考虑轮廓周长的比例系数。3)荷载组合表3荷载工况序号工况名称描述11MCRL2上部结构梁重Dl3自重D4铺装D2荷载组合列表:基本1:基本;1.200(D)+1.200(D1)+1.200(D2);基本2:基本;1.200(D)

6、+1.200(D1)+1.200(D2)+1.800(MCRL);基本3:基本;LOoO(D)+1.000(Dl)+1.000(D2);基本4:基本;1.000(D)+l.000(D1)+1.000(D2)+1.800(MCRL);频遇1:频遇;LOOo(D)+LOOO(Dl)+1.000(D2)+0.700(MCRL);准永久1:准永久;1.OOO(D)+1.000(D1)+1.000(D2)+0.400(MCRL);应力1:标准;1.OOO(D)+1,000(D1)+1.000(D2)+1.OOO(MCRL);倾覆I:倾覆;1.OOO(D)+1.000(D1)+1.000(D2);倾覆2:

7、倾覆;1.000(D)+1.000(Dl)+1.000(D2)+1.800(MCRL);倾覆3:倾覆;1.OOO(D)+1.000(D1)+1.000(D2);倾覆4:倾覆;1.000(D)+l.000(D1)+1.0(D2)+1.0(MCRL);三、持久状况承载能力极限状态3.1 正截面抗弯验算Nwat即构件烟越始点昭累(E)rMu(Mv) 一 Mn(包XMIX) - rMw(MO - Mn(teXMn)图表1持久状况正截面抗弯验算包络图结论:按照桥规第5.1.2-1条0SR验算,结构的重要性系数*作用效应的组合设计最大值构件承载力设计值,满足规范要求;32斜截面抗剪验算zws3208 88

8、93-3208.8893-641 77786-5678910 11 12 13 14 15 16 17 18 19 20 21 22 23 24 25-rVd(Y-Mc)VnCAMaX)-rVd(Y-)一M(Y-Mn)图表2持久状况斜截面抗剪验算(Y方向)包络图zw-3180 2838- 045678 10 11 12 13 14 15 16 17 18 19 20 21 22 23 24 25Vh(Z-Mn)rVd(ZMax) Vh(Z-Mec) rVd(Z-)图表3持久状况斜截面抗剪验算(Z方向)包络图结论:按照桥规第5.1.2-1条0SR验算,结构的重要性系数*作用效应的组合设计最大值构

9、件承载力设计值,满足规范要求;按照桥规第5.2.11条进行抗剪截面验算,满足规范要求;3.3 正截面抗压验算Ss图表4持久状况正截面抗压验算(RC梁)包络图结论:按照桥规第5.1.2-1条公式YOSWR验算,结构的重要性系数*作用效应的组合设计最大值构件承载力设计值,满足规范要求;3. 4正截面抗拉验算-20 9881- 0744 6761591 543263456789 10 11 12 13 14 15 16 17 18 19 20 21 22 23 24 25施构件匆起始点隹离(m)rNdNn图表5持久状况正截面抗拉验算(RC梁)包络图结论:按照桥规第5.1.5-I条公式YOSWR验算,

10、结构的重要性系数*作用效应的组合设计最大值构件承载力设计值,满足规范要求;3.5 抗扭验算43W986131 54958-219 24932345678910111213141516171819202122232425施佝件组起始立花鹿(向-rYd-Tn(Mac)-三Tn(Mn)图表6持久状况抗扭验算(扭矩)包络图3498 3123498 3122098 9872699 6624-699 6624-2098 987223456789 10 11 12 13 14 15 16 17 18 19 20 21 22 23 24 25心佝件俎起始点距篇(m).rVdVn(Max)Vh(Min)图表7持久状况抗扭验算(剪力)包络图结论:按照桥规第5.1.2-1条公式YOSWR验算,结构的重要性系数*作用效应的组合设计最大值构件承载力设计值,满足规范要求;按照桥规第5.5.3条进行截面验算,满足规范要求;四、持久状况正常使用极限状态4.1裂缝宽度验算028 9 10 11 12 13 14 15 16 17 18 19 20 21 22 23 24 2S距构件组起始点距离m-W-AC图表8使用阶段裂缝宽度验算包络图结论:按照桥规第6.4条验算:最大裂缝宽度为Wfk=0.058mmW裂缝宽度允许值0.20Omm,满足规范要求;

展开阅读全文
相关资源
猜你喜欢
相关搜索

当前位置:首页 > 建筑/环境 > 设计及方案

copyright@ 2008-2023 1wenmi网站版权所有

经营许可证编号:宁ICP备2022001189号-1

本站为文档C2C交易模式,即用户上传的文档直接被用户下载,本站只是中间服务平台,本站所有文档下载所得的收益归上传人(含作者)所有。第壹文秘仅提供信息存储空间,仅对用户上传内容的表现方式做保护处理,对上载内容本身不做任何修改或编辑。若文档所含内容侵犯了您的版权或隐私,请立即通知第壹文秘网,我们立即给予删除!