炉窑砌筑工程工程量清单项目及计算规则.docx

上传人:p** 文档编号:455773 上传时间:2023-09-01 格式:DOCX 页数:5 大小:27.82KB
下载 相关 举报
炉窑砌筑工程工程量清单项目及计算规则.docx_第1页
第1页 / 共5页
炉窑砌筑工程工程量清单项目及计算规则.docx_第2页
第2页 / 共5页
炉窑砌筑工程工程量清单项目及计算规则.docx_第3页
第3页 / 共5页
炉窑砌筑工程工程量清单项目及计算规则.docx_第4页
第4页 / 共5页
炉窑砌筑工程工程量清单项目及计算规则.docx_第5页
第5页 / 共5页
亲,该文档总共5页,全部预览完了,如果喜欢就下载吧!
资源描述

《炉窑砌筑工程工程量清单项目及计算规则.docx》由会员分享,可在线阅读,更多相关《炉窑砌筑工程工程量清单项目及计算规则.docx(5页珍藏版)》请在第壹文秘上搜索。

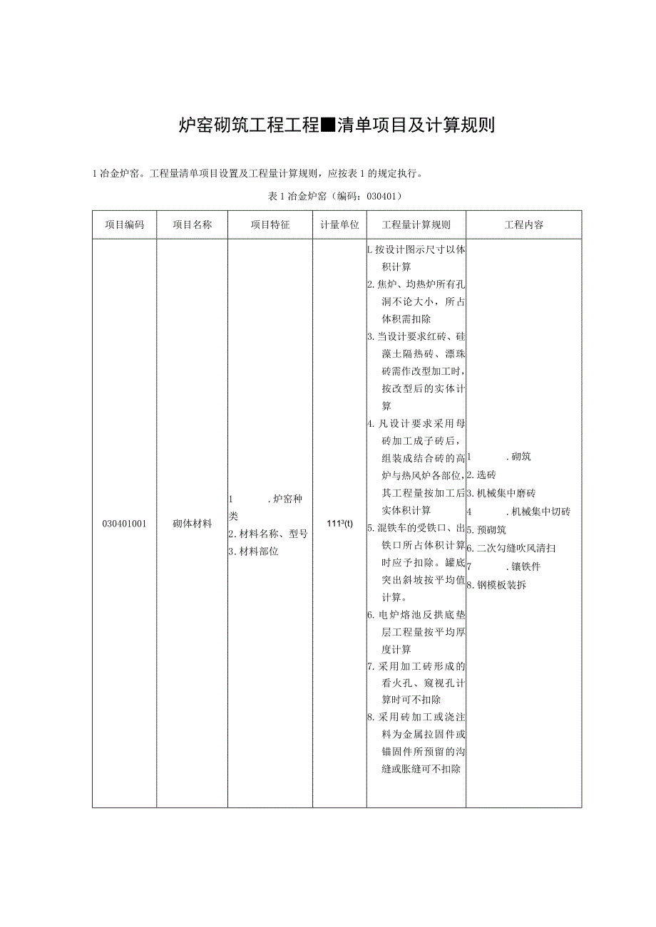
1、炉窑砌筑工程工程清单项目及计算规则1冶金炉窑。工程量清单项目设置及工程量计算规则,应按表1的规定执行。表1冶金炉窑(编码:030401)项目编码项目名称项目特征计量单位工程量计算规则工程内容030401001砌体材料1 .炉窑种类2 .材料名称、型号3 .材料部位1113(t)L按设计图示尺寸以体积计算2 .焦炉、均热炉所有孔洞不论大小,所占体积需扣除3 .当设计要求红砖、硅藻土隔热砖、漂珠砖需作改型加工时,按改型后的实体计算4 .凡设计要求采用母砖加工成子砖后,组装成结合砖的高炉与热风炉各部位,其工程量按加工后实体积计算5 .混铁车的受铁口、出铁口所占体积计算时应予扣除。罐底突出斜坡按平均值

2、计算。6 .电炉熔池反拱底垫层工程量按平均厚度计算7 .采用加工砖形成的看火孔、窥视孔计算时可不扣除8 .采用砖加工或浇注料为金属拉固件或锚固件所预留的沟缝或胀缝可不扣除1 .砌筑2 .选砖3 .机械集中磨砖4 .机械集中切砖5 .预砌筑6 .二次勾缝吹风清扫7 .镶铁件8 .钢模板装拆表2有色金属炉窑(编码:030402)项目编码项目名称项目特征计量单位工程量计算规则工程内容030402001砌体材料L炉窑种类2 .材料名称、型号3 .材料部位1 .按设计图示尺寸以体积计算2 .铝电解槽炭块组制作,应按浇注磷生铁或捣打底糊的净重计算(不包括炭块和钢棒质量)3 .铝电解槽阴极炭块安装,按成品炭

3、块(主铳燕尾槽)的净重计算4 .铝电解槽捣打底糊,包括垫缝及槽延板以及侧部炭块之间缝内的用量5 .铝电解槽侧部炭块和角部炭块如采用毛坯加工,计算中只计加工后成品部分质量6 .铝电解槽阳极注型计算包括阳极糊的注型和腻缝1 .砌筑2 .选砖3 .机械集中磨砖4 .机械集中切砖5 .预砌筑6 .捣打底糊缝垫7 .钢棒砂洗8 .方钢加工9 .浇注磷生铁10 .底部糊连接11 .阳极注型12 .铝壳制作、安装13 .铺钢极14 .石墨阳极预制、浸渍、安装15 .分层烘干16 .磷酸浸渍3化工炉窑。工程量清单项目设置及工程量计算规则,应按表3的规定执行表3化工炉窑(编码:030403)项目编码项目名称项目

4、特征计量单位工程量计算规则工程内容030403001砌体材料L炉窑种类2 .材料名称、型号3 .材料部位mj1 .按设计图示尺寸以体积计算2 .拉钩砖砖槽内,无论是否放置金具,在计完时均不扣除3 .内衬采用耐火纤(板)层铺式结构时,其边缘搭接缝按设计要求计算4 .氧化铝空心球结构应按设计图示尺寸计算体积后再按容重折算工程量1 .砌筑2 .选砖3 .机械集中磨砖4 .机械集中切砖5 .预砌筑6 .金具制作、安装表4建筑工业炉窑(编码:030404)项目编码项目名称项目特征计量单位工程量计算规则工程内容030404001砌体材料L炉窑种类2 .材料名称、型号3 .材料部位m3按设计图示尺寸以体积计

5、算L砌筑2 .选砖3 .机械集中磨砖4 .机械集中切砖5 .预砌筑5其他专业炉窑。工程量清单项目设置及工程量计算规则,应按表5的规定执行。表5其他专业炉窑(编码:030405)项目编码项目名称项目特征计量单位工程量计算规则工程内容030405001砌体材料L炉窑种类2 .材料名称、型号3 .材料部位m3(t)1 .按设计图示尺寸以体积计算2 .连续式直立炉炉体所有孔洞不论大小所占体积在计算时都必须扣除L砌筑2 .选砖3 .机械集中磨砖4 .机械集中切砖5 .预砌筑6 .二次勾缝吹风清扫7 .镶铁件8 .刷浆、刷红土9 .特种泥浆沟缝6般工业炉窑。工程量清单项目设置及工程量计算规则,应按表6的规

6、定执行表6TnW窑(编53:030406)项目编码项目名称项目特征计量单位工程量计算规则工程内容030406001砌体材料I.炉窑种类2 .材料名称、型号3 .材料部位mj(t)按设计图示尺寸以体积计算1 .砌筑2 .选砖3 .机械集中磨砖4 .机械集中切砖5 .预砌筑表7不定形耐火材料(编码:030407)项目编码项目名称项目特征计量单位工程量计算规则工程内容030407001现浇耐火(隔热)浇注料浇注1.浇注材料2.浇注部位3.浇注厚度ms按设计图示尺寸以体积计算1 .浇注料浇注2 .模板装、拆3 .特殊养护4 .埋设钢筋5 .铺挂钢丝网030407002耐火捣打料捣打L捣打材料2.捣打方

7、式3.压缩比要求1.耐火捣打料捣打2 .模板装、拆3 .特殊养护030407003耐火可塑料捣打1.捣打材料3.捣打部位1 .耐火可塑料捣打2 .模板装、拆3 .特殊养护4 .表面修整030407004耐火喷涂料喷涂1 .喷涂材料2 .喷涂部位3 .喷涂厚度4 .喷涂直径m按设计图示喷涂接触面积计算耐火喷涂料喷涂030407005人工涂抹不定形耐火材料1.涂抹材料2.涂抹厚度按设计图示涂抹面积计算耐火材料涂抹030407006耐火(隔热)浇注料制品预制1.材质2.质量m5按设计图示尺寸以体积计算1.预制2 .模板装、拆3 .特殊养护030407007耐火(隔热)浇注料预制块安装L制品种类2.砌

8、筑泥浆安装表8辅助项目(编码:030408)项目编码项目名称项目特征计量单位工程量计算规则工程内容030408001抹灰L抹灰材料2.抹灰部位m2按设计图示尺寸以面积计算抹灰030408002涂抹料涂抹涂抹材料涂抹030408003填料填充填充材料m3按设计图示尺寸以体积计算充填030408004灌浆灌浆材料L灌注2.压注030408005贴挂高温(隔热)板(毡)I.贴挂材料2 .贴挂部位3 .贴挂厚度n2按设计图示尺寸以面积计算贴挂板(毡)030408006缠石棉绳石棉绳直径m按设计图示尺寸以长度计算缠石棉绳030408007叠砌耐火纤维模块1 .供货状态(成品或半成品)2 .连接方法m3按设计图示尺寸以体积计算叠砌030408008炉窑金具件制作、安装材质kg按设计图示尺寸以质量计算制作、安装9其他相关问题,应按下列规定处理:1”炉窑筑工程”适用于各种炉窑而火与隔热砌体工程(其中蒸汽锅炉只限于蒸发量75th以内的中、小型蒸汽锅炉工程)、不定型耐火材料内衬工程。2凡涉及到土方开挖、回填、运输,应按附录A的相关项目编码列项。3除另有说明外,工程量计算时不扣除下列情况构成的体积:1)小于25mm的膨胀缝所占体积。2)断面积小于0.02m2的孔洞。3)断面积小于0.06m、长度(或深度)不超过Im的孔洞。4)炉门喇叭口的斜坡。5)墙根叉处的小斜坡。

展开阅读全文
相关资源
猜你喜欢
相关搜索

当前位置:首页 > 行业资料 > 国内外标准规范

copyright@ 2008-2023 1wenmi网站版权所有

经营许可证编号:宁ICP备2022001189号-1

本站为文档C2C交易模式,即用户上传的文档直接被用户下载,本站只是中间服务平台,本站所有文档下载所得的收益归上传人(含作者)所有。第壹文秘仅提供信息存储空间,仅对用户上传内容的表现方式做保护处理,对上载内容本身不做任何修改或编辑。若文档所含内容侵犯了您的版权或隐私,请立即通知第壹文秘网,我们立即给予删除!