超前地质预报(地质雷达法)施工作业指导书.docx

上传人:p** 文档编号:463568 上传时间:2023-09-06 格式:DOCX 页数:9 大小:100.29KB
下载 相关 举报
超前地质预报(地质雷达法)施工作业指导书.docx_第1页
第1页 / 共9页
超前地质预报(地质雷达法)施工作业指导书.docx_第2页
第2页 / 共9页
超前地质预报(地质雷达法)施工作业指导书.docx_第3页
第3页 / 共9页
超前地质预报(地质雷达法)施工作业指导书.docx_第4页
第4页 / 共9页
超前地质预报(地质雷达法)施工作业指导书.docx_第5页
第5页 / 共9页
超前地质预报(地质雷达法)施工作业指导书.docx_第6页
第6页 / 共9页
超前地质预报(地质雷达法)施工作业指导书.docx_第7页
第7页 / 共9页
超前地质预报(地质雷达法)施工作业指导书.docx_第8页
第8页 / 共9页
超前地质预报(地质雷达法)施工作业指导书.docx_第9页
第9页 / 共9页
亲,该文档总共9页,全部预览完了,如果喜欢就下载吧!
资源描述

《超前地质预报(地质雷达法)施工作业指导书.docx》由会员分享,可在线阅读,更多相关《超前地质预报(地质雷达法)施工作业指导书.docx(9页珍藏版)》请在第壹文秘上搜索。

1、超前地质预报(地质雷达法)施工作业指导书1 .适用范围适用于XX隧道工程超前地质预报(地质雷达法)作业。2 .作业准备2.1 施工前应充分掌握隧道设计图纸及相关文件内容,并及时与现场进行核对,以确定合适的超前地质预报方法并配备相应机具设备。根据施工图设计要求及现场实际情况做好超前地质预报作业技术交底。1.1 2熟悉铁路隧道超前地质预报技术规程(Q/CR9217-2015),业主下发有关超前地质预报的管理办法等文件要求。1.3 将隧道超前地质预报工作纳入正常的施工工序管理,建立完善的信息收集和信息反馈系统。1.4 熟悉了解已有勘察资料,掌握掌子面所处地段的地层岩性、构造特征、不良地质及水文地质特

2、征。1.5 熟悉了解其他预报手段探测成果,分析判断掌子面所处地段工程地质与水文地质特征可能出现的差异(与勘察成果比较)。3 .技术要求4 .1技术指标3.1.1 地层岩性预报,特别是针对软弱夹层、破碎地层及特殊岩土的预测预报。3.1.2 地质构造预报,特别是针对断层、节理密集带、褶皱轴等影响岩体完整性的构造发育情况的预测预报。3.1. 3不良地质预报,特别是针对瓦斯等发育情况的预测预报。3. 1.4地下水预测预报,特别是针对富水断层、富水褶皱轴、富水地层中的裂隙水等发育情况的预测预报。4. 2技术标准3.2. 1探明断层的性质、产状、富水情况、在隧道中的分布位置、断层破碎带的规模、物质组成等,

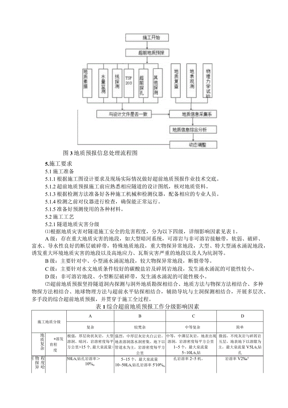
3、并分析其对隧道的危害程度。3. 2.2测定瓦斯含量、瓦斯压力、涌出量、瓦斯放散初速度等,评价隧道瓦斯严重程度及对工程的影响,提出技术措施建议等。4.施工程序与工艺流程4. 1施工程序施工程序详见图I04. 2工艺流程5. 流程详见图2、图3。图1隧道超前地质预报工作程序框图图2超前地质预报实施流程图图3地质预报信息处理流程图5.施工要求5.1施工准备5.1.1根据施工图设计要求及现场实际情况做好超前地质预报作业技术交底。5.1.2超前地质预报施工前应熟悉相应隧道的设计图纸,核对地质资料。5.1.3根据检测方法准备好各种施工机械和检测仪器,配备相应的专业人员。5.1.4检测之前对仪器进行检查,确

4、保能正常运行。5.1.5准备好预测使用的各种材料。5.2施工工艺5.2.1隧道地质灾害分级根据地质灾害对隧道施工安全的危害程度,分为以下四级,详细影响因素见表1。A级:存在重大地质灾害的地段,如大型暗河系统,可溶岩与非可溶岩接触带,软弱、破碎、富水、导水性良好的断层破碎带,特殊地质地段,重大物探异常地段,大型、特大型涌水涌泥地段,诱发重大环境地质灾害的地段以及高地应力、瓦斯灾害严重的地段以及人为坑洞等。B级:主要针对中、小型涌水涌泥地段,较大物探异常地段,断裂带等。C级:主要针对水文地质条件较好的碳酸盐岩及碎屑岩地段,发生涌水涌泥的可能性较小。D级:非可溶岩地段、小型断层破碎带,发生涌水涌泥的

5、可能性极小。超前地质预报坚持隧道洞内探测与洞外地质勘探相结合、地质方法与物探方法相结合、多种物探方法相结合、地球物理方法与超前水平钻探相结合,辅助导坑与主洞探测相结合,开展多层次、多手段的综合超前地质预报,并贯穿于施工全过程。表1综合超前地质预报工作分级影响因素施工地质分级ABCD复杂较梵杂中等复杂简单地质复杂*溶发育程度极强,厚层块状灰岩,大型溶洞、暗河,岩溶密度每平方公里15个,最大泉流量强烈,中厚层灰岩夹白云岩,地表溶洞落水洞密集、地下以管道水为主,岩溶密度每平方公里中等,中薄层灰岩,地表出现溶洞,岩溶密度每平方公里15个,最大泉流量510Ls,钻微弱,不纯灰岩与碎屑岩互层,地表地下以溶

6、隙为主,最大泉流量V5Ls,钻孔程度哈物探异制50Ls,钻孔岩溶率10%o515个,最大泉流量1050Ls,钻孔岩溶率510%o孔岩溶率25机。岩溶率V2涌水涌泥程度特大(日出水10万t以上)、大型突水(日出水10万t)、突泥,高水压。中小型突水(日出水1000l万t)突泥。小型涌水(日出水1001000t)涌泥。日出水小于100t涌突水可能性极小。断层稳定程度大型断层破碎带、自稳能力差、富水,可能引起大型失稳坍塌。中型断层带,软弱,中、弱富水,可能引起中型坍塌。中小型断层,弱富水,可能引起小型坍塌。中小型断层,无水,掉块。地应力影响程度高应力,严重岩爆(拉森斯判据V0.083,即岩石点荷载强

7、度与囤岩最大切向应力的比值),大变形。高应力,中等岩爆(拉森斯判据0.0830.15),中弱变形。弱岩爆(拉森斯判据0.150.20),轻微变形。无岩爆(拉森斯判据0.20),无变形。斯响瓦影程瓦斯突出:煤的破坏类型为In(强烈破坏煤)、N(粉碎煤)、V(全粉煤)类,瓦斯放散初速度N10,煤的坚固系数0.5,瓦斯压力20.74MPa。高瓦斯:全工区的瓦斯涌出量20.Sm/Inino低瓦斯:全工区的瓦斯涌出量V0.5m-7ino无。(地质因素)对隧道施工影响程度危及施工安全,可能造成重大安全事故。存在安全隐患。可能存在安全问题。局部可能存在安全问题。诱发环境问题的程度可能造成重大环境灾害。施工、

8、防治不当,可能诱发般环境问题。特殊情况卜.可能出现一般环境问题。无。分级预报方式A级预报:采用地质素描、地震反射波法(TSP、TGP等)、地质雷达、超前水平钻探、加深炮孔等手段综合预测。首先以长距离地震反射波法进行预测,同时中长距离的超前钻探探查和短距离的雷达探测,每一个开挖循环,都进行加深炮孔探测。B级预报:采用地质素描,地震反射波法,辅以地质雷达,进行必要的单孔超前水平钻和加深炮孔探测。当发现局部地段较复杂时,则按A级要求实施。C级预报:以地质素描为主。对重要的地质(层)界面、断层或物探异常可采用地震反射波法进行探明,必要时单孔超前钻探。D级预报:采用地质素描、辅以加深炮孔。5.2.2超前

9、地质预报(地质雷达)方案严格按照超前地质预报方案实施,科学组织,正确处理施工进度与超前预报工作的关系。当施工进度与超前预报发生矛盾时,施工必须为超前预报让路,以避免盲目施工,确保超前预报实施,并起到指导施工的作用。超前预报人员应能正确使用物探仪器设备,并具备判译、预报能力。参与超前预报工作的单位应按要求配备预测预报人员与超前探测仪器设备。开展物探预报方法时,各架子队应予以配合,提供条件。当发现具有涌(突)水、涌(突)泥(砂),等大型地质灾害时,参建各方应及时共同研究分析、提出处理方案及措施意见。5.2.3超前地质预报的内容和方法超前地质预报的目的是根据隧道围岩地质复杂程度分级,采用一定的预报技

10、术手段来确定隧道施工掌子面前方及周围可能发生突(涌)水(泥)、塌方、掉块、冒顶、放射性等地质灾害风险源的位置、规模、性质、发育特征、强度、影响范围等;对于岩溶隧道,还应对底板的岩溶发育情况以及岩溶水的赋存规模以及压力进行预测。根据预测与预报的结果,建立灾害应急处理方案与薄弱地段的施工方案,为隧道工程施工方案的制订与风险防范提供动态可靠的依据,确保隧道施工地质风险安全可控。超前地质预报工作内容包括:超前地质预报;施工围岩分级及稳定性评价;灾害评估及防治工程措施建议3项内容。超前地质预报超前地质预报是隧道施工地质工作最主要的工作内容。其工作分为:既有资料收集;地质调查;洞内外水文调查;监测测试;超

11、前地质预测;综合超前预报和成灾警报等五项任务。既有资料收集既有资料和相关地质成果的收集和分析,对存疑虑的相关重大地质问题和地段,必要时进行踏勘和补充恰当的地质工作。地质调查:超前地质预报最基础的工作,其主要内容包括:A.地质观察a.地层岩性一一地层时代划分,岩组划分,岩石划分,岩体性态,切割程度,围岩等级等。b.断层一一断层性质、位置、产状、破碎带宽度及构造岩划分,断层岩体的围岩级别划分及稳定性评价。断层坍方的地质原因,是地质观察的重点。c.贯穿性节理一一产状、密度、宽度、延伸情况,节理面特征、力学性质。分析判断组合特征、岩体完整性程度,控制局部坍方的构造内因。B.岩溶调查:岩溶规模(形态)、

12、位置(洞体里程)、所属地层和构造部位,充填物(成分、状态)、洞体展布的空间关系。洞内外水文调查A.洞内水文调查a.涌水点(处)调查空间:层位、构造部位、洞围分布,含水体分布;时间:点(处)间的时效关系;制约:制约因素、补给来源、途径、连通关系。b.涌水量预测:实用量测:反映瞬时特征和短期变化特征;长期观测:反映长期变化特征和动态特征;涌水量预测;c.水质水压测试:包括水压、水温、水色、含泥沙量测定;d.危害评估B.洞外水文调查a.气象观测。b.重要排泄点、径流点长期观测;c.相关岩溶水文地质及环境水文地质调查调绘:相关岩溶水文调绘、地表坍方、变形调查;试验:同位素、示踪等;水质。超前地质预测A

13、.预测方法超前物探预测法:包括地震反射波法、地质雷达;超前钻孔预测法:包括超前水平钻孔、加深炮孔。B.预测有效距离长距离超前地质预测:其预报距离为100150m。以地震反射波法为主结合地面地质工作综合预报。短距离超前地质预测:其预报距离为1530m以内。是在长距离超前地质预报的基础上,以地质雷达、58孔5m加深炮孔和30m超前钻孔为手段并结合掌子面地质素描工作综合预报。中长距离超前预测:其预报距离为30100nb是在长距离超前地质预测的基础上,针对较大物探异常,以30IoOm超前钻孔为手段并结合掌子面地质素描工作综合预报。综合超前预报和成灾警报A.综合超前预报内容地层、完整性及含水情况;断层及

14、富水情况;大型岩溶及富水情况;暗河。B.超前地质灾害警报内容大型塌方;涌水涌泥;C.预报灾害警报方法资料综合分析法;不良地质前兆预测法;地质灾害发生可能性判断法。施工围岩分级和围岩稳定性评价围岩稳定性评价一般分为稳定性初步评价和长期稳定性评价。施工围岩分级,根据地质调查和物探预报资料确定岩石坚硬程度、完整性,并根据岩体含水情况划分施工阶段围岩分级。围岩稳定性评价:根据施工围岩分级、掌子面稳定状态,综合评价围岩稳定性。根据软弱不利结构面楔体稳定性分析,评价围岩局部稳定性,预报拱顶掉块、侧壁片帮等灾害。灾害评估、防治工程措施建议灾害评估内容:包括超前地质预报、围岩稳定性评价和隧底岩溶探查所反映的大

15、型坍方、涌水涌泥、软岩变形、围岩稳定性、隧底岩溶坍塌等方面。灾害评估方法:参照表1地质灾害分级简表中地质复杂程度,诱发环境问题的程度和结合工程特征评价各类灾害对隧道施工安全、质量、工期、环境的危害评估。防治工程措施建议:以设计资料为基础,根据综合预报的地质条件,从地质的角度出发,针对不同地质条件和地质灾害及其危害程度,提出安全可行的处理措施建议。5.3超前地质预报(地质雷达)方法测试技术要求地质雷达法主要用于岩溶探测、断层破碎带、软弱夹层等不均匀地质体或者其它含水地质体的探测。5.3.1探测目的体与周边介质之间应存在明显介电常数差异,电磁波反射信号特征明显;探测目的体具有足以被探测的规模;不能探测极高电导屏蔽层下的目的体或目的层;测区附近不能有大范围的金属构件、焊接施工或无线电发射等较强的电磁波干扰。5.3.2地质雷达法预报距离:在

展开阅读全文
相关资源
猜你喜欢
相关搜索

当前位置:首页 > 行业资料 > 矿业工程

copyright@ 2008-2023 1wenmi网站版权所有

经营许可证编号:宁ICP备2022001189号-1

本站为文档C2C交易模式,即用户上传的文档直接被用户下载,本站只是中间服务平台,本站所有文档下载所得的收益归上传人(含作者)所有。第壹文秘仅提供信息存储空间,仅对用户上传内容的表现方式做保护处理,对上载内容本身不做任何修改或编辑。若文档所含内容侵犯了您的版权或隐私,请立即通知第壹文秘网,我们立即给予删除!