齿轮加工机床保养标准.docx

上传人:p** 文档编号:464042 上传时间:2023-09-06 格式:DOCX 页数:14 大小:48.53KB
下载 相关 举报
齿轮加工机床保养标准.docx_第1页
第1页 / 共14页
齿轮加工机床保养标准.docx_第2页
第2页 / 共14页
齿轮加工机床保养标准.docx_第3页
第3页 / 共14页
齿轮加工机床保养标准.docx_第4页
第4页 / 共14页
齿轮加工机床保养标准.docx_第5页
第5页 / 共14页
齿轮加工机床保养标准.docx_第6页
第6页 / 共14页
齿轮加工机床保养标准.docx_第7页
第7页 / 共14页
齿轮加工机床保养标准.docx_第8页
第8页 / 共14页
齿轮加工机床保养标准.docx_第9页
第9页 / 共14页
齿轮加工机床保养标准.docx_第10页
第10页 / 共14页
亲,该文档总共14页,到这儿已超出免费预览范围,如果喜欢就下载吧!
资源描述

《齿轮加工机床保养标准.docx》由会员分享,可在线阅读,更多相关《齿轮加工机床保养标准.docx(14页珍藏版)》请在第壹文秘上搜索。

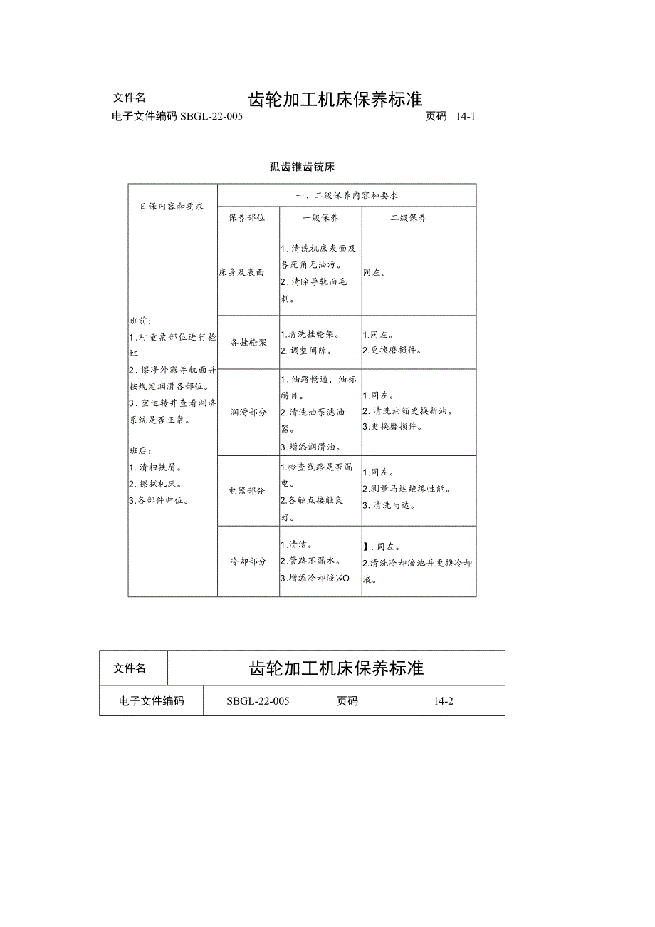
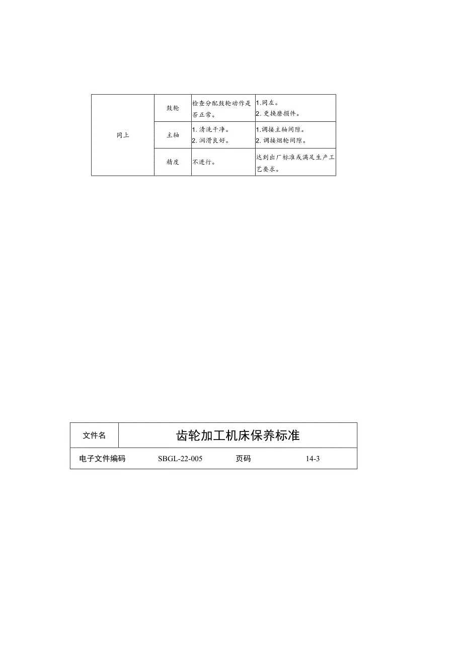
1、文件名齿轮加工机床保养标准电子文件编码SBGL-22-005页码14-1孤齿锥齿铳床日保内容和要求一、二级保养内容和要求保养部位一级保养二级保养班前:1 .对童票部位进行检虹2 .擦净外露导轨面并按规定润滑各部位。3 .空运转井查看洞济系统是否正常。班后:1 .清扫铁屑。2 .擦拭机床。3 .各部件归位。床身及表面1 .清洗机床表面及各死角无油污。2 .清除导轨面毛刺。同左。各挂轮架1.清洗挂轮架。2.调整间隙。1.同左。2.更换磨损件。润滑部分1 .油路畅通,油标酹目。2 .清洗油泵滤油器。3 .增添润滑油。1 .同左。2 .清洗油箱更换新油。3 .更换磨损件。电器部分1.检查线路是否漏电。

2、2.各触点接触良好。1 .同左。2 .测量马达绝缘性能。3 .清洗马达。冷却部分1 .清洁。2 .管路不漏水。3 .增添冷却液O】.同左。2.清洗冷却液池并更换冷却液。文件名齿轮加工机床保养标准电子文件编码SBGL-22-005页码14-2同上鼓轮检查分配鼓轮动作是否正常。1 .同左。2 .更换磨损件。主轴1 .清洗干净。2 .润滑良好。1 .调接主轴间隙。2 .调接烟轮间隙。精度不进行。达到出厂标准或满足生产工艺要求。文件名齿轮加工机床保养标准电子文件编码SBGL-22-005页码14-3伞齿轮刨床日保内容和要求一、二级保养内容和要求保养部位一级保养二级保养班前:1 .对支要部位进行检查。2

3、 .磨净外露导轨面并按规定润滑各部位。3 .空运转井查看涧滑系统是否正常。班后:1 .清扫铁屑2 .擦拭机床。3 .各部归位。床身及表面1 .拆下皮带罩和防尘罩,擦洗机床各死角。2 .清除导就面毛刺疤痕C同左。主传动箱及分齿轮1 .润滑良好。2 .油量充足。1 .检查调整清洗箱内各另件,更换磨损件。2 .提.出下次二级保养所需备品配件。利刀架部分调整央条与导就面间隙为0.03-0.04毫米。1 .同左。2 .对磨损的创刀架进行刮研后调整间隙。交换齿轮架1 .拆卸、清洗交换齿轮架并清除毛刺。2 .修复或更换磨损件。同左。润滑部位各油管、油孔、油毛线、油毡清洗干净,各油路帧通整齐牢固。同左。冷却部

4、位1 .清洗冷与槽、冷却泵过法网。2 .更换冷却液。同左。精度不进行。达到出厂标准或满足生产工艺要求。文件名齿轮加工机床保养标准电子文件编码SBGL-22-005页码14-4滚齿机日保内容和要求一、二级保养内容和要求保养部位一级保养二级保养班前:1 .对机床各重要部位进行检查。2 .擦净外露导轨面并按规定润滑各部位。3 .空运转井查看润滑系统是否正常。班后:1 .清扫铁屑2 .擦拭机床。3 .各部归位。床身及表面1 .清洗机床表面及死角,做到漆见本色铁见光。2 .清除导就面毛刺。同左。主轴变速箱及进给机构1 .各操作手柄委求灵活可靠,应补齐手柄、手球。2 .清洗分齿机构、进刀挂轮、差动挂轮套及

5、挂轮架。】.同左。2.检查传动系统,更换磨损件,清除隐患。主柱及外支架1 .清洗垂直丝杆,要求手动升降时灵活无阻。2 .轼紧机构,必须牢固可靠。3 .清洗刀杆、轴套、滑动轴承。】.同左。2 .清洗调整像条间原,要求0.04毫米。3 .检查传动系统。文件名齿轮加工机床保养标准电子文件编码SBGL-22-005页码14-5同上工作台1 .检查环行导轨面和分度烟轮付的泄滑油管,要保证畅通。2 .移动工作台的锁紧机构必须牢固可靠,否则应修Io1 .同左。2 .清除工作台表面毛刺,检查分度期轮付的磨损及润滑精况。润滑系统清洗各油槽、油孔、油线、油毡,要求油路畅通,油标醒目,按规定加油,油毡有效。同左。冷

6、却系统疥洗冷却泵及过滤器及时更换冷却液。同左。电器部分1 .擦拭电动机清扫电器箱。2 .检查各电器接触点要求安全可余。1 .同左,并更换和修理损坏电器原件。2 .清理和调整设备的仪器仪表。3 .更换电机涧滑脂。精度检查不进行。进行主要的精度检查和刮研,调整并使其达到精度要求。文件名齿轮加工机床保养标准电子文件编码SBGL-22-005页码14-6剃齿机、珀齿机日保内容和要求一、二级保养内容和要求保养部位一级保养二级保养班前:1 .对重要部位进行检查。2 .擦净外露导就面并按规定涧滑各部位。3,空运转并查看泗滑系统是否正常。班后:1 .清扫铁屑2 .擦拭机床。3 .各部归位。床身及表面1 .擦洗

7、机床表面及死角、无油污.脱黄袍。2 .清除导轨面毛刺疤痕。同左。床头部分润滑良好,油量充是。1 .检查、调整清洗各部位,更换或修复磨损件2 .提出下次二级保养用备件。顶尖座及工作台清洗加油。L检查导轨、工作台面、顶尖套,去毛刺。2.更换或修复磨损件。往复行程端及径向进给箱清洗换油。1 .清洗换油U2 .调整间隙,传动无窜动.松紧适当。各操作手柄灵活可靠,定位准确。1.同左。2.检查手柄松动程度,进行修复或更换。文件名齿轮加工机床保养标准电子文件编码SBGL-22-005页码14-7同上润滑部位1 .各油管、油孔、油池、毛线、油毡,干净畅通。2 .外表油管不漏油。1 .同左。2 .定期更换涧滑油

8、。部位冷却1 .管路杨通不漏,固定可靠.2 .各部清洁。1 .同左。2 .清洗冷却泵,过滤或更换冷却液。电器系统各触点接触良好。1 .同左。2 .测量电机绝缘性能,电机内外清洁。精度不进行。达到出厂标准或满足生产工艺要求。文件名齿轮加工机床保养标准电子文件编码SBGL-22-005页码14-8插齿机日保内容和要求一、二级保养内容和要求保养部位一级保养二级保养班前:1 .对重要部位进行检查。2 .擦净外露导枕面并按规定润滑各部位。3 .空运转井查看润济系统是否正常。班后:1 .清扫铁屑C2 .擦拭机床。3 .各部归位。床身及表面1 .清洗机床表面及死角,做到漆见本色铁见光。2 .清除导轨面的刺。

9、同左。变速箱及进给机构1 .各操作手柄要求灵活可除,缺少手柄球的应补齐。2 .清洗挂轮箱的交换齿轮及轴交。3 .检查交换齿轮啮合间隙。4 .检查传动系统有无噪音。1 .同左。2 .检查传动系统,更换磨损件(根据情况)消除隐患,并进行清洗换油。插齿头1 .擦拭各滑动面,除去毛刺。2 .调整插齿头、滑块。3.擦拭水平丝杠,要求插齿移动灵活。1 .同左。2 .检查各传动件连接件,更换严支磨损件,要求工作正常。文件名齿轮加工机床保养标准电子文件编码SBGL-22-005页码14-9同上工作台清洗工作台及油盘。1.同左,并清洗换油,2.检查分度螭轮付和传动磨损和润滑情况。润滑清洗各油管、油孔、油线、油毡

10、,要求油路畅通,油毡工作有效。同左,并根据油脂情况,更换涧滑油。冷却清洗过滤网,冷却泵要求冷却管畅通,无漏油现象。同左,并根据情况更换冷却液。电器擦拭电机,清扫电器箱,检查各电器接触点使之工作可靠。同左,并更换损坏电器原件.更换电机润滑膈。精度不进行。1 .进行主要的精度检查,和进行刮研、调接。2 .必要时应列入修理计划。文件名齿轮加工机床保养标准电子文件编码SBGL-22-005页码14-10花键铳日保内容和要求一、二级保养内容和要求保养部位一级保养二级保养班前:1 .对重票部位进行检查。2 .擦净外露导轨面并按规定润滑各部位。3 .空运转并查看润滑系统是否正常。班后:1 .清扫铁屑2 .擦

11、拭机床。3 .各部归住。床身及表面1 .清洗机床表面及死角无油污。2 .导轨面清洁润滑良好,去毛刺疤痕。同左。挂轮架1 .清洗干净。2 .轴套无旷动。3 .齿轮啮合间隙适o1 .同左。2 .更换磨损件。变速箱油量充足,润滑良好。1 .同左。2 .清洗干净,更换新油及磨损件。3 .调整刹车及导轨间隙和铳头主轴间隙。床头箱润滑良好。1 .同左。2 .清洗干净更换新油及磨损件。3 .调整分度蜗轮的中心距及主轴间隙。文件名齿轮加工机床保养标准电子文件编码SBGL-22-005页码14-11同上是架清洁洞滑良好。1 .清洁干净。2 .更换磨损件。3 .调整夹条间隙,并去毛刺。冷却系统1 .各部清洁。2

12、.管路畅通。3 .清洗冷却泵过滤网。】.同左。2,清洗冷却液箱,更换新冷却液。3.更换磨损件。涧滑系统1 .油路杨通。2 .毡垫清洁。1 .同左。2 .清洗油池及泵。3 .更换润滑油及损坏件。电器各触点接触良好。1 .同左。2 .电机内外清洁,测电机绝缘性能良好。精度不进行。达到出厂标准或满足工艺要求。文件名齿轮加工机床保养标准电子文件编码SBGL-22-005页码14-12花键磨床日保内容和要求一、二级保养内容和要求保养部位一级保养二级保养班前:1 .对重要部位进行检查。2 .擦净外露导轨面并按规定润滑各部位。3 .空运转井查看润滑系统是否正常。班后:1 .清扫铁屑2 .擦拭机床。3 .各部

13、归位。床身及表面1 .调整油缸压力增添油量。2 .清洗油泵。3 .清洗星座。1 .同左。2 .检查床身油缸,清洗换油。3 .采用修刮或磨的方法恢复主轴和砂轮轴的精及。主轴部分1 .调整分度盘。2 .清洗换油。3 .调整和清洗齿轮组。4 .油标醋目。1 .同左。2 .检查调整分度盘间隙。3 .调整主轴间隙。4 .更换磨损件。砂轮轴部分1 .调整打砂轮机构。2 .调整砂轮主轴箱间隙。3 .调整三龟皮带。1 .同左。2 .清洗砂轮主轴及调祭间隙。3 .更换磨损件。电器部分1 .线路不漏电。2 .各触点接触良好。1 .同左。2 .清洗马达,测量绝缘性。3 .更换损坏的电器原件。精度不进行。达到完好设备标准。文件名齿轮加工机床保养标准电子文件编码SBGL-22-005页码14-13齿轮倒角机日保内容和要求一、二级保养内容和要求保养部位一级保养二级保养班前:1 .对重要部位进行检查。2 .擦净外露导轨面并按规定润滑各部。3 .空运转井查看润滑系统是否正常。班后:1 .清扫铁屑2 .擦拭机床。3 .各部归位。床身及表面1.擦洗机床表

展开阅读全文
相关资源
猜你喜欢
相关搜索

当前位置:首页 > 汽车/机械/制造 > 制造加工工艺

copyright@ 2008-2023 1wenmi网站版权所有

经营许可证编号:宁ICP备2022001189号-1

本站为文档C2C交易模式,即用户上传的文档直接被用户下载,本站只是中间服务平台,本站所有文档下载所得的收益归上传人(含作者)所有。第壹文秘仅提供信息存储空间,仅对用户上传内容的表现方式做保护处理,对上载内容本身不做任何修改或编辑。若文档所含内容侵犯了您的版权或隐私,请立即通知第壹文秘网,我们立即给予删除!