PLC基本技能实操——实训十五 邮件分拣机控制.docx

上传人:p** 文档编号:469343 上传时间:2023-09-09 格式:DOCX 页数:3 大小:49.56KB
下载 相关 举报
PLC基本技能实操——实训十五 邮件分拣机控制.docx_第1页
第1页 / 共3页
PLC基本技能实操——实训十五 邮件分拣机控制.docx_第2页
第2页 / 共3页
PLC基本技能实操——实训十五 邮件分拣机控制.docx_第3页
第3页 / 共3页
亲,该文档总共3页,全部预览完了,如果喜欢就下载吧!
资源描述

《PLC基本技能实操——实训十五 邮件分拣机控制.docx》由会员分享,可在线阅读,更多相关《PLC基本技能实操——实训十五 邮件分拣机控制.docx(3页珍藏版)》请在第壹文秘上搜索。

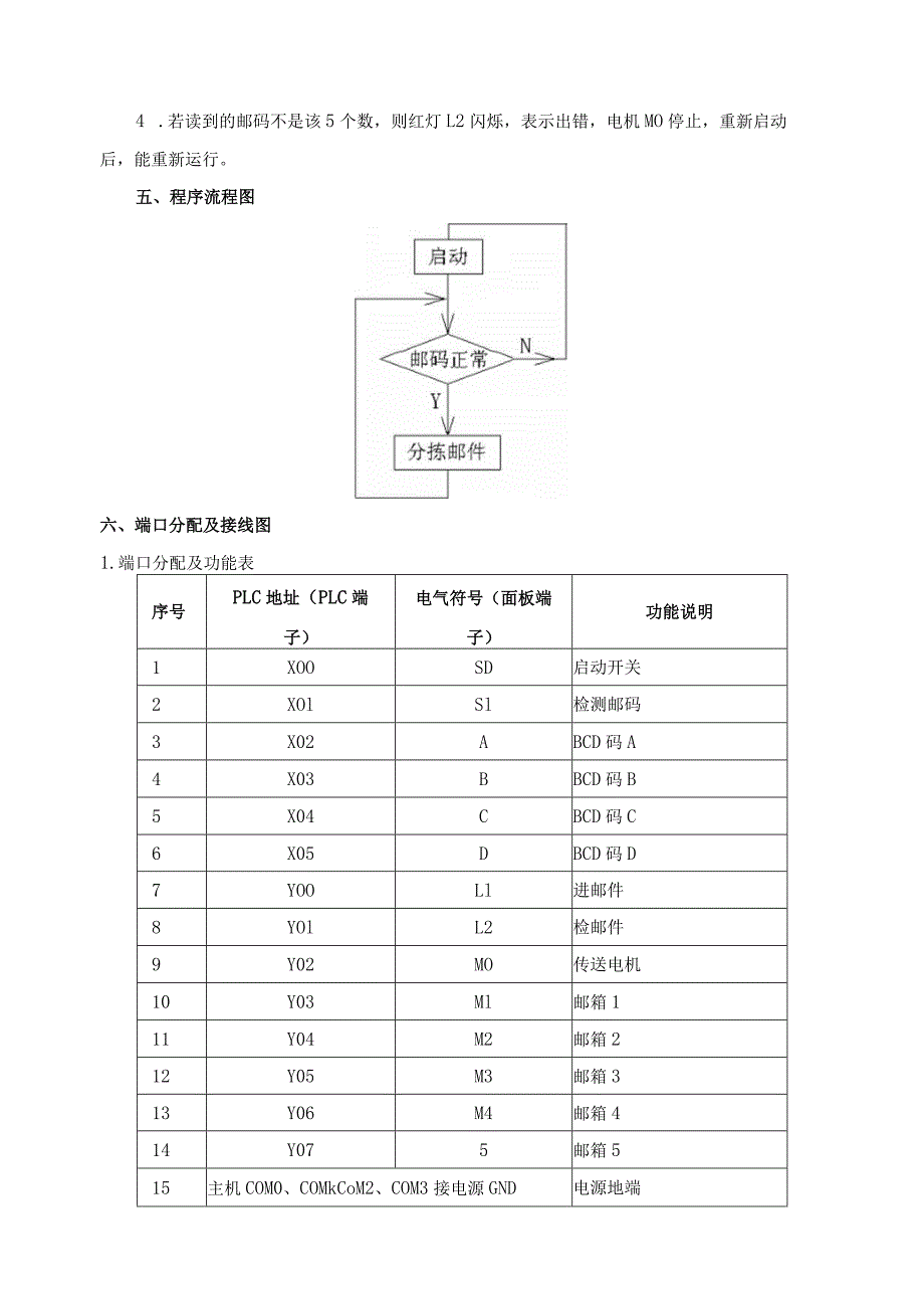
1、实训十五邮件分拣机控制实训目的1 .掌握邮件分拣机控制系统的接线、调试、操作。二、实训设备序号名称型号与规格数量备注1实训装置THPFSL-1/212实训挂箱A1613导线3号若干4通讯编程电缆SC-091三菱5实训指导书THPFSL-1/216计算机(带编程软件)1自备三、面板图邮件分拣机加码MlM2M3M4SDSlA进邮件检邮件启动检网邮科M4OL1Ol2sd0siOOOO四、控制要求2 .总体控制要求:如面板图所示,3 .启动后绿灯Ll亮表示可以进邮件,Sl为ON表示模拟检测邮件的光信号检测到了邮件,拨码器模拟邮件的邮码,从拨码器读到的邮码的正常值为1、2、3、4、5,若是此5个数中的任

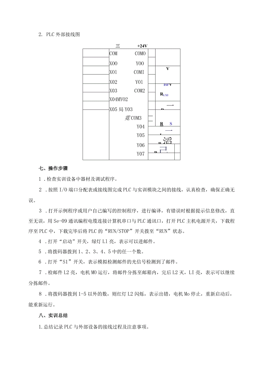
2、一个,则红灯L2亮,电机MO运行,将邮件分拣至邮箱内,完后L2灭,Ll亮,表示可以继续分拣邮件。4 .若读到的邮码不是该5个数,则红灯L2闪烁,表示出错,电机MO停止,重新启动后,能重新运行。五、程序流程图六、端口分配及接线图1.端口分配及功能表序号PLC地址(PLC端子)电气符号(面板端子)功能说明1XOOSD启动开关2XOlSl检测邮码3X02ABCD码A4X03BBCD码B5X04CBCD码C6X05DBCD码D7YOOLl进邮件8YOlL2检邮件9Y02MO传送电机10Y03Ml邮箱111Y04M2邮箱212Y05M3邮箱313Y06M4邮箱414Y075邮箱515主机COM0、COM

3、kCoM2、COM3接电源GND电源地端2. PLC外部接线图三+24VCOMCOMOXOOYOOXOlCOMIX02YOlX03COM2X04MYO2X05局Y03霓COM3Y04Y05Y06Y07VIsrVRLXI,R二RSL二.R滔R己七、操作步骤1 .检查实训设备中器材及调试程序。2 .按照I/O端口分配表或接线图完成PLC与实训模块之间的接线,认真检查,确保正确无误。3 .打开示例程序或用户自己编写的控制程序,进行编译,有错误时根据提示信息修改,直至无误,用Se-09通讯编程电缆连接计算机串口与PLC通讯口,打开PLC主机电源开关,下载程序至PLC中,下载完毕后将PLC的“RUN/STOP”开关拨至“RUN”状态。4 .打开“启动”开关,绿灯Ll亮,表示可以进邮件。5 .将拨码器拨到1、2、3、4、5中的任一个数。6 .打开“S1”开关,表示模拟检测邮件的光信号检测到了邮件。7 .检邮件L2亮,电机MO运行,将邮件分拣至邮箱内,完后L2灭,LI亮,表示可以继续分拣邮件。8 .将拨码器拨到1-5以外的数,则红灯L2闪烁,表示出错,电机Mo停止,重新启动后,能重新运行。八、实训总结1.总结记录PLC与外部设备的接线过程及注意事项。

展开阅读全文
相关资源
猜你喜欢
相关搜索

当前位置:首页 > 建筑/环境 > 房地产

copyright@ 2008-2023 1wenmi网站版权所有

经营许可证编号:宁ICP备2022001189号-1

本站为文档C2C交易模式,即用户上传的文档直接被用户下载,本站只是中间服务平台,本站所有文档下载所得的收益归上传人(含作者)所有。第壹文秘仅提供信息存储空间,仅对用户上传内容的表现方式做保护处理,对上载内容本身不做任何修改或编辑。若文档所含内容侵犯了您的版权或隐私,请立即通知第壹文秘网,我们立即给予删除!