PLC基本技能实操——实训十六 自控成型机控制.docx

上传人:p** 文档编号:469354 上传时间:2023-09-09 格式:DOCX 页数:4 大小:70.38KB
下载 相关 举报
PLC基本技能实操——实训十六 自控成型机控制.docx_第1页
第1页 / 共4页
PLC基本技能实操——实训十六 自控成型机控制.docx_第2页
第2页 / 共4页
PLC基本技能实操——实训十六 自控成型机控制.docx_第3页
第3页 / 共4页
PLC基本技能实操——实训十六 自控成型机控制.docx_第4页
第4页 / 共4页
亲,该文档总共4页,全部预览完了,如果喜欢就下载吧!
资源描述

《PLC基本技能实操——实训十六 自控成型机控制.docx》由会员分享,可在线阅读,更多相关《PLC基本技能实操——实训十六 自控成型机控制.docx(4页珍藏版)》请在第壹文秘上搜索。

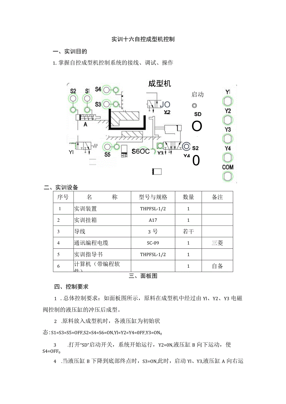
1、实训十六自控成型机控制一、实训目的1.掌握自控成型机控制系统的接线、调试、操作成型机S6OCYl=lJOY2启动 SDOSlY4S20S3二、实训设备序号名称型号与规格数量备注1实训装置THPFSL-1/212实训挂箱A1713导线3号若干4通讯编程电缆SC-091三菱5实训指导书THPFSL-1/216计算机(带编程软件)1自备三、面板图四、控制要求1 .总体控制要求:如面板图所示,原料在成型机中经过由Yl、Y2、Y3电磁阀控制的液压缸的冲压后成型。2 .原料放入成型机时,各液压缸为初始状态:S1=S3=S5=OFF,S2=S4=S6=ON,Yl=Y2=Y4=0FF,Y3=ON03 .打开“

2、SD”启动开关,系统开始运行,Y2=0N,液压缸B向下运动,使S4=OFF04 .当液压缸B下降到底部终点时,S3=ON,此时,启动Yl、Y3,液压缸A向右运动,液压缸C向左运动。Y1=Y4=ON时,Y3=0FF,使S2=S6=OFF5 .当A、C液压缸退回到初始位置,S2=S6=0N时,B液压缸返回,Y2RFF时,S3=0FFo6 .当液压缸返回初始状态,S4=ON时,系统回到初始状态取出成品,放入原料后,按动启动按钮,重新启动,开始下一个工件加工。五、程序流程图六、端口分配及接线图1.端口分配及功能表序号PLC地址(PLC端子)电气符号(面板端子)功能说明1XOOSD启动开关2XOlSlY

3、l到位开关3X02S2Yl原位开关4X03S3Y2到位开关5X04S4Y2原位开关6X05S5Y3到位开关7X06S6Y3原位开关8YOOYl电磁阀19YOlY2电磁阀210Y02Y3电磁阀311Y03Y4电磁阀412主机COM0、COMKCoM2接电源GND电源地端2.PLC外部接线图(W+24VCOMXOOXOloX02X03帐X04X05X06COMOYOOCOMlYOlCOM2Y02Y03FTTr*11-A-七、操作步骤1 .检查实训设备中器材及调试程序。2 .按照I/O端口分配表或接线图完成PLC与实训模块之间的接线,认真检查,确保正确无误。3 .打开示例程序或用户自己编写的控制程序

4、,进行编译,有错误时根据提示信息修改,直至无误,用SC-09通讯编程电缆连接计算机串口与PLC通讯口,打开PLC主机电源开关,下载程序至PLC中,下载完毕后将PLC的“RUN/STOP”开关拨至“RUN”状态。4,先将SI、S3、S5开关断开、S2、S4、S6开关打开,再打开“SD”启动开关,系统开始运行。5 .Y2指示灯点亮,液压缸B向下运动,断开S4。6 .液压缸B下降到底部终点后,打开S3。YKY3指示灯点亮,液压缸A向右运动、液压缸C向左运动,断开S2、S6o7 .当液压缸A向右运动到终点、液压缸C向左运动到终点后,打开SI、S5,Yl、Y4指示灯熄灭,原料加工成型。各液压缸开始退回原位。断开SI、S5o8 .当液压缸A、液压缸C退回到原点后,打开S2、S6,Y2指示灯熄灭,断开S3,液压缸B返回原位。9 .当所有的液压缸返回到初始状态后,打开S4,系统回到初始状态,再次放入原料进行加工。八、实训总结1.总结记录PLC与外部设备的接线过程及注意事项。

展开阅读全文
相关资源
猜你喜欢
相关搜索

当前位置:首页 > 汽车/机械/制造 > 电气技术

copyright@ 2008-2023 1wenmi网站版权所有

经营许可证编号:宁ICP备2022001189号-1

本站为文档C2C交易模式,即用户上传的文档直接被用户下载,本站只是中间服务平台,本站所有文档下载所得的收益归上传人(含作者)所有。第壹文秘仅提供信息存储空间,仅对用户上传内容的表现方式做保护处理,对上载内容本身不做任何修改或编辑。若文档所含内容侵犯了您的版权或隐私,请立即通知第壹文秘网,我们立即给予删除!