PLC基本技能实操——实训二十一 自动洗衣机控制.docx

上传人:p** 文档编号:469362 上传时间:2023-09-09 格式:DOCX 页数:4 大小:94.94KB
下载 相关 举报
PLC基本技能实操——实训二十一 自动洗衣机控制.docx_第1页
第1页 / 共4页
PLC基本技能实操——实训二十一 自动洗衣机控制.docx_第2页
第2页 / 共4页
PLC基本技能实操——实训二十一 自动洗衣机控制.docx_第3页
第3页 / 共4页
PLC基本技能实操——实训二十一 自动洗衣机控制.docx_第4页
第4页 / 共4页
亲,该文档总共4页,全部预览完了,如果喜欢就下载吧!
资源描述

《PLC基本技能实操——实训二十一 自动洗衣机控制.docx》由会员分享,可在线阅读,更多相关《PLC基本技能实操——实训二十一 自动洗衣机控制.docx(4页珍藏版)》请在第壹文秘上搜索。

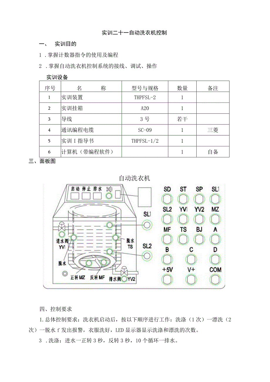
1、实训二十一自动洗衣机控制一、实训目的1 .掌握计数器指令的使用及编程2 .掌握自动洗衣机控制系统的接线、调试、操作实训设备序号名称型号与规格数量备注1实训装置THPFSL-212实训挂箱A2013导线3号若干4通讯编程电缆SC-091三菱5实训I指导书THPFSL-1/216计算机(带编程软件)1自备三、面板图自动洗衣机四、控制要求1.总体控制要求:洗衣机启动后,按以下顺序进行工作:洗涤(1次)一漂洗(2次)一脱水f发出报警,衣服洗好,LED显示器显示洗涤和漂洗的次数。3 .洗涤:进水一正转3秒,反转3秒,10个循环一排水。4 .漂洗:进水一正转3秒,反转3秒,8个循环一排水。5 .报警:报警

2、灯亮4秒。6 .进水:进水阀打开后水面升高,首先液位开关SL2闭合,然后SLl闭合,SLI闭合后,关闭进水阀。7 .排水:排水阀打开后水面下降,首先液位开关SLI断开,然后SL2断开,SL2断开1秒后停止排水。按排水按钮可强制排水。8 .脱水:脱水5秒后报警。五、功能指令使用及程序流程图1 .计数器指令使用RSTCO计数输入XOooI每驱动CO线圈一次,计数器的当前值就加一,在执行第十次的线圈指令时,输出触点动作,以后即使XoOOI再动作,计数器的当前值不变。XOOoO为ON时,计数器CO复位。2 .程序流程图,l=lftSL2=l六、端口分配及接线图1.端口分配及功能表PLC地址(PLC端电

3、气符号(面板端功能说明2XOlST停止3X02SP排水4X03SLl水位上限位5X04SL2水位下限位6YOOYVl进水阀7YOlYV2排水阀8Y02MZ正转9Y03MF反转10Y04TS脱水11Y05BJ报警12Y06A显示编码A13Y07B显示编码B14YlOC显本编码C15YllD显示编码D16主机COM、面板CoM接电源GND电源地端17主机COM0、COMKCOM2sCOM3、CoM4、CoM5、接电源GND电源地端18面板V+接电源+24V电源正端2.PLC外部接线图GND+24VOMOgMolOM20203OM304050607猴1011 CycycyycyyyycyyOId=4

4、 弗 XLOM0001020304Cxxxxx七、操作步骤1 .检查实训设备中器材及调试程序。2 .按照I/O端口分配表或接线图完成PLC与实训模块之间的接线,认真检查,确保正确无误。3 .打开示例程序或用户自己编写的控制程序,进行编译,有错误时根据提示信息修改,直至无误,用SC-09通讯编程电缆连接计算机串口与PLC通讯口,打开PLC主机电源开关,下载程序至PLC中,下载完毕后将PLC的“RUN/STOP”开关拨至“RUN”状态。4 .按下“启动”按钮后,系统进入运行状态。进水阀(YVl)打开,水面升高,先闭合液位开关“L2”,后闭合“LI”,LI闭合后,关闭进水阀。开始洗涤。5 .洗涤完成,排水阀(YV2)打开,水面下降,先断开液位开关SLL然后断开SL2,SL2断开1秒后停止排水。6 .重复进水、漂洗、排水两次。7 .漂洗完毕开始脱水,排水阀打开。8 .脱水5秒,发出报警,洗衣完成。9 .在洗衣的过程中按“停止”按钮,停止洗衣,按“排水”按钮,排水阀“YV2”打开排水。八、实训总结1 .总结计数器指令的使用方法。2 .总结记录PLC与外部设备的接线过程及注意事项。

展开阅读全文
相关资源
猜你喜欢
相关搜索

当前位置:首页 > 汽车/机械/制造 > 电气技术

copyright@ 2008-2023 1wenmi网站版权所有

经营许可证编号:宁ICP备2022001189号-1

本站为文档C2C交易模式,即用户上传的文档直接被用户下载,本站只是中间服务平台,本站所有文档下载所得的收益归上传人(含作者)所有。第壹文秘仅提供信息存储空间,仅对用户上传内容的表现方式做保护处理,对上载内容本身不做任何修改或编辑。若文档所含内容侵犯了您的版权或隐私,请立即通知第壹文秘网,我们立即给予删除!