电磁磁选机技术参数.docx

上传人:p** 文档编号:471445 上传时间:2023-09-09 格式:DOCX 页数:5 大小:24.83KB
下载 相关 举报
电磁磁选机技术参数.docx_第1页
第1页 / 共5页
电磁磁选机技术参数.docx_第2页
第2页 / 共5页
电磁磁选机技术参数.docx_第3页
第3页 / 共5页
电磁磁选机技术参数.docx_第4页
第4页 / 共5页
电磁磁选机技术参数.docx_第5页
第5页 / 共5页
亲,该文档总共5页,全部预览完了,如果喜欢就下载吧!
资源描述

《电磁磁选机技术参数.docx》由会员分享,可在线阅读,更多相关《电磁磁选机技术参数.docx(5页珍藏版)》请在第壹文秘上搜索。

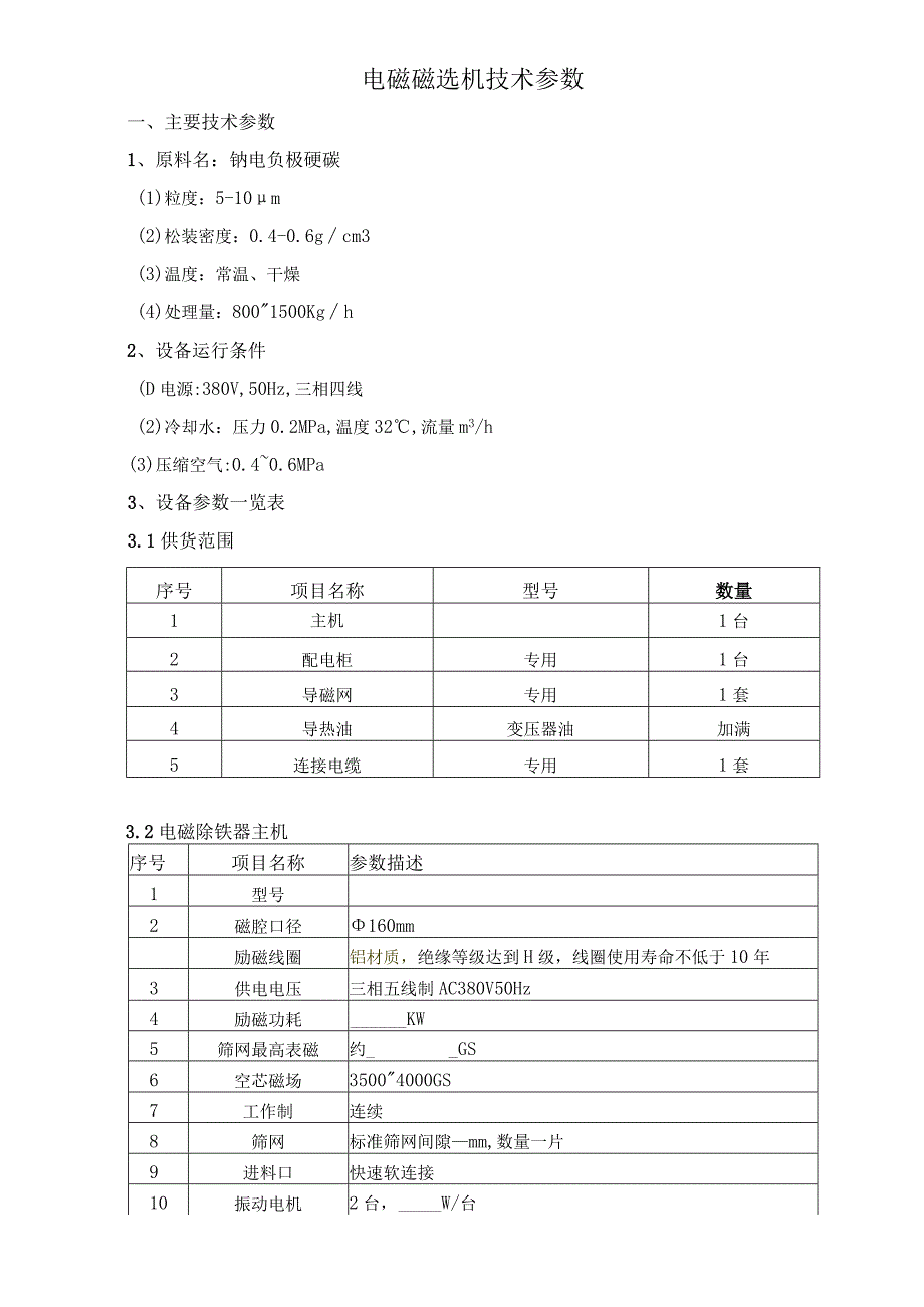
1、电磁磁选机技术参数一、主要技术参数1、原料名:钠电负极硬碳(1)粒度:5-10m(2)松装密度:0.4-0.6gcm3(3)温度:常温、干燥(4)处理量:8001500Kgh2、设备运行条件(D电源:380V,50Hz,三相四线(2)冷却水:压力0.2MPa,温度32,流量m3/h(3)压缩空气:0.40.6MPa3、设备参数一览表3.1供货范围序号项目名称型号数量1主机1台2配电柜专用1台3导磁网专用1套4导热油变压器油加满5连接电缆专用1套3.2电磁除铁器主机序号项目名称参数描述1型号2磁腔口径160mm励磁线圈铝材质,绝缘等级达到H级,线圈使用寿命不低于10年3供电电压三相五线制AC38

2、0V50Hz4励磁功耗_KW5筛网最高表磁约_GS6空芯磁场35004000GS7工作制连续8筛网标准筛网间隙mm,数量一片9进料口快速软连接10振动电机2台,W/台11冷却泵1台,W12冷却油量L13整机功耗约KW14主机重量JG15整体喷涂RAL70353.2筛网序号项目名称参数描述1材质SUS4302规格D*d*11mm3间隙标准筛网间隙mm4使用数量数量片5安装方式快速固定3.3振动电机序号项目名称参数描述1制造商品牌2型号3数量台4额定电压AC3803P/50HZ5额定功率W6防护等级IP553.4冷却泵序号项目名称参数描述1制造商品牌2型号3数量4额定电压AC3803P/50HZ5

3、额定功率_W6防护等级IP553.5热交换器序号项目名称参数描述1制造商品牌2型号3换热面积ma4数量台5接口加装了软管转换接头,配接软管的公称内径是_mm6冷却水量_L/min3.6冷却油序号项目名称参数描述1制造商品牌2牌号3类别变压器油4数量L3.7控制柜序号项目名称参数描述1制造商品牌2型号3结构框架结构,碳钢喷塑4主要电气元件常熟(原常熟开关厂)、上海人民(上联牌)或者施耐德、西门子、ABB5按钮、指示灯正泰、德力西等6PLC西门子牌7触摸屏台达、昆仑通态或者威纶通89控制方式HMI+PLC,无极调压控制+稳磁控制11运行模式手动控制、自动控制,可切换12防护等级IP5513供电电压

4、三相五线制C380V50Hz14外形尺寸800x500x1600(mm)底座高度100mm15重量Kg3.8控制要求设备磁力连续可调,同时能手动、自动控制;设备在手动模式时,操作人员可以人工按操作流程进行手动操作控制;在自动模式时,操作人员按下“自动开”按键后,设备根据设置时间进行进料、自动排渣等操作,无需人工干预。电磁分离机操作流程:首先打开电磁分离机控制柜总电源,开启油泵、励磁后开始进料,此时粉料开始去除磁性异物,磁性异物被磁力吸附在筛网的吸附点上,当设定的下料时间到后,系统停止进料,关闭励磁,打开翻板阀、振动电机,此时排渣口已经打开,废料从排渣口排出。3.9其他要求(1)设备物料通道各接

5、口均采取密封防尘措施。(2)设备能防止对产品造成滴油污染及生锈污染。(3)主机线圈绝缘等级为F级,实际工况按B级设计。冷却方式为强迫油循环加水循环冷却,冷却水温度W30C时,工作温升W60;(4)设备主机及机架选用优质钢材,表面喷塑,满足机器运行载荷要求;(5)磁选机出料口安装分料阀,气缸驱动,自动转换。阀板采取特殊设计,完全杜绝成品物料与磁性物混合;(6)设备物料接触部分均采用SUS304材质,耐磨耐腐蚀,无污染;(7)控制柜到设备的电线电缆由乙方供货(控制柜到主机10米内的线缆由乙方提供、超出部分甲方提供),乙方指导安装调试。(8)设备验收时,需将PLC、触摸屏程序给甲方,不得设置时间锁!(9)核心部件励砸线圈采用变压器标准制作,具有耐高压、高绝缘等缓特点,绝缘等级达到H级,线圈使用寿命不低于10年;

展开阅读全文
相关资源
猜你喜欢
相关搜索

当前位置:首页 > 办公文档 > 产品手册

copyright@ 2008-2023 1wenmi网站版权所有

经营许可证编号:宁ICP备2022001189号-1

本站为文档C2C交易模式,即用户上传的文档直接被用户下载,本站只是中间服务平台,本站所有文档下载所得的收益归上传人(含作者)所有。第壹文秘仅提供信息存储空间,仅对用户上传内容的表现方式做保护处理,对上载内容本身不做任何修改或编辑。若文档所含内容侵犯了您的版权或隐私,请立即通知第壹文秘网,我们立即给予删除!