《钢结构设计基本原理》练习及答案大全完整版.docx

上传人:p** 文档编号:475636 上传时间:2023-09-14 格式:DOCX 页数:21 大小:420.73KB
下载 相关 举报
《钢结构设计基本原理》练习及答案大全完整版.docx_第1页
第1页 / 共21页
《钢结构设计基本原理》练习及答案大全完整版.docx_第2页
第2页 / 共21页
《钢结构设计基本原理》练习及答案大全完整版.docx_第3页
第3页 / 共21页
《钢结构设计基本原理》练习及答案大全完整版.docx_第4页
第4页 / 共21页
《钢结构设计基本原理》练习及答案大全完整版.docx_第5页
第5页 / 共21页
《钢结构设计基本原理》练习及答案大全完整版.docx_第6页
第6页 / 共21页
《钢结构设计基本原理》练习及答案大全完整版.docx_第7页
第7页 / 共21页
《钢结构设计基本原理》练习及答案大全完整版.docx_第8页
第8页 / 共21页
《钢结构设计基本原理》练习及答案大全完整版.docx_第9页
第9页 / 共21页
《钢结构设计基本原理》练习及答案大全完整版.docx_第10页
第10页 / 共21页
亲,该文档总共21页,到这儿已超出免费预览范围,如果喜欢就下载吧!
资源描述

《《钢结构设计基本原理》练习及答案大全完整版.docx》由会员分享,可在线阅读,更多相关《《钢结构设计基本原理》练习及答案大全完整版.docx(21页珍藏版)》请在第壹文秘上搜索。

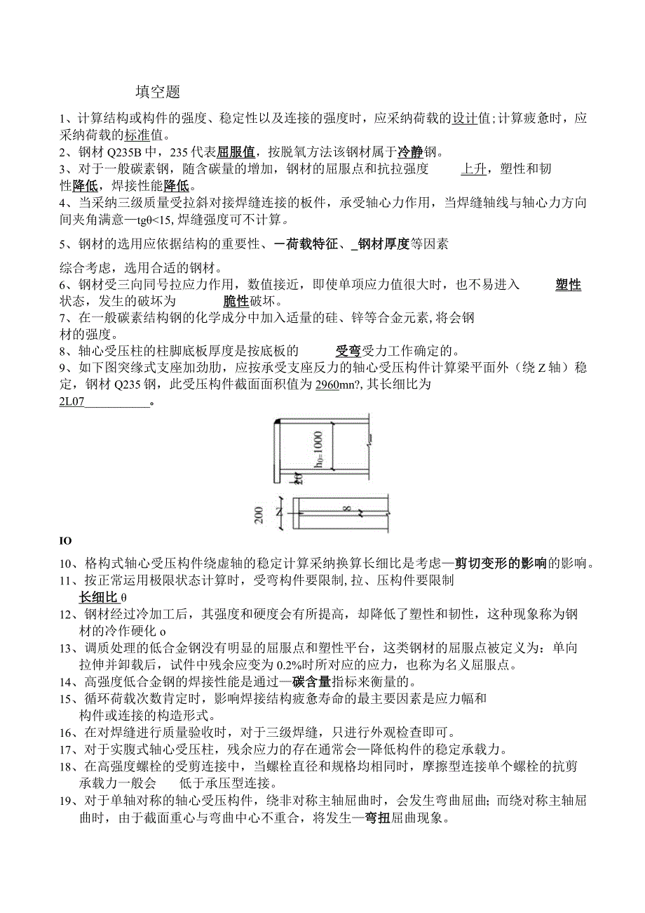
1、填空题1、计算结构或构件的强度、稳定性以及连接的强度时,应采纳荷载的设计值;计算疲惫时,应采纳荷载的标准值。2、钢材Q235B中,235代表屈服值,按脱氧方法该钢材属于冷静钢。3、对于一般碳素钢,随含碳量的增加,钢材的屈服点和抗拉强度上升,塑性和韧性降低,焊接性能降低。4、当采纳三级质量受拉斜对接焊缝连接的板件,承受轴心力作用,当焊缝轴线与轴心力方向间夹角满意tg235Nmm2,并在支座设置支承加劲肋,梁腹板高度90Omnb厚度12mm,要求考虑腹板稳定性,则。A布置纵向和横向加劲肋B按计算布置横向加劲肋C按构造要求布置加劲肋D不用布置加劲肋6、荷载作用于截面形心的焊接工字形等截面简支梁,最简

2、单发生整体失稳的状况是COA跨中集中荷载作用B跨间三分点各有一个集中荷载作用C梁两端有使其产生同向曲率、数值相等的端弯矩作用D全跨均布荷载作用7、计算梁的抗弯强度M(,叱,)(九1.0),与此相应的翼缘外伸肢宽厚比不应超过A。A15235T.B132354C(10+0.U)a235vD(25+0.5),235/48、已知双轴对称工字钢截面轴心受压柱,轴心压力小,依据刚度限制截面面积A=50,Lv=SOOOmmyI=4500mm,/=2A2=0.5A2截面面积A为一BA1422.2mm2B1800mm2C2000mm2D2500mm29、关于建筑结构钢材的优缺点,下列说法中错误的是CA.钢材的强

3、度较高,结构自重轻B.钢材具有良好的冷加工和热加工性能C.钢结构的耐腐蚀性能很好,适合在各种恶劣环境中运用D.钢结构的耐热性很好,但耐火性能很差10、钢结构设计中,对下列哪一项内容需按正常运用极限状态进行验算AA.构件的变形B.构件的强度C.构件的疲惫强度D.构件的整体稳定11、不同质量等级(A、B、C、D)的同一类钢材,下列哪项力学指标不同BA.抗拉强度。B.冲击韧性AKC.伸长率6D.屈服点力12、26、支承加劲肋进行稳定计算时,计算面积应包括加劲肋两端肯定范围内的腹板面积,该范围是A。13、对于一般螺栓连接,限制端距e22d。的目的是为了避开DA.螺栓杆受剪破坏B.板件被拉断破坏C板件受

4、挤压破坏D.板件端部冲剪破坏14、如图所示承受静力荷载的T形连接,采纳双面角焊缝,按构造要求所确定的合理焊脚尺寸应为A、4mmB、6mmC、8mmD、IOmm15、初始弯曲和荷载的初始偏心对轴心受压构件整体稳定承载力的影响为止.初弯曲和初偏心均会降低稳定承载力B.初弯曲和初偏心均不会影响稳定承载力C.初弯曲将会降低稳定承载力,而初偏心将不会影响稳定承载力D.初弯曲将不会影响稳定承载力,而初偏心将会降低稳定承载力16、保证焊接组合工字型截面轴心受压柱翼缘板局部稳定的宽厚比限值条件,是依据矩形板单向匀称受压时下列哪种边界条件确定的CA.两边简支、一边自由、一边弹性嵌固B.两边简支、一边自由、一边嵌

5、固C.三边简支、一边自由D.四边均为简支17、腹板屈曲后强度产生的缘由是CA.腹板屈曲后产生钢材的弹塑性强化,能够接着担当更大的荷载B.腹板屈曲后产生薄膜拉力场,牵制了板变形的发展,存在接着承载的潜能C.腹板屈曲后产生困难的应力状态,提高了钢材的屈服点D.由于横向加劲肋的存在,提高了腹板局部稳定承载力18、计算长度肯定的轴心压杆回转半径增大,其稳定承载力A0A.提高B.降低C.不变D.不能确定19、钢结构的主要缺点是C0A.结构的重量大B.造价高C.易腐蚀、不耐火D.施工困难多20、钢材中硫的含量超过规定标准D0A.将提高钢材的伸长率B.将提高钢材的抗拉强度C.将使钢材在低温工作时变脆D.将使

6、钢材在高温工作时变脆21、角焊缝的最小焊脚尺寸%=1.5F,式中漾示BoA.较薄板厚度B.较厚板厚度C.随意板厚22、下面的B状况应将其设计强度进行折减。A.动力荷载作用的构件B.单角钢单面按轴压计算稳定的构件C.有应力集中影响的构件D,残余应力较大的构件23、验算工字形组合截面轴心受压构件翼缘和腹板的局部稳定时,计算公式中的长细比为COA.绕强轴的长细比B.绕弱轴的长细比C.两方向长细比的较大值D.两方向长细比的较小值24、格构柱设置横隔的目的是B0A.保证柱截面几何形态不变B.提高柱抗扭刚度C.传递必要的剪力D.上述三种都是三、简答题1、焊接残余应力产生的缘由和对结构工作性能的影响?焊缝出

7、现不匀称温度场。焊缝旁边温度最高,可高达1600度以上。在焊缝区以外,温度则急剧下降。焊缝区受热而纵向膨胀,但这种膨胀因变形的平截面规律(变形前的平截面,变形后仍保持平面)而受到其相邻较低温度区的约束,由于钢材在600以上时呈塑性状态(称为热塑状态),因而高温区的这种压应力使焊缝区的钢材产生塑性压缩变形对结构的静力强度没影响,降低结构的刚度,影响压杆的稳定性,对低温冷脆有影响,对疲惫强度不利。2、简述影响梁整体稳定的因素。梁的侧向抗弯刚度Ely、抗扭刚度GIt,和抗翘曲刚度EIW愈大,则临界弯矩愈大。梁两端支承条件、构件侧向支承点间距、受压翼缘宽度、荷载的种类和作用位置。3、为什么在截面为单轴

8、对称的实腹式轴心受压构件,绕对称轴的稳定计算采纳换算长细比?对于单轴对称截面,构件除绕非对称轴发生弯曲屈曲外,还可能发生绕对称轴弯扭屈曲,轴力由于截面的转动产生作用于形心处非对称轴方向的剪力,剪力不通过剪心,产生扭矩,弯扭屈曲比绕对称轴的弯曲屈曲的临界应力要低,因此绕对称轴的稳定应采纳考虑扭转效应的换算长细比计算。4、简述梁腹板设置加劲肋的原则。(不考虑梁的屈曲后强度)8ED当、J时,G=。腹板局部稳定能够保证,不必配置加劲肋;对吊车梁及类似构件(4),应按构造配置横向加劲肋。(2分)为.80伊2) 当时,应配置横向加劲肋。(2分)w17(3) 当VJA(受压翼缘扭转受到约束,如连有刚性铺板或

9、焊有铁轨时)或%心15Q再1力(受压翼缘扭转未受到约束时),或按计算须要时,除配置横向加劲肋外,还应在弯矩较大的受压区配置纵向加劲肋。局部压应力很大的梁,必要时尚应在受压区配置短加劲肋。(2分)4)梁的支座处和上翼缘受有较大固定集中荷载处,宜设置支承加劲肋。(1分)5、双轴对称工字形实腹式单向压弯构件有哪几种失稳形式?并简要说明它们是如何产生的。1)失稳形式:单向压弯构件的整体失稳分为弯矩作用平面内和弯矩作用平面外两种状况(1分),弯矩作用平面内失稳为弯曲屈曲(1分),弯矩作用平面外失稳为弯扭屈曲(1分)。2)产生缘由:平面内失稳时:直杆在偏心压力作用下,弯矩作用平面内构件挠度随压力的增加而增

10、大,且呈非线性地增长,这是由于二阶效应的影响。最终达到偏心压力的极值点,失去平面内稳定,不存在分枝现象。(2分)平面外失稳时:假如构件没有足够的侧向支撑,且弯矩作用平面内稳定性较强。无初始缺陷时,压力作用下,构件只产生弯矩平面内的挠度,当压力增加到某一临界值NCr之后,构件会突然产生弯矩作用平面外的弯曲变形和整体扭转,发生了弯扭失稳,是一种分枝失稳。有初始缺陷压弯构件在弯矩作用平面外失稳为极值失稳,无分枝现象。(2分)6、简述一般受剪螺栓连接的破坏形式有哪些种类?如何避开?I)雌械:卜(3)肥阊麻好辘蜘仙C(I)削眄魁谶阳丽(?)蒯计瓶礴撕触Sfi妍瓶蹦忡跚的M鼬(M刖制触it冷弱扁4敢赚就腐7、螺栓在构件上的排列有几种形式?应满意什么要求?最小的栓距和端距分别是多少?魁在构件上的抑侑林陂并脚翻.应觥力峨求:(1)受力要求觎要槌碉躲他卜机M咖4,少的端励Ml8、为保证梁腹板的局部稳定,应按哪些规定配置加劲肋?3、为保证梁腹板的局部稳定,应按哪些规定配置加劲肋?(6分)当时,应按构造配置横向

展开阅读全文
相关资源
猜你喜欢
相关搜索

当前位置:首页 > 高等教育 > 习题/试题

copyright@ 2008-2023 1wenmi网站版权所有

经营许可证编号:宁ICP备2022001189号-1

本站为文档C2C交易模式,即用户上传的文档直接被用户下载,本站只是中间服务平台,本站所有文档下载所得的收益归上传人(含作者)所有。第壹文秘仅提供信息存储空间,仅对用户上传内容的表现方式做保护处理,对上载内容本身不做任何修改或编辑。若文档所含内容侵犯了您的版权或隐私,请立即通知第壹文秘网,我们立即给予删除!