大工20春《钢筋混凝土结构课程设计》.docx

上传人:p** 文档编号:479906 上传时间:2023-09-16 格式:DOCX 页数:19 大小:123.60KB
下载 相关 举报
大工20春《钢筋混凝土结构课程设计》.docx_第1页
第1页 / 共19页
大工20春《钢筋混凝土结构课程设计》.docx_第2页
第2页 / 共19页
大工20春《钢筋混凝土结构课程设计》.docx_第3页
第3页 / 共19页
大工20春《钢筋混凝土结构课程设计》.docx_第4页
第4页 / 共19页
大工20春《钢筋混凝土结构课程设计》.docx_第5页
第5页 / 共19页
大工20春《钢筋混凝土结构课程设计》.docx_第6页
第6页 / 共19页
大工20春《钢筋混凝土结构课程设计》.docx_第7页
第7页 / 共19页
大工20春《钢筋混凝土结构课程设计》.docx_第8页
第8页 / 共19页
大工20春《钢筋混凝土结构课程设计》.docx_第9页
第9页 / 共19页
大工20春《钢筋混凝土结构课程设计》.docx_第10页
第10页 / 共19页
亲,该文档总共19页,到这儿已超出免费预览范围,如果喜欢就下载吧!
资源描述

《大工20春《钢筋混凝土结构课程设计》.docx》由会员分享,可在线阅读,更多相关《大工20春《钢筋混凝土结构课程设计》.docx(19页珍藏版)》请在第壹文秘上搜索。

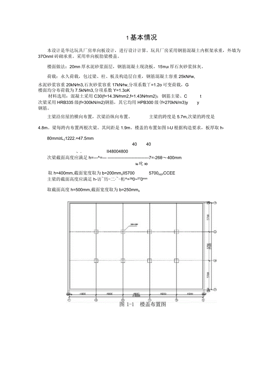
1、网络教育学院钢筋混凝土结构课程设计题目:华达玩具厂房单向板设计学习中心:专业:土木工程年级:年季学号:学生:指导教师:1基本情况本设计是华达玩具厂房单向板设计,进行设计计算。玩具厂房采用钢筋混凝土内框架承重,外墙为37OnmI砖砌承重。采用单向板肋梁楼盖。楼面做法:20mn厚水泥砂浆面层,钢筋混凝土现浇板,15u厚石灰砂浆抹灰。荷载:永久荷载,包过梁、柱、板及构造层自重,钢筋混凝土容重25kNrw,水泥砂浆容重20kNm3,石灰砂浆容重17kNrw,分项系数丫=1.2o可变荷载,G楼面均分布荷载为7.5kNm3,分项系数Y=1.3oK材料选用:混凝土采用C30(f=14.3Nmm2,f=1.4

2、3Nmm2);钢筋主梁、Ct次梁采用HRB335级(f=300kN/m2)钢筋,其它均用HPB300级(f=270kN/m3)yy钢筋。主梁沿房屋的横向布置,次梁沿纵向布置。主梁的跨度是5.7m,次梁的跨度是4.8m。梁每跨内布置两根次梁。其间距是1.9m。楼盖的布置如图I-U根据构造要求,板厚取h-80mmLJ1222.=47.5mm4040、.II48004800次梁截面高度应满足h=-=7=-26400mmIo叱IO取h=400mm,截面宽度取为b=200mmoII57005700oqCCEE主梁的截面高度应满足h-访历=二-桁=380570mm取截面高度h=500mm,截面宽度取为b=

3、250mmo2单向板结构设计2.1板的设计2.1.1板的计算按塑性分析法计算内力。2.1.2荷载恒荷载标准值:0.02m 20kN / rm = 0.4kN / m20.08m 25kN / m3 = 2.0kN / m20.015m17kN / ms = 0.255kN / m2g =2.655kNm2 kq =7.5kNm2 kg = 1.2 2.655 = 3.186kN/m2q = 1.3x 7.5 = 9.75kN / m2g 4-q = 12.936kNr220mm水泥砂浆而层80mm钢筋混凝土板15mm厚石灰砂浆抹灰活荷载标准值横荷载设计值活荷载设计值合计2.1.3内力计算次梁的

4、截面20OmmX40Omm,板在墙上的支撑长度为120mm,则板的计算跨度为:边跨I=IL=1.9-0.12-2-+=1.72m0n222.a.n.n0.20.12.y1I=1.72m0中间跨I=1.9-0.2=1.7mO跨度差(1.72-1.7)/1.7=1.2%WI0%说明可按等跨连续板计算内力。取Im宽板作为计算单元,计算简图如图2-1所示。连续板各截面的弯矩计算见表2-l0表2-1连续板各截面弯矩计算截面1边跨跨内B离端第二支座2中间跨跨内C中间支座弯矩计算系数OtmTi1111161U计算跨度I0I=1.72m0I=1.72m0I=1.7m0I=Um0M=(g+q)2m03.48-3

5、.482.34-2.672. 1.4截面承载力计算b=10OOmm1h=80mm,h=80-20=60mm。C30混凝土,f=14.3Nmm2o0cHPB300钢筋,f=270kNm2,连续板各截面的配筋计算见表2-2。表2-2连续板各截面配筋计算截面位置边区板带(1-2,56轴线间)中间区板带(2-5轴线间)边跨踏内离端第二支座离端第二支跨跨内、IIHj跨跨内中间支座边跨跨内离端第二支座离端第二跨跨内、中间跨跨内中间支座M(kN2)3.48-3.482.34-2.673.48-3.480.82.34=1.870.8x(-2.67)=-2.14Ma=Safbh21c00.0670.0670.0

6、450.0520.0670.0670.0360.041=1-1-ax0.0690.0690.0460.0540.0690.0690.0370.042ACXfbEhA=-t-ey219219146172219219118134选配钢筋68170681706190年61606/817070e62006200实配钢筋面积228228149177228228141141支座截面的受压区高度系数,均小于0.35,满足弯矩调幅的要求;p=(0.2%,45f/f)=45f/f=451.43/270100%=0.238%mitymaxty所以,A=Pbh=0.238%x1OOO80=190.4mm2s,min

7、min2.1. 5板的裂缝验算裂缝宽度验算属于正常使用极限状态,采用荷载的标准组合。按弹性方法计算截面弯矩,考虑可变荷载的最不利布置,有M=g2+aqI2kgkOqkO式中g,一折算永久荷载标准值,g=g+q/2=2.655+7.5/2=6.405kN/mkkkkq,一折算可变荷载标准值,q=q2=7,52=3.75kNmkkka一五跨连续板满布荷载下相应截面的弯矩系数,按有关表格查的;ga一五跨连续板最不利荷载布置下相应的弯矩系数,按有关表格查的。q由荷载标准组合产生的跨中和支座弯矩:M=(0.078X6.4050.13)x1.7202kNm=2.32kNZmkM=-(0.105X6.405

8、+0.1193)1.722kNm=-3.05kN/mBkM=(0.0336.405+0.0793)1.7三kN/m=1.30kN/m2kM=-(0.0796.405+0.1113)1ZkN/m=-2.42kN/mCkM=(0.0466.405+0.0853)1.72kN/m=1.59kN/m3k受弯构件的受力特征系数a=1.9,光面钢筋的相对粘结特征系数V=0.7,C30混Cr凝土抗拉强度标准值f=2.01N/mm2;保护层厚度c=15mm20mm,取c=20mm,计算tk过程见表2-3,裂缝宽度均小于一类环境规范规定值。表2-3板的裂缝宽度验算截面1B2C3Mk2.32-3.051.30-2

9、.421.59A/mm2S228228149149149=M0.87hA(Nmm2)Sqk0s202.9266.8170.6317.5208.6p=A/AtesIe0.010.010.010.010.01=1.1-0.65f/ptktesq0.4560.6100.3340.6890.474d=dv(mm)eq11.4311.438.578.578.57I=0(1.9c+0.0i)(mm)Crspte129.44129.44106.56106.56106.56w=/E(mm)maxCrCrSqs0.1080.1910.0550.2100.095注:p0.01,取P=0.01otete2.1.6板

10、的挠度验算截面的短期刚度由下式确定:式中,=E/E=2101033104=7,矩形截面y=0,各截面的短周期刚度如下表Escf所示。截面1B2C3A/mm2S219219146146146W0.4560.6100.3340.6890.474p=Abhs00.00370.00370.00240.00240.0024B/10nN.mmS1.8821.5671.6121.0101.305由上表可见,B与B很接近,满足0.5BvBv2B,按混凝土结构设计规范口B11B1取整跨刚度B为计算挠度,这样的简化使挠度计算大为方便。1长期刚度按下式确定fOQ。rrnrB:CE-CCd.882dOn=8.64dO

11、ioNmmM(-1)MS2,725(2b1)42.32qk其中,M=(0.078g+0.1q)h=(0.0787.965+0.13)1.722=2.725kNm1qkk0g=g+l(q)=2.655+L(0.87.5)=7.965kN/mkk2qk2q=-Lu/q=J-0.87.5=3kN/m工2q工2第一跨挠度最大,对于等跨连续板可只验算该跨挠度。永久荷载g满布,可变荷载q在kk1,3,5跨布置,又相应表格查的相应的挠度系数分别是0.64430和0.973x102,于是挠度:f0.6441102gk0.973Ido2qk:k-B卜一B0.64410.22.655172040.97310,27

12、.517204ozicIOa=+=8.45mm4.675mvzlc7c取o=4.675中间跨l0=ln=48m-025m=455m跨度差(4.675-4.55)4.55=2.%o19o,说明可按等跨连续梁计算内力。计算简图如图2-2所示。g+q=2.67kN/m2图2-2计算简图连续次梁各截面弯矩及剪力计算分别见表2-4.表2-5。表2-4连续次梁弯矩计算截面1边跨跨中B离端第二支座2中间跨跨中C中间支座弯矩计算系数m111111116114计算跨度I0I=4.675m0I=4.675m0I=4.55m0I=4.55m0M=(i(g+q)hm053.00-53.0034.51-39.44表2-5连续次梁剪力计算截面A边支座B(左)离端第二支座B(右)离端第二支座C中间支座剪力计算系数V0.450.60.550.55净跨度InI=

展开阅读全文
相关资源
猜你喜欢
相关搜索

当前位置:首页 > 论文 > 论文指导/设计

copyright@ 2008-2023 1wenmi网站版权所有

经营许可证编号:宁ICP备2022001189号-1

本站为文档C2C交易模式,即用户上传的文档直接被用户下载,本站只是中间服务平台,本站所有文档下载所得的收益归上传人(含作者)所有。第壹文秘仅提供信息存储空间,仅对用户上传内容的表现方式做保护处理,对上载内容本身不做任何修改或编辑。若文档所含内容侵犯了您的版权或隐私,请立即通知第壹文秘网,我们立即给予删除!