露天煤矿公路运输标安全准化评分表.docx

上传人:p** 文档编号:480981 上传时间:2023-09-16 格式:DOCX 页数:3 大小:20.23KB
下载 相关 举报
露天煤矿公路运输标安全准化评分表.docx_第1页
第1页 / 共3页
露天煤矿公路运输标安全准化评分表.docx_第2页
第2页 / 共3页
露天煤矿公路运输标安全准化评分表.docx_第3页
第3页 / 共3页
亲,该文档总共3页,全部预览完了,如果喜欢就下载吧!
资源描述

《露天煤矿公路运输标安全准化评分表.docx》由会员分享,可在线阅读,更多相关《露天煤矿公路运输标安全准化评分表.docx(3页珍藏版)》请在第壹文秘上搜索。

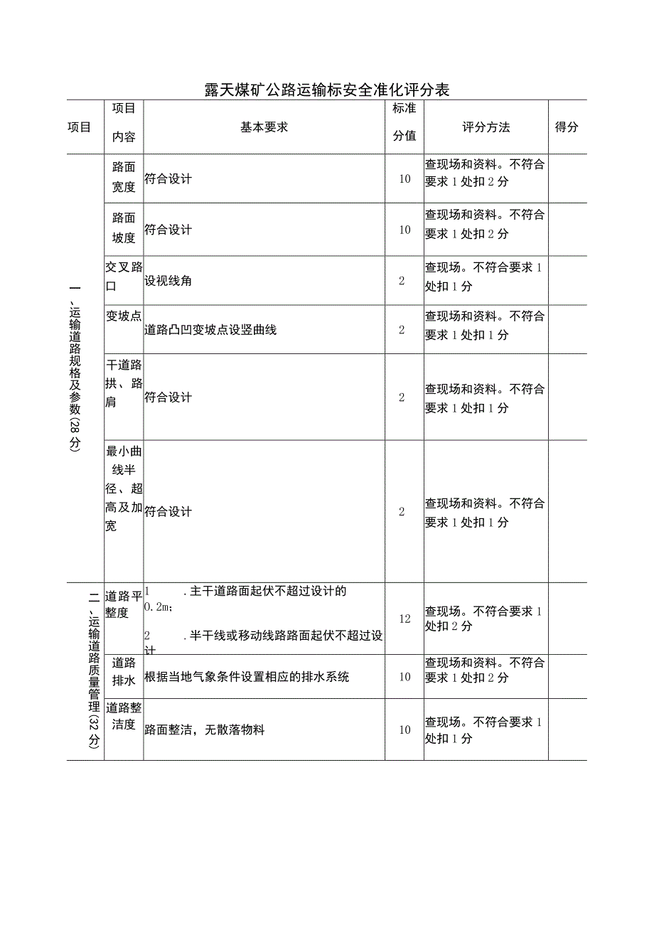
1、露天煤矿公路运输标安全准化评分表项目项目内容基本要求标准分值评分方法得分一、运输道路规格及参数(28分)路面宽度符合设计10查现场和资料。不符合要求1处扣2分路面坡度符合设计10查现场和资料。不符合要求1处扣2分交叉路口设视线角2查现场。不符合要求1处扣1分变坡点道路凸凹变坡点设竖曲线2查现场和资料。不符合要求1处扣1分干道路拱、路肩符合设计2查现场和资料。不符合要求1处扣1分最小曲线半径、超高及加宽符合设计2查现场和资料。不符合要求1处扣1分二、运输道路质量管理(32分)道路平整度1 .主干道路面起伏不超过设计的O.2m;2 .半干线或移动线路路面起伏不超过设计的0.3m12查现场。不符合要

2、求1处扣2分道路排水根据当地气象条件设置相应的排水系统10查现场和资料。不符合要求1处扣2分道路整洁度路面整洁,无散落物料10查现场。不符合要求1处扣1分项目项目内容基本要求标准分值评分方法得分三、运输道路安全管理(16分)安全挡墙高度不低于矿用卡车轮胎直径的2/56查现场。不符合要求1处扣1分洒水降尘洒水抑制扬尘,冬季采用雾状喷洒、间隔分段喷洒或其他措施4查现场。扬尘未得到有降制1处扣1分道路封堵废弃路段及时封堵2查现场。未封堵不得分车辆管理进入矿坑的小型车辆配齐警示灯或警示旗4查现场。不符合要求1次扣1分四、道路标志与养护(14分)反光标识主要运输路段的转弯、交叉处有夜间能识别的反光标识4

3、查现场。不符合要求1处扣1分道路养护配备必需的养路设备,定期进行养护6查现场。道路养护不到位或设备配备不满足要求1处扣1分曾示标志根据具体情况设置警示标志4查现场。不符合要求1处扣1分五、职工素质及岗位规范(5分)专业技能及作业规范L严格执行本岗位安全生产责任制;2 .掌握本岗位操作规程、作业规程;3 .按操作规程作业,无三违”行为;4 .作业前进行岗位安全风险辨识及安全确认5查现场和资料。操作规程不全,缺1个岗位扣3分,无作业规程不得分;发现1人三违不得分;对照岗位安全生产责任制、操作规程和作业规程随机抽考2名作业人员各1个问题,1人回答错误扣0.5分;随机抽杳2名作业人员现场实操,不符合要求1人扣1分;其他不符合要求1处扣1分项目项目内容基本要求标准分值评分方法得分六、文明生产(5分)作业环境1 .车辆驾驶室及平台干净整洁无杂物,门窗玻璃干净;2 .各种记录页面整洁5查现场和资料。1项不符合要求扣1分得分合计:

展开阅读全文
相关资源
猜你喜欢
相关搜索

当前位置:首页 > 管理/人力资源 > 绩效管理

copyright@ 2008-2023 1wenmi网站版权所有

经营许可证编号:宁ICP备2022001189号-1

本站为文档C2C交易模式,即用户上传的文档直接被用户下载,本站只是中间服务平台,本站所有文档下载所得的收益归上传人(含作者)所有。第壹文秘仅提供信息存储空间,仅对用户上传内容的表现方式做保护处理,对上载内容本身不做任何修改或编辑。若文档所含内容侵犯了您的版权或隐私,请立即通知第壹文秘网,我们立即给予删除!