某洁净无尘车间工程施工组织设计.docx

上传人:p** 文档编号:483027 上传时间:2023-09-18 格式:DOCX 页数:20 大小:286.47KB
下载 相关 举报
某洁净无尘车间工程施工组织设计.docx_第1页
第1页 / 共20页
某洁净无尘车间工程施工组织设计.docx_第2页
第2页 / 共20页
某洁净无尘车间工程施工组织设计.docx_第3页
第3页 / 共20页
某洁净无尘车间工程施工组织设计.docx_第4页
第4页 / 共20页
某洁净无尘车间工程施工组织设计.docx_第5页
第5页 / 共20页
某洁净无尘车间工程施工组织设计.docx_第6页
第6页 / 共20页
某洁净无尘车间工程施工组织设计.docx_第7页
第7页 / 共20页
某洁净无尘车间工程施工组织设计.docx_第8页
第8页 / 共20页
某洁净无尘车间工程施工组织设计.docx_第9页
第9页 / 共20页
某洁净无尘车间工程施工组织设计.docx_第10页
第10页 / 共20页
亲,该文档总共20页,到这儿已超出免费预览范围,如果喜欢就下载吧!
资源描述

《某洁净无尘车间工程施工组织设计.docx》由会员分享,可在线阅读,更多相关《某洁净无尘车间工程施工组织设计.docx(20页珍藏版)》请在第壹文秘上搜索。

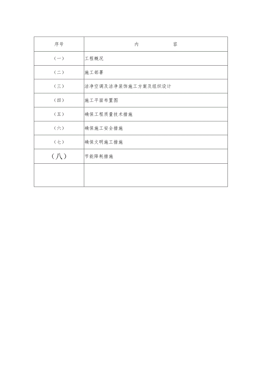
1、某洁净无尘车间工程施工组织设计 制核定编审审202x年XX月XX日序号内容(一)工程概况(二)施工部署(三)洁净空调及洁净装饰施工方案及组织设计(四)施工平面布置图(五)确保工程质量技术措施(六)确保施工安全措施(七)确保文明施工措施(八)节能降耗措施(一)工程概况工程名称新厂房二楼10K、100K级无尘净化生产车间工程地点广东省XXX市建设单位XXX市*光电有限公司施工单位XXX市*净化技术有限公司设计单位XXX市*净化技术有限公司工程性质LED模块生产工程内容净化空调、净化装饰、净化动力及照明电气系统部分工期日历天数70个工作日拟开竣工日期开工日期:待定竣工日期:待定施工条件及特点1、现场

2、交通条件较好,水电已通;2、施工用地由甲方提供。第1页共18页质量目标使之成为我司样板工程的典范。工期目标确保70天全面竣工,交付使用。安全目标严格按安全规范施工,杜绝一切伤亡事故。(二)施工部署2.1 工程管理目标保证工程质量达到国家相应验收标准,综合评定指标达到优良,2.2 施工生产组织安排项目机本工程单设项目经理部,下设各职能部门,上受总公司监督、管理。具构管理体详见施工组织机构图。计划供应协调 材料保管 材料采购 施工班组合同签订 资料档案管理 材料质量检验 预决算计划报表 工程技术负责 施工班组管理 各单位的协调 质量安全管理 现场施工管理 施工进度管理后勤服务管理办公室管理财务管理

3、生活管理工程资项目部在银行设立专门帐号,工程款存入该号,保证专款专用,统一编金管理制资金使用计划,经项目经理审批后执行。施工班根据本净化工程的特点,拟由四个施工班组组织施工:装修班组、风管组管理班组、电气班组、管道班组,班组由项目部统一协调调配。第2页共18页施工进度管理编制方案进度计划,对工期进度预先控制,确保目标工期。施工材料管理编制材料采购计划,严把材料质量关,确保优质材料用于本项目工程。施工质量管理制定各分项施工方案,施工中坚持执行自检、互检、专检三级管理制度,确保工程质量。施工安全管理编制安全施工组织设计,并贯彻实施,确保安全目标。文明施工管理修理搭设监建,搞好现场卫生,组织工人进行

4、文明施工,争创文明工地。资料档案管理专人负责,做到施工资料真实、及时、准确、齐全。生活后勤管理合理安排工人的住宿,做好现场防火、防盗工作。(三)空调及净化装饰施工方案及组织设计3.1施工方案3.1.2施工班组划分根据此工程的施工范围,组织四个班组进行施工,风班组负责净化风管部份的制作、安装;装修班组负责净化室的墙、顶、地装饰;电气班组负责动力照明;管道班组负责工艺管道。总之,本工程施工方案为:根据以上制定的施工程序,划分的施工段及施工班组,组织四个班组合理施工。3.2王要施工方法3.2.1 净化风管及部件制作3.2.2 2.1.1镀锌板风管及部件制作修角修边 口缝外表面涂密封胶风管表面清洗镀锌

5、板放样一A 下料剪切倒角风管两端封口镀锌板的厚度选用严格按设计规格;其法兰选用角钢法兰。镀锌风管与配件的表面,操作时应特别注意,不得有划伤、刻痕等缺陷,加操工和堆放时应避免损伤。心风管与法兰、加固框的连接采用电焊条焊焊接,板材拼接采用焊接连接。风作管与法兰连接时,风管应平整并紧贴法兰。要法兰螺钉孔和钾钉孔间距不应大于国家标准。风管及部件必须保持清洁,制作完后用清洗液将内表面油膜和污物清洗干点净。干燥后经检查达到要求后即用塑料薄膜及胶带封口,按顺序写出连接号码,存放于干燥、清洁场所。3.2.3 净化风管及部件安装3.2.4 2.1风管安装确定标高-制作吊架一设置吊点一安装吊架风管起吊就位风管排列

6、8501胶带密封(螺栓)连接连接、紧固风管找平、找正管口封闭法兰连接封胶窈a项共知!叙页操作要点经清洗干净并密封的风管及其部件,安装前不得拆卸,安装时拆开端口封膜后,随即连接好接头,如安装中间停顿,应将端口重新封好。风管连接采用8501胶,沿法兰均匀平整地粘贴,并在粘贴过程中用手将其按实,不得脱落,按口处要严密,各部位均不得凸入风管内。风管吊杆采用10镀锌圆钢,用膨胀螺丝在梁侧固定,风管横旦采用3030角钢,吊杆与角钢采用镀锌螺栓固定,其上加垫片。横旦现风管间采用PEF保温棉分离,其厚度同保温层厚度,=25mmo风管吊架间距均为23m.工艺流程3.2.2.3风管部件(调节阀等)安装风阀、消声器

7、等部件在安装前内壁须擦拭干净,当施工完毕或停顿时,操应封好端口。风阀等安装在便于操作的部位,其吊顶部位留活动吊顶板,以便调节时作用。要部件与风管连接处应涂玻璃胶密封。风管穿防火墙时须加防火隔断,防火隔断用支撑角钢固定,角钢用膨胀点螺丝固定在墙上,以防烧坏,包砂浆前先裹一层镀锌丝网。防火墙两侧3.2. 2.4回风口,新风口安装 工各2m范围内的风管保温材料采用非燃的带铝箔玻璃棉板。程风口与风管的连接采用人造革连接,光滑面朝内,连接应严密牢固,边*框与建筑装饰面贴实,外表面平整不变形,调节灵活。作要回风口水平安装,水平度偏差不大于3%。点几口安装前应清扫干净,边框与建筑顶棚或墙面间的接缝用少量玻璃

8、胶密封安装。3.2.2 .5高效过滤器送风口安装工艺流程确定标设置吊点安装吊架送风口吊装较平、较正密封固定与风管连接薄膜封口 高效过滤器送风口安装前应清洗干净, 风口翻边和吊顶板之间的按缝用8501胶带密封紧固。操作要 点 与风管的连接采用人造革,光面朝内,其人造革短管为150-25On叫与风管连接缝均用玻璃胶密封。 顶接高效过滤器送风口。具体安装详见下图:3.2.3 风管漏风试验风管漏风采用漏光试验法进行检测O行灯、电源准备试脸操作漏光检查漏光试验须在漆黑的周围环境下,安排在晚上进行,将周围油印机源拓5掉,以便观测。作要行灯灯泡采用36V、300W强光低压灯泡,外带保护罩。点若在风管外能观察

9、到光线射出,说明有漏风现象,应对风管进行修补后再查。3.2.4风管保温根据设计要求,采用带铝箔岩棉保温。工艺流程保温板材下料涂胶风管法兰搭接处保温铺覆保温板操作要点风管保温前应将风管个表面的油脂、污物擦拭干净权免影响胶接效果。胶水应按标准均匀涂布,保温板应贴紧风管。保温板的纵、横接缝应错开,纵向接缝不宜设在风管或设备底面。3.2.5水管及管配件安装本净化系统水系统包括冷水机组系统和锅炉供热系统。工艺流程确定标高制作支架设置吊点、支点安装管道吊架管道、配件组拼A管道吊装就位-fc管道、配件连接A管道试压、冲洗 管道防腐 管道水压试验A1B管道支架型钢采用人工除锈,采用钢丝刷或砂布反复清刷,直至露

10、出金属本色,再用棉丝擦净锈尘;支架制作后刷防锈漆一遍,安装完后再刷防锈漆一遍,整个管路系统全部完成后根据甲方要求刷与土建装修相协调的面漆一层。管道采用双管共架,管道支架间距为3m,管道支架形式采用“口”字架吊架须用膨胀螺丝沿梁固定。镀锌钢管DN250mm,采用焊接,阀门采用蝶阀;DN50mm,采用丝接,阀门采用闸阀。操侏阀门的安装位置、方向、高度等应符合要求,不得反装。每个阀门在作安装前都须进行精密性试验,合格后方可使用。管道的坡度、坡向严格按设计图进行,安装中有得出现反坡现象,最高要处装自动排气阀。管道过墙需加套管,套管平两边墙饰面,因保温瓦块厚度为5cm,所以点套管内径应比穿管外径大100

11、mnb保温材料填实后,用水泥封口饰面。管道穿过楼板时,事先预留,管道安装后应封盖其剩余缝孔。管道变径管DN50mm的全采用偏心变径管;DNL5ms,直至冲出的水无混浊现象为止。保证系统实验压力为0.8Mpa,并对整个系统进行检查,无渗漏现象后,将压力降至工作压力0.6Mpa,保持十五分钟压力下降0.01Mpa,试验方为合格。3.2.6水管保温根据设计要求,水管部分采用橡塑材料,根据现有情况,本设计方案中不存在冷冻水部分,因此冷却水不需要保温。3.2.7.2组合式空调处理机安装A 工艺流程基础较尺机组吊入安装我正、找平开箱检查试运行机组就位检查险收操作要点组合式空调安装时,应对设备内部进行清洗,

12、擦试、除去尘土、杂物和油污。组合式空调机组各功能段的组装,应符合设计规定的顺序和要求;机组直接放在混凝土基础上。机组各段的连接应严密、整齐平直,检查门开启灵活,水路畅通。机组冷凝水排出管上设水封装置和阀门,无冷凝水排出季节,关闭阀门,保证空调器密闭不漏风。3.2.8净化装饰3.2.8.1净化装饰墙面及吊顶根据设计要求,采用了双层彩色钢板保温墙面板、双层彩色钢板保温吊顶板。为保证房间不易积尘和易于清洁,墙角使用了R50的圆弧内角、圆弧外角、圆弧条等铝合金专用材料,要严格按设计要求选材、合理设置、精心安装(如图所示)。按设计要求精确确定隔墙位置,划线要直,射钉或自攻丝固定U型地马槽要牢固,间距均匀

13、,并且采用“之”字形固定。操作要点墙面及吊顶饰材要轻抬轻放,不允许碰、撞、划、擦坏彩色钢板表面不允许墙面、吊顶饰材不平,拼接不平和拼接缝松脱,拼接处铝合金型材不允许有碰坏、划线痕迹。饰材钢板与高密聚苯乙烯泡沫塑料保温板粘贴牢固紧密,不允许掰开。墙面及吊顶饰材拼接位置要合理,要保证连接后整体强度好,竖拼接健要铅垂,吊顶横拼接缝要水平,墙面饰材高度方向上不允许拼接。3.2.8.3 门的处理根据我司我年实践经验,彩板门外观美观,隔热隔音效果好,结构合理,安装便捷。门框采用铝合金专用型材,门与门框采用闭孔海棉密封,保证门的密封性好。3.2.8.4 窗的处理对上下彩钢板中间装铝合金的隔墙,我司采用下图的

14、方式制作。该铝合金窗框结构牢固,外形合理,没有台阶,消灭了集尘部位,符合净化要求。如图所示。玻璃匕【密封条彩钢板墙3.2.8.5 圆孤及圆角处理1)地面圆弧处理地面采用铝合金双圆弧条方式处理,既可以保证地面彩钢板的圆瓠过渡,又可以固定彩钢板,保证地面垫层平整,间墙两面不渗漏水,采用这种方式,亦可以保证不会生锈。2)间墙与吊顶间的圆弧过渡,为便于安装,中央板与间墙之间的圆瓠过渡采用天钾定位,间墙两面插装圆弧条及圆瓠角。32.8.6传递窗、柜机械闭锁装置按净化工程要求,传递窗柜的双侧门不准同时开启,所以我司设计生产的传递窗、柜采用机械闭锁装置,当开启一侧门时,通过边杆而锁住另一侧门,直至关闭此门另一侧门方能开启;反之亦然。采用机械闭锁,结构简单,使用可靠,不易出故障,维护方便,是目前运用最广的方式。3.

展开阅读全文
相关资源
猜你喜欢
相关搜索

当前位置:首页 > 建筑/环境 > 施工组织

copyright@ 2008-2023 1wenmi网站版权所有

经营许可证编号:宁ICP备2022001189号-1

本站为文档C2C交易模式,即用户上传的文档直接被用户下载,本站只是中间服务平台,本站所有文档下载所得的收益归上传人(含作者)所有。第壹文秘仅提供信息存储空间,仅对用户上传内容的表现方式做保护处理,对上载内容本身不做任何修改或编辑。若文档所含内容侵犯了您的版权或隐私,请立即通知第壹文秘网,我们立即给予删除!