现浇独立柱基础设计DJ2.docx

上传人:p** 文档编号:483520 上传时间:2023-09-18 格式:DOCX 页数:6 大小:55.90KB
下载 相关 举报
现浇独立柱基础设计DJ2.docx_第1页
第1页 / 共6页
现浇独立柱基础设计DJ2.docx_第2页
第2页 / 共6页
现浇独立柱基础设计DJ2.docx_第3页
第3页 / 共6页
现浇独立柱基础设计DJ2.docx_第4页
第4页 / 共6页
现浇独立柱基础设计DJ2.docx_第5页
第5页 / 共6页
现浇独立柱基础设计DJ2.docx_第6页
第6页 / 共6页
亲,该文档总共6页,全部预览完了,如果喜欢就下载吧!
资源描述

《现浇独立柱基础设计DJ2.docx》由会员分享,可在线阅读,更多相关《现浇独立柱基础设计DJ2.docx(6页珍藏版)》请在第壹文秘上搜索。

1、纵筋最小配筋:0.15配筋调整系数:1.0配筋计算方法:通用法基础与覆土的平均容重:20.OOkNZm3纵筋保护层:40un垫层厚hd:100mm垫层出头宽bd:IoOmm双偏压计算.误差允许值(%):030基底反力选用值:最大值修正后的地基承载力特征值:18OkPa基础埋深:1.0Om作用力位置标高:0.OOOm剪力作用附加弯矩M=V*h(力臂h=l.OOOm):My,=-3.40kN.mMx,=40.IOkN.mMyk)=-2.52kN.mMxk,=29.70kN.m现浇独立柱基础设计(DJ-2)执行规范:混凝土结构设计规范(GB50010-2010(2015年版),本文简称混凝土规范建筑

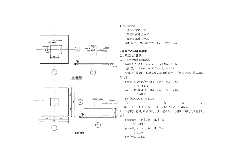
2、地基基础设计规范(GB50007-2011),本文简称地基规范建筑抗震设计规范(GB50011-2010(2016年版),本文简称抗震规范钢筋:d-HPB300;D-HRB335;E-HRB400;F-RRB400;G-HRB500;Q-HRBF400;R-HRBF5001设计资料:1.1已知条件:类型:阶梯形柱数:单柱阶数:1基础尺寸(单位mm):bl=2200,bll=1100,al=2200,all=1100,hl=600柱:方柱,A=600mm,B=600m设计值:N=454.60kN,Mx=97.30kN.m,Vx=-3.40kN,My=-9.90kN.m,Vy=-40.IOkN标准

3、值:Nk=336.74kN,Mxk=72.07kN.m,Vxk=-2.52kN,Myk=-7.33kN.m,Vyk=-29.70kN混凝土强度等级:C30,fc=14.30Nmm2钢筋级别:HRB400,fy=360Nmm21.2计算要求:(1)基础抗弯计算(2)基础抗冲切验算(3)地基承载力验算单位说明:力:kN,力矩:kN.m,应力:kPa2计算过程和计算结果2.1基底反力计算:2.1.1统计到基底的荷载标准值:Nk=336.74,Mkx=101.78,Mky=-9.85设计值:N=454.60,Mx=137.40,My=-13.302.1.2承载力验算时,底板总反力标准值(kPa):相应

4、于荷载效应标准组合pkmax=(Nk+Gk)/A+Mxk/Wx+MykWy=152.48kPapkmin=(Nk+Gk)/A-Mxk/Wx-MykWy=26.67kPapk=(Nk+Gk)/A=89.57kPa各角点反力pl=152.48kPa,p2=141.37kPa,p3=26.67kPa,p4=37.78kPa2.1.3强度计算时,底板净反力设计值(kPa):相应于荷载效应基本组合pmax=N/A+Mx/Wx+My/Wy=178.84kPapmin=N-|Mx|/Wx-My!/Wy=9.01kPap=N/A=93.93kPa配筋率P:PT=O.150%,P右=0.150%,P=0.150

5、%,P左=0.150%基础板底构造配筋(最小配筋率0.15%).2.5底板配筋:X向实配E14170(906mm7m)s=900mm711Y向实配E14170(906un2m)2As=900mm2/m3配筋简图各角点反力pl=178.84kPa,p2=163.85kPa,p3=9.OlkPa,p4=24.00kPa2.2地基承载力验算:pk=89.57fa=180.OOkPa,满足pkmax=152.481.2*fa=216.OOkPa,满足2.3基础抗冲切验算:抗冲切验算公式FK=O.7*hp*ft*Aq地基规范第8.2.8条(冲切力B根据净反力的最大值计算)下右上左第1阶(h=600mn,

6、h=555mm,BhP=1.000)冲切荷载(kN)85.6678.4818.9585.66抗冲切力(kN)641.67641.67641.67641.67抗冲切满足.2.4基础受弯计算:弯矩计算公式M=FXd其中,F一对应楹面地基净反力合力(根据净反力的最大值计算);d质心到验算截面的距离。根据地基规范第&2.1条,扩展基础受力钢筋最小配筋率不应小于0.15%第1阶(kN.m):M下=95.38,M右=87.39,M上=39.92,M左-95.38,ho=555mm计算AsGnmVm):AS下=900(构造),AS右=900(构造),AsJt=900(构造),As左=900(构造)【理正结构设计工具箱软件7.0PB6计算口期:2023-05-1212:23:01净反力设计置kPo)

展开阅读全文
相关资源
猜你喜欢
相关搜索

当前位置:首页 > 汽车/机械/制造 > 制造加工工艺

copyright@ 2008-2023 1wenmi网站版权所有

经营许可证编号:宁ICP备2022001189号-1

本站为文档C2C交易模式,即用户上传的文档直接被用户下载,本站只是中间服务平台,本站所有文档下载所得的收益归上传人(含作者)所有。第壹文秘仅提供信息存储空间,仅对用户上传内容的表现方式做保护处理,对上载内容本身不做任何修改或编辑。若文档所含内容侵犯了您的版权或隐私,请立即通知第壹文秘网,我们立即给予删除!