老旧小区改造配套基础设施建设项目(便民道路)照明施工图设计说明.docx

上传人:p** 文档编号:483986 上传时间:2023-09-18 格式:DOCX 页数:10 大小:54.62KB
下载 相关 举报
老旧小区改造配套基础设施建设项目(便民道路)照明施工图设计说明.docx_第1页
第1页 / 共10页
老旧小区改造配套基础设施建设项目(便民道路)照明施工图设计说明.docx_第2页
第2页 / 共10页
老旧小区改造配套基础设施建设项目(便民道路)照明施工图设计说明.docx_第3页
第3页 / 共10页
老旧小区改造配套基础设施建设项目(便民道路)照明施工图设计说明.docx_第4页
第4页 / 共10页
老旧小区改造配套基础设施建设项目(便民道路)照明施工图设计说明.docx_第5页
第5页 / 共10页
老旧小区改造配套基础设施建设项目(便民道路)照明施工图设计说明.docx_第6页
第6页 / 共10页
老旧小区改造配套基础设施建设项目(便民道路)照明施工图设计说明.docx_第7页
第7页 / 共10页
老旧小区改造配套基础设施建设项目(便民道路)照明施工图设计说明.docx_第8页
第8页 / 共10页
老旧小区改造配套基础设施建设项目(便民道路)照明施工图设计说明.docx_第9页
第9页 / 共10页
老旧小区改造配套基础设施建设项目(便民道路)照明施工图设计说明.docx_第10页
第10页 / 共10页
亲,该文档总共10页,全部预览完了,如果喜欢就下载吧!
资源描述

《老旧小区改造配套基础设施建设项目(便民道路)照明施工图设计说明.docx》由会员分享,可在线阅读,更多相关《老旧小区改造配套基础设施建设项目(便民道路)照明施工图设计说明.docx(10页珍藏版)》请在第壹文秘上搜索。

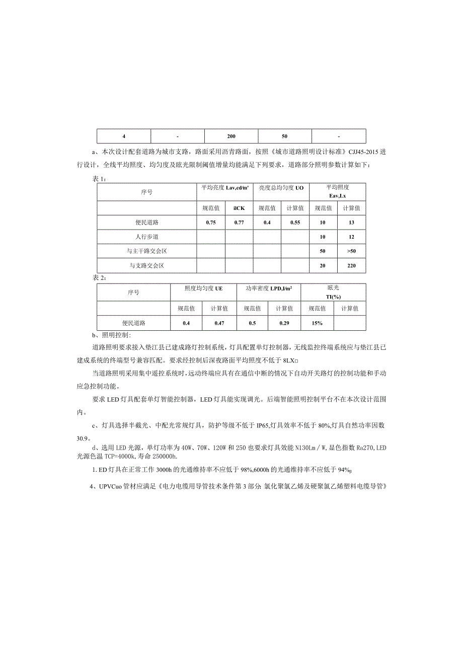
1、照明施工图设计说明本项目为老旧小区改造配套基础设施建设项目(便民道路),位于垫江牡丹大道旁,道路 全长469. 49m,标准路幅分为两段,其中K0+000K0+200段为12m, K0+250K0+469. 49段为16m, 车速20Kh,城市支路,路面采用沥青路面。2. 2设计范围1、道路照明系统。2、道路照明供配电系统。3、道路照明安全接地系统。3、照明供电及控制系统1、经前期沟通,本工程新建1台容量为315kVA箱变,供本次设计道路照明及预留后期其 他用电。变电站高压进线电压为IokY,由就近的IOkV供电网络引来,箱变在人行道外侧绿化 带内设置,具体位置由电力部门和建设单位协商确定,安

2、装位置不得影响停车视距。各照明回路采用AC380/220V供电,该负荷等级为三级,LED单灯在开关电源后采用DC24V 供电。序号名称单位数量备注1照明负荷kW3.844预留负荷kl2005总计算负荷kVA217. 496补偿前平均功率因数Cos 0.857补偿后平均功率因数Cos 0.958静电电容器总容量kvar809变压器容量kV31510负荷率68%箱变负荷计算如下:2、无功补偿:本工程道路照明用电主要负荷为LED灯,要求自然功率因数不低于0.9,故 不设单灯无功功率因数补偿,仅在变压器低压侧设置集中电容自动补偿方式为补充,要求补偿 后功率因素COSSN0. 95a1设计依据1 .设计

3、合同及委托书2 .城市道路照明设计标准CJJ45-20153 .低压配电设计规范GB50054-20114 .供配电系统设计规范GB50052-20095 .2OkV及以下变电所设计规范GB50053-20136 .建筑物防雷设计规范GB50057-20107 .剩余电流动作保护装置安装和运行GB/T13955-20178 .通用用电设备配电设计规范GB50055-20119 .城市道路照明工程施工及验收规程CJJ89-201210 .LED城市道路照明应用技术要求GB/T31832-201511 .城市照明自动控制系统技术规范CJJ/T227-201412 .电力变压器能效限定值及能效等级G

4、B20052-202013 .电力工程电缆设计标准GB50217-201814 .城市道路交通工程项目规范GB55011-202115 .建筑与市政工程抗藤通用规范GB55002-202116 .建筑电气与智能化通用规范GB55024-202217 .电气装置安装工程电缆线路施工及验收标准GB50168-201818 .电气装置安装工程接地装置施工及验收规范GB50169-201619 .电气装置安装工程低压电器施工及验收规范GB50254-201420 .IkV及以下配线工程施工与验收规范GB50575-201021 .其他专业的互提资料。22 .初设意见及执行情况:无2、工程概况及设计范围

5、2.1 工程概况3、照明标准和节能措施:道路照明宜采用分体式LED灯具,便于后期检修维护。灯具和灯杆间应采用防坠链连接,由灯杆和灯具厂家成套提供。4、电能计量:低压集中计量(广告和景观照明分别独立计度)。5、本工程在相应的埋地管道敷设中,预留有多余管道以备其他使用。4、照明系统1、灯杆设置在道路外侧,灯杆距离路缘石距离不小于0.75m。便民道路:采用9m+5m双臂灯杆(70W+40WLED灯)沿道路单侧布置,灯具仰角8,灯杆直线段间距为30米左右。人行道较窄段采用9m单臂灯杆布置。路灯安装位置不得影响其他功能的使用,人行道侧灯具的光线不得影响周边居民夜间休息,否则采用采取措施,如调整仰角、加遮

6、光板等措施,具体安装位置可根据现场实际情况稍作调整。在道路交叉段以及弯道处、停车港段的路灯适当加密。路灯样式与周边环境和谐统一,具体样式由甲方选定。灯杆内外壁热浸锌钢质喷塑灯杆,热镀锌层厚度N70m,9m灯杆壁厚不小于4mm,其制作应符合相应行业标准。9m灯杆参考上口径76mm,下口径202mm。3、灯具采用半截光型灯具,外观颜色应采用当地指定的颜色或建设方指定的其他颜色,防护等级为IP65,其制作应符合相应行业标准。4、灯杆基础置于原状土上,地基承载力大于150kpa,如遇不良地质土层应进行地基处理。灯杆基础周围回填土应按道路人行道压实度要求处理,回填土密实度不应小于95%o5、在每个单灯回

7、路设置漏电断路黯对支线短路故障予以保护:在各照明出线回路设置断路器以实现干线末端短路电流的保护。1 1)40U70W、120W和250WLED光源均配置l6A2P+30mA漏电断路器。6、人行道照明眩光限制值要求如下:级别最大光强Imax(cd10001m)702802909515001001050与支路交会区20220表2:序号照度均匀度UE功率密度LPD,Im2眩光TI(%)规范值计算值规范值计算值规范值计算值便民道路0.40.470.50.2915%b、照明控制:道路照明要求接入垫江县已建成路灯控制系统,灯具配置单灯控制器,无线监控终端系统应与垫江县已建成系统的终端型号兼容匹配。要求经控

8、制后深夜路面平均照度不低于8LX当道路照明采用集中遥控系统时,远动终端应具有在通信中断的情况下自动开关路灯的控制功能和手动应急控制功能。要求LED灯具配套单灯智能控制器,LED灯具能实现调光。后端智能照明控制平台不在本次设计范围内。c、灯具选择半截光、中配光常规灯具,防护等级不低于IP65,灯具效率不低于80%,灯具自然功率因数30.9。d、选用LED光源,单灯功率为40W、70W、120W和250也要求灯具效能N130LmW,显色指数Ra270,LED光源色温TCP=4000k,寿命250000h.1.ED灯具在正常工作3000h的光通维持率不应低于98%,6000h的光通维持率不应低于94

9、%4、UPVCuo管材应满足电力电缆用导管技术条件第3部分:氯化聚氯乙烯及硬聚氯乙烯塑料电缆导管DL/T802.3-2007要求,BDloO管材应满足电力电缆用导管技术条件第2部分:玻璃纤维增强塑料电缆导管DL/T802.2-2017相关要求。7、照明节能措施I、选用高光效节能LED光源,灯具采用等亮度配光曲线。2、通过加强管理路灯开关灯时间和分时段控制实现节能。3、采用单灯控制技术,在不降低道路均匀度的前提下,下半夜下调道路照度(路口照度不降低),降低运行功率以实现节能,要求经控制后深夜支路路面照度不低于8Lx。4、应制定维护计划,宜定期进行灯具清扫、光源更换及其他设施的维护。5、变压器临近

10、负荷中心布置以降低线路损耗:选用SG13节能型变压器,且应符合电力变压器能效限定值及能效等级GB20052-2020相关规定:适当加大回路电缆规格,降低线路损耗。6、电力变压器、电动机、交流接触滞和照明产品的能效水平应高于能效限定值或能效等级3级的要求。8、接地系统1、路灯接地系统采用TN-S接地系统,设置专用的PE接地线,采用熔断器作接地故障保护,为提高末端单相接地故障电流,满足熔断器灵敏度校验,故PE接地线采用与相、零线同截面的铜芯线,与相、零线同管敷设,另外,为防止故障电压沿专用的PE接地线串接,故设置直复接地,要求除在首端和末端设重复接地外,还要求每2盏路灯再设重复接地,接地极为两根长

11、2.5m水平间距不小于5.Om的L50X5热镀锌角钢接地体,要求其上部埋深不小于0.8m,底部制成尖角形,两根热镀锌角钢之间采用-40X4热镀锌扁钢联接,详接地装置安装”图集号:14D504,灯杆基础钢筋、热镀锌扁钢、灯杆、基座等非带电金属体均应与PE线可靠联接,要求接地电阻不大于1.0欧姆。2、箱式变电站接地系统箱式变电站接地装置采用热镀锌角钢接地极L=2.5m,上端部埋深0.8m,水平间距不小于5m,接地极连接热镀锌扁钢-50*5,实测接地电阻不大于1欧。3、电气装置的下列金属部分,均应与接地装置可靠连接。a、变压器、配电柜等的金属底座和外壳。5、照明配电系统1、供电干线采用YJV-0.6

12、/IKv的单芯全塑铜芯交联电缆,采用380/22OV三相五线制低压供电。由供电干线引上至顶部灯具的分支线采用BVV-O.5KV-3X2.5的绝缘护套线,为平衡三相负荷,灯具的接线顺序为:LI,L2,L3,LI,L2,L3的三相跳接顺序。本工程低压电缆各相线应按国家规范加以区分。2、在每处灯杆旁均设置500X500分线检查井,过街两端设置600X600中型手孔井,箱变出线处设置大型检查井。灯具的分支线与照明干线的接线方式采用电缆绝缘穿刺线夹的分线方式。检查并用UPVC75的塑料管接入附近的雨水系统,亦可采用自然渗漏的方式。3、电缆保护管伸出工作井壁30un50un,有多根电缆管时,管口应排列整齐

13、,不应有上翘下坠现象。4、电缆芯线的连接采用压接,所有的连接接头必须在检查井内,保护管内不得有电缆接头。5、在每一个接线井内的电缆应留有L5米长的余量。6、检查井采用隙形井盖,详相关大样图。7、机械敷设电缆时,铜芯电缆最大允许牵引强度不宜大于70Nmm8、当电气设备采用保护电器自动切断电源作为低压电击故障防护措施时,对于线对地标称电压为交流220V的TN系统和TT系统,额定电流不超过63A的电源插座回路及额定电流不超过32A固定连接的电气设备的终端回路,切断电源的最长时间应符合下列规定:2 TN系统切断电源的最长时间应为0.4s。3 TT系统切断电源的最长时间应为0.2s;当系统采用过电流保护

14、电器切断电源,且采取保护等电位联结措施时,其切断电源的最长时间应为0.4s。6、照明供电管线敷设1、本次室外管道在人行道下布置时采用UPVCl10/4电缆保护管,车行道下敷设时采用BDloO/5玻璃钢管,并采用混凝土包封,照明管道中应预留8#铁丝,便于穿线。2、照明管道在球化带和车行道下埋深不应小于0.7米,人行道下埋深不应小于0.5米。3、要求UPVCIlo管材环刚度N8kW11f,BD100管材环刚度212kNm3、地下或半地下砌体结构,砖砌体强度等级不应低于MUl0,块石砌体强度等级不应低于MU20;砌筑砂浆应采用水泥砂浆,强度等级不应低于M7.5。4、地下管道的混凝土强度等级不应低于C25:构造柱、芯柱、圈梁及其他各类构件的混凝士强度等级不应低于C25.

展开阅读全文
相关资源
猜你喜欢
相关搜索

当前位置:首页 > 建筑/环境 > 环保行业

copyright@ 2008-2023 1wenmi网站版权所有

经营许可证编号:宁ICP备2022001189号-1

本站为文档C2C交易模式,即用户上传的文档直接被用户下载,本站只是中间服务平台,本站所有文档下载所得的收益归上传人(含作者)所有。第壹文秘仅提供信息存储空间,仅对用户上传内容的表现方式做保护处理,对上载内容本身不做任何修改或编辑。若文档所含内容侵犯了您的版权或隐私,请立即通知第壹文秘网,我们立即给予删除!