用三菱FXPLC实现机械手的顺序控制教学案例.docx

上传人:p** 文档编号:489596 上传时间:2023-09-19 格式:DOCX 页数:8 大小:252.11KB
下载 相关 举报
用三菱FXPLC实现机械手的顺序控制教学案例.docx_第1页
第1页 / 共8页
用三菱FXPLC实现机械手的顺序控制教学案例.docx_第2页
第2页 / 共8页
用三菱FXPLC实现机械手的顺序控制教学案例.docx_第3页
第3页 / 共8页
用三菱FXPLC实现机械手的顺序控制教学案例.docx_第4页
第4页 / 共8页
用三菱FXPLC实现机械手的顺序控制教学案例.docx_第5页
第5页 / 共8页
用三菱FXPLC实现机械手的顺序控制教学案例.docx_第6页
第6页 / 共8页
用三菱FXPLC实现机械手的顺序控制教学案例.docx_第7页
第7页 / 共8页
用三菱FXPLC实现机械手的顺序控制教学案例.docx_第8页
第8页 / 共8页
亲,该文档总共8页,全部预览完了,如果喜欢就下载吧!
资源描述

《用三菱FXPLC实现机械手的顺序控制教学案例.docx》由会员分享,可在线阅读,更多相关《用三菱FXPLC实现机械手的顺序控制教学案例.docx(8页珍藏版)》请在第壹文秘上搜索。

1、PLC实现机械手的顺序控制案例一、工作要求1、分析系统工作原理。2、设计出手动和自动控制的程序。二、工作过程分析SQ4SQ3夕右行YV3 RSQ2上升YV2 SQl如图所示是一气动机械手动作示意图,其功能是将工件从A处移送到B处。气动机械手的升降和左右移行分别使用了双线圈的电磁阀,在某方向的驱动线圈失电时能保持在原位,必须驱动反方向的线圈才能反向运动。上升、下降对应的电磁阀线圈分别是YV2、YVl,右行、左行对应的电磁阀线圈分别是YV3、YV4o机械手的夹钳使用单线圈电磁阀YV5,线圈通电时夹紧工件,断电时松开工件。通过设置限位开关SQl、SQ2、SQ3、SQ4分别对机械手的下降、上升、右行、

2、左行进行限位,而夹钳不带限位开关,它是通过延时1.7s来表如图所示为机械手的操作面板,机械手能实现手动、回原位、单步、单周期和连续等五种工作方式。手动工作方式时,用各按钮的点动实现相应的动作;回原位工作方式时,按下“回原位”按钮,则机械手自动返回原位:单步工作方式时,每按一次起动按钮,机械手向前执行一步;选择单周期工作方式时,每按一次起动按钮,机械手只运行一个周期就停下;连续工作方式时,机械手在原位,只要按下起动按钮,机械手就会连续循环动作,直到按下停止按钮,机械手才会最后运行到原位并停下;而在传送工件的过程中,机械手必须升到最高位置才能左右移动,以防止机械手在较低位置运行时碰到其它工件。三、

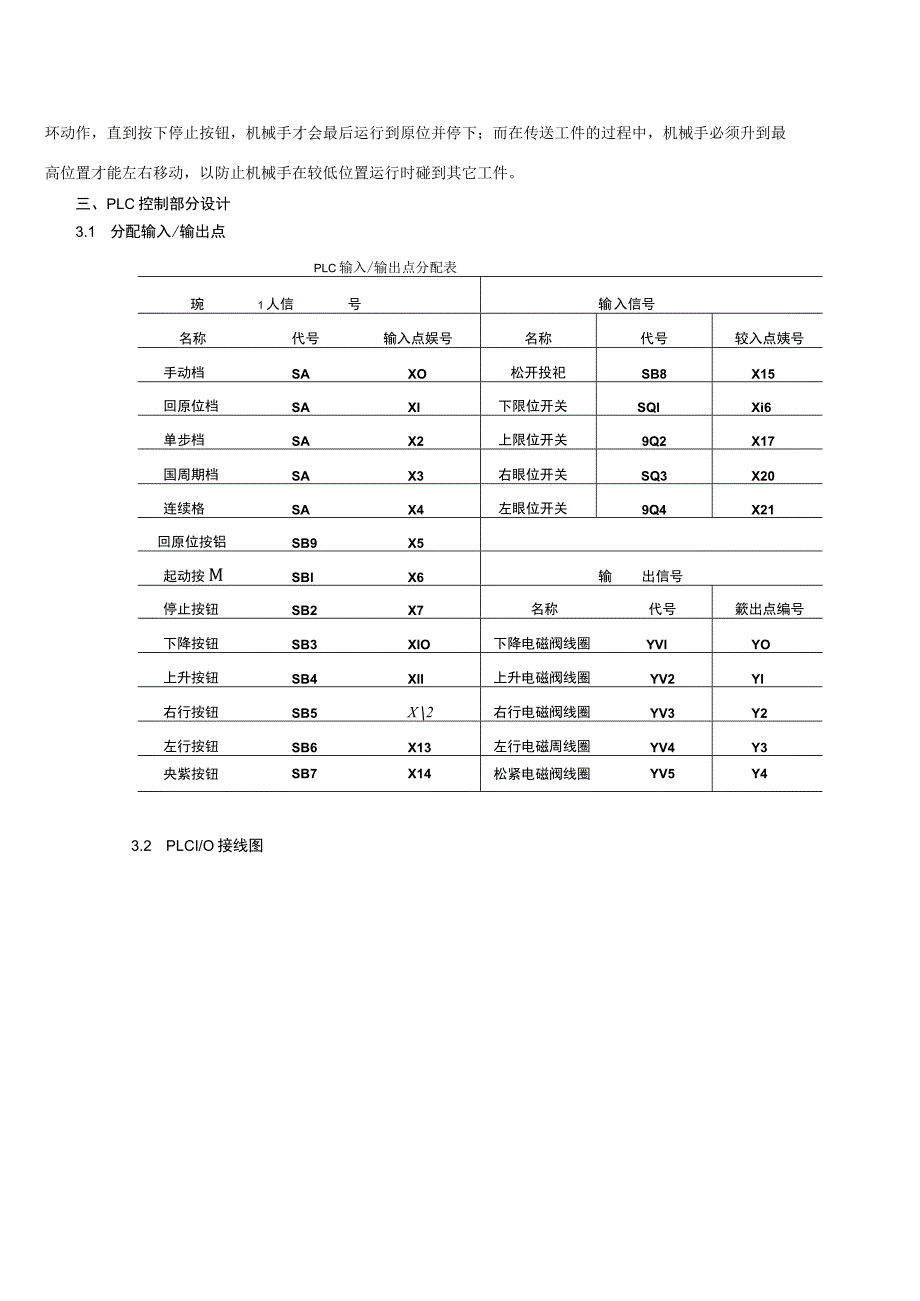
3、PLC控制部分设计3.1 分配输入/输出点PLC输入/输出点分配表琬1人信号输入信号名称代号输入点娱号名称代号较入点姨号手动档SAXO松开投祀SB8X15回原位档SAXl下限位开关SQlXi6单步档SAX2上限位开关9Q2X17国周期档SAX3右眼位开关SQ3X20连续格SAX4左眼位开关9Q4X21回原位按铝SB9X5起动按MSBlX6输出信号停止按钮SB2X7名称代号簌出点编号下降按钮SB3XIO下降电磁阀线圈YVlYO上升按钮SB4Xll上升电磁阀线圈YV2Yl右行按钮SB5X2右行电磁阀线圈YV3Y2左行按钮SB6X13左行电磁周线圈YV4Y3央紫按钮SB7X14松紧电磁阀线圈YV5Y

4、43.2 PLCI/O接线图手动一CrXOT回原位aXlSA/220V单步单周期X2X3NC0连馍X4回原位SB9rX5起动SBIqX6220V停止SB2t-t-TX7V1V1下降SB3lj-jXlO上升SB4十一XllPLCFUl右行SB5ljX12左行夹紧SB6l-ljSB7LjX13X14YOYl下降上升松开SBgjt_YX15Y2口右行下限位SQlLlJX16Y3口74左行上限位SQ严CXUX17Y4夹紧右限位X20左眼位SQ4X21COMI/O接线图3.3 程序设计3.3.1基本指令编程机械手系统的程序总体结构如图所示,分为公用程序、自动程序、手动程序和回原位程序等四部分。其中自动程

5、序包括单步、单周期和连续运行的程序,因它们的工作顺序相同,所以可将它们合编在一起。CJ(FNCOO)是条件跳转应用指令,指针标号PD是其操作数。该指令用于某种条件下跳过CJ指令和指针标号之间的程序,从指针标号处继续执行,以减少程序执行时间。如果选择“手动”工作方式,即XO为ON,Xl为OFF,则PLC执行完公用程序后,将跳过自动程序到PO处,由于XO动断触点断开,所以直接执行“手动程序”。由于Pl处的Xl的动断触点闭合,所以又跳过回原位程序到P2处。如果选择“回原位”工作方式,同样只执行公用程序和回原位程序。如果选择“单步”或“连续”方式,则只执行公用程序和自动程序。公用程序如下图所示,当Y4

6、复位(即松紧电磁阀松开)、左限位X21和上限位X17接通时,辅助继电器MO变为ON,表示机械手在原位。这时,如果开始执行用户程序(M8002为ON)、系统处于手动或回原位状态(XO或Xl为ON),那么初始步对应的MlO被置位,为进入单步、单周期、连续工作方式作好准备。如果MO为OFF,Mlo被复位,系统不能进入单步、单周期、连续工作方式。图中的指令ZRST(FNC40)是成批复位的应用指令,当XO为ON时,对M11M18的辅助继电器复位,以防止系统从自动方式转换到手动方式,再返回自动方式时出现两种不同的活动步。手动程序用XI0-X15对应机械手的上下左右移行和夹钳松紧的按钮。按下不同的按钮,机

7、械手执行相应的动作。在左、右移行的程序中串联上限位置开关的动合触点是为了避免机械手在较低位置移行时碰撞其它工件。为保证系统安全运行,程序之间还进行了必要的联锁。公共程序手动程序何原位程序如下图,在系统处于回原位工作状态时,按下回原位按钮(X5为ON),M3变为ON,机械手松开和上升,当升到上限位(X17变为0N),机械手左行,直到移至左限位(X21变为ON)才停止,并且M3复位。回原位程序自动程序如下图所示,系统工作为单步方式时,X2为ON,其动断触点断开,辅助继电器一般情况下M2为OFFoX3、X4都为OFF,“单周期”和“连续”工作方式被禁止。假设系统处于初始状态,MlO为ON,当按下起动

8、按钮X6时,M2变为ON,使Mll为ON,YO线圈得电,机械手下降。放开起动按钮后,M2立即变为OFF。当机械手下降到下限位时,与Yo线圈串联的X16动断触点断开,Yo线圈失电,机械手停止下降。此时,Mil、X16均为ON,其动合触点接通,再按下起动按钮X6时,M2又变为ON,M12得电并自保持,机械手进入夹紧状态,同时MIl也变为OFF。在完成某一步的动作后,必须按一次起动按钮,系统才能进入下一步。右行SEl4夹紧如果选择的是单周期工作方式,此时X3为ON,X2的动断触点接通,M2为0N,允许转换。在初始步时按下起动按钮X6,在MIl电路中,因MIO、X6、M2的动合触点和M12的动断触点都

9、接通,所以MlI变为ON,Yo也变为0N,机械手下降。当机械手碰到下限位开关X16时停止下降,M12变为ON,Y4也变为0N,机械手进入夹紧状态,经过1.7s后,机械手夹紧工件开始上升。这样,系统就会按工序一步一步向前运行。当机械手在M18步返回原位时,X4为OFF,其动合触点断开,此时不是连续工作方式,因此机械手不会连续运行。系统处于连续方式时,X4为ON,它的动合触点闭合,在初始步时按下起动按钮X6,Ml得电自保持,选择连续工作方式,其它工作过程与单周期方式相同。按下停止按钮X7后,Ml变为OFF,但系统不会立即停下,在完成当前的工作周期后,机械手最终停在原位。3.3.2基本指令、初始状态

10、指令和步进指令配合的编程方法M80001STXOS20S27(a)初始化程序(b)手动方式程序(c)回原位方式程序)自动方式程序(d)初始状态指令顺序控制的程序如图10-16所示。图(a)为初始化程序,它保证了机械手必须在原位才能进入自动工作方式。图(b)为手动方式程序,机械手的夹紧、放松及上下左右移行由相应的按钮完成。在图(c)回原位方式程序中,只需按下回原位按钮即可。图中除初始状态继电器外,其它状态继电器应使用回零状态继电器S10S19图(d)为自动方式程序,M8041和M8044都是在初始化程序中设定的,在程序运行中不再改变。下面是上图对应的语句表程序。ms22s22511s23/X18

11、s24s241s25sn7s26s26夕夕一S1STLsSETSTLousSTLouSTLs73747677787981828384868788899192931.DSETSTL969799stsetstl0ut30ut0001020405060709101AIl1141111A1a1*1*Y3Y2S1X5S10S10Y4Y0Y1X17S11S11Y1Y3X2S12S12M8043S12S2M8041M8044S20S20YOX16S21S21Y4TOK17ANIOUTSTLLDSETSTLRSTRSTOUTLDSETSTLRSTOUTLDSETSTL343536373840414243444547484950515354565859606163646566686970ETRSTTLLDIETTLDUTLDETTLETDUTSrslassclsssc0005417O6371270X21X17Y4M8M860X0S20S27S0X1Y4X1Y4X1X1Y0Y1X1X1Y1Y0X1X1X2Y2Y3X1X1X2T*TxITl1II.1I9NNUDN11dddnnUdnnudnnnUdnnAAOUOuaaouaaaOuaaO12356131415161718192021222324252627282930313233

展开阅读全文
相关资源
猜你喜欢
相关搜索

当前位置:首页 > 汽车/机械/制造 > 数控机床

copyright@ 2008-2023 1wenmi网站版权所有

经营许可证编号:宁ICP备2022001189号-1

本站为文档C2C交易模式,即用户上传的文档直接被用户下载,本站只是中间服务平台,本站所有文档下载所得的收益归上传人(含作者)所有。第壹文秘仅提供信息存储空间,仅对用户上传内容的表现方式做保护处理,对上载内容本身不做任何修改或编辑。若文档所含内容侵犯了您的版权或隐私,请立即通知第壹文秘网,我们立即给予删除!