100B-GZ管桩专用变频器.docx

上传人:p** 文档编号:490316 上传时间:2023-09-19 格式:DOCX 页数:4 大小:41.36KB
下载 相关 举报
100B-GZ管桩专用变频器.docx_第1页
第1页 / 共4页
100B-GZ管桩专用变频器.docx_第2页
第2页 / 共4页
100B-GZ管桩专用变频器.docx_第3页
第3页 / 共4页
100B-GZ管桩专用变频器.docx_第4页
第4页 / 共4页
亲,该文档总共4页,全部预览完了,如果喜欢就下载吧!
资源描述

《100B-GZ管桩专用变频器.docx》由会员分享,可在线阅读,更多相关《100B-GZ管桩专用变频器.docx(4页珍藏版)》请在第壹文秘上搜索。

1、产品功能名称:O100系列管桩专用变频器相关说明功能技术特点:采用16位微处理器,电压空间矢量SVPWM控制方式高精度LED数字显示:目标频率、输出频率、输出电流、输入电压、运行时间快速稳定的频率给定方式:面板给定与外部电位器模拟给定高精度频率调节,频率精度为0.01Hz设计5个4步程序模式,频率和时间可以单独设置启动方式灵活:面板方式、外部按钮方式、外部开关方式两种计时方式:加计时方式、减计时方式保护功能完善:输入过欠压、过载、加速过流、定速过流、减速过流、短路等载波频率L815.0KHz任意设定内置485通讯接口功能技术标准:O参考100B说明书.使用注意事项:O参考100B说明书.铭牌说

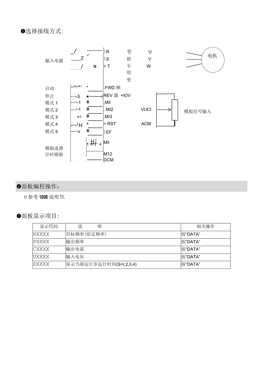
2、明:专用变频器名称:GZ-管桩机专用变频输入电压等级:4-380V输出频率:L-0400Hz适配功率:0150-15KWDZB100B系歹IJ选择接线方式:_/ T专W用变启动e-l1(.FWD 频停止-Jj(REV 器 +IOV模式1j-1B1.MIl模式2j-1B1. MI2VUCI模式3B(.MI3模式4-lh RSTACM模式5-uB()EF模拟选择1 圻4MIl计时刷新M12QDCM模拟信号输入面板编程操作:O参考100B说明书.面板显示项目:显示代码说明相关操作HXXXX目标频率(给定频率)按“DATA”PXXXX输出频率按“DATA”CXXXX输出电流按“DATA”UXXXX输入

3、电压按“DATA”SXXXX显示当前运行步运行时间(S=I,2,3,4)按“DATA”基础应用参数列表:代码参数名称设定范围出厂值Fl-15程序模式设定15Fl-16第一频率设定0.00最高频率Fl-17第一时间设定09999SeCFl-18第二频率设定0.00最高频率Fl-19第二时间设定09999SeCFl-20第三频率设定0.00最高频率Fl-21第三时间设定09999SeCFl-22第四频率设定0.00最高频率Fl-23第四时间设定09999secFl-24计时方式设定00:加计时方式01:减计时方式备注:上表中未列出的参数请参考IOoB说明书.基础应用参数说明:Fl-15名称程序模式

4、设定出厂值1设定范围15ffl此参数设定F1-16-F1-23所对应的模式。1 .当5个外部信号端子都无效状态下,可以直接修改2 .当5个外部信号端子有信号时,Fl15将自动修正为当前输入端子所选择的模式例:F15=3时,则F116F123为模式3时的参数值ffl运行状态下模式选择无效。Fl-16名称第一频率设定出厂值00设定范围0.00最高频率Fl-17名称第一时间设定出厂值00设定范围09999secFl-18名称第二频率设定出厂值00设定范围0.00最高频率Fl-19名称第二时间设定出厂值00设定范围09999secFl-20名栋第三频率设定二出厂值OO设定范围0.00最高频率Fl-21

5、名称第三时间设定出厂值00设定范围09999secFl-22名称第四频率设定出厂值00设定范围0.00最高频率Fl-23名称第四时间设定出厂值00设定范围09999sec&Fl-16、18、20、22为对应模式下的4个程序步的给定频率,设定范围为“0最高频率”,单位“HZ”。FLr7、19、21、23为对应模式下的4个程序步的对应时间,设定范围为“0-9999”,单位“秒”。EQ运行状态下不能修改参数Fl16230Fl-24名称计时方式设定出厂值00设定范围00:加计时方式01:减计时方式Efl此参数设定变频器的计时方式。备注:其余参数说明请参考100B说明书.故障诊断及处理方法:O参考100B说明书.

展开阅读全文
相关资源
猜你喜欢
相关搜索

当前位置:首页 > 办公文档 > 事务文书

copyright@ 2008-2023 1wenmi网站版权所有

经营许可证编号:宁ICP备2022001189号-1

本站为文档C2C交易模式,即用户上传的文档直接被用户下载,本站只是中间服务平台,本站所有文档下载所得的收益归上传人(含作者)所有。第壹文秘仅提供信息存储空间,仅对用户上传内容的表现方式做保护处理,对上载内容本身不做任何修改或编辑。若文档所含内容侵犯了您的版权或隐私,请立即通知第壹文秘网,我们立即给予删除!