高温、有毒有害作业提前退休工种范围表.docx

上传人:p** 文档编号:490833 上传时间:2023-09-19 格式:DOCX 页数:2 大小:15.14KB
下载 相关 举报
高温、有毒有害作业提前退休工种范围表.docx_第1页
第1页 / 共2页
高温、有毒有害作业提前退休工种范围表.docx_第2页
第2页 / 共2页
亲,该文档总共2页,全部预览完了,如果喜欢就下载吧!
资源描述

《高温、有毒有害作业提前退休工种范围表.docx》由会员分享,可在线阅读,更多相关《高温、有毒有害作业提前退休工种范围表.docx(2页珍藏版)》请在第壹文秘上搜索。

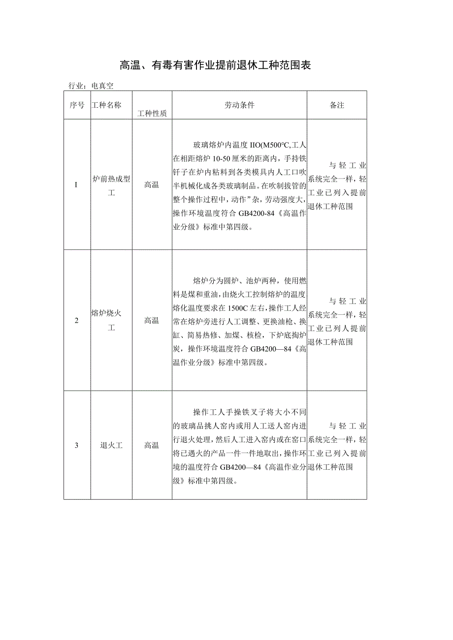
1、高温、有毒有害作业提前退休工种范围表行业:电真空序号工种名称工种性质劳动条件备注I炉前热成型工高温玻璃熔炉内温度IIO(M500,工人在相距熔炉10-50厘米的距离内,手持铁钎子在炉内粘料到各类模具内人工口吹半机械化成各类玻璃制品。在吹制拔管的整个操作过程中,动作”杂,劳动强度大,操作环境温度符合GB4200-84高温作业分级标准中第四级。与轻工业系统完全一样,轻工业已列入提前退休工种范围2熔炉烧火工高温熔炉分为圆炉、池炉两种,使用燃料是煤和重油,由烧火工控制熔炉的温度,熔化温度要求在1500C左右,操作工人经常在熔炉旁进行人工调整、更换油枪、换缸、简易热修、加煤、核检,下炉底掏炉炭,操作环境

2、温度符合GB420084高温作业分级标准中第四级。与轻工业系统完全一样,轻工业已列人提前退休工种范围3退火工高温操作工人手操铁叉子将大小不同的玻璃品挑人窑内或用人工送人窑内进行退火处理,然后人工进入窑内或在窑口将已遇火的产品一件一件地取出,操作环境的温度符合GB420084高温作业分级标准中第四级。与轻工业系统完全一样,轻工业已列入提前退休工种范围4灯工高温将玻璃制品通过焊接加工成各种各样要求的型状,操作工人手拿焊具直接接触喷灯火焰,在操作过程中产生大量的一氧化碳,超过国家规定的卫生标准,操作环境温度符合GB4200-84高温作业分级标准中第四级与轻工业系统完全一样,轻工业已列入提前退休工种范围5浇铅头工有毒有害普通灯泡、特种灯泡、钠灯等用含铅70,90%的合金焊尾(即灯头负极接点),浇铅时,接触铅烟。与轻工业系统完全一样,轻工业已列入提前退休工种范围。

展开阅读全文
相关资源
猜你喜欢
相关搜索

当前位置:首页 > 办公文档 > 调研文书

copyright@ 2008-2023 1wenmi网站版权所有

经营许可证编号:宁ICP备2022001189号-1

本站为文档C2C交易模式,即用户上传的文档直接被用户下载,本站只是中间服务平台,本站所有文档下载所得的收益归上传人(含作者)所有。第壹文秘仅提供信息存储空间,仅对用户上传内容的表现方式做保护处理,对上载内容本身不做任何修改或编辑。若文档所含内容侵犯了您的版权或隐私,请立即通知第壹文秘网,我们立即给予删除!