煤矿工序、中间、竣工验收选择检查点及测点的规定.docx

上传人:p** 文档编号:499575 上传时间:2023-09-26 格式:DOCX 页数:1 大小:16.89KB
下载 相关 举报
煤矿工序、中间、竣工验收选择检查点及测点的规定.docx_第1页
第1页 / 共1页
亲,该文档总共1页,全部预览完了,如果喜欢就下载吧!
资源描述

《煤矿工序、中间、竣工验收选择检查点及测点的规定.docx》由会员分享,可在线阅读,更多相关《煤矿工序、中间、竣工验收选择检查点及测点的规定.docx(1页珍藏版)》请在第壹文秘上搜索。

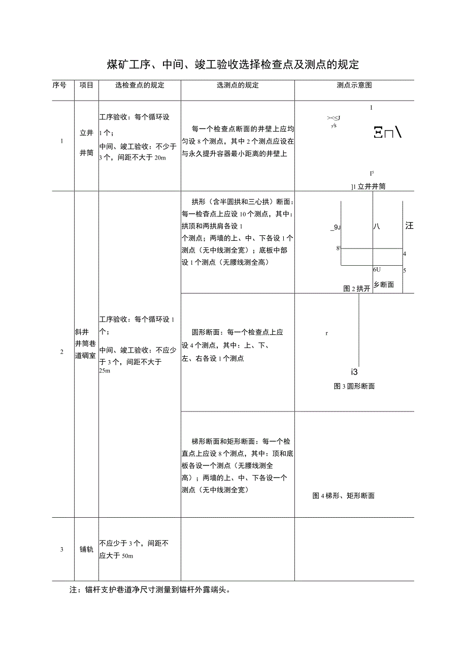
煤矿工序、中间、竣工验收选择检查点及测点的规定序号项目选检查点的规定选测点的规定测点示意图工序验收:每个循环设IJ立井1个;每一个检查点断面的井壁上应均匀设8个测点,其中2个测点应设在与永久提升容器最小距离的井壁上7s1井筒中间、竣工验收:不少于3个,间距不大于20mI51立井井筒拱形(含半圆拱和三心拱)断面:每一检杳点上应设10个测点,其中:拱顶和两拱肩各设1_9j八汪斜井工序验收:每个循环设1个;个测点;两墙的上、中、下各设1个测点(无中线测全宽);底板中部设1个测点(无腰线测全高)8l45图2拱开6U乡断面圆形断面:每一个检查点上应设4个测点,其中:上、下、左、右各设1个测点r2井筒巷道碉室中间、竣工验收:不应少于3个,间距不大于25mi3图3圆形断面梯形断面和矩形断面:每一个检直点上应设8个测点,其中:顶和底板各设一个测点(无腰线测全高);两墙的上、中、下各设一个测点(无中线测全宽)图4梯形、矩形断面3铺轨不应少于3个,间距不应大于50m注:锚杆支护巷道净尺寸测量到锚杆外露端头。

展开阅读全文
相关资源
猜你喜欢
相关搜索

当前位置:首页 > 管理/人力资源 > 质量管理

copyright@ 2008-2023 1wenmi网站版权所有

经营许可证编号:宁ICP备2022001189号-1

本站为文档C2C交易模式,即用户上传的文档直接被用户下载,本站只是中间服务平台,本站所有文档下载所得的收益归上传人(含作者)所有。第壹文秘仅提供信息存储空间,仅对用户上传内容的表现方式做保护处理,对上载内容本身不做任何修改或编辑。若文档所含内容侵犯了您的版权或隐私,请立即通知第壹文秘网,我们立即给予删除!