压力管道(含调压井、引水隧洞)混凝土工程施工.docx

上传人:p** 文档编号:502941 上传时间:2023-10-02 格式:DOCX 页数:9 大小:108.06KB
下载 相关 举报
压力管道(含调压井、引水隧洞)混凝土工程施工.docx_第1页
第1页 / 共9页
压力管道(含调压井、引水隧洞)混凝土工程施工.docx_第2页
第2页 / 共9页
压力管道(含调压井、引水隧洞)混凝土工程施工.docx_第3页
第3页 / 共9页
压力管道(含调压井、引水隧洞)混凝土工程施工.docx_第4页
第4页 / 共9页
压力管道(含调压井、引水隧洞)混凝土工程施工.docx_第5页
第5页 / 共9页
压力管道(含调压井、引水隧洞)混凝土工程施工.docx_第6页
第6页 / 共9页
压力管道(含调压井、引水隧洞)混凝土工程施工.docx_第7页
第7页 / 共9页
压力管道(含调压井、引水隧洞)混凝土工程施工.docx_第8页
第8页 / 共9页
压力管道(含调压井、引水隧洞)混凝土工程施工.docx_第9页
第9页 / 共9页
亲,该文档总共9页,全部预览完了,如果喜欢就下载吧!
资源描述

《压力管道(含调压井、引水隧洞)混凝土工程施工.docx》由会员分享,可在线阅读,更多相关《压力管道(含调压井、引水隧洞)混凝土工程施工.docx(9页珍藏版)》请在第壹文秘上搜索。

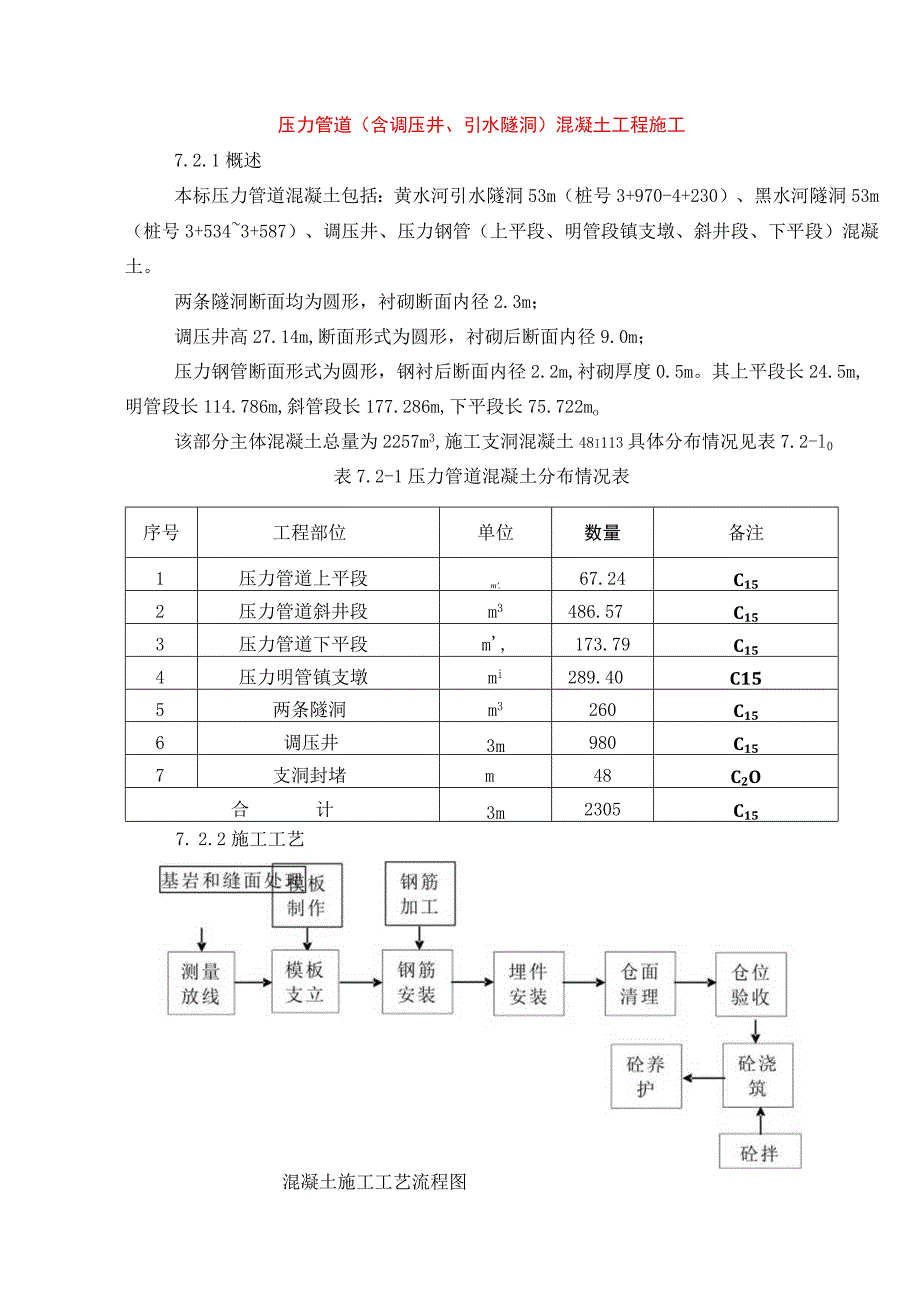
1、压力管道(含调压井、引水隧洞)混凝土工程施工7.2.1概述本标压力管道混凝土包括:黄水河引水隧洞53m(桩号3+970-4+230)、黑水河隧洞53m(桩号3+5343+587)、调压井、压力钢管(上平段、明管段镇支墩、斜井段、下平段)混凝土。两条隧洞断面均为圆形,衬砌断面内径2.3m;调压井高27.14m,断面形式为圆形,衬砌后断面内径9.0m;压力钢管断面形式为圆形,钢衬后断面内径2.2m,衬砌厚度0.5m。其上平段长24.5m,明管段长114.786m,斜管段长177.286m,下平段长75.722mo该部分主体混凝土总量为2257m3,施工支洞混凝土48i113具体分布情况见表7.2-

2、l0表7.2-1压力管道混凝土分布情况表序号工程部位单位数量备注1压力管道上平段m,67.24C152压力管道斜井段m3486.57C153压力管道下平段m,173.79C154压力明管镇支墩mi289.40C155两条隧洞m3260C156调压井3m980C157支洞封堵m48C2O合计3m2305C157.2.2施工工艺混凝土施工工艺流程图7.2.3施工程序混凝土施工程序流程图7.2.4施工方法压力管道混凝土运输情况见下表:表7.2.4-1压力管道混凝土的运输情况表序浇筑部位水平运输设备水平运输路线运距(m)入仓设备1引水隧洞6m3碎搅拌运输车拌和系统一2路一1776m进人孔2279.2混

3、凝土泵2调压井6m3碎搅拌运输车、5t自卸汽车拌和系统f2.路179Om25005t卷扬机吊Im料罐配合溜槽3压力管道上平段6m3碎搅拌运输车拌和系统一2.路一1766In进人孔2279.2混凝土泵4压力管道明管段6m:,碎搅拌运输车拌和系统f2.路一1672.86m进人孔1422.3混凝土泵配合手推车5压力管道斜管段6m3碎搅拌运输车拌和系统一2.路一1547m支洞264.4混凝土泵6压力管道下平段6m3碎搅拌运输车拌和系统一2.路一1547In支洞264.4混凝土泵7支洞封堵6m3碎搅拌运输车拌和系统f2路一1547In支洞264.4混凝土泵配合胶带机7.2.4.1施工方法概述引水隧洞根据

4、引水隧洞的布置形式、结构特点及施工总进度的安排,在每条隧洞全部开挖作业完成后,即进行相应隧洞的混凝土衬砌施工。隧洞混凝土施工安排在2003.92004.IO施工,平均月浇筑强度为174m两条引水隧洞混凝土衬砌施工采用定型模板,混凝土泵入仓的方式,由里向外朝调压井方向分段施工,并交替进行,混凝土浇筑段均长10m,最大浇筑段长Ilm0为避免调压井开挖对隧洞混凝土的震动影响,待调压井开挖结束后再进行隧洞混凝土衬砌。调压井因调压井采用自上而下的开挖顺序,为保证调压井进口岩体的稳固,根据调压井上部开挖岩体的特性,在调压井上部扩挖到一定深度时(h=6m或9m),进行锁口施工(按设计图纸混凝土体形厚度,浇筑

5、3m或6m深混凝土保护调压井上部岩体)。根据调压井的布置形式、结构特点及施工总进度的安排,在调压井全部开挖及两条隧洞衬砌完成后,即开始调压井剩余混凝土施工。调压井混凝土施工安排在2003.102004.12施工。调压井混凝土施工主要采用定型钢模板,混凝土入仓方式主要采用溜槽配合5t卷扬机吊1m,卧罐入仓,钢筋、模板用5t卷扬机送入仓内,混凝土浇筑由下至上以3m为一层分层进行。启闭机排架混凝土:排架施工先浇立柱,再浇横梁。使用组合钢模板,并在现场拼装立模。钢筋在加工厂加工后运至现场绑扎、焊接。混凝土仍用6113搅拌运输车运送至现场,由混凝土泵输送入仓,并用插入式振捣器振捣密实。压力管道明管段镇支

6、墩根据开挖进度和场地布置的限制,压力管道混凝土施工在明管段镇支墩全部开挖完成后进行。因压力管道明管段镇支墩分布在斜坡上,拟在镇支墩基础全部开挖完成后,挖方设备退出,移交工作面后,由混凝土泵站在高程1672.860m进人孔处,顺次浇筑混凝土。镇支墩浇筑施工采用组合钢模板辅以少量木模板,由IOt平板车从加工厂运送至1766m施工道路处或1672.86m施工道路处,就近由人工运送至仓内安装。压力管道明管段镇支墩施工安排在2003年11月12月o压力管道暗管段压力钢管暗管段混凝土浇筑以安装的钢衬为模板,其回填进度受压力管道安装进度的控制,混凝土的浇筑分段也由管道的安装管节长度确定。同时在混凝土浇筑时,

7、注意留出下段钢管安装长度。压力管道暗管段施工安排在2003年12月2004年2月。压力管道下平段混凝土施工在压力管道下平段全段开挖完成后,即进行回填混凝土施工。选用6n?混凝土运输车运送混凝土,由混凝土泵站在6=支洞与压力管道下平段入口处进行浇筑。压力管道斜井段回填混凝土,在下平段回填混凝土和斜井段开挖全段完成后进行。选用6m,混凝土运输车运送混凝土,由混凝土泵站在6支洞与压力管道下平段入口处进行浇筑。压力管道上平段回填混凝土,在调压井和隧洞混凝土浇筑完成后,进行施工。选用Gm?混凝土运输车运送混凝土,由混凝土泵在施工道路1766m处进行浇筑。7.2.4.2基础岩面和施工缝面处理基础岩面处理撬

8、除基础岩面上活动石块,清除浮罐、泥沙和污物,再用水冲洗干净,并引出积水。施工缝面的处理施工缝面包括工作缝和冷缝。待混凝土初凝至终凝前,适当时机,主要以人工打毛,加工成毛面。浇筑上一层混凝土前,对缝面上松动石子、泥沙和污物,冲洗干净,确保新老混凝土良好结合。7.2.4.3模板工程引水隧洞根据引水隧洞的结构型式,结合施工工艺、总进度安排和经济考虑,本工程混凝土施工拟选用的定型钢模板,定型钢模板长度为3m(或2m、1m),宽1.2m,钢模厚3mm0定型模板在加工厂分片制作,其中3m长模板共制作6块、2m模板共制作2块、Im模板共制作2块,制作成型后,用IOt平板车从加工厂运至压力管道上平段进人口处,

9、人工搬运至工作现场进行组装。引水隧洞混凝土分段分层施工,每段分为下半段施工和上半段施工。混凝土施工时,先进行引水隧洞的下半段施工,再进行上半段施工。引水隧洞上半段混凝土浇筑模板支撑形式示意见下图:1、木桁架2、预埋拉筋3、脚手架钢管4、已浇混凝土5、开挖面6、待浇混凝土7、由内圈向外圈依次是:钢筋围檄、定型钢模板8、方木(由木楔子固定)9、木楔子插图7.2.4-1隧洞上半段定型模板支撑示意图调压井根据调压井的结构型式,结合施工工艺、总进度安排和经济考虑,本工程混凝土施工在圆弧段使用的定型钢模板,闸门墩及闸门轨道槽的模板选用组合型钢模板辅以少量木模板。定型钢模板在加工厂分片制作成型后,用IOt平

10、板车从加工厂运至调压井顶部1790.4处,由5t卷扬机送入工作现场进行组装。定型钢模板形式见下图:插图7.2.4-2调压井定型钢模板结构示意图7.2.4.4钢筋工程各部位钢筋均在钢筋加工厂内加工成型后用5t载重汽车运到施工现场,按其类别与型号摆放整齐。根据设计施工图和测量点线,进行搭架、分距、摆放、绑扎和点焊。各种型号钢筋主要采用搭接手工电弧焊。手工电弧焊由具有合格资质的电焊工持证上岗,按有关规范和规定施焊。7.2.4.5锚筋工程锚筋施工采用手风钻造孔,清孔后人工按设计位置安装锚筋,罐式注浆机注浆。7.2.4.6预埋件安装预埋件在加工厂中加工,由5t载重汽车运送至现场进行安装。埋件安装应按设计

11、图纸要求的材料和设计位置经测量放点后进行埋设,埋设施工应在仓内模板和钢筋已施工完毕后进行。止水埋设应采用模板夹住或采用专制的铁卡夹住的方法固定,灌浆管埋设时不得依靠模板和构造钢筋固定,而要利用施工插筋单独焊架以固定牢靠。在混凝土浇筑时派专人值班保护埋件周围大粒径骨料用人工清除,并用小振捣器振捣密实。7.2.4.7浇筑准备和检查验收当一个浇筑仓面的施工缝面处理、模板支立、钢筋绑扎与焊接、埋件安装等工序完成后,就应立即从里到外进行浇筑仓位的清理工作。将施工时留在仓内的所有材料和弃料清出仓外,把模板和钢筋上的粘着的泥沙和污物、仓内施工缝面的活动石块、淤泥、沉积的砂子及一切污物清洗干净,待排出积水后堵

12、严缝隙,搭好必要的施工平台,并用清水将模板和施工缝面润湿。开仓前通过自检和初检,并按规定填写好检验单,再申请监理工程师组织验收,合格签认后立即开仓浇筑。7.2.4.8混凝土的运输和入仓混凝土的运输路线、运输设备、入仓手段见表7.2.4-1。引水隧洞混凝土衬砌时,为保证两侧混凝土均匀,使用两台混凝土泵同时从两侧下料,以减小两侧混凝土距离差。调压井混凝土浇筑时时.,为保证混凝土均匀上升,二边使用溜槽,一边使用5t卷扬机吊1m,卧罐,同时下料。调压井闸门轨道二期混凝土入仓采用混凝土泵或泵车入仓。压力管道暗管混凝土衬砌时,为保证两侧混凝土均匀,使用两台混凝土泵同时从两侧下料,以减小两侧混凝土距离差。7

13、.2.4.9混凝土平仓及振捣措施混凝土主要采用振捣器配合人工持铁铳平仓,但振捣器辅助平仓不能代替振捣。振捣选用有经验的混凝土工上岗按规范操作,防止过振和漏振。振捣采用电动高频插入式80mm型振捣器,埋件附近结构则采用5Omm电动软轴插入式振捣器振捣。7.2.4.10拆模与养护每个部位每个仓位混凝土浇筑完毕且达到规定强度后,应立即进行养护,主要采用洒水养护,有条件的部位预埋水管进行养护。模板的拆除应根据各部位的特点,按规范规定的混凝土需达到的强度要求,决定模板拆除时间,防止因抢进度提前拆模,从而影响混凝土质量。7.2.4.116,支洞封堵考虑到6*施工支洞施工设计断面较小,且岩石情况较好,拟定施

14、工支洞封堵段长15m,混凝土量为48m3o支洞封堵在压力管道下平段和斜井段回填混凝土完成后进行。封堵采用MgO低热微膨胀浇筑,浇筑方量为二级配C2。混凝土16m3(顶拱1.67m范围内),三级配C20混凝土32m30浇筑分层封堵段长15m,分2段浇筑。入仓手段及浇筑方法在混凝土浇筑时,完成清仓、模板及预埋件(回填灌浆管等)安装,并经验收合格后,即可开仓浇筑混凝土。浇筑用混凝土在拌和站集中拌制,采用6?混凝土搅拌运输车运送至封堵工作面后,由皮带机输送入仓,浇筑铺料一层,人工手持80电动插入式振捣器振捣一层,直至完成下部混凝土浇筑施工。上部混凝土利用HB30B混凝土泵入仓,完成混凝土的浇筑工作。养护混凝土在浇筑完成1218小时左右即可拆模养护。混凝土主要采取洒水或喷水养护,确保混凝土表面保持湿润状态。混凝土养护时间按照监理工程师的要求和有关规范执行,但不宜小于28天。7.2.5机械设备配置该部分投入的机械设备见表7.2.5-1所示。表7.2.57压力管道混凝土施工机械设备配置表序号名称型号单位数量备注1混凝土搅拌运输车6m3辆42混凝土泵HB30B台43自卸汽车5t辆44卷扬机5t台15平板车IOt辆26载重汽车5t辆37电焊机BX1-30-1438振捣器80/50Z2/4

展开阅读全文
相关资源
猜你喜欢
相关搜索

当前位置:首页 > 建筑/环境 > 水利工程

copyright@ 2008-2023 1wenmi网站版权所有

经营许可证编号:宁ICP备2022001189号-1

本站为文档C2C交易模式,即用户上传的文档直接被用户下载,本站只是中间服务平台,本站所有文档下载所得的收益归上传人(含作者)所有。第壹文秘仅提供信息存储空间,仅对用户上传内容的表现方式做保护处理,对上载内容本身不做任何修改或编辑。若文档所含内容侵犯了您的版权或隐私,请立即通知第壹文秘网,我们立即给予删除!