某安置房工程项目管理目标.docx

上传人:p** 文档编号:504532 上传时间:2023-10-02 格式:DOCX 页数:6 大小:157.28KB
下载 相关 举报
某安置房工程项目管理目标.docx_第1页
第1页 / 共6页
某安置房工程项目管理目标.docx_第2页
第2页 / 共6页
某安置房工程项目管理目标.docx_第3页
第3页 / 共6页
某安置房工程项目管理目标.docx_第4页
第4页 / 共6页
某安置房工程项目管理目标.docx_第5页
第5页 / 共6页
某安置房工程项目管理目标.docx_第6页
第6页 / 共6页
亲,该文档总共6页,全部预览完了,如果喜欢就下载吧!
资源描述

《某安置房工程项目管理目标.docx》由会员分享,可在线阅读,更多相关《某安置房工程项目管理目标.docx(6页珍藏版)》请在第壹文秘上搜索。

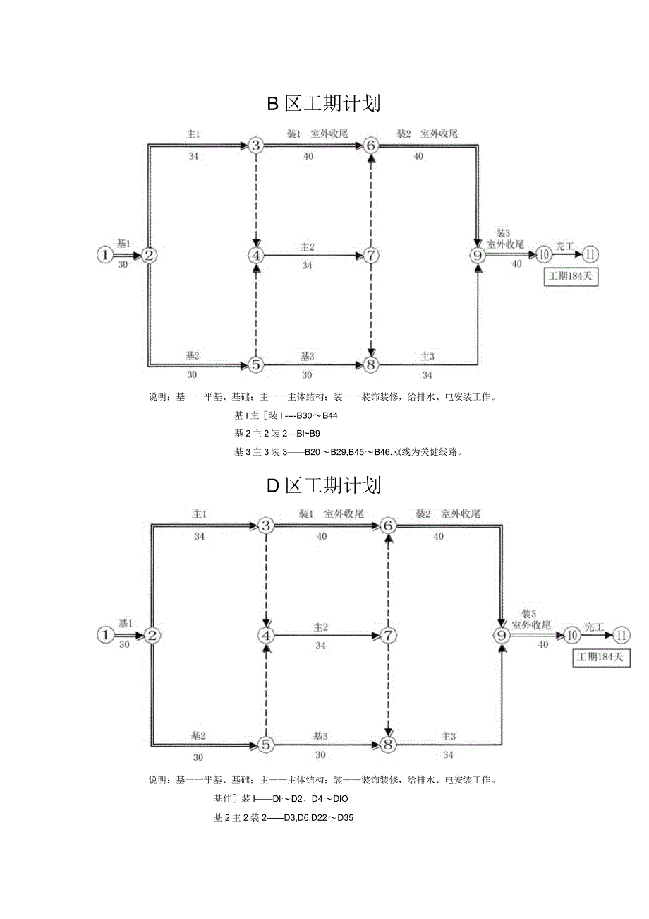
1、某安置房工程项目管理目标3.1 工程质量目标符合国家“工程施工质量验收规范”标准,单位(子单位)工程所含分部(子分部)工程的质量一次交验合格率100%。3.2 工程工期目标根据同类型工程的施工经验及招标文件的要求,工程交工时间为2009年03月31日。(如下图所示)A区工期计划说明:基平基基础:主一主体结构;装装饰装修,给排水,电安装工作。基2、主2、装2A7, A9A10; A2021; A22A25;基1、主1、装 1A1A19, A26;基3、主3、装3A3,A6,A8,A27A31.双线关健线路B区工期计划说明:基一一平基、基础;主一一主体结构;装一一装饰装修,给排水、电安装工作。基I

2、主装IB30B44基2主2装2BlB9基3主3装3B20B29,B45B46.双线为关健线路。D区工期计划说明:基一一平基、基础;主主体结构;装装饰装修,给排水、电安装工作。基佳装IDlD2、D4DlO基2主2装2D3,D6,D22D35基3主3装3DlID15,D18D21,双线为关健线路。甲、乙、丙、丁栋工期计划甲栋:一层平基基础(砌石)工作一层弹线 柱扎钢筋一层砌游一层柱支模柱浇硅一层圈梁支模板浇碎一层圈梁、板扎钢筋一层预制板安装补缝(养护)三层结构板浇征二层结构及屋面30平基、基础(砌石)工作已完成乙栋:平基、基础(砌石)工作已完成丙栋:丁栋:一层弹线,啪扎钢筋遍一层砌砖C-3:1一层

3、柱支模 柱浇碎一层圈梁支模,y板浇检一层圈梁、板山扎钢筋8 一层 预制板安装 补缝(养护),y板浇碎3082三层结构 及屋面三层结构 及屋面 _iT层预制板安装补缝(养护)加浇硅X二层结构二层结构1一层 圈梁、板 ML钢筋一层圈梁支模3板浇碎室外收尾*10工期IU天121一层一层一层柱支模柱浇酷一层弹线 柱扎钢筋一层 柱支模 柱浇般弹线程扎钢筋1平基、基础(砌石)工作已完成一层圈梁支模、板浇笈-一层 圈梁、板扎钢筋一层预制板安装补缝(养护)/板浇碎三层结构二层结构及屋面卷 卷 逐14说明:甲、乙、丙、丁栋表示A、B、C、D区中单体建筑,四个单体建筑栋号为一组,组合一个平面施工段,各工序形成流水

4、、连续作业。双线为关键线路,工期Ill天。3.3 安全生产目标本工程安全生产目标为:在整个施工过程中杜绝重大伤亡事故,事故(轻伤)发生频率控制在2%。以内。3.4 环保与文明施工目标严格按国家、省、市、企业的各项规定执行,达到贵阳市文明施工标准要求,确保达到“四化”工地:硬化:办公室、生活区区域的道路硬化;净化:生活区、办公区保持清洁卫生,现场做到工完、料净、场清;美化:在工程主要办公区设置2.2m砖砌围墙及铝彩板围挡,外墙面按建工集团视觉识别标准进行布置。在确保工程质量和工期的前提下,树立全员环保意识,采取有效措施,减少施工噪音和环境污染,自觉保护场内公用设施,最大限度减少对环境的污染。3.5 服务目标信守合同、密切配合、认真协调与各方关系,做好服务工作。开工前做好现场规划布置、施工资源准备等。对设计、设备、材料等提出合理化建议;施工中满足业主方对工程进度、质量、安全、文明施工等方面的要求,服从业主的调度与管理,积极协助业主对现场的管理。施工后服务:按照国家标准和合同要求在保修期内及时进行工程回访及维修服务。

展开阅读全文
相关资源
猜你喜欢
相关搜索

当前位置:首页 > 建筑/环境 > 房地产

copyright@ 2008-2023 1wenmi网站版权所有

经营许可证编号:宁ICP备2022001189号-1

本站为文档C2C交易模式,即用户上传的文档直接被用户下载,本站只是中间服务平台,本站所有文档下载所得的收益归上传人(含作者)所有。第壹文秘仅提供信息存储空间,仅对用户上传内容的表现方式做保护处理,对上载内容本身不做任何修改或编辑。若文档所含内容侵犯了您的版权或隐私,请立即通知第壹文秘网,我们立即给予删除!