CAD室内设计施工图规范.docx

上传人:p** 文档编号:507367 上传时间:2023-10-04 格式:DOCX 页数:8 大小:66.47KB
下载 相关 举报
CAD室内设计施工图规范.docx_第1页
第1页 / 共8页
CAD室内设计施工图规范.docx_第2页
第2页 / 共8页
CAD室内设计施工图规范.docx_第3页
第3页 / 共8页
CAD室内设计施工图规范.docx_第4页
第4页 / 共8页
CAD室内设计施工图规范.docx_第5页
第5页 / 共8页
CAD室内设计施工图规范.docx_第6页
第6页 / 共8页
CAD室内设计施工图规范.docx_第7页
第7页 / 共8页
CAD室内设计施工图规范.docx_第8页
第8页 / 共8页
亲,该文档总共8页,全部预览完了,如果喜欢就下载吧!
资源描述

《CAD室内设计施工图规范.docx》由会员分享,可在线阅读,更多相关《CAD室内设计施工图规范.docx(8页珍藏版)》请在第壹文秘上搜索。

1、CAD室内设计施工图规范1、线型颜色设定及用途(按打印时从粗到细排列)A、红色(色号为1):立、剖面上的水平线,剖切符号上的剖切短线。B、品红色(色号为6):仅用于图名上的水平线及圆圈。C、黄色(色号为2):平面上的墙线,立面上的柱线,剖面上的墙线及柱线。D、湖蓝色(色号为4):物体的轮廓线,剖面上剖切到的线,稍粗一些的线。E、白色(色号为7):各种文字,平面上的窗线,以及各种一般粗细的线。G、绿色(色号为3):剖断线,尺寸标注上的尺寸线、尺寸界线、起止符号,大样引出的圆圈及弧线,较为密集的线,最细的线。2、图层设置及图层内容(按附带图框中的图层显示顺序)层名图层颜色内容图层中颜色O白无白2黄

2、立、剖面中的地面水平线(红)剖面中墙线、柱线(黄)平面中的墙线、柱线(黄)黄、红3绿剖断线大样引出的圆圈及折线较密集的线及最细线门开启线表示隐藏的或看不见的虚线绿4湖蓝物体的轮廓线剖面上剖切到物体的线湖蓝7白图面上比轮廓线稍细一些的线及一般粗细的线白BH绿平面,立面,剖面上的填充图案绿depoints白不打印图框白DIM绿尺寸标注(尺寸值为白色)文字标注上的引出线绿、白K白图框白、黄、绿TEXT白文字图名索引符号剖切符号白、品红、绿、红3、文字标注高度、字型的设置内容A4书稿汉字、数字、英文H=SX1.7尺寸标注数字H=SXL5图名H=SX2图名中的英文H=SX2圆圈H=SX3S二当前图框比例

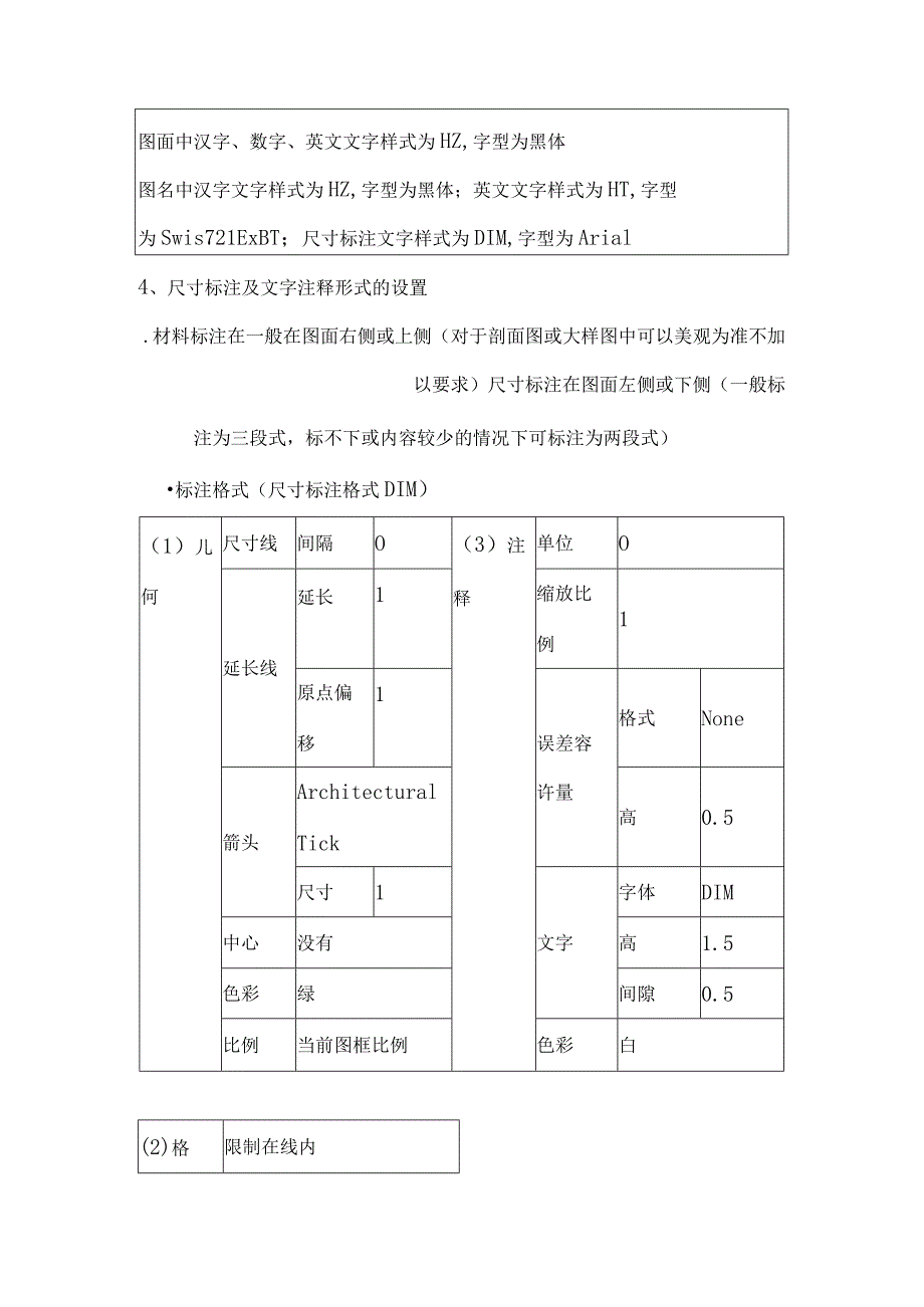
3、图面中汉字、数字、英文文字样式为HZ,字型为黑体图名中汉字文字样式为HZ,字型为黑体;英文文字样式为HT,字型为Swis721ExBT;尺寸标注文字样式为DIM,字型为Arial4、尺寸标注及文字注释形式的设置.材料标注在一般在图面右侧或上侧(对于剖面图或大样图中可以美观为准不加以要求)尺寸标注在图面左侧或下侧(一般标注为三段式,标不下或内容较少的情况下可标注为两段式)标注格式(尺寸标注格式DIM)(1)儿何尺寸线间隔O(3)注释单位O延长线延长1缩放比例1原点偏移1误差容许量格式None箭头ArchitecturalTick高0.5尺寸1文字字体DIM中心没有高1.5色彩绿间隙0.5比例当前

4、图框比例色彩白(2)格限制在线内式拟合NoLeader水平对齐Centered垂直对齐Above标注格式(文字标注格式TEXT)(1)几何尺寸线间隔0(3)注释单位0延长线延长1缩放比例1原点偏移1误差容许量格式None箭头Right-Angle高0.5尺寸1.5文字字体HZ中心没有高1.5色彩绿间隙0.5比例当前图框比例色彩白(2)格式限制在线内拟合NoLeader水平对齐Centered垂直对Above齐5、线型设置A、中轴线CenterB、暗藏日光灯带DashedC、不可见的物体结构线DashedD、门窗开启线CenterE、木纹线不锈钢钛金等Dot6、常用材料标注举例(文字说明不要重复

5、标注,以能说明图面为准)600x600白色抛光砖地毯满铺羊毛地毯铝扣板吊顶纸面石膏板吊顶纸面石膏板纸面石膏板基层白色乳胶漆9mm夹板18mm夹板18mm夹板龙骨18mn夹板基层樱桃木夹板清漆樱桃木夹板清漆樱桃木实木线条清漆实木线条清漆樱桃木实木踢脚线樱桃木实木成品门踢脚线顶棚线白色混水漆白色乳胶漆木龙骨30x30角钢不锈钢方(圆)管不锈钢角码镜面不锈钢板砂光不锈钢板(方管、圆管)砂光不锈钢板冲直径20孔磨砂玻璃喷砂玻璃钢化磨砂玻璃蚀刻玻璃5mn钢化玻璃5mm清玻璃5mm明镜5mm车边明镜暗藏日光灯带(平、立面)暗藏珠灯带(平、立面)日光灯珠银线米黄石材挂贴(干挂)银线米黄石材线条(踢脚线、台面

6、)银线米黄石材白色复合板枫木面层复合板防火板白色防火板枫木纹理防火板白色塑铝板枫木纹理塑铝板射灯筒灯水泥砂浆织物软包银色扪布软包铁艺黑漆铁艺金漆木雕金漆木夹板索色实木板索色广告钉亚克力灯片可丽耐台面8Iml钢化磨砂玻璃(车边)花岗石玻璃钢造型铺金7、尺寸标注.尺寸标注一般需要标明:最外总体尺寸中间结构尺寸最内功能尺寸.分尺寸与总体尺寸必须相等,必要时可用EQ表示第二层标注应以第一层标注的末端为起点,不要重复标注。.门缝、抽屉缝、搁板厚度等细节不需要标注。尺寸标注严禁炸开;严禁小数点8、CAD书稿注意事项 画图时先打开相对应图框,另存后在图框内进行画图工作 改图时先打开相对应图框,再插入需要改的

7、文件,以便对文件进行控制.在画图过程中捕捉设置选择端点、中点、垂线点、交点即可;NeareSt-接近点禁止使用以确保尺寸为整数.图中线条按轮廓-结构的原则作成连接的多义线(PLINE),即外轮廓为一条完整连接的多义线,内部多义线依结构连接。.插入图中的图块不要炸开,如需调整,在调整完毕后,应重新定义为图块;填充禁止炸开 注意剖视方向,索引符号指示方向应与剖视方向一致 平面图中索引立面序号时,以图面上方为起始,用英文字母按顺时针方向排序 同一幅图中,索引序号不得重复.文件完成后,必须将多余图块及设置清除,确保文件空间为最小.检查图纸应按以下步骤进行画面内容尺寸标注文本标注图标图名整体排版.图面与图框内框竖线之间应留一个数字的距离,防止稿件打印不全.确保画面均衡、美观、各视图间应按照对应的原则排版9、填充图案/,玻璃(AR_RROOF)石材钢材剖面(ANSI32)车边玻璃(明镜)钢筋混凝土剖面磨砂、冰纹玻璃(AR_SAND)墙体(实木)剖面(ANSI31)水泥砂浆(石膏板)剖面(AR_CONC)钢材剖面(ANSI32)18mm 夹板(ANSI31)水泥砂浆(石膏板)剖面(ARrONC)12、 15、软包剖面胶条剖面(HONEY)引出线指向圆心9mm夹板(DoLMlT)注:5mm夹板以下不填充;塑铝板、防火板不填充

展开阅读全文
相关资源
猜你喜欢
相关搜索

当前位置:首页 > 建筑/环境 > 建筑规范

copyright@ 2008-2023 1wenmi网站版权所有

经营许可证编号:宁ICP备2022001189号-1

本站为文档C2C交易模式,即用户上传的文档直接被用户下载,本站只是中间服务平台,本站所有文档下载所得的收益归上传人(含作者)所有。第壹文秘仅提供信息存储空间,仅对用户上传内容的表现方式做保护处理,对上载内容本身不做任何修改或编辑。若文档所含内容侵犯了您的版权或隐私,请立即通知第壹文秘网,我们立即给予删除!