离心式压缩机试车记录(一).docx

上传人:p** 文档编号:529460 上传时间:2023-10-15 格式:DOCX 页数:1 大小:17.29KB
下载 相关 举报
离心式压缩机试车记录(一).docx_第1页
第1页 / 共1页
亲,该文档总共1页,全部预览完了,如果喜欢就下载吧!
资源描述

《离心式压缩机试车记录(一).docx》由会员分享,可在线阅读,更多相关《离心式压缩机试车记录(一).docx(1页珍藏版)》请在第壹文秘上搜索。

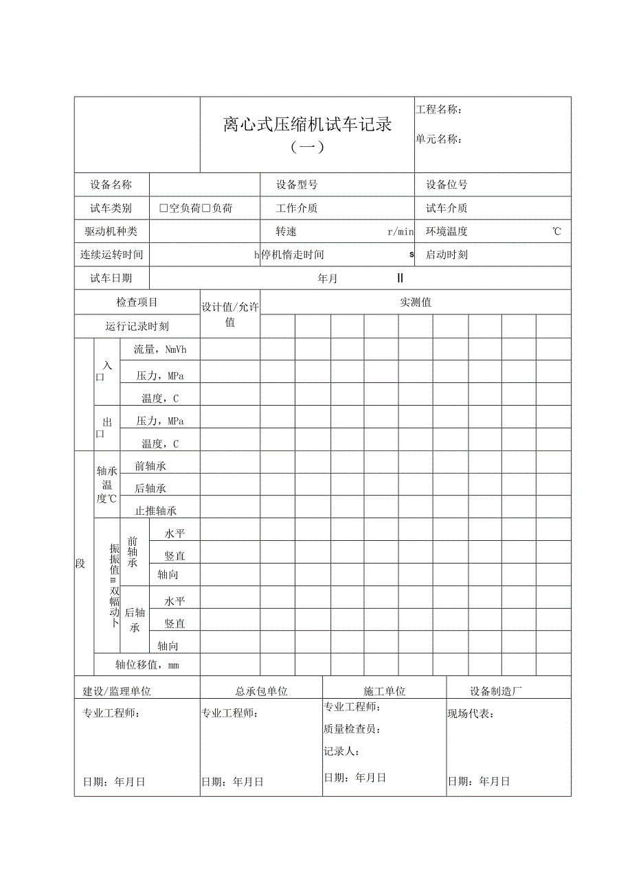
离心式压缩机试车记录(一)工程名称:单元名称:设备名称设备型号设备位号试车类别空负荷负荷工作介质试车介质驱动机种类转速r/min环境温度连续运转时间h停机惰走时间S启动时刻试车日期年月Il检查项目设计值/允许值实测值运行记录时刻入口流量,NmVh压力,MPa温度,C出口压力,MPa温度,C段轴承温度前轴承后轴承止推轴承振振值m双幅动卜前轴承水平竖直轴向后轴承水平竖直轴向轴位移值,mm建设/监理单位总承包单位施工单位设备制造厂专业工程师:日期:年月日专业工程师:日期:年月日专业工程师:质量检查员:记录人:日期:年月日现场代表:日期:年月日

展开阅读全文
相关资源
猜你喜欢
相关搜索

当前位置:首页 > 汽车/机械/制造 > 机械理论及资料

copyright@ 2008-2023 1wenmi网站版权所有

经营许可证编号:宁ICP备2022001189号-1

本站为文档C2C交易模式,即用户上传的文档直接被用户下载,本站只是中间服务平台,本站所有文档下载所得的收益归上传人(含作者)所有。第壹文秘仅提供信息存储空间,仅对用户上传内容的表现方式做保护处理,对上载内容本身不做任何修改或编辑。若文档所含内容侵犯了您的版权或隐私,请立即通知第壹文秘网,我们立即给予删除!